Начало каталога электросхем автомобилей БМВ 7-й серии. В разделе представлены для бесплатного просмотра и скачивания схемы таких узлов, как система управления, блокировка переключения, система EDC, антиблокировки тормозов, омыватели линз фар, вентилятор и дополнительный охлаждения блока электроники двигателя БМВ.
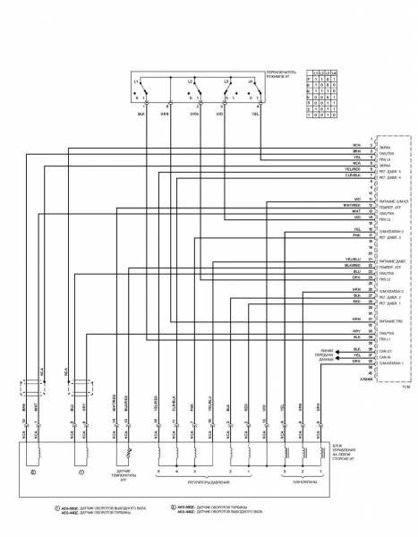
Система управления БМВ


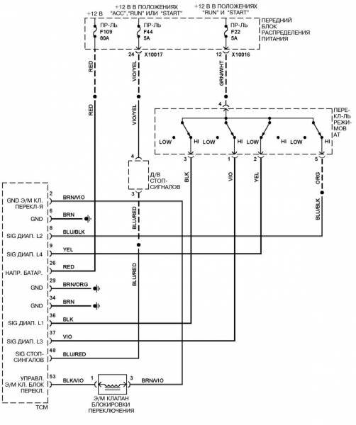
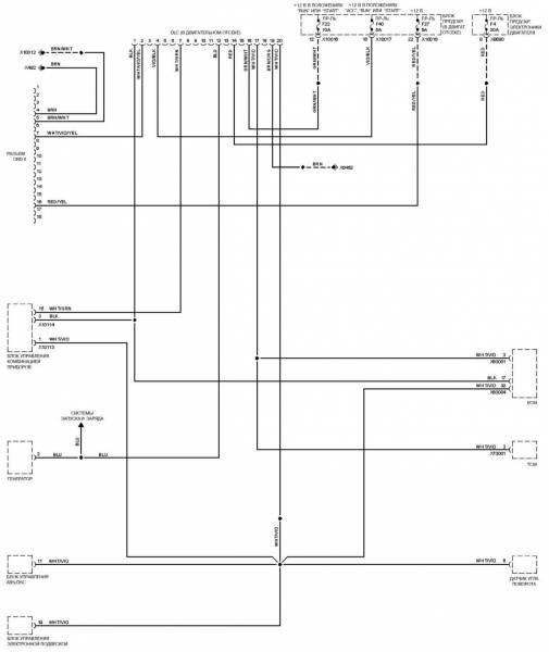
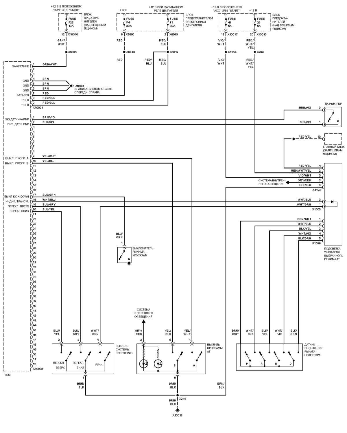
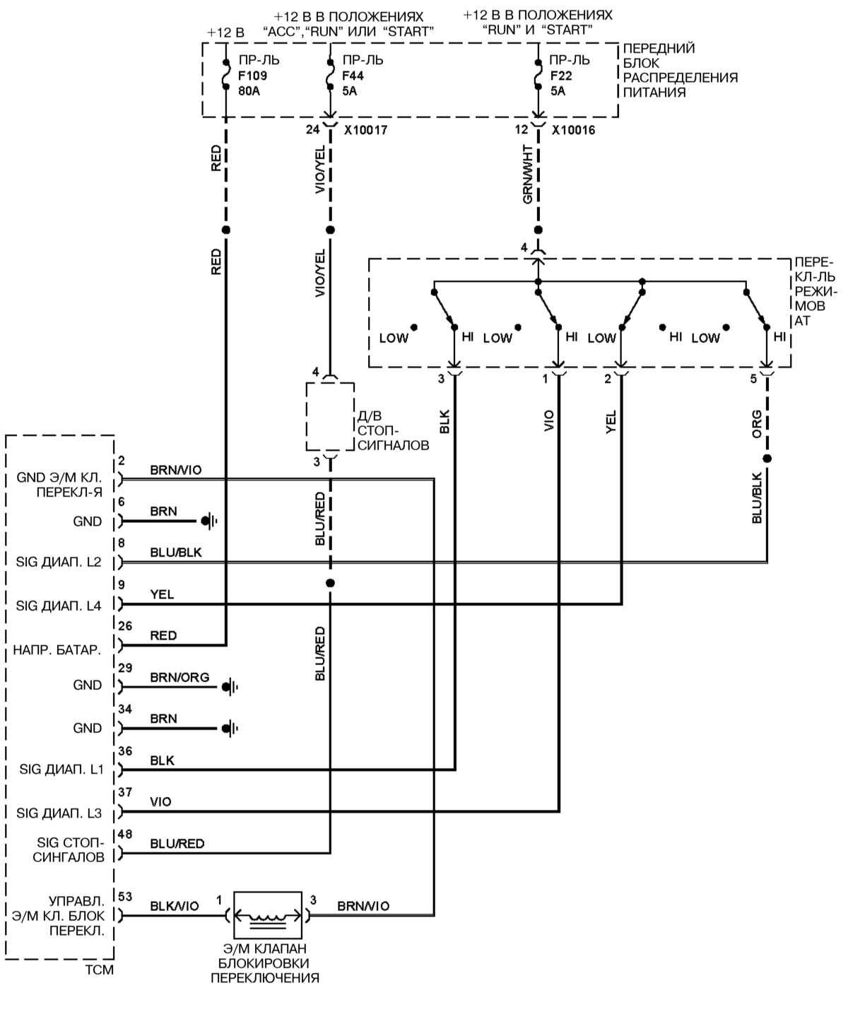
Блокировка переключения БМВ 7-й серии

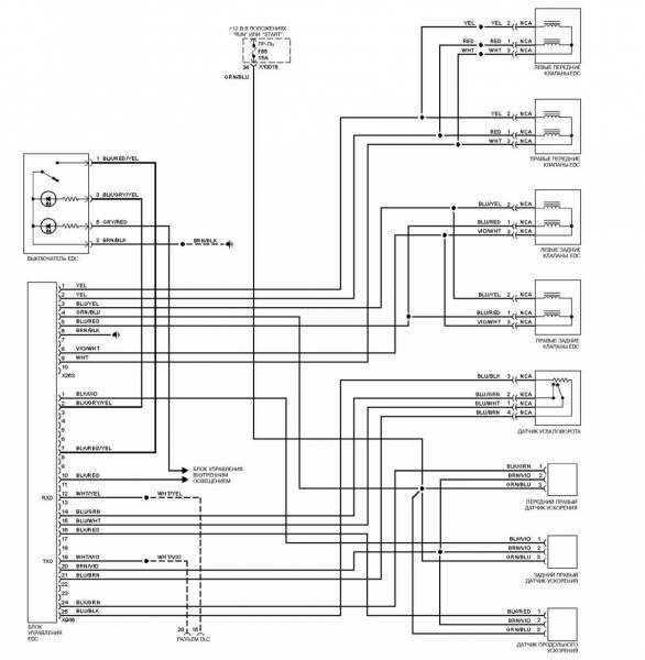
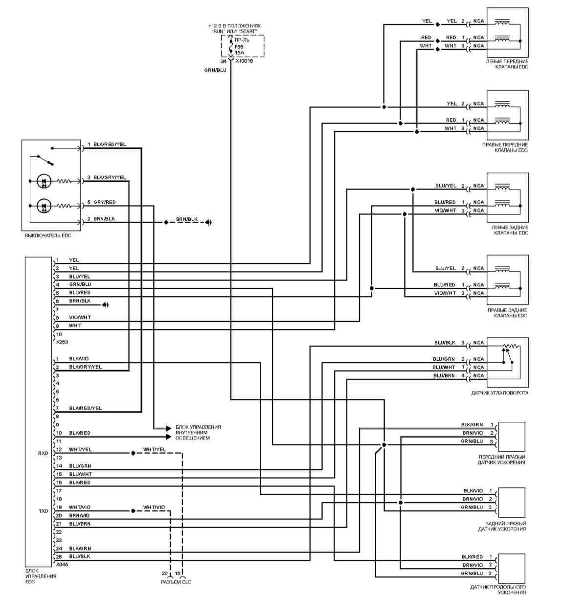
Электросхема системы EDC

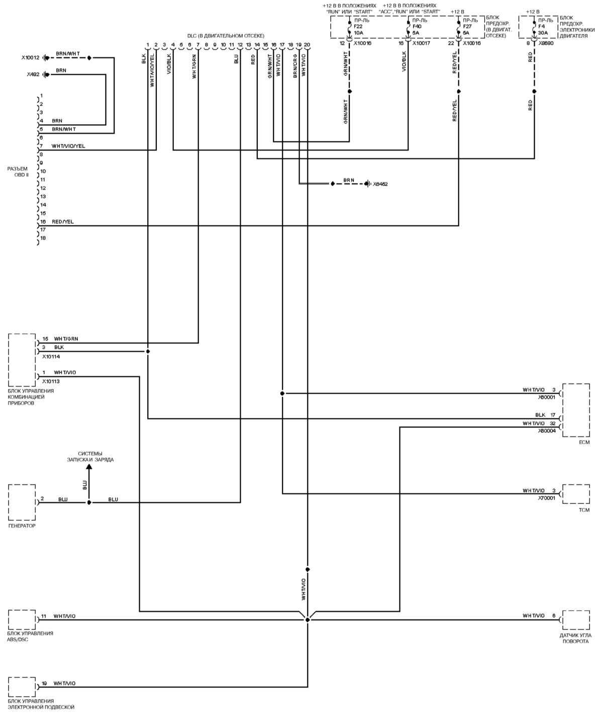
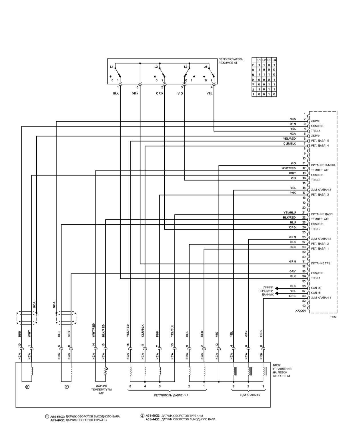
Схема линии передачи данных

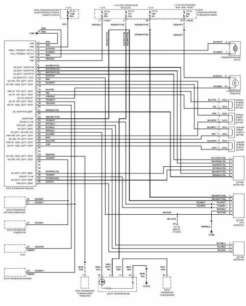
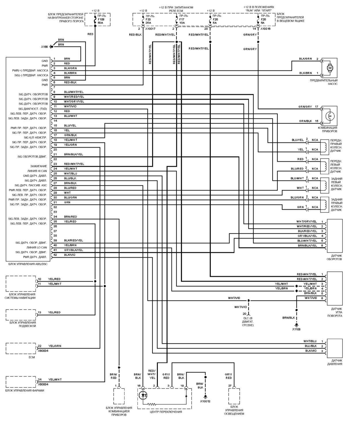
Система антиблокировки тормозов автомобиля БМВ 7

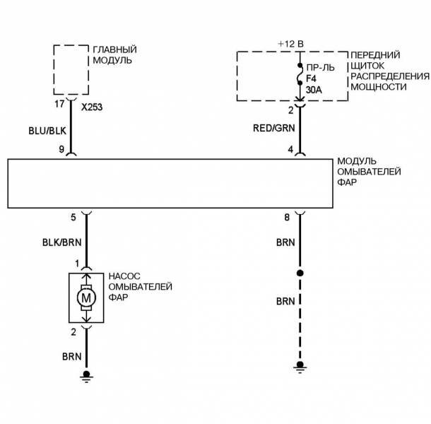
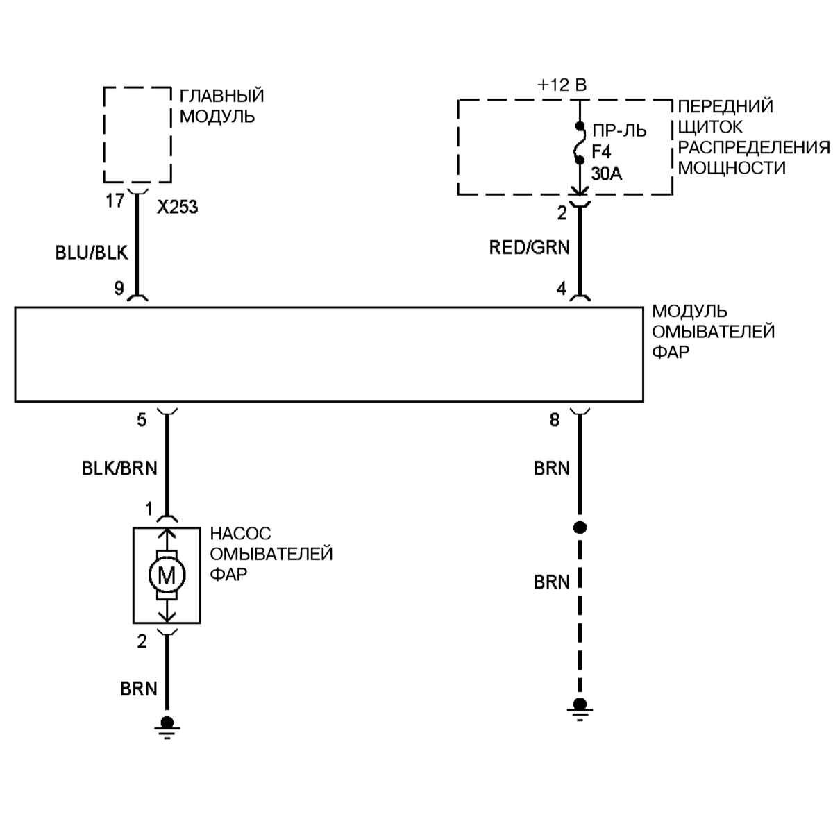
Омыватели линз фар - схема

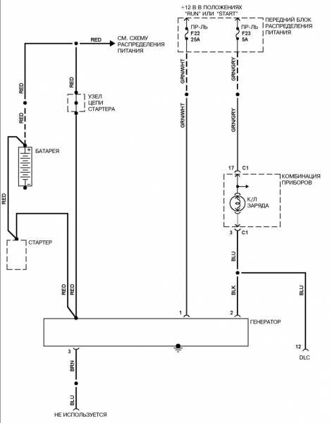
Электросхема модуля заряда аккумулятора

Вентилятор системы охлаждения БМВ

Охлаждения блока электроники двигателя

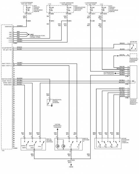
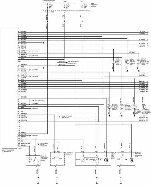
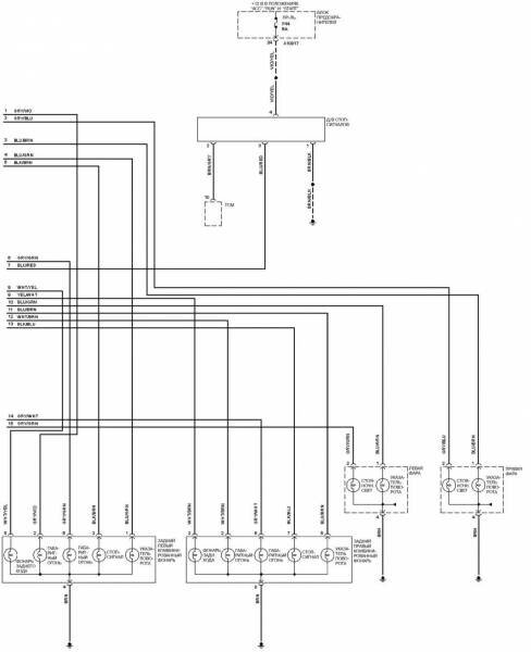
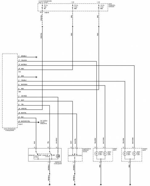
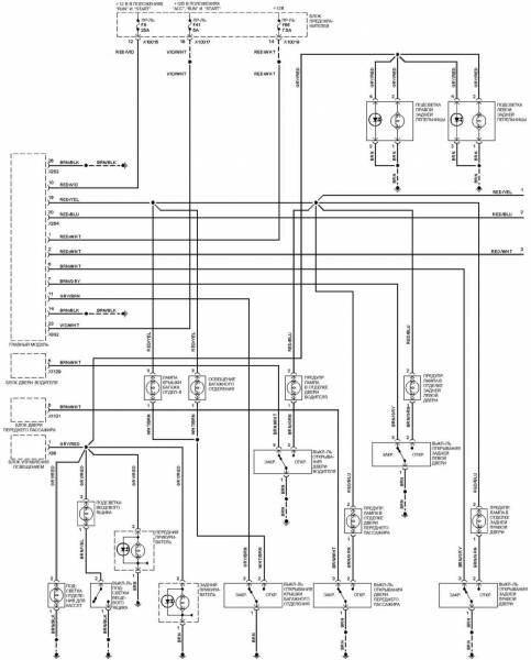
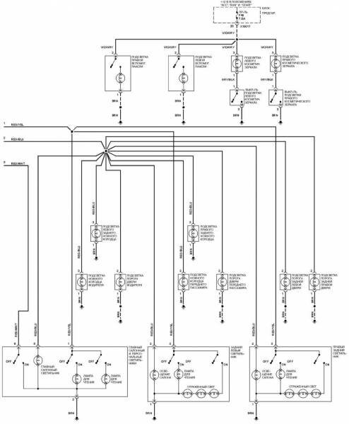
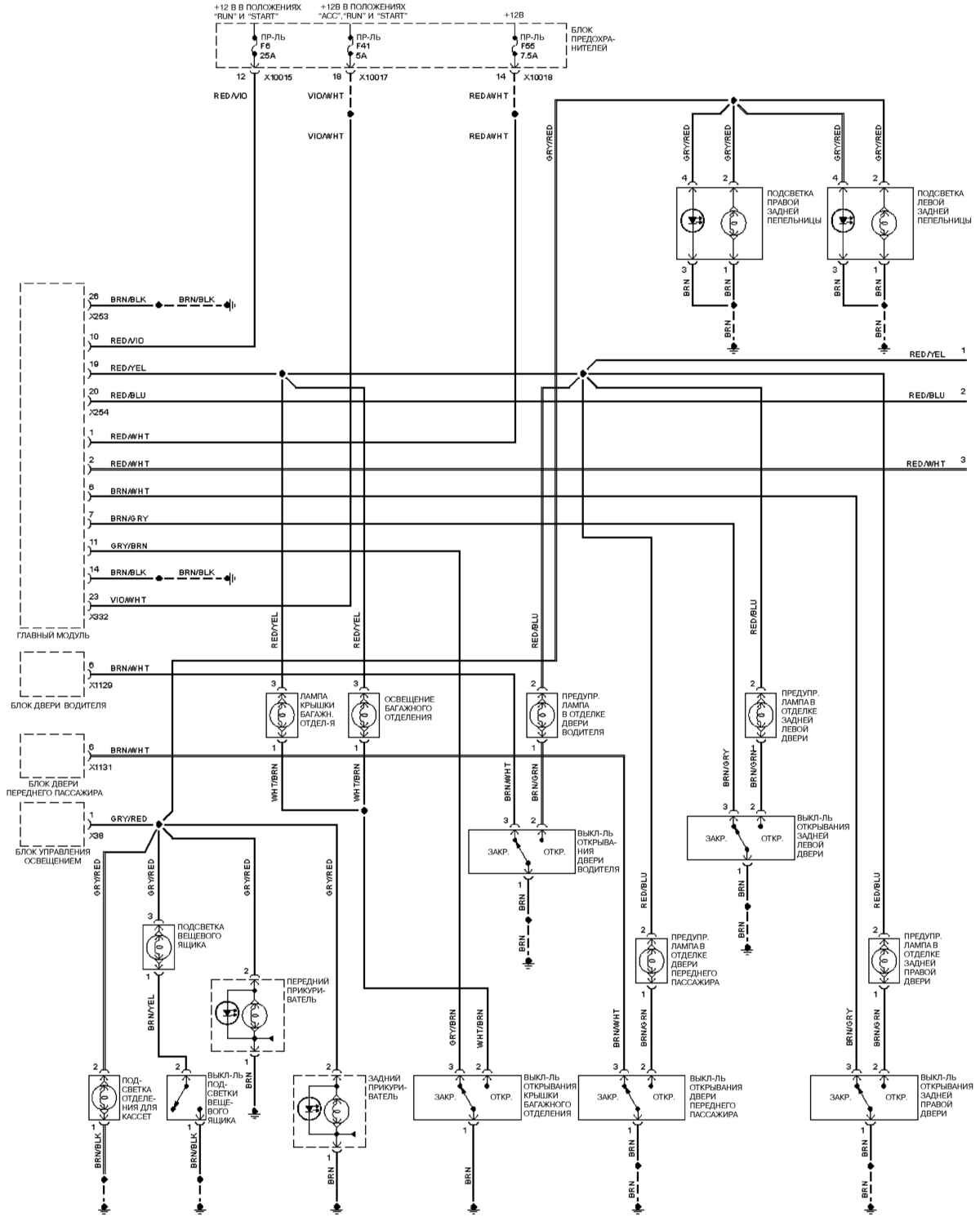
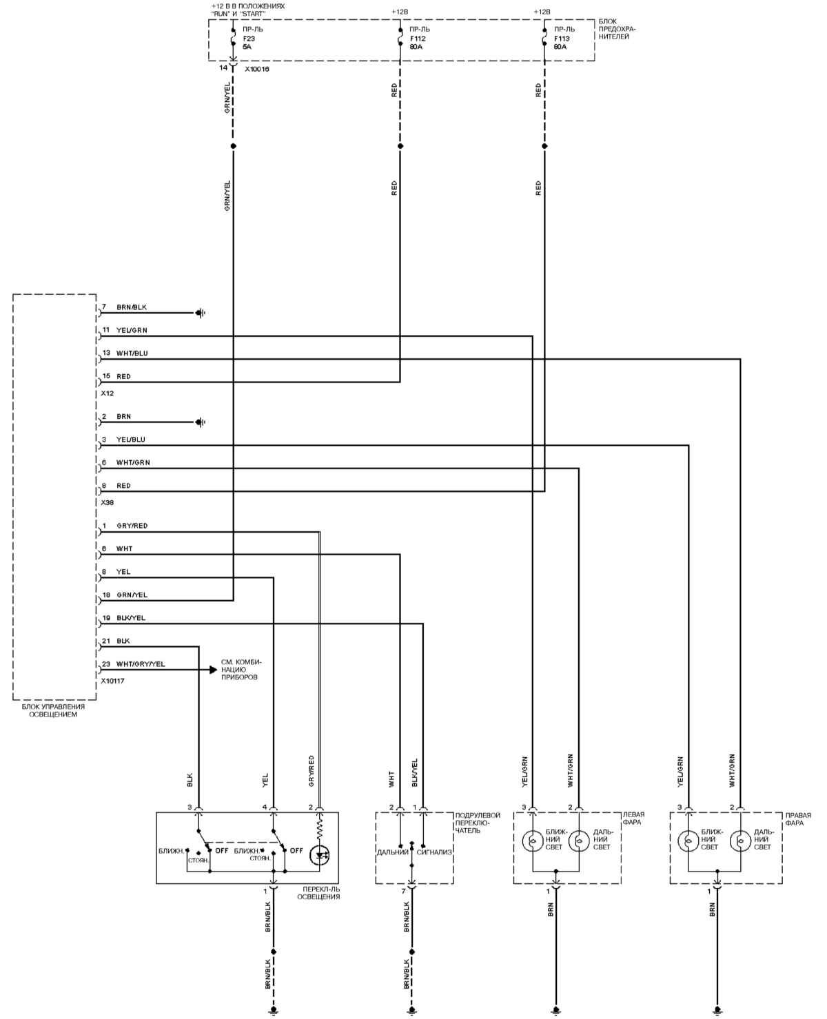
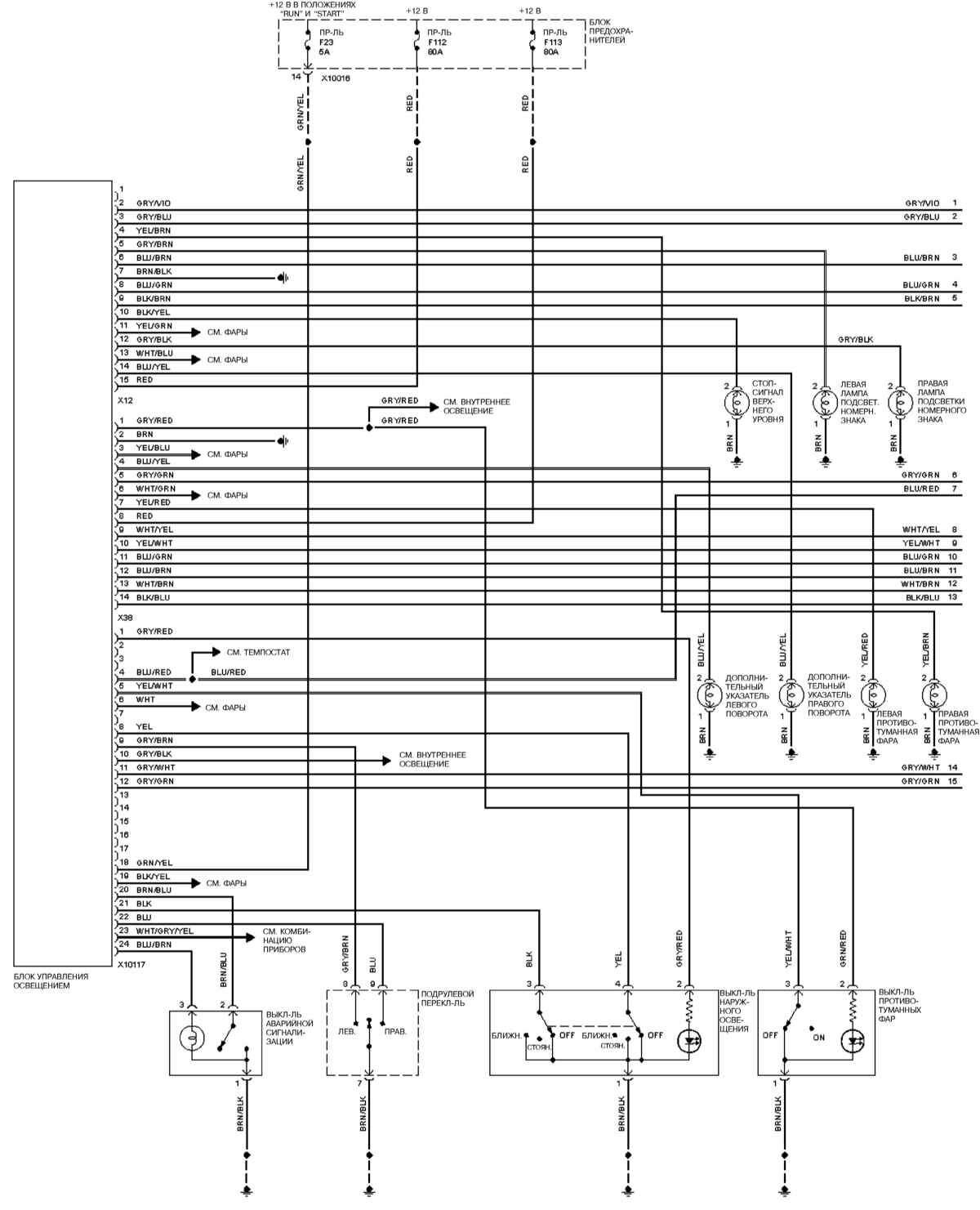
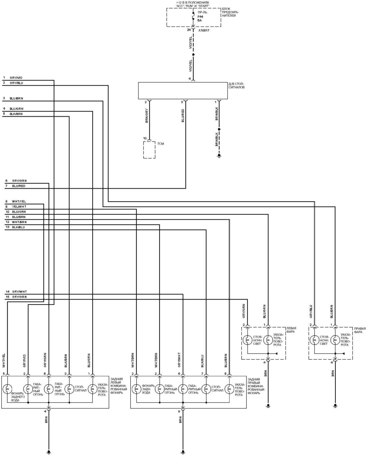
Фары и внутреннее освещение БМВ 7





РЕМОНТ АВТОЭЛЕКТРОНИКИ ЗАРЯДНЫЕ УСТРОЙСТВА ДЛЯ АКБ

|