Электросхемы автомобиля Iveco. Обычная электрическая цепь состоит из электрического элемента, переключателей, реле, двигателей, предохранителей, автоматических выключателей, проводов и разъемов, которые соединяют электрический элемент с аккумулятором и кузовом. Прежде чем пытаться определить источник неисправности, изучите соответствующую схему электрооборудования для получения представления об элементах, установленных в этой цепи. Круг возможных источников неисправности можно сузить, если проверить функционирование других элементов, входящих в данную цепь. Если несколько элементов или цепей выходят из строя одновременно, то проблема, очевидно, заключается в предохранителе, общем для этих цепей или элементов, или контакте с кузовом.
Электрические проблемы обычно обусловлены простыми причинами, такими как ослабленные или проржавевшие разъемы, отсутствие контакта с кузовом, перегоревшие предохранители, расплавившаяся пережигаемая перемычка или неисправное реле. Визуально проверьте состояние всех предохранителей, проводов и разъемов в вышедшей из строя цепи, прежде чем приступать к проверке остальных элементов. Используйте схемы электрооборудования для определения того, какие из концевых зажимов необходимо проверить для обнаружения источника неисправности. Основными инструментами, необходимыми для обнаружения источника неисправности, являются тестер или вольтметр (лампочка на 12 вольт и пара проводов со щупами на концах также может использоваться для проведения некоторых проверок); омметр; батарея и набор проводов со щупами, накидной прокол, желательно с автоматическим выключателем или предохранителем, который используется для обхода проверяемых проводов или элементов. Для обнаружения причины ненадежной работы какого либо из элементов (обычно из-за плохого подсоединения или загрязнения контактов, а также поврежденной изоляции) можно провести проверку встряхиванием проводов. Необходимо потрясти провод рукой, чтобы проверить, не появляется ли неисправность при движении провода. Таким методом можно сузить круг возможных источников неисправности до какого-либо провода.
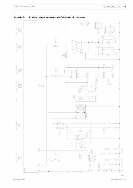
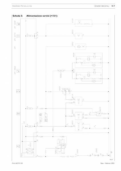
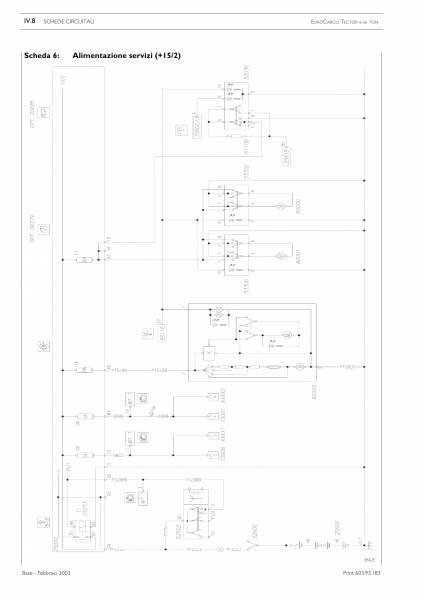
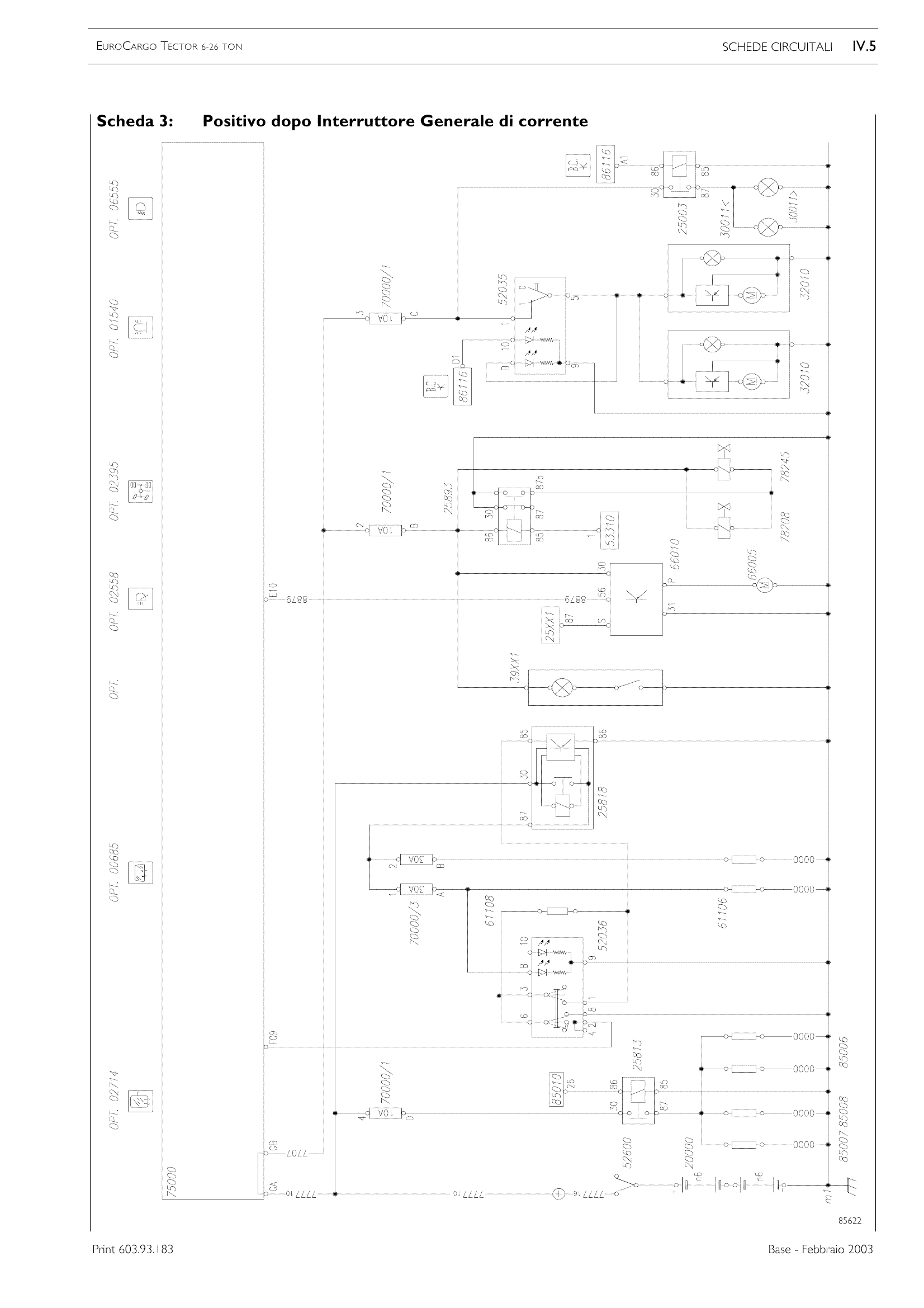
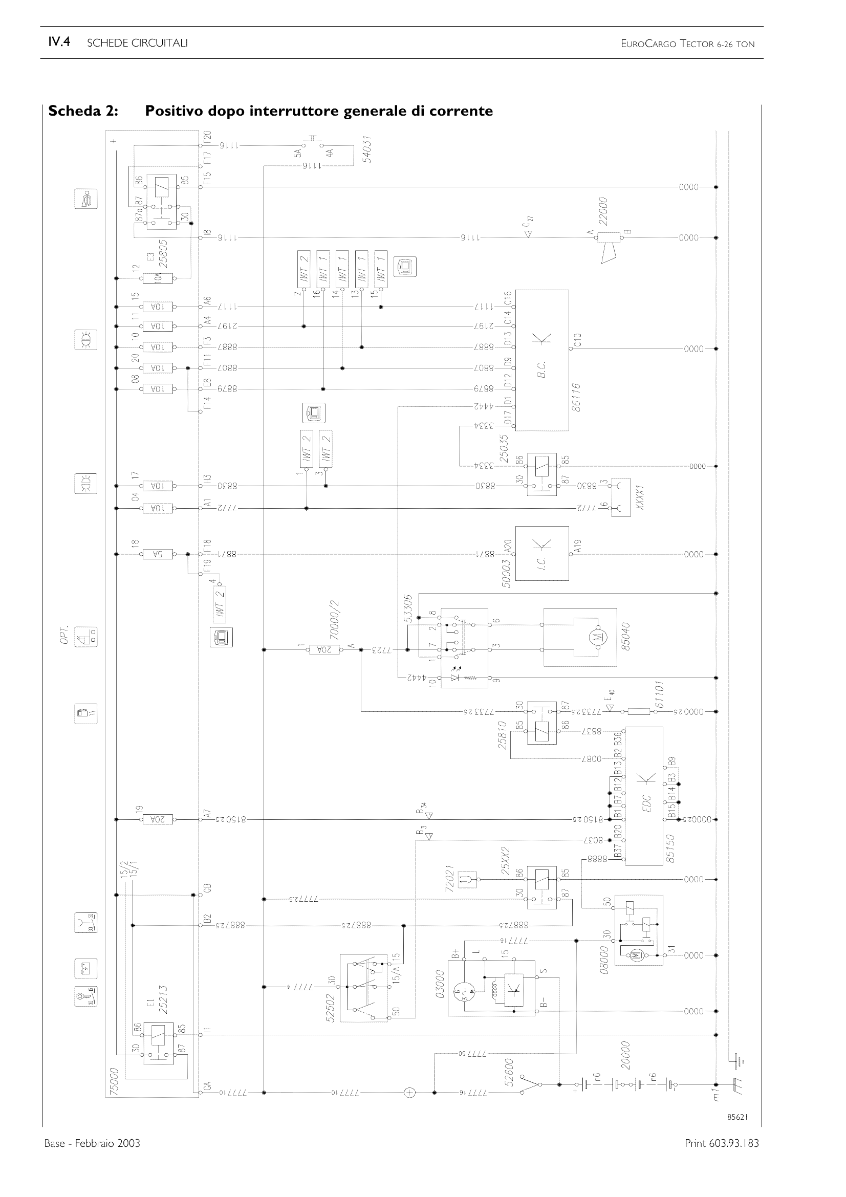
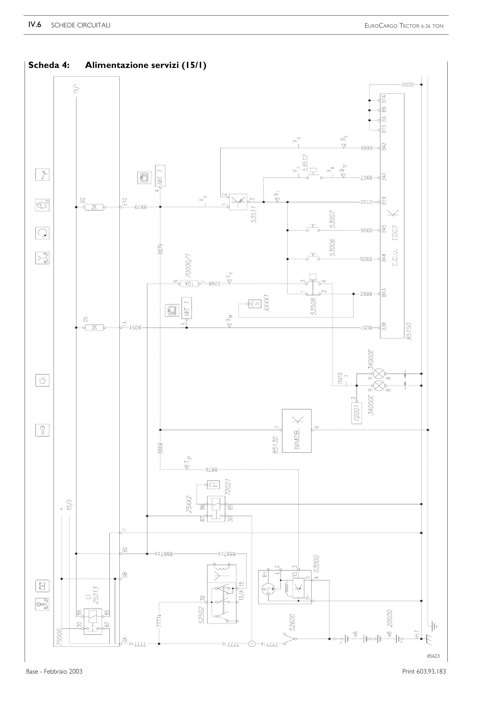
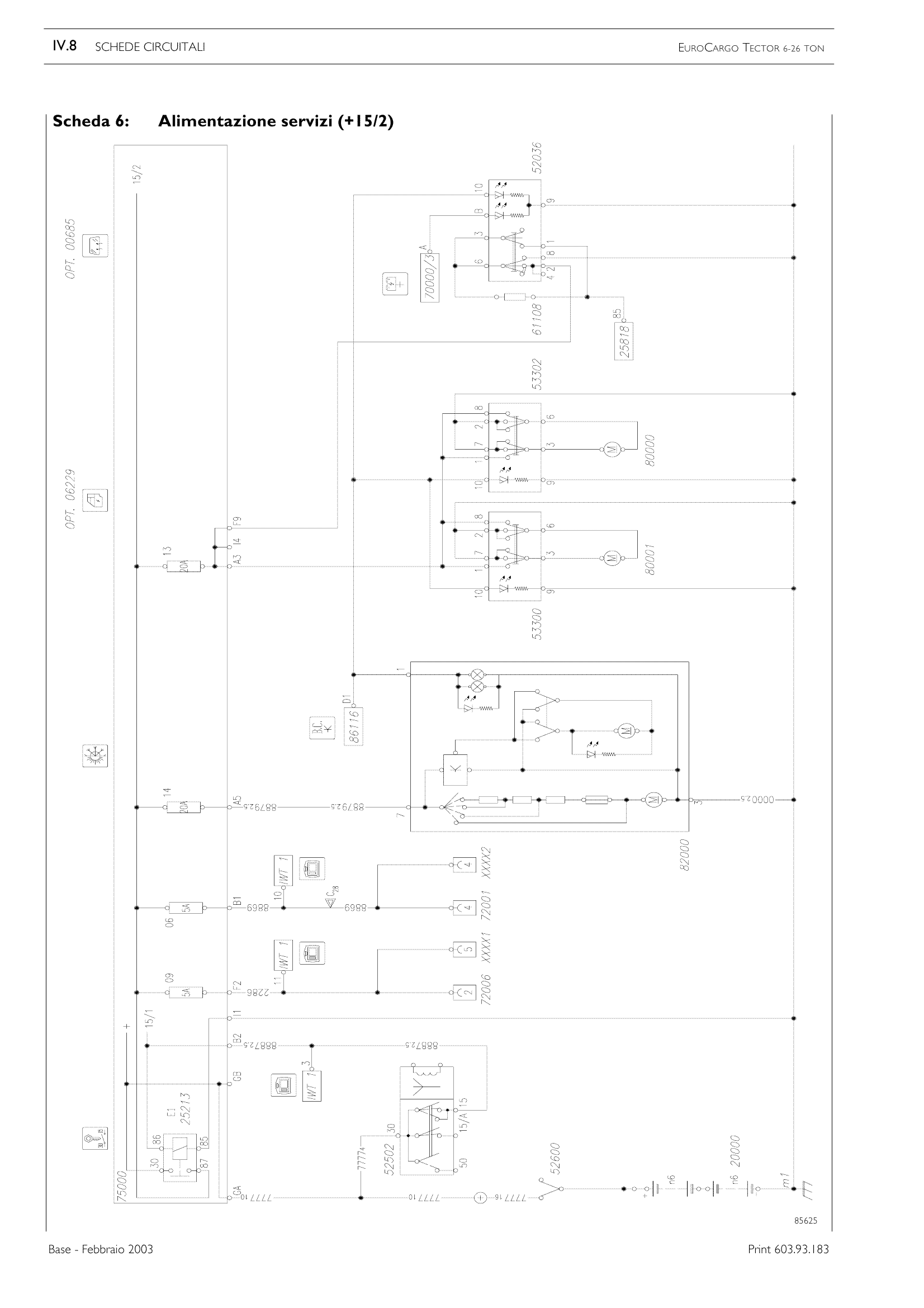
Электросхема автомобиля Iveco










Схемы на языке оригинала, для просмотра остальных модулей - скачайте полный архив с электрооборудованием Iveco
РЕМОНТ АВТОЭЛЕКТРОНИКИ ЗАРЯДНЫЕ УСТРОЙСТВА ДЛЯ АКБ

|