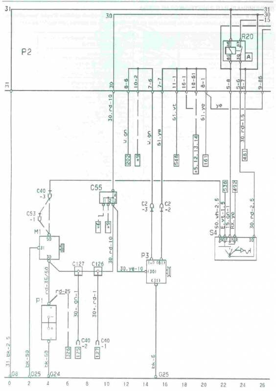
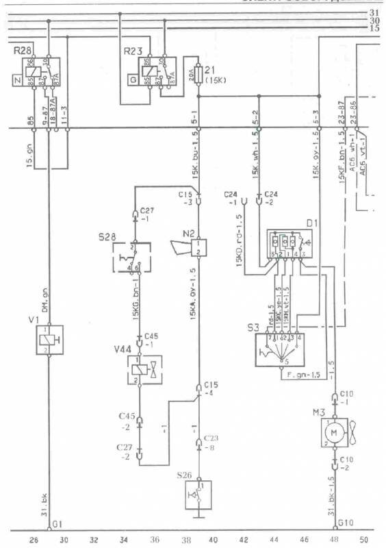
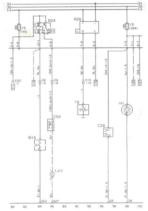
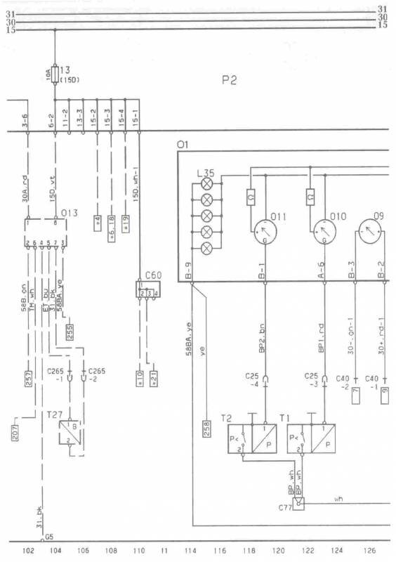
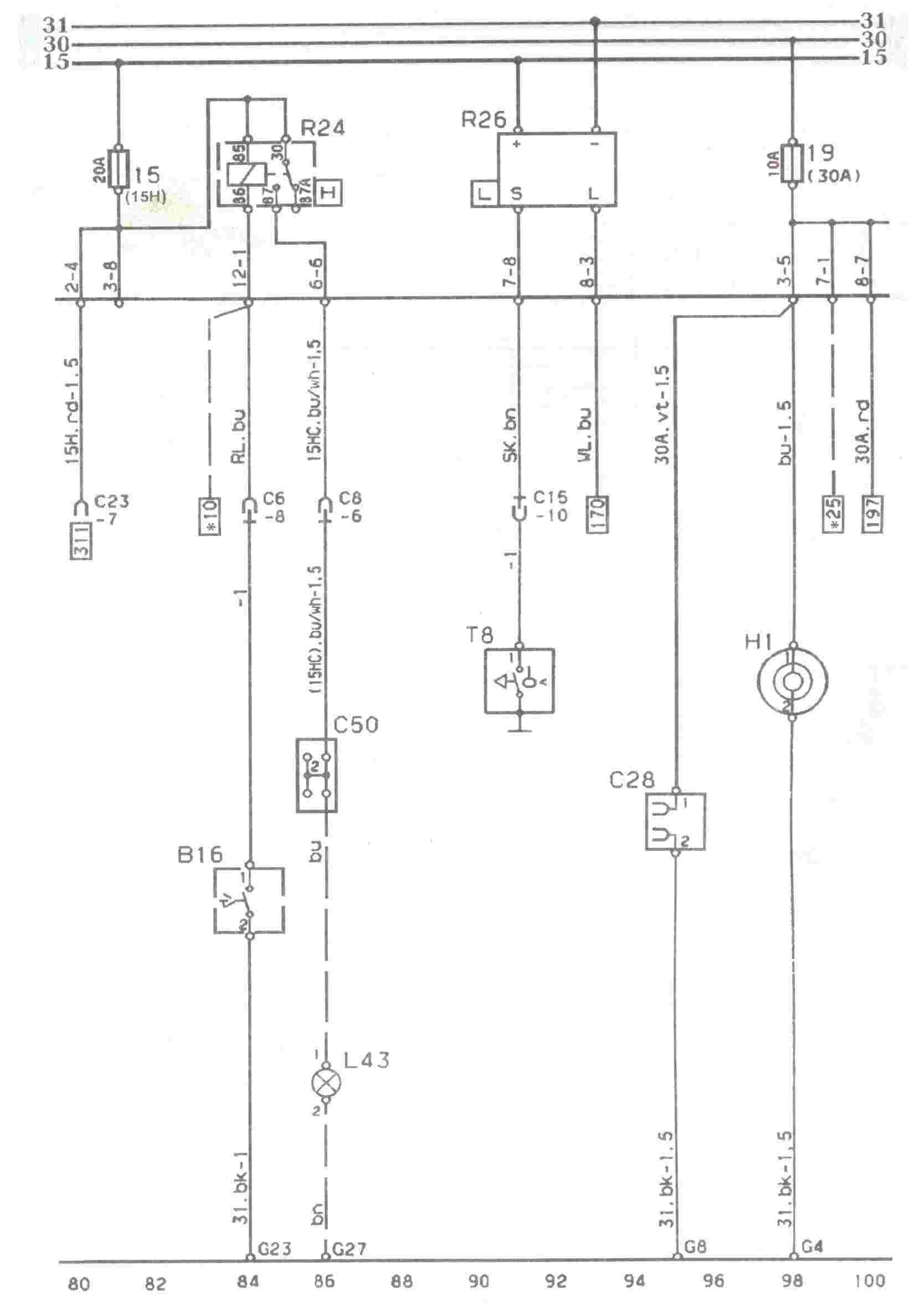
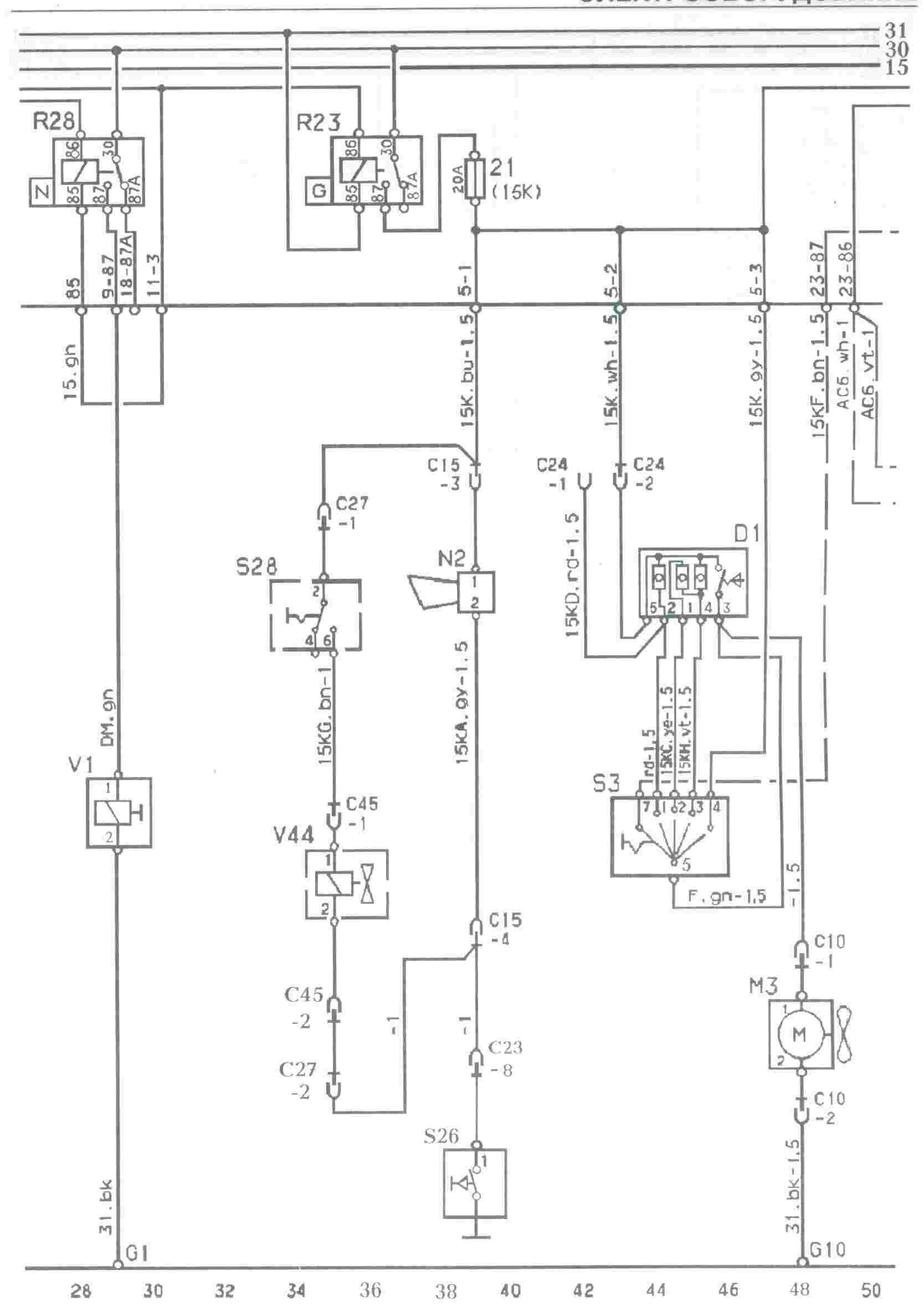
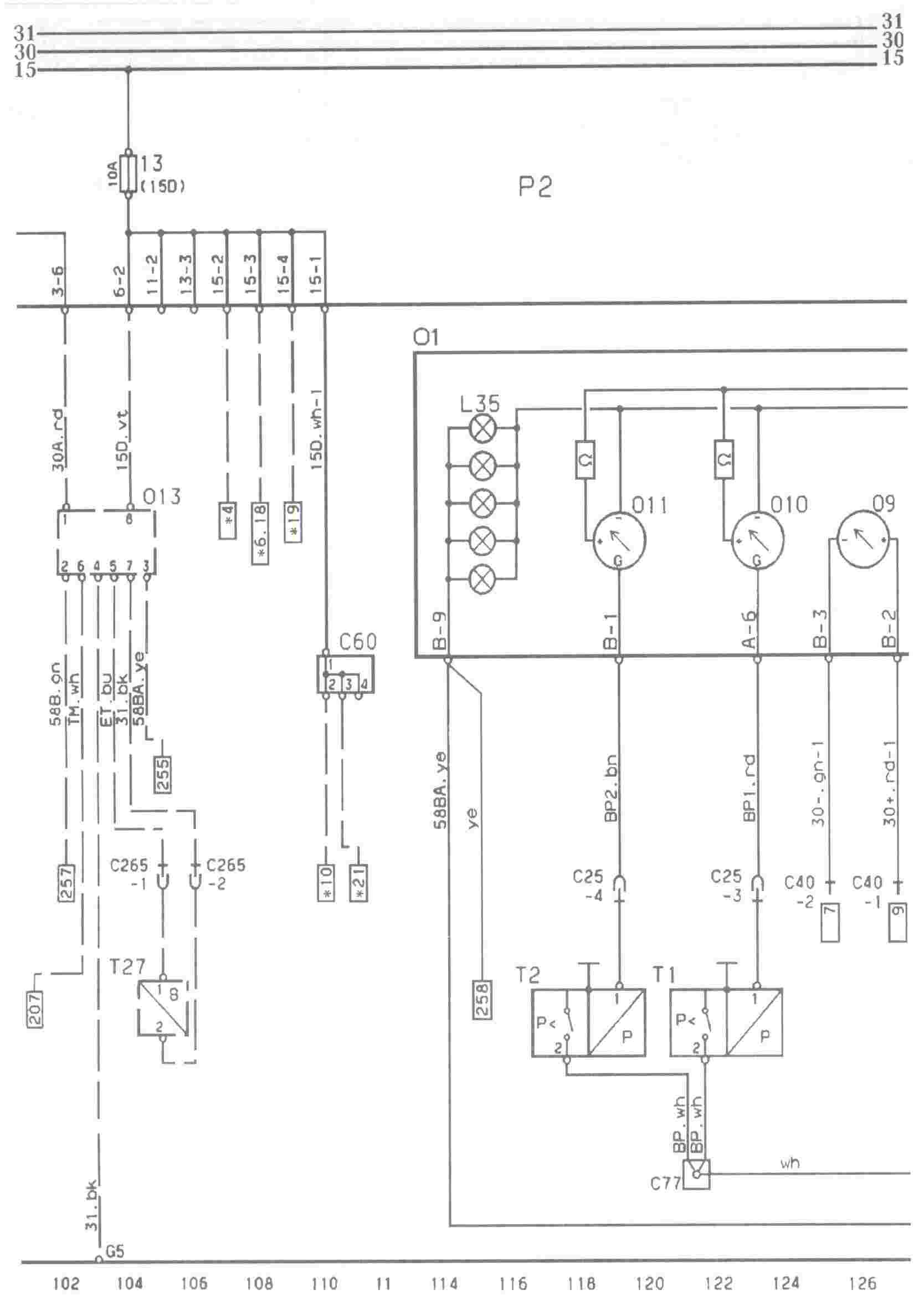
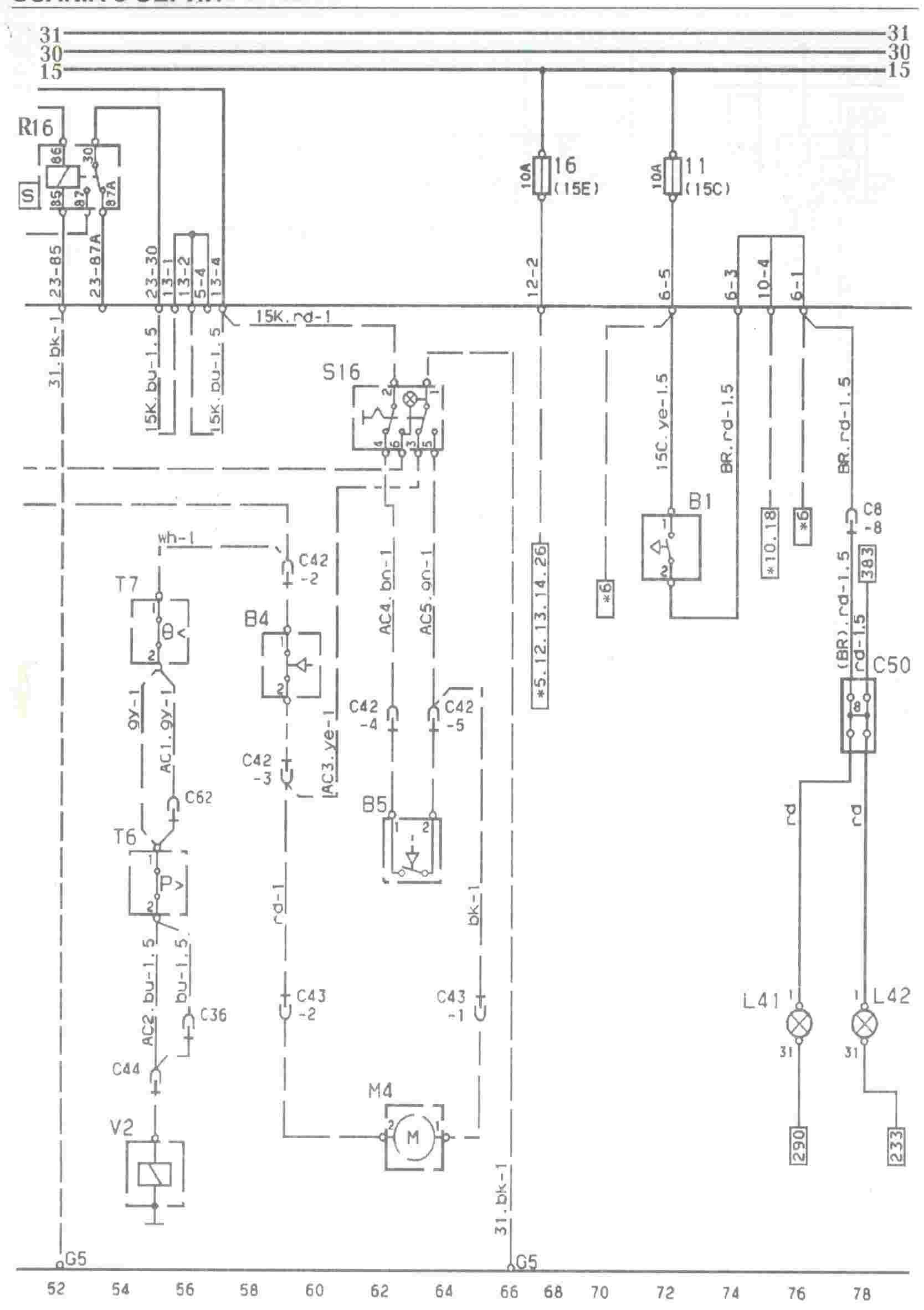
Электросхемы для грузового автомобиля Scania. Отдельными картинками идут сами схемы и описания проводов и обозначений к ним. Полный каталог схем для автомобиля Scania вы можете скачать ниже.
Электросхемы авто Scania





Описание и условвные обозначения деталей на электросхемах к грузовикам Scania





Полный сборник схем электрооборудования вы можете скачать бесплатно здесь.
РЕМОНТ АВТОЭЛЕКТРОНИКИ ЗАРЯДНЫЕ УСТРОЙСТВА ДЛЯ АКБ

|