Принципиальные схемы электрооборудования автомобиля VOLVO XC90 с 2002 (двигатели типов бензин 2,5, 2,9, 3,2, 4,4 л и дизель 2,4). Продолжение сборника схем находится здесь. Volvo XC90 - это внедорожник, построенный по принципу пассажирского автомобиля. Он имеет несущий кузов, продуманную систему зон деформации, низкий центр тяжести и передовые системы безопасности, сводящие к минимуму возможность травм у водителя и пассажиров, вне зависимости от аварийной ситуации и силы столкновения. Более того, Volvo XC90 оборудован системой, предотвращающей опрокидывание автомобиля. Система RSC (система защиты от опрокидывания) включает гироскоп, который следит за перемещением автомобиля на дороге и фиксирует опасные моменты. Если система определяет, что риск опрокидывания действительно актуален, то обороты двигателя автоматически снижаются; затем, при необходимости, происходит притормаживание одного или более колес. Если же избежать опрокидывания не удается, то на помощь людям приходят системы безопасности - ремни безопасности с преднатяжителями и надуваемый занавес.
Список сокращений и расшифровка цветов проводов на схемах Volvo XC90

Символы, принятые на электрических схемах

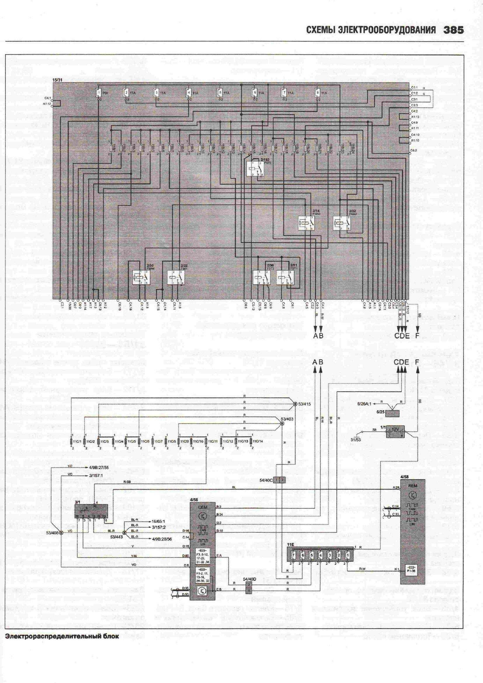
Электрораспределительный блок авто

Цифровые обозначения модулей оборудования


Центральный электронный блок управления


Задний блок управления REM1


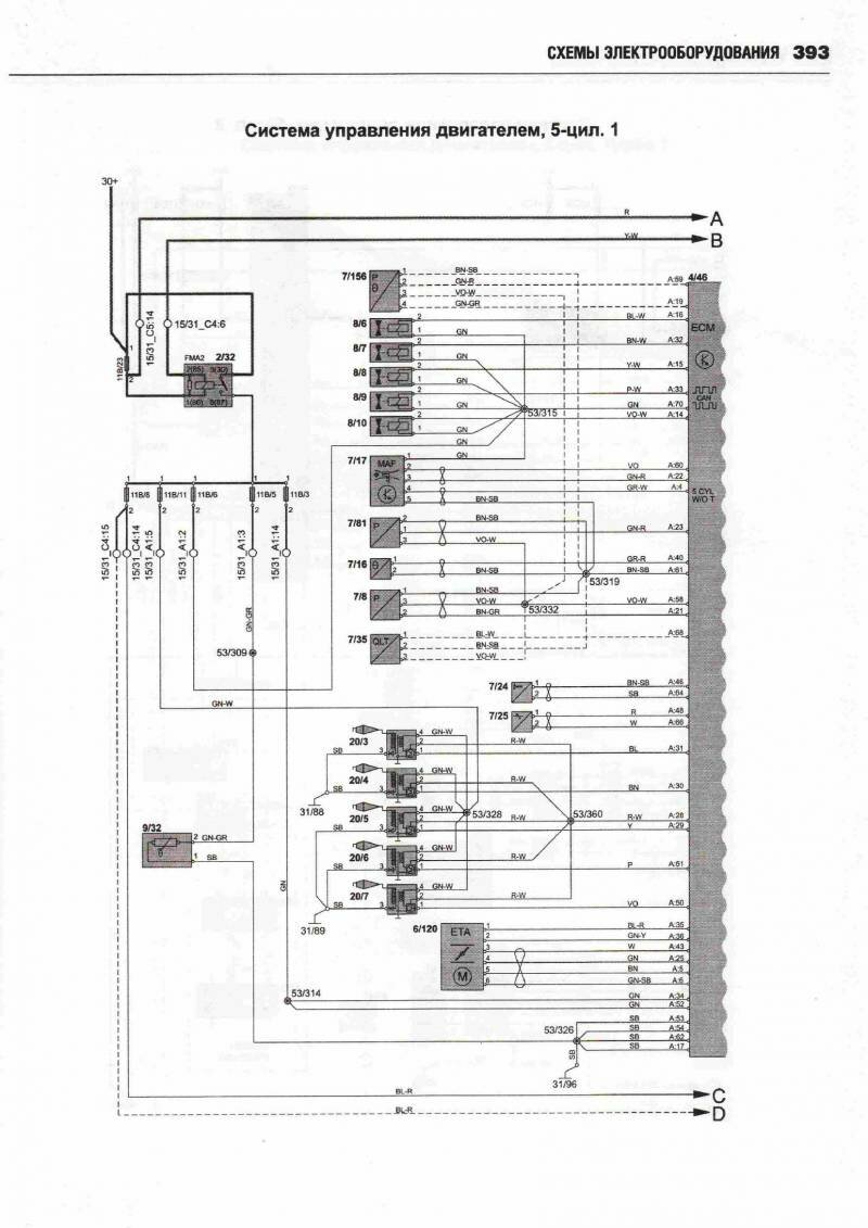
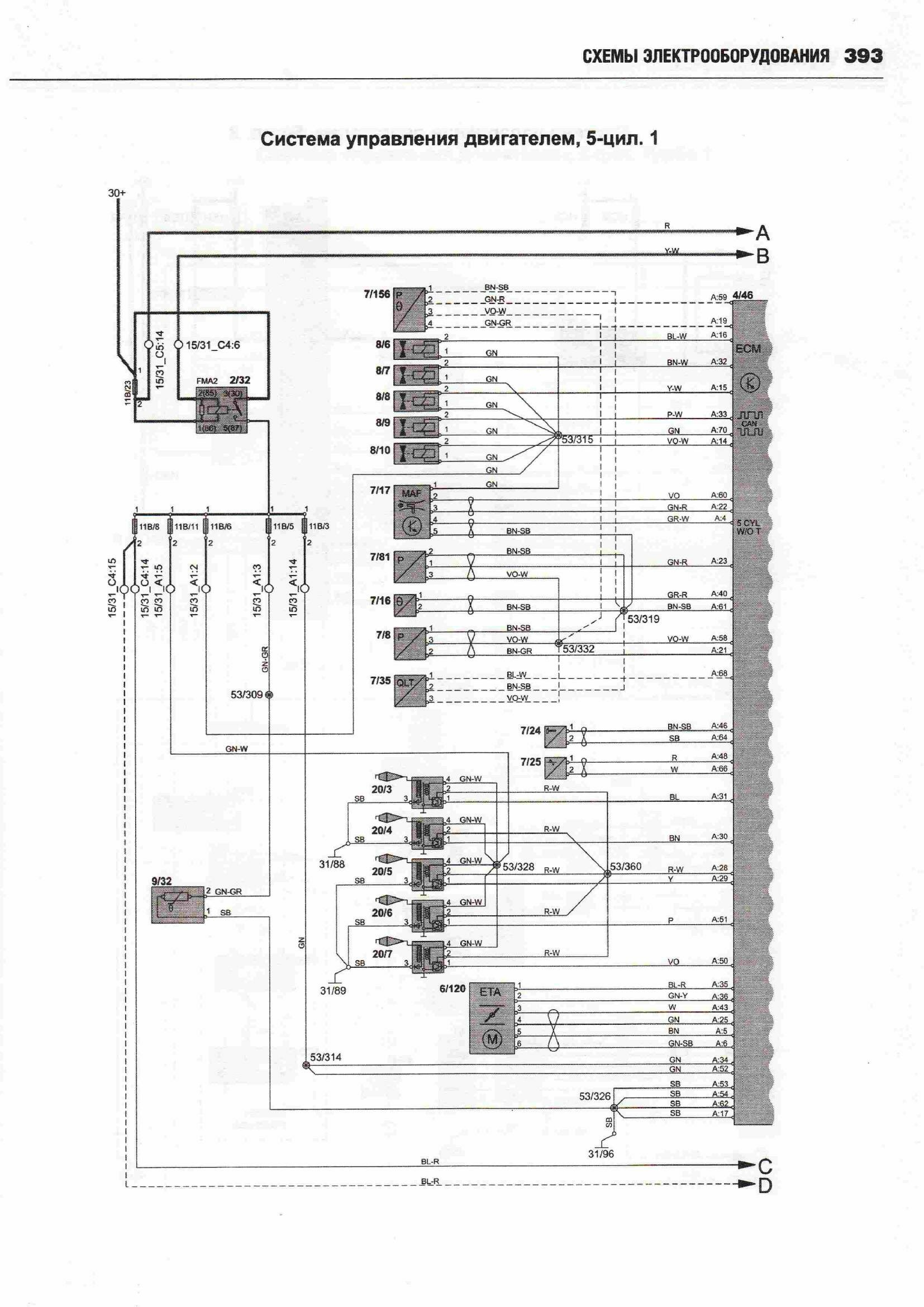
Система управления двигателем - схема


Система управления двигателем - турбо


Система управления 6-ти цилиндровым двигателем Volvo XC90


Система управления дизельным двигателем - электросхема


Схема системы запуска автомобиля

Автоматическая коробка передач - подключение


Устройство блокировки переключения передач авто

Принципиальная схема системы управления тормозами

РЕМОНТ АВТОЭЛЕКТРОНИКИ ЗАРЯДНЫЕ УСТРОЙСТВА ДЛЯ АКБ

|