Сборник схем электрооборудования Форд Скорпио. Все схемы в хорошем качестве. Показаны основные модули - аккумуляторная батарея; топливный насос; реле питания; выключатель зажигания и другие. Увеличить размер электросхемы нужного узла можно кликнув на картинку. Материал предназначен для самостоятельного ремонта и текущего обслуживания автомобиля Форд. Начало сборника схем Ford Scorpio смотрите тут.
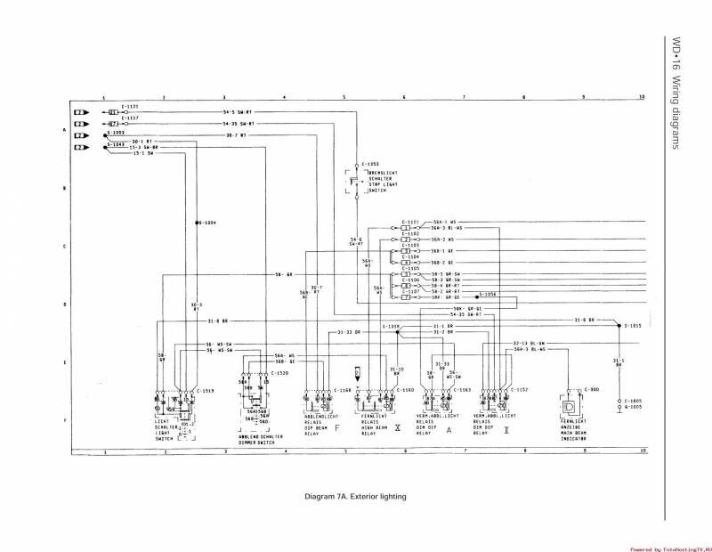
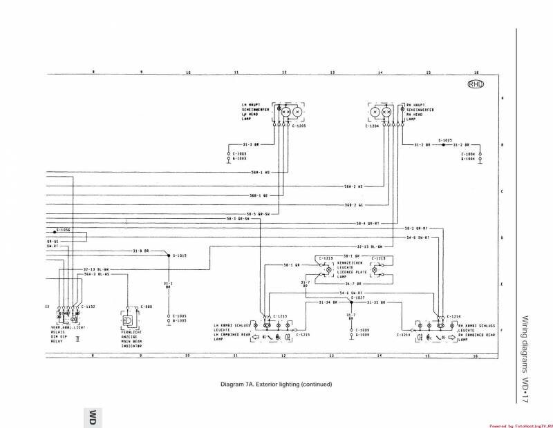
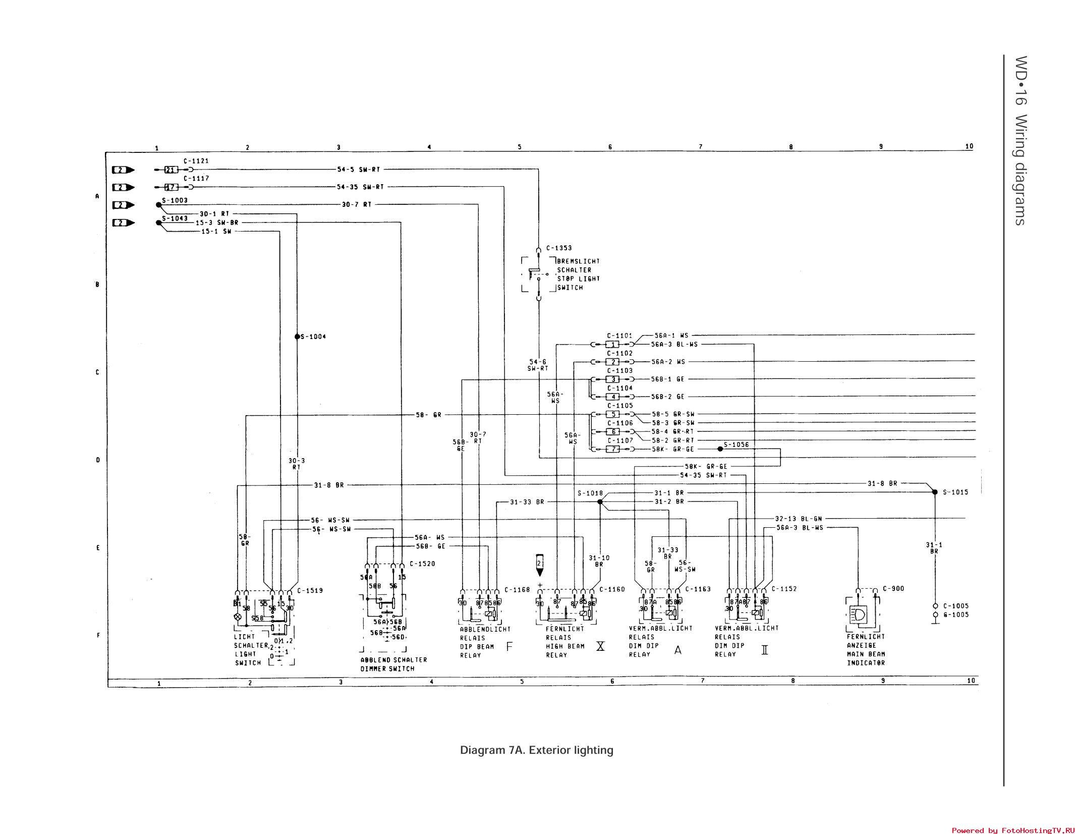
Схема внешнего освещения автомобиля Форд Скорпио


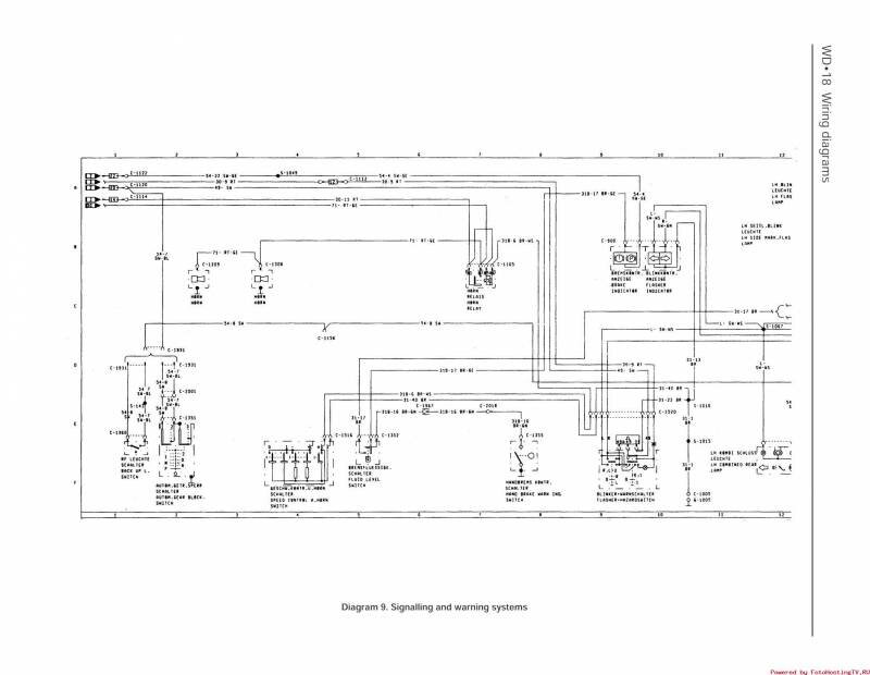
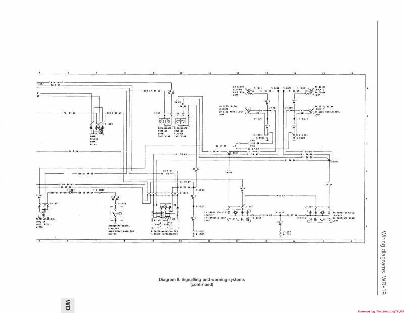
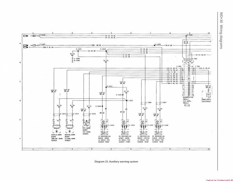
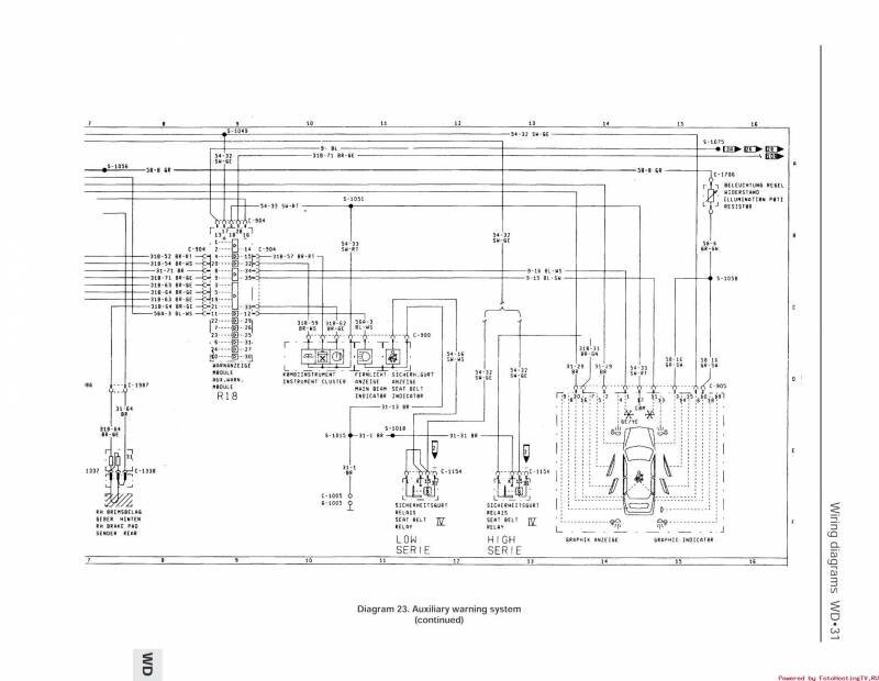
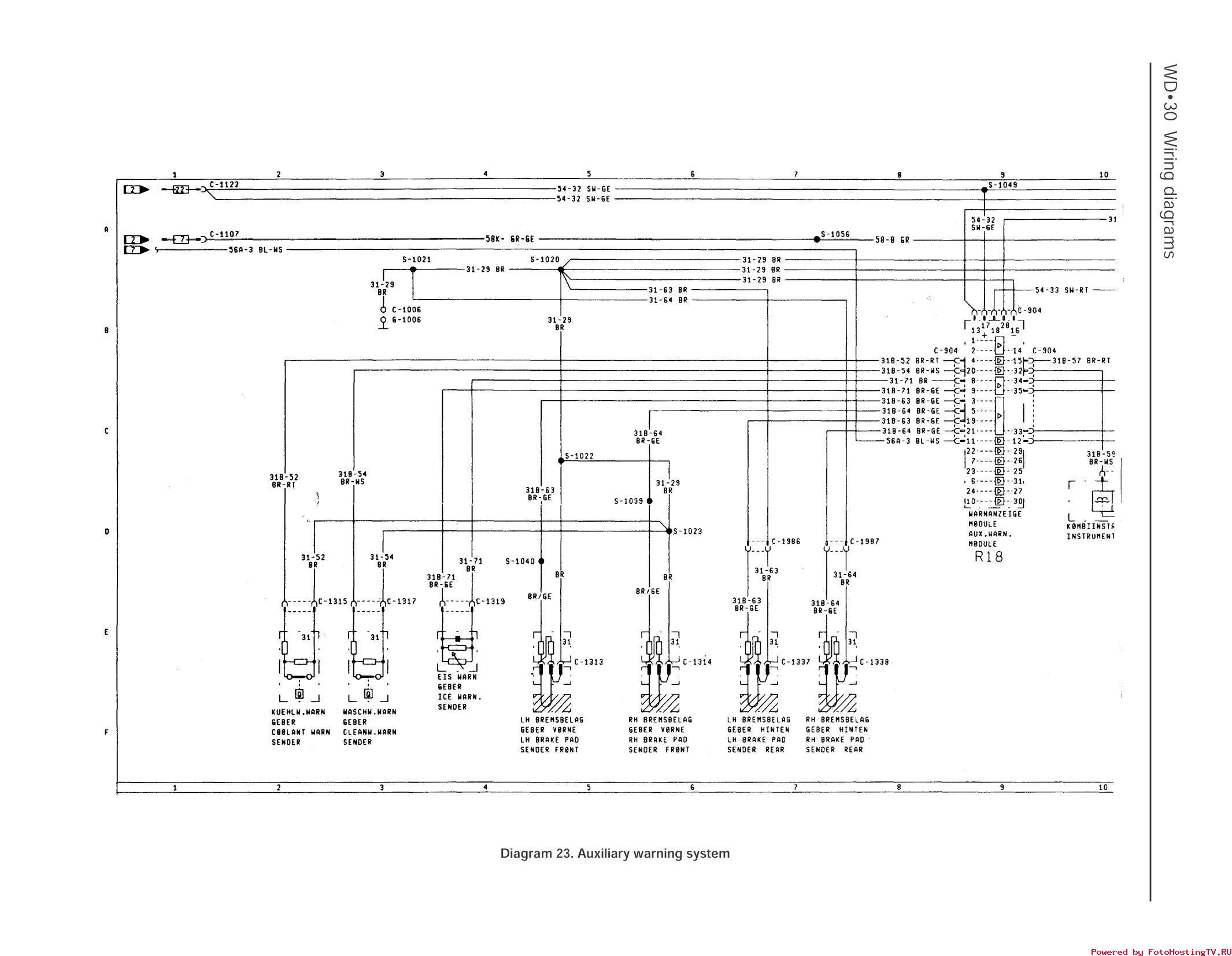
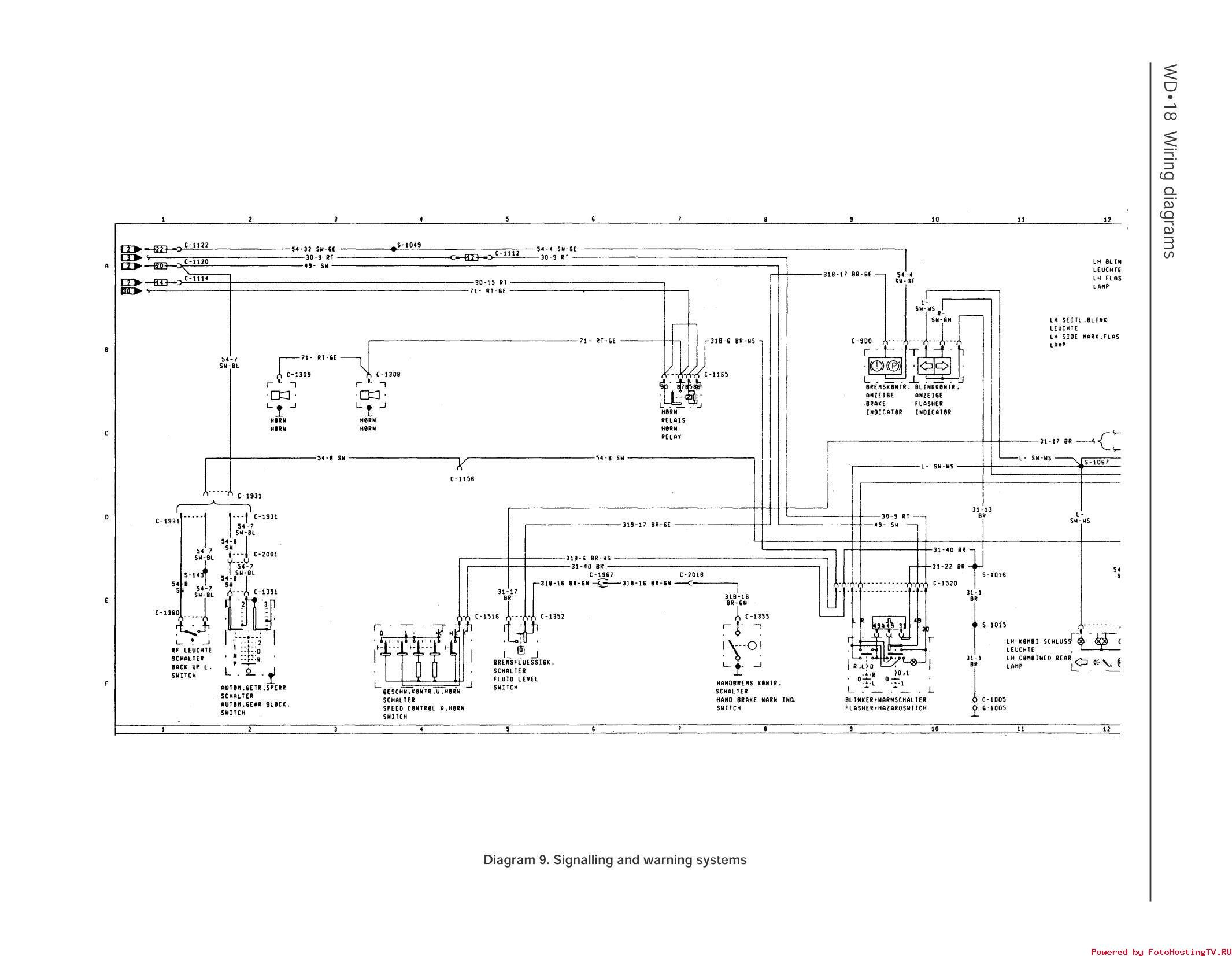
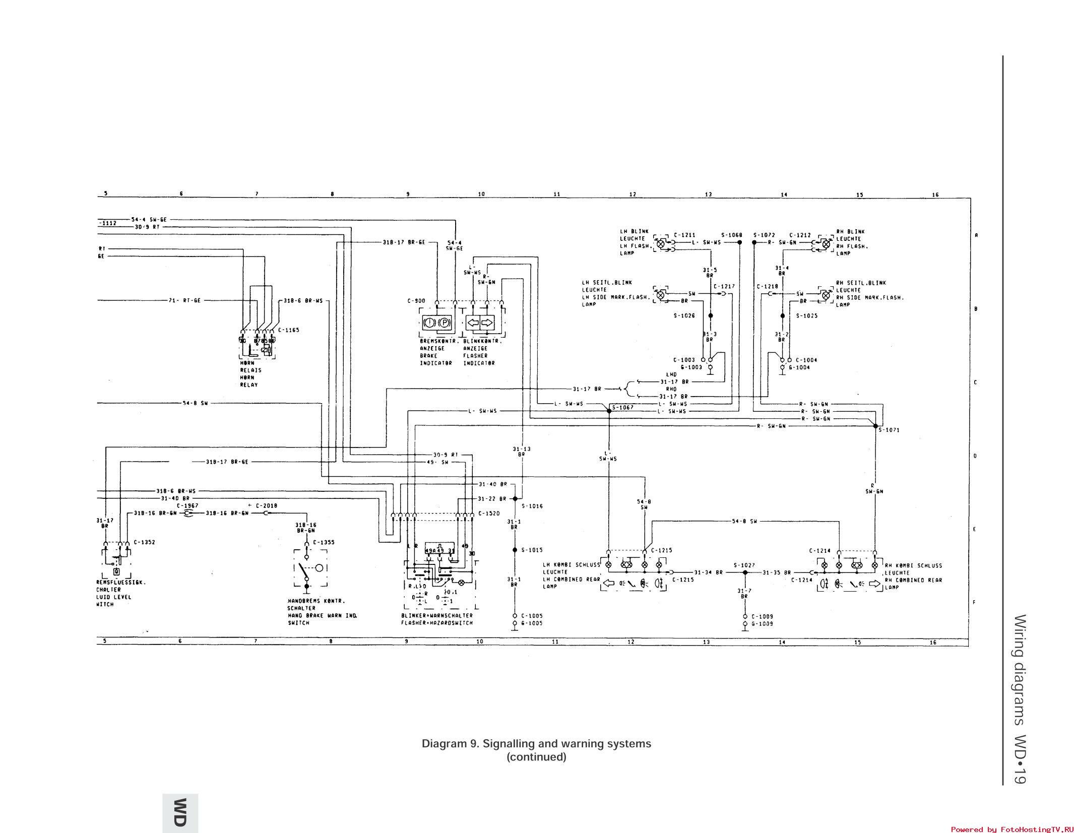
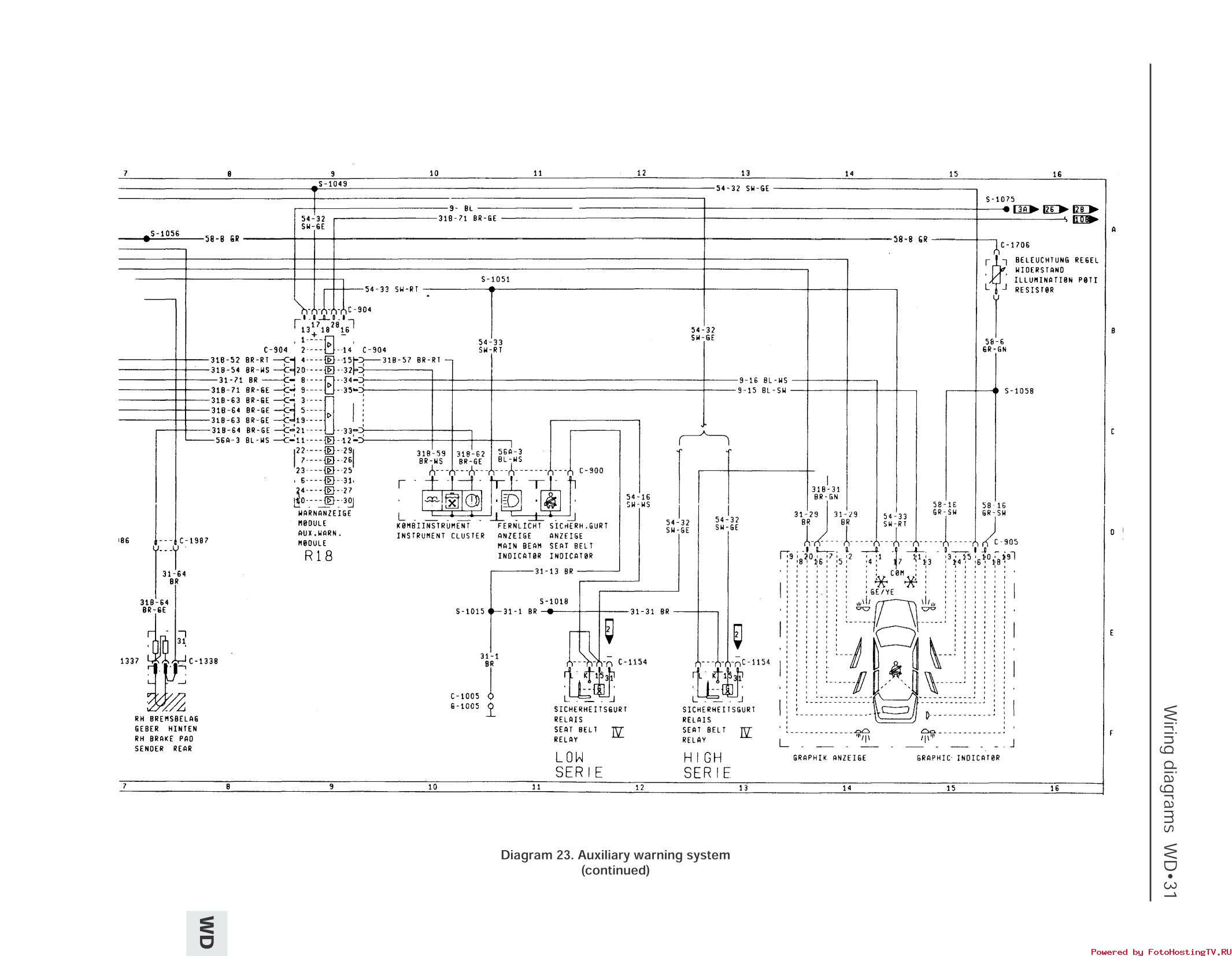
Электросхемы сигнализации и предупреждения


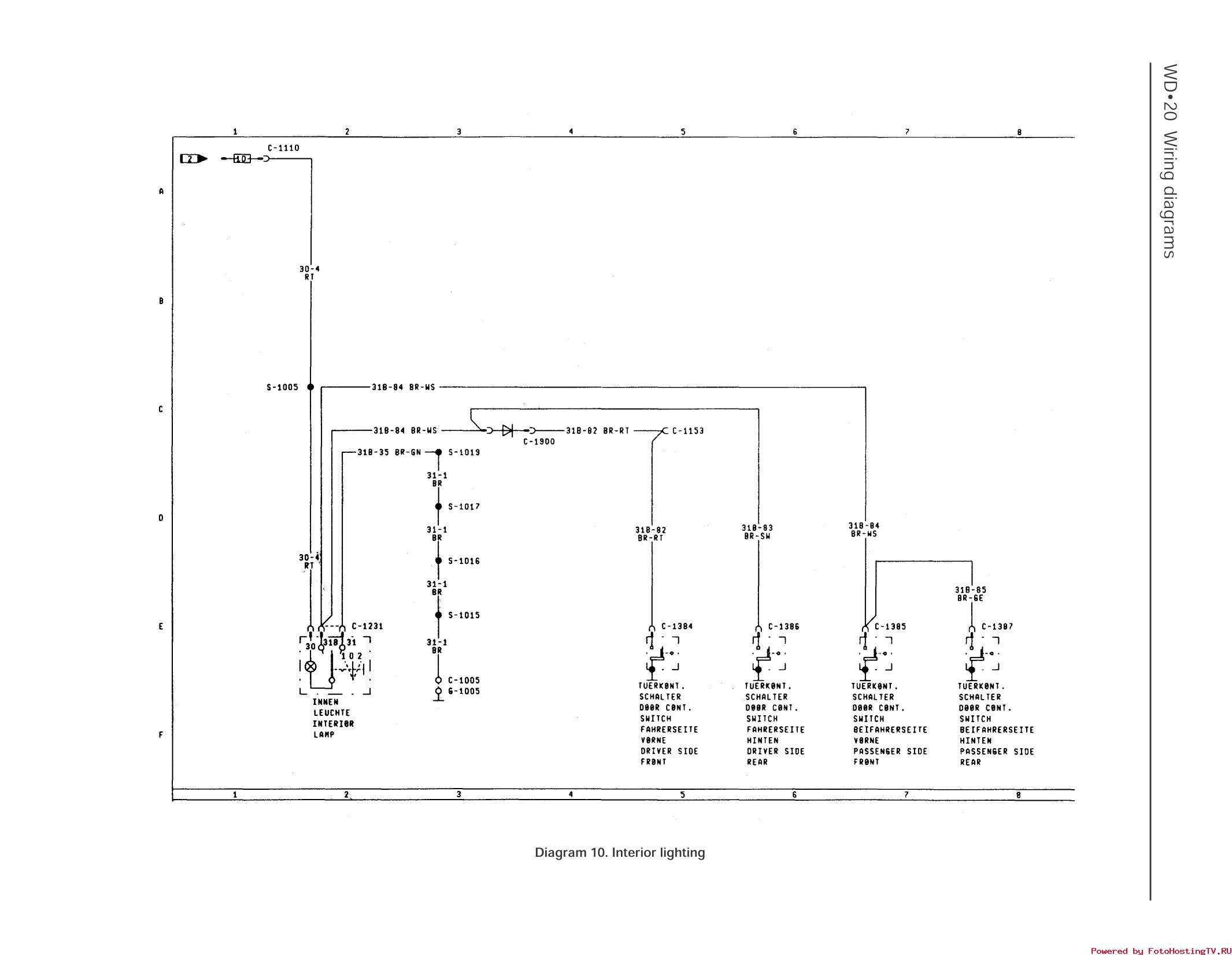
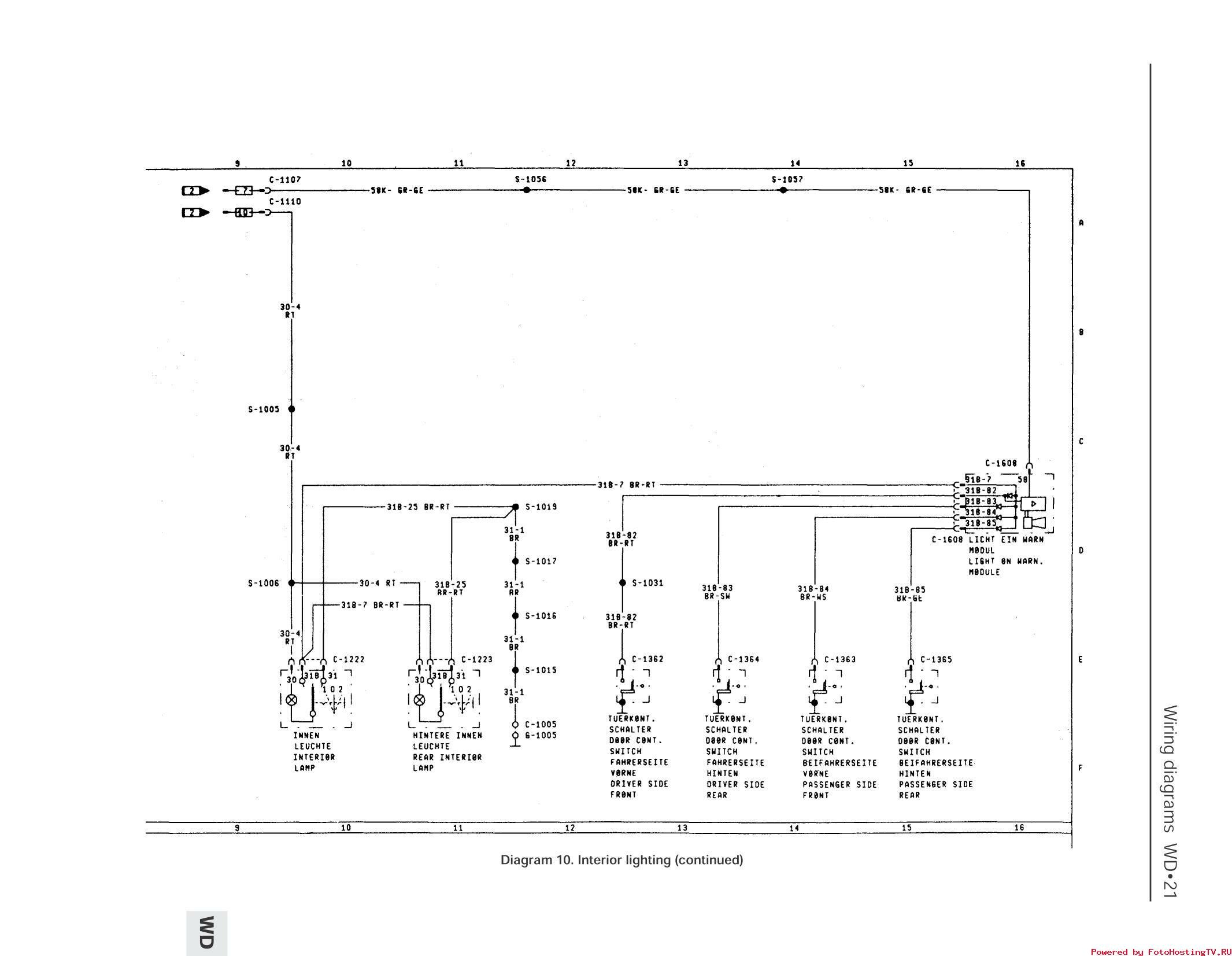
Внутреннее освещение салона Форд Скорпио


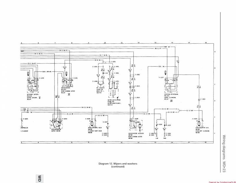
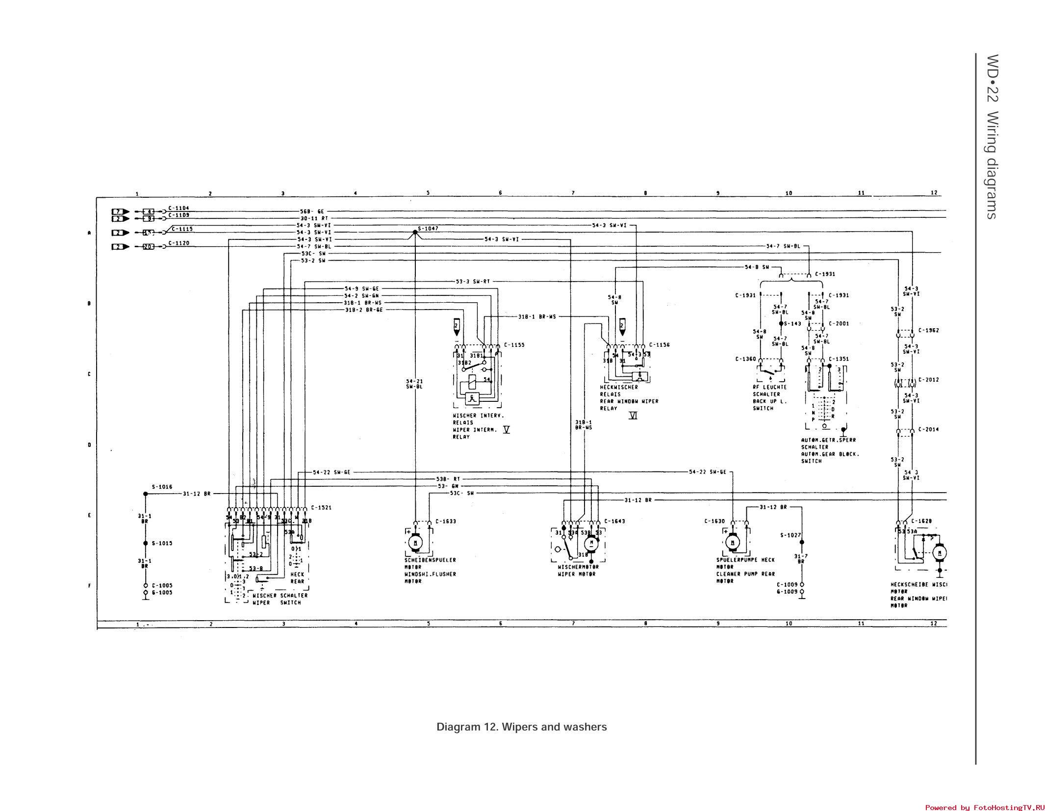
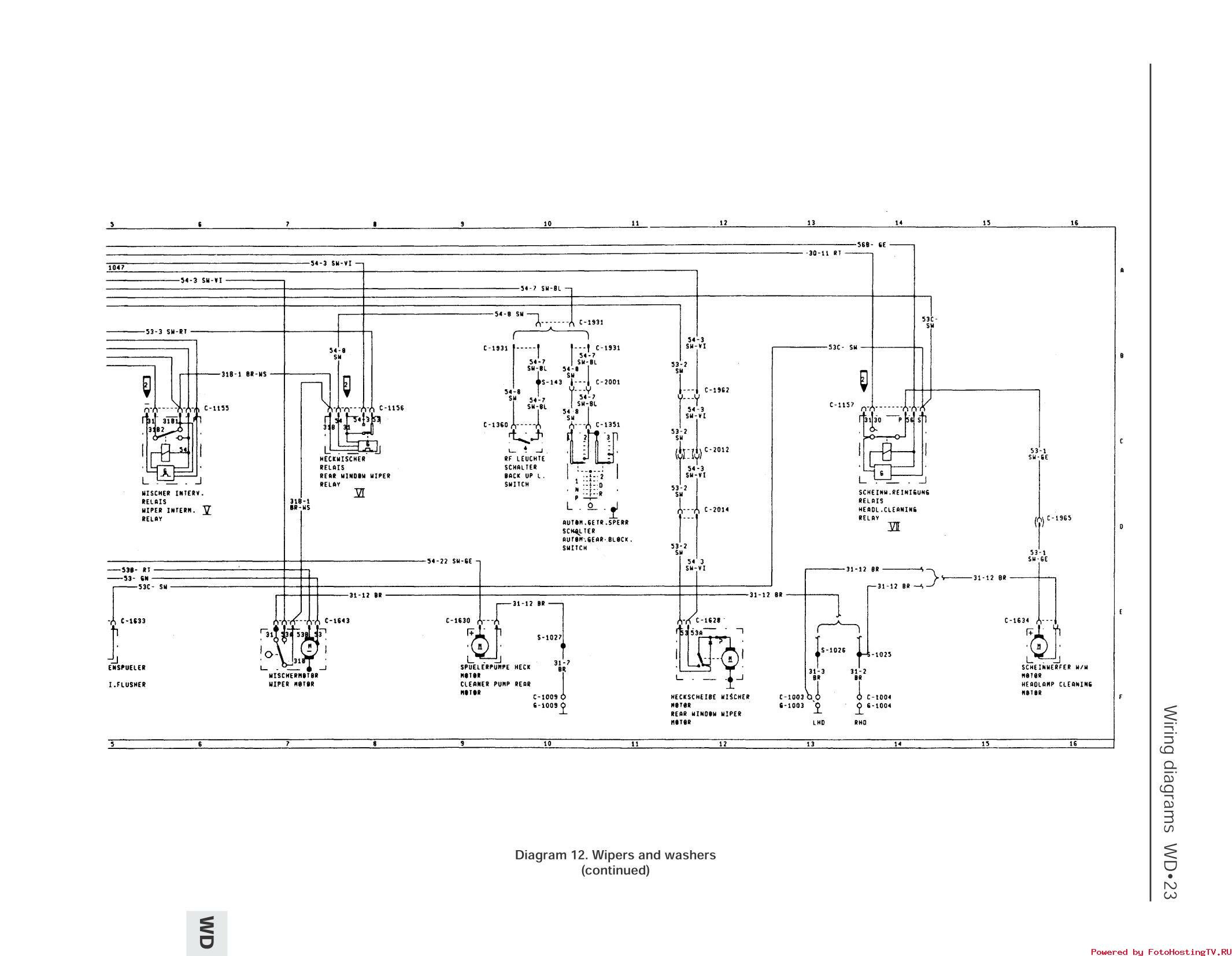
Схемы очистителей и омывателей стёкол


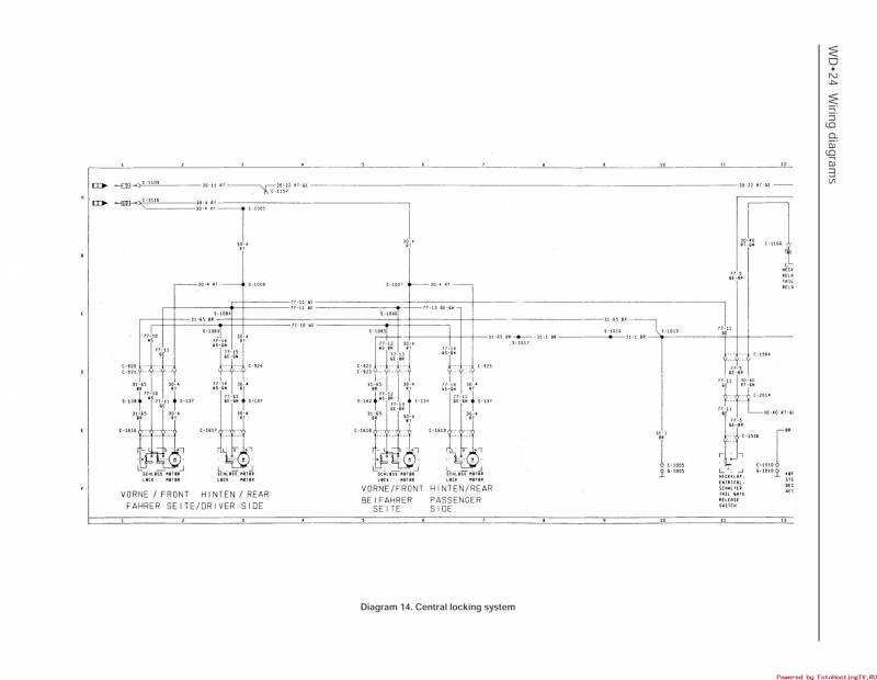
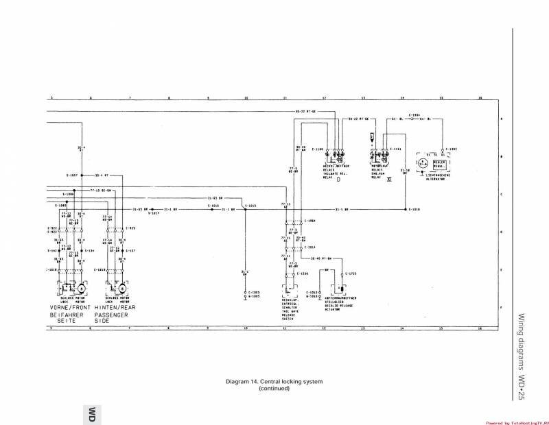
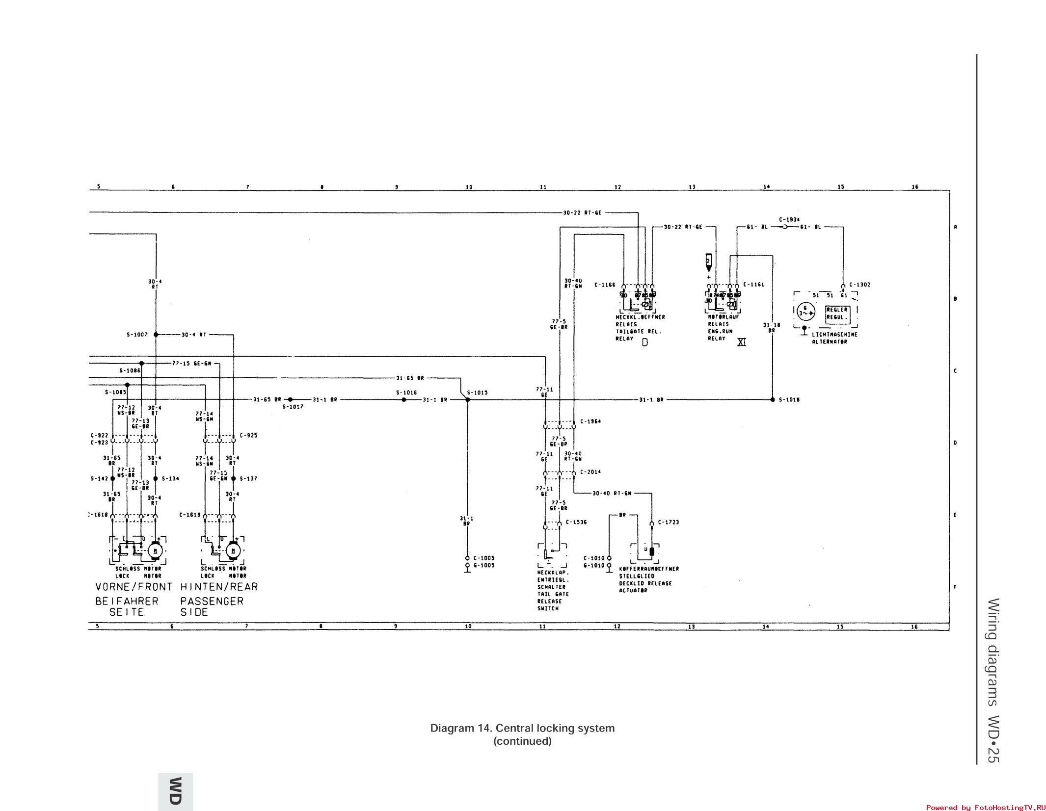
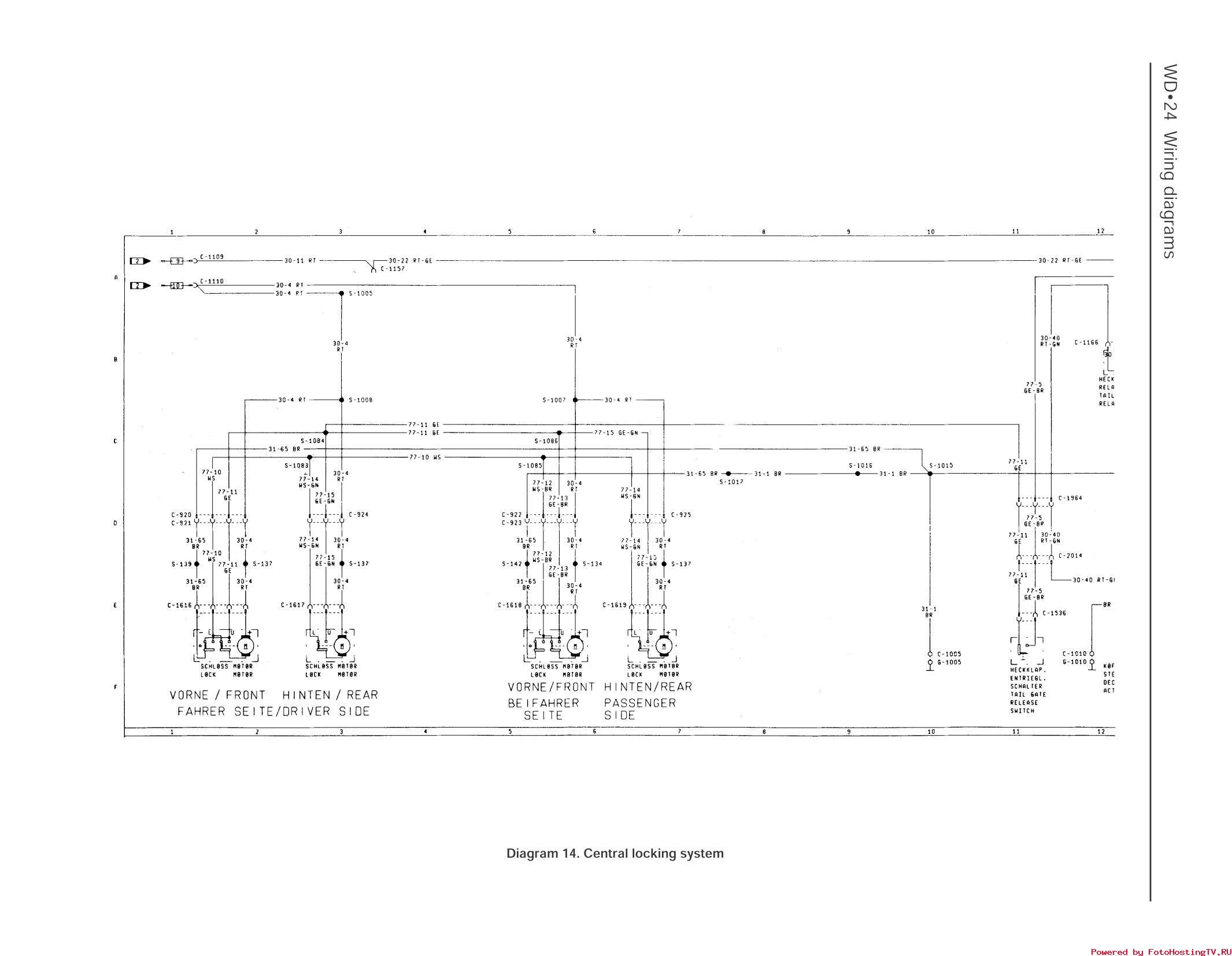
Схема центрального замка авто


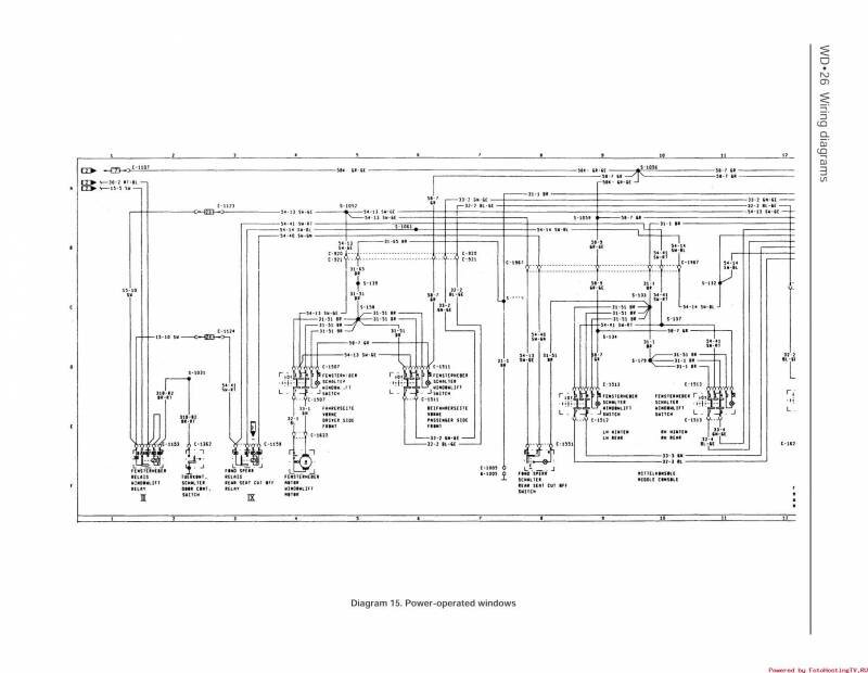
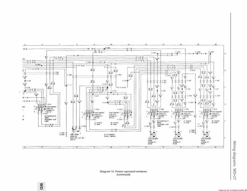
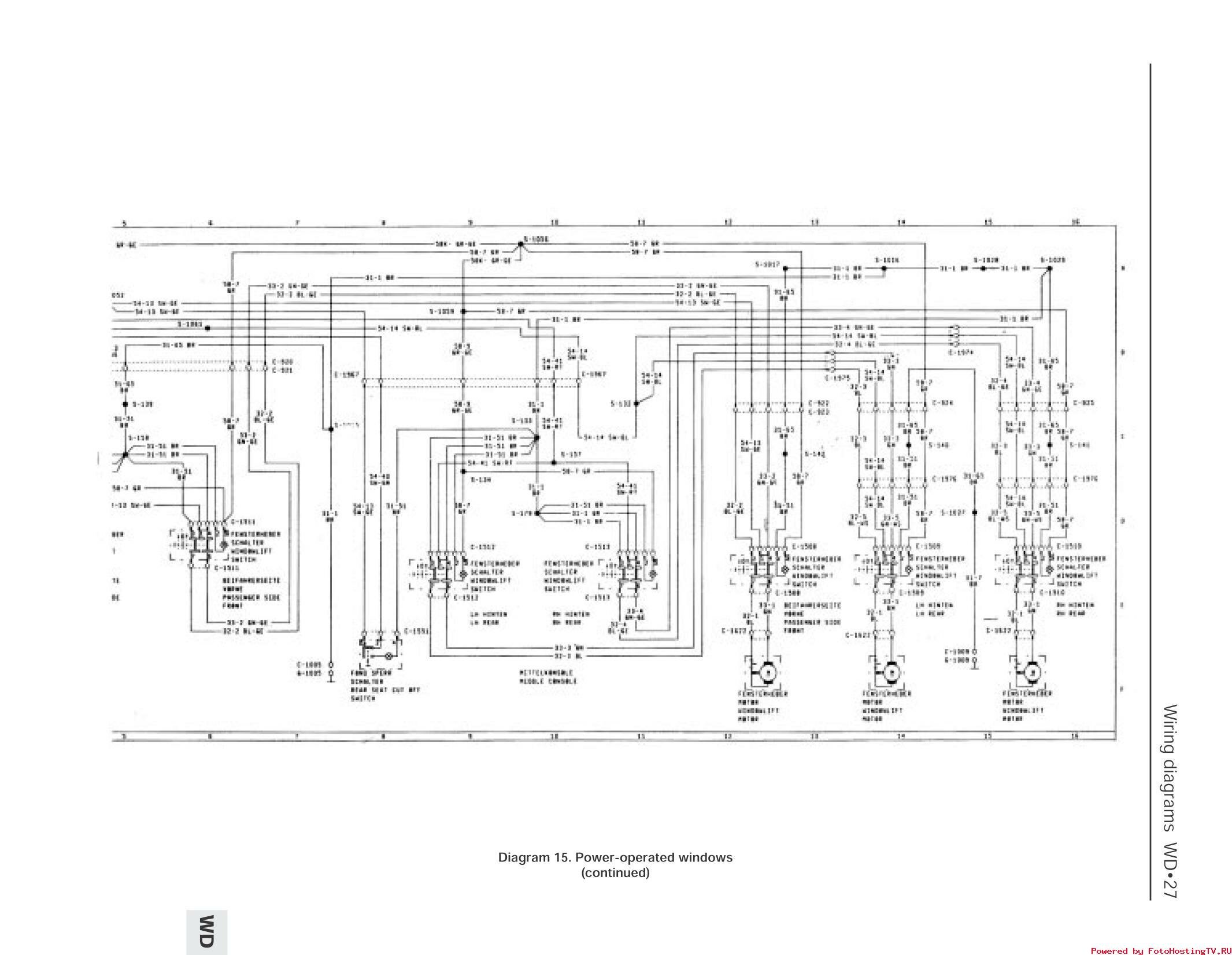
Электросхема управления стеклоподъёмниками Форд


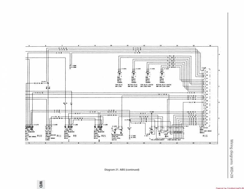
Схема системы ABS

Предупреждающие сигналы и индикаторы Форд Скорпио

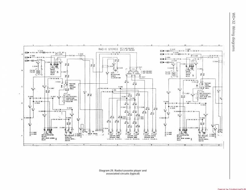
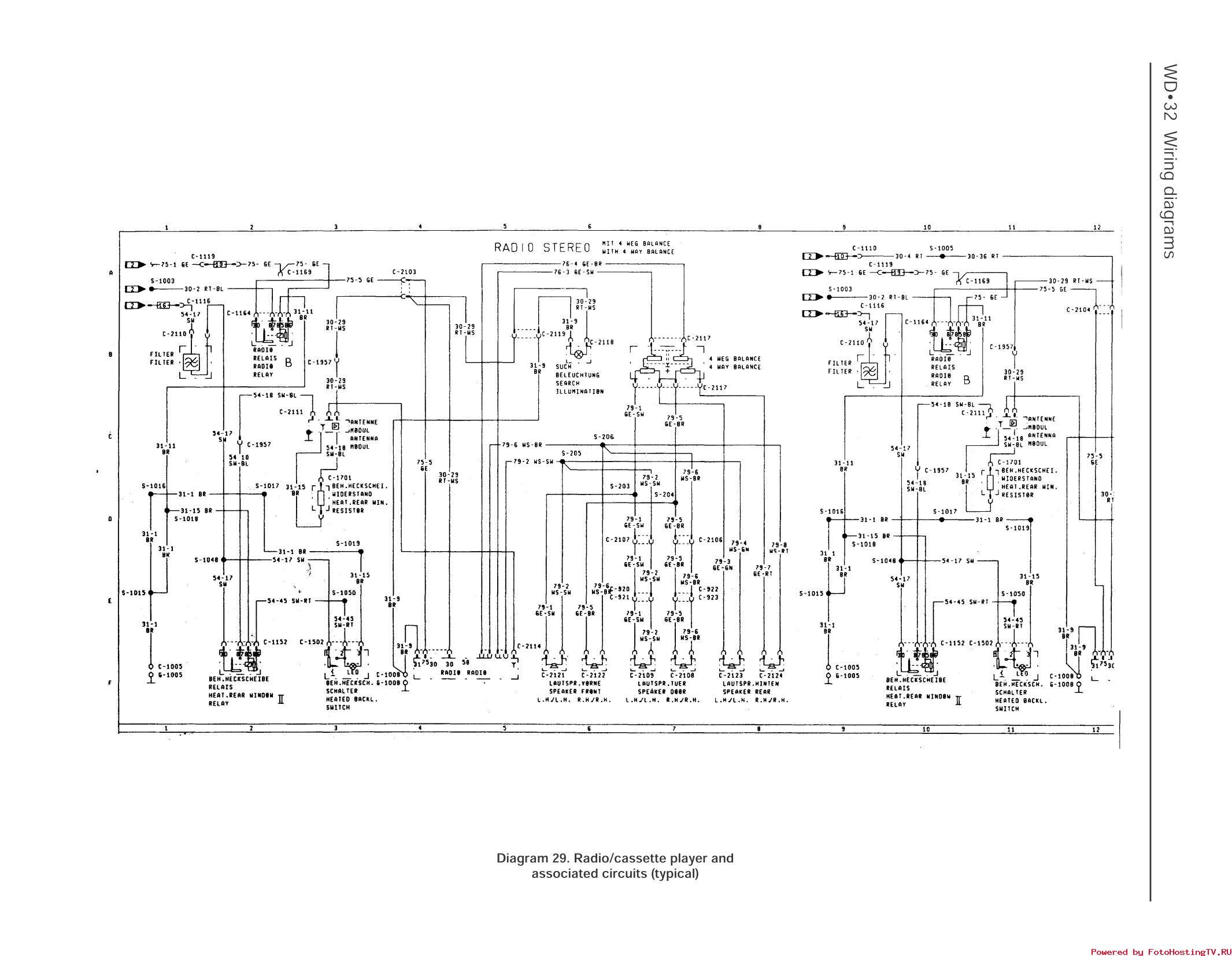
Схема автомагнитолы автомобиля


РЕМОНТ АВТОЭЛЕКТРОНИКИ ЗАРЯДНЫЕ УСТРОЙСТВА ДЛЯ АКБ

|