Качественные цветные электросхемы автомобиля Mazda 626 на русском языке. Предназначены для поиска неисправностей и ремонта. Система электрооборудования имеет напряжение 12 Вольт с отрицательным заземлением. Энергия для фар и всех элементов электрооборудования поступает от свинцово-кислотного аккумулятора, который подзаряжается от генератора переменного тока. Увеличить схему можно кликнув по ней и развернув на весь экран с помощью значка сверху. Продолжение схем Мазда-626 тут. Приведены схемы модели 1993 и 1998 г. Схемы двигателя автомобиля показаны отдельно.
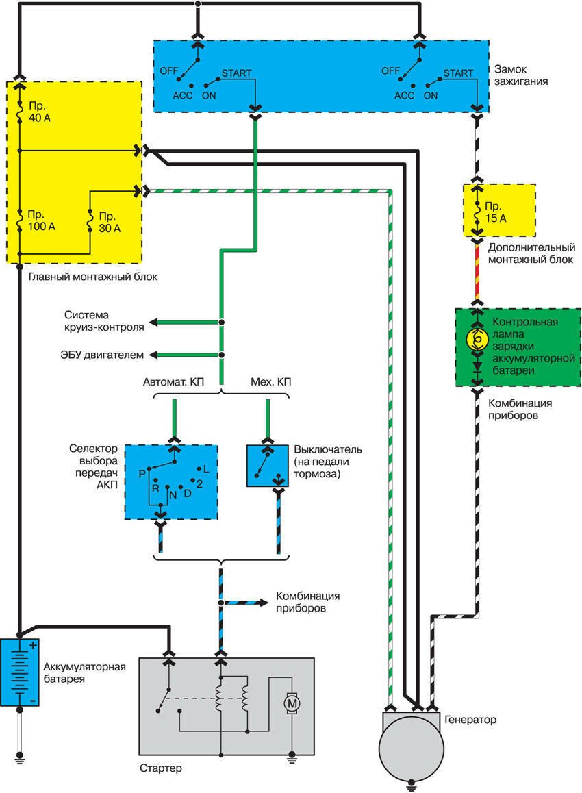
Системы запуска двигателя и подзарядки аккумулятора Mazda 626

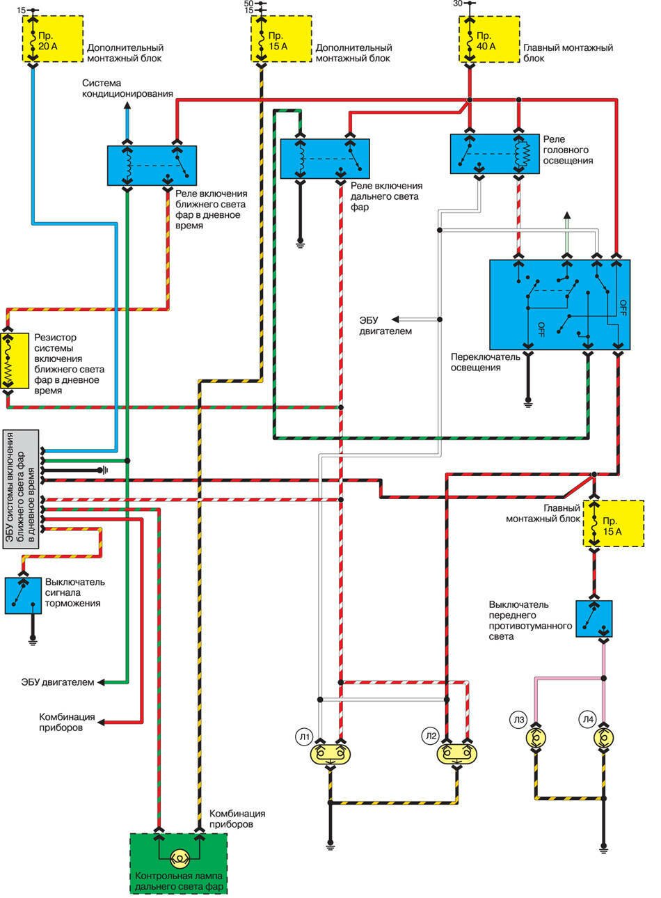
Фары головного света авто

Л1 – левая фара
Л2 – правая фара
Л3 – левый передний противотуманный фонарь
Л4 – правый передний противотуманный фонарь
Схема системой дневного включения фар

Модели Мазда без системы дневного включения фар

Внешние осветительные приборы Mazda 626

Л11 – верхний фонарь стоп-сигнала
Л12 – левый боковой указатель поворотов
Л13 – левый подфарник
Л14 – левый передний указатель поворотов
Л15 – правый боковой указатель поворотов
Л16 – правый подфарник
Л17 – правый передний указатель поворотов
Л18 – левый боковой огонь стоп-сигнала
Л19 – левый огонь стоп-сигнала
Л20 – правый огонь стоп-сигнала
Л21 – правый боковой огонь стоп-сигнала Л23 – правый задний боковой указатель поворотов
Л24 – левая лампочка освещения номерного знака
Л25 – правая лампочка освещения номерного знака
Л26 – левый боковой габаритный огонь
Л27 – левый габаритный огонь
Л28 – правый габаритный огонь
Л29 – правый боковой габаритный огонь
Модели 1998 г. выпуска

Л5 – сигнальная лампочка правых указателей поворотов
Л6 – сигнальная лампочка левых указателей поворотов
Л11 – верхний фонарь стоп-сигнала
Л13 – левый подфарник
Л14 – левый передний указатель поворотов
Л16 – правый подфарник
Л17 – правый передний указатель поворотов
Л19 – левый огонь стоп-сигнала
Л20 – правый огонь стоп-сигнала Л22 – левый задний указатель поворотов
Л23 – правый задний указатель поворотов
Л24 – левая лампочка освещения номерного знака
Л25 – правая лампочка освещения номерного знака
Л27 – левый габаритный огонь
Л28 – правый габаритный огонь
Фонари заднего хода Mazda 626


Электрические стеклоподъемники - схема принципиальная

Модели 1998 г. выпуска

РЕМОНТ АВТОЭЛЕКТРОНИКИ ЗАРЯДНЫЕ УСТРОЙСТВА ДЛЯ АКБ

|