Окончание сборника электросхем проводки и оборудования автомобиля мерседес. Система освещения салона при открытии дверей. Центральный монтажный блок. Предохранитель ламп освещения салона. Лампа освещения салона со стороны водителя. Лампа освещения салона со стороны пассажира. Лампа освещения салона мерседес.
Система освещения салона при открытии дверей авто

A12 Центральный монтажный блок 2A
A12F8 Предохранитель ламп освещения салона (гнездо 8) 2B
E31 Лампа освещения салона со стороны водителя 6A
D32 Лампа освещения салона со стороны пассажира 4A
E98 Лампа освещения салона у сдвижной двери 3L
E99 Лампа освещения салона у левой сдвижной двери 4L
E100 Лампа освещения салона правой задней двери (Doka) 10L
J3 Вывод системы внутреннего освещения 13H
J6 Вывод <30>, защищенный предохранителем 2E
J77 Вывод системы внутреннего освещения 5H
J78 Вывод системы внутреннего освещения 4H
S41 Контактный выключатель на стойке правой задней
двери (Doka) 12L
S42 Контактный выключатель на стойке левой двери 13L
S43 Контактный выключатель на стойке правой двери 15L
S114 Контактный выключатель на стойке левой
сдвижной двери 6L
S115 Контактный выключатель на стойке правой
сдвижной двери 7L
S116 Контактный выключатель на стойке задней двери 8L
X45.1 Разъем жгутов проводов рамы и крыши
(базовая модификация) 1H
X45.2 Разъем жгутов проводов рамы и крыши (LB5/ L07) 1H
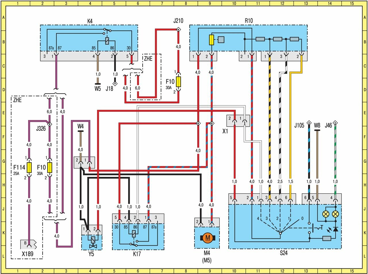
Система отопления салона

F10 Предохранитель (30 А) электродвигателя вентилятора
отопителя 2H
8D
F114 Предохранитель (25 А) дополнительного
теплообменника 1H
J18 Вывод <15>, защищенный предохранителем 5D
J46 Вывод <58> 14F
J105 Вывод <15> 13F
J210 Вывод <30> 8A
J326 Вывод <87> 2F
K4 Реле вывода <15> 4A
K17 Реле вентилятора отопителя 6L
M4 Отопление передней части салона LL 9L
M5 Отопление передней части салона RL 9L
R10 Резисторы электродвигателя вентилятора 11A
S24 Выключатель отопления в кабине 12L
S24x1 Разъем выключателя отоления в кабине 10F
W4 Соединение с <массой> на перегородке
моторного отсека 4F
W5 Соединение с <массой> в блоке под сиденьем 4D
W8 Соединение с <массой> на кузове 14F
X189 Разъем дополнительного теплообменника 1L
Y5 Электромагнитный клапан циркуляции охлаждающей
жидкости 4L
Электропривод зеркал заднего вида мерседес спринтер

F54 Предохранитель 10 А 1E
J31 Вывод <15>, защищенный предохранителем 1H
J46 Вывод <58> 13E
J111 Вывод обогревателей зеркал заднего вида 3E
11E
J112 Вывод электродвигателя регулятора положения
зеркала заднего вида 9E
M11 Регулятор положения зеркала заднего вида
на двери водителя 5L, 11L
M11.1 Разъем подключения электропривода регулятора
положения зеркала заднего вида на двери
водителя 2H, 9H
N11m1 Электродвигатель регулятора вертикального
положения зеркала заднего вида 7K
M11m2 Электродвигатель регулятора горизонтального
положения зеркала заднего вида 7K
M11r1 Обогреватель зеркала заднего вида 4K
M12 Регулятор положения зеркала заднего вида на двери
пассажира 5L
11L
M12.1 Разъем подключения электропривода регулятора
положения зеркала заднего вида на двери пассажира 2H
9H
M12m1 Электродвигатель регулятора вертикального
положения зеркала заднего вида 10K
M12m2 Электродвигатель регулятора горизонтального
положения зеркала заднего вида 10L
M12r1 Обогреватель зеркала заднего вида 12K
S101 Переключатель регулятора положения зеркал
заднего вида 6A
12A
W8 Соединение с <массой> на кузове 2E
12E
X81 Разъем жгутов проводов рамы и кузова 3C
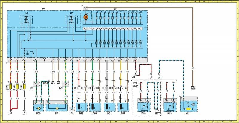
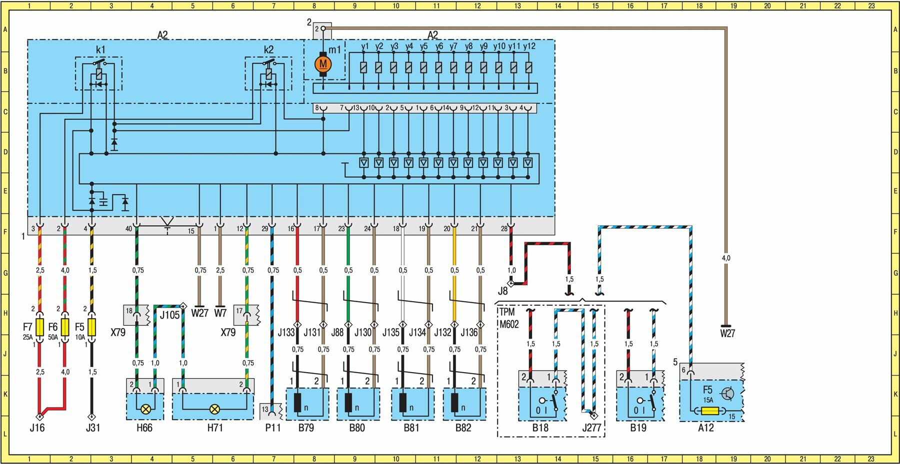
Системы ABS/ ABD или ABS/ ETS

A2 Гидромодулятор с ЭБУ 4A
12A
A2k1 Реле клапанов 3A
A2k2 Реле двигателя 7A
A2m1 Насос обратной подачи тормозной жидкости 9A
A2y1 Впускной клапан тормозного механизма левого
переднего колеса 10А
A2y2 Выпускной клапан тормозного механизма левого
переднего колеса 10А
A2y3 Впускной клапан тормозного механизма правого
переднего колеса 10А
A2y4 Выпускной клапан тормозного механизма правого
переднего колеса 11А
A2y5 Впускной клапан тормозного механизма левого
заднего колеса 11А
A2y6 Выпускной клапан тормозного механизма левого
заднего колеса 12А
A2y7 Впускной клапан тормозного механизма правого
заднего колеса 12А
A2y8 Выпускной клапан тормозного механизма правого
заднего колеса 12А
A2y9 Клапан переключения левый задний 13А
A2y10 Впускной клапан левый задний 13А
A2y11 Клапан переключения правый задний 14А
A2y12 Впускной клапан правый задний 14А
A12 Центральный монтажный блок 19L
A12F5 Предохранитель стоп-сигнала и обогревателя сопел
омывателя ветрового стекла (гнездо 5) 19K
B18 4-контактный выключатель стоп-сигнала
(круиз-контроль) 14L
B19 2-контактный выключатель стоп-сигнала 17L
B79 Датчик частоты вращения левого переднего колеса 8L
B80 Датчик частоты вращения правого переднего колеса 9L
B81 Датчик частоты вращения левого заднего колеса 11L
B82 Датчик частоты вращения правого заднего колеса 12L
F5 Предохранитель системы ABS 2J
F6 Предохранитель системы ABS 2J
F7 Предохранитель системы ABS 1J
H66 Сигнальная лампа системы ABS 4L
H71 Сигнальная лампа системы ABD 6L
J8 Вывод сигнала торможения 14H
J16 Вывод <30> 1L
J31 Вывод <15>, защищенный предохранителем 3L
J88 Вывод датчика частоты вращения правого переднего
колеса 9J
J105 Вывод <15> 5H
J130 Вывод соединения с <массой> датчика частоты
вращения правого переднего колеса 10J
J131 Вывод соединения с <массой> датчика частоты
вращения левого переднего колеса 8J
J132 Вывод соединения с <массой> датчика частоты
вращения правого заднего колеса 12J
J133 Вывод датчика частоты вращения левого переднего
колеса 8J
J134 Вывод датчика частоты вращения левого заднего колеса 11J
J135 Вывод соединения с <массой> датчика частоты
вращения левого заднего колеса 10J
J136 Вывод датчика частоты вращения правого заднего
колеса 13J
J277 Вывод <15> 16L
P11 14-контактный диагностический разъем 7L
W7 Соединение с <массой> в моторном отсеке 6H
W27 Соединение с <массой> системы ABS/ABD 5H, 19J
X79 Разъем жгутов проводов рамы и кузова 3J, 6J
Другие части электросхемы от Мерседес - 1 часть 2 часть 3 часть 4 часть
РЕМОНТ АВТОЭЛЕКТРОНИКИ ЗАРЯДНЫЕ УСТРОЙСТВА ДЛЯ АКБ

|