Полный сборник электросхем мотоциклов фирмы Yamaha. Около десятка различных популярных моделей. Все схемы представлены в хорошем качестве, и скачать их можно бесплатно.
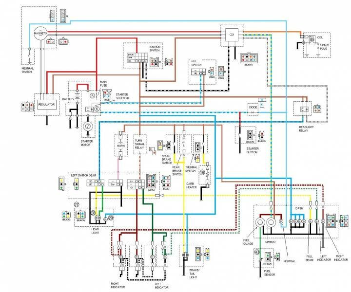
Электросхема Yamaha YBR125

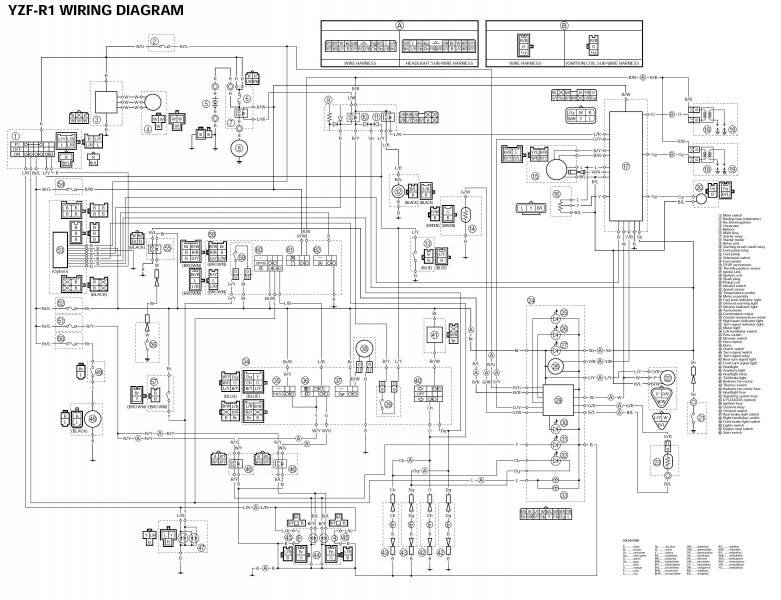
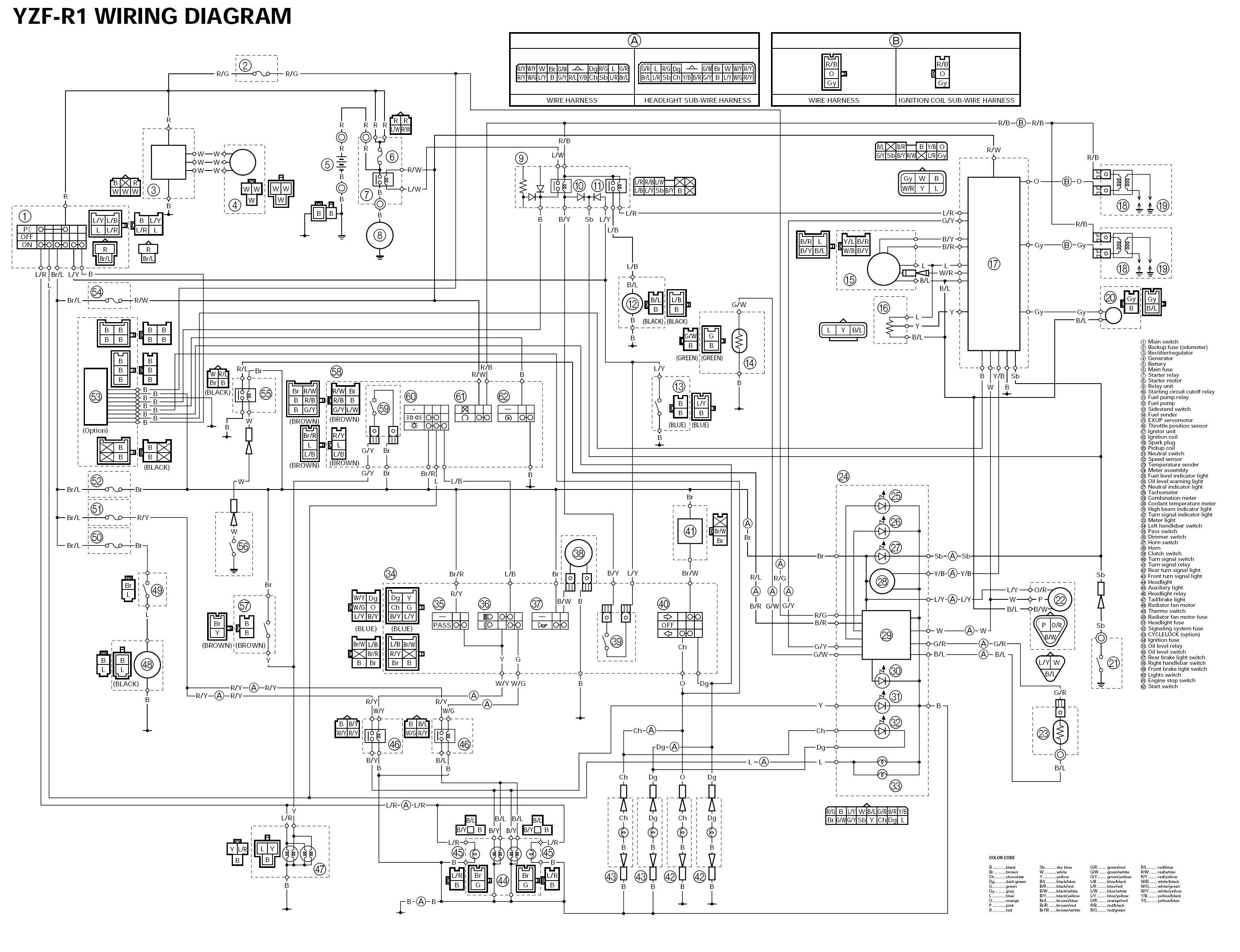
Электросхема Yamaha YZF-R1

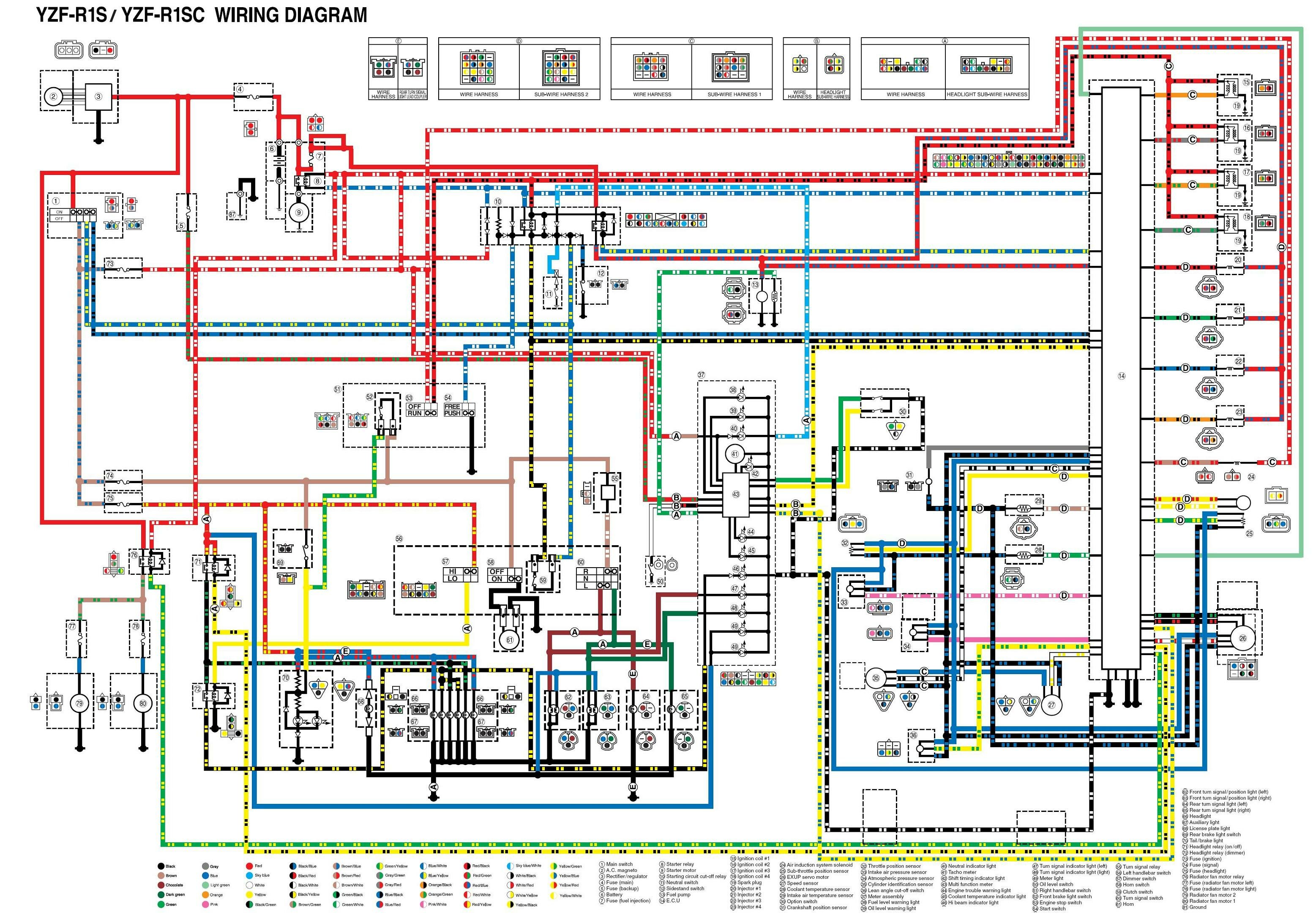
Электросхема Yamaha YZF-R1S

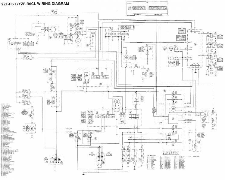
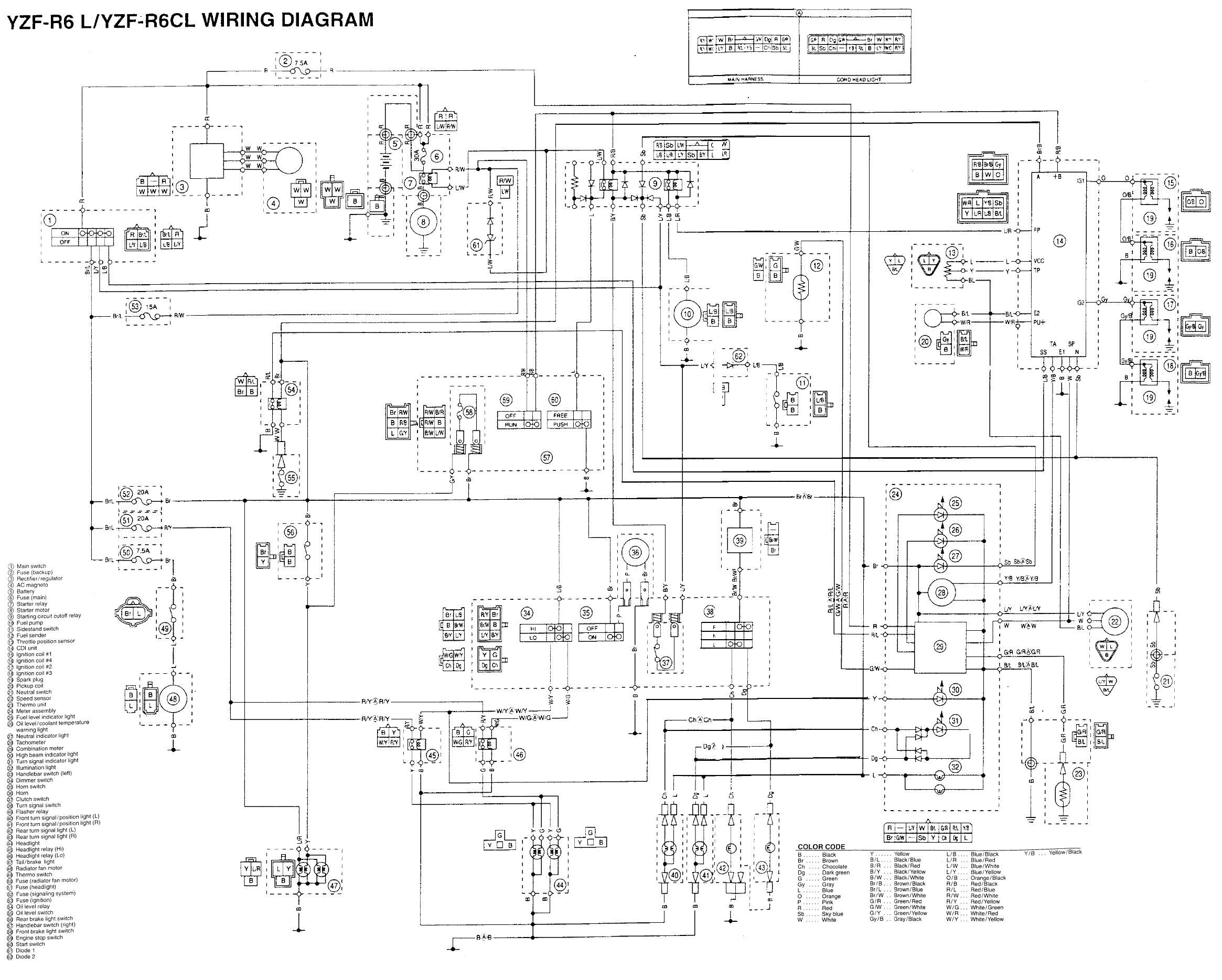
Электросхема Yamaha YZF-R6L

Электросхема Yamaha R5F 350

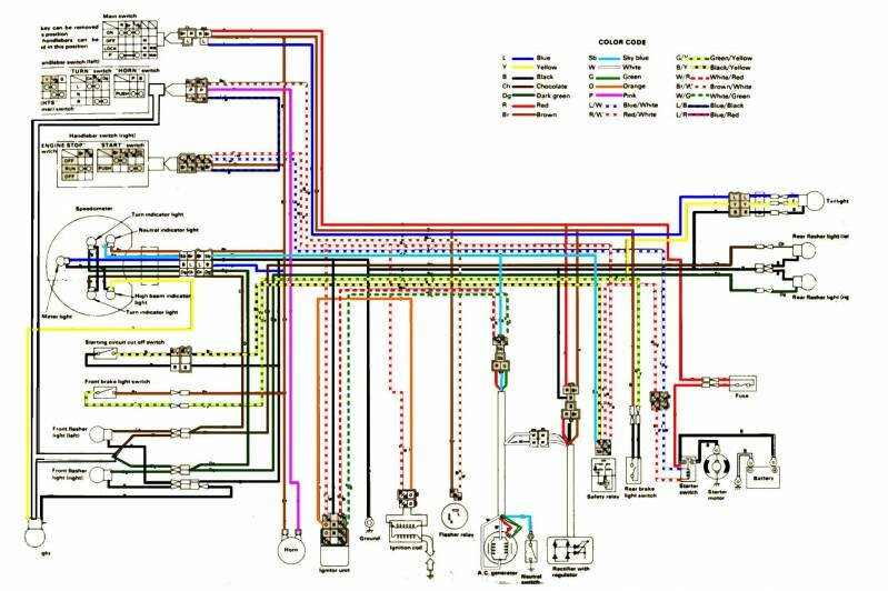
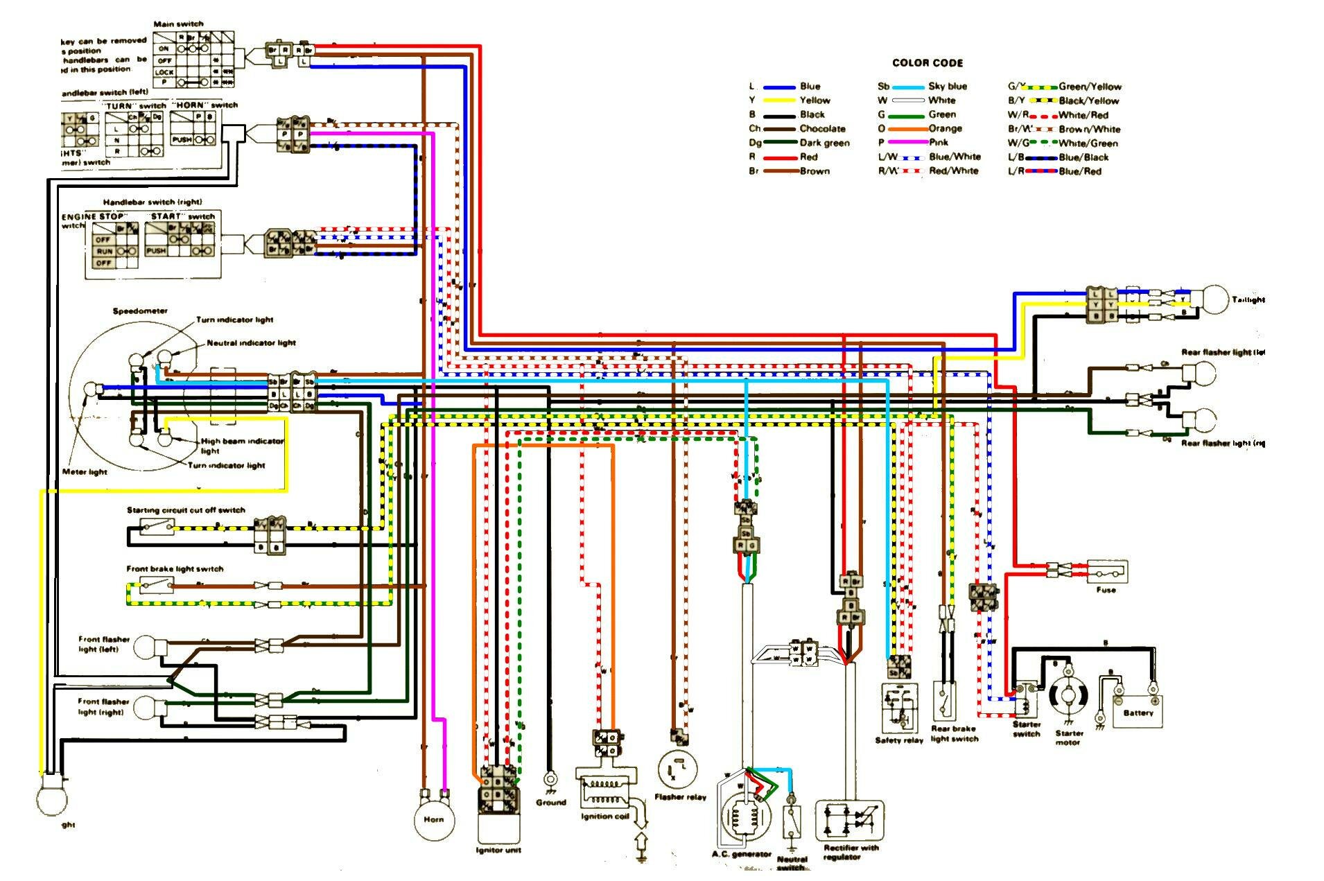
Схема мотоцикла Yamaha SR250

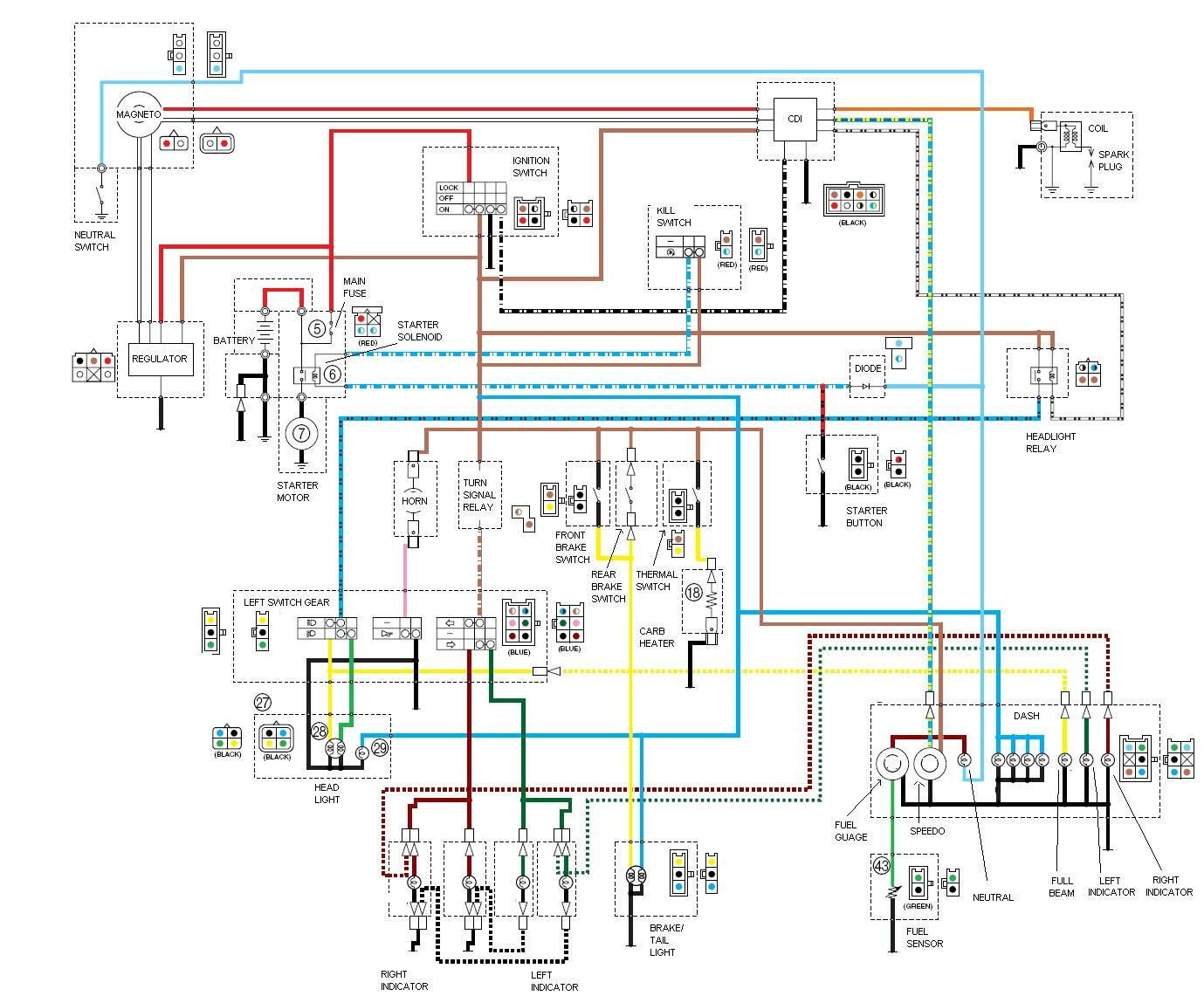
Схема мотоцикла Yamaha TDM850

РЕМОНТ АВТОЭЛЕКТРОНИКИ ЗАРЯДНЫЕ УСТРОЙСТВА ДЛЯ АКБ

|