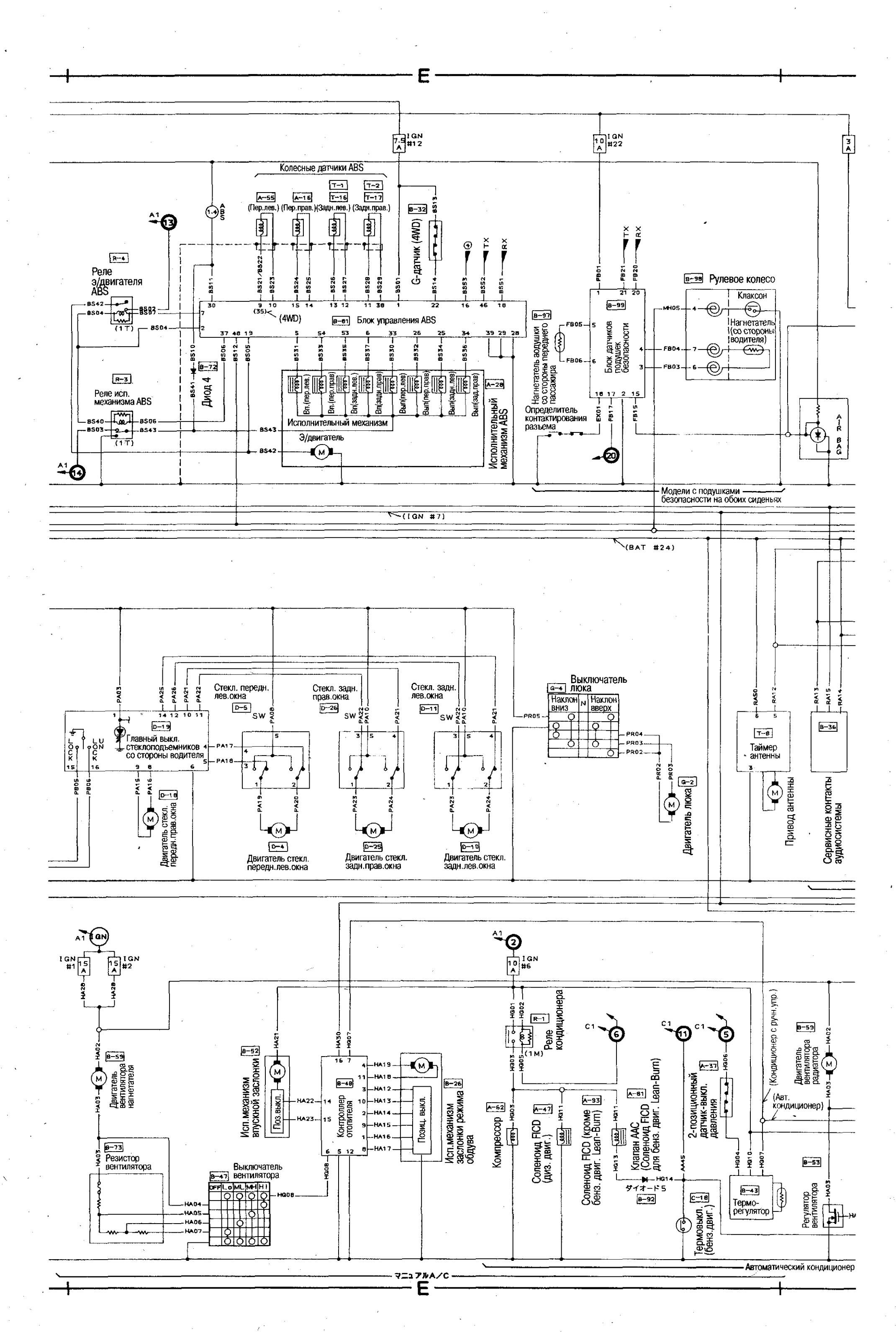
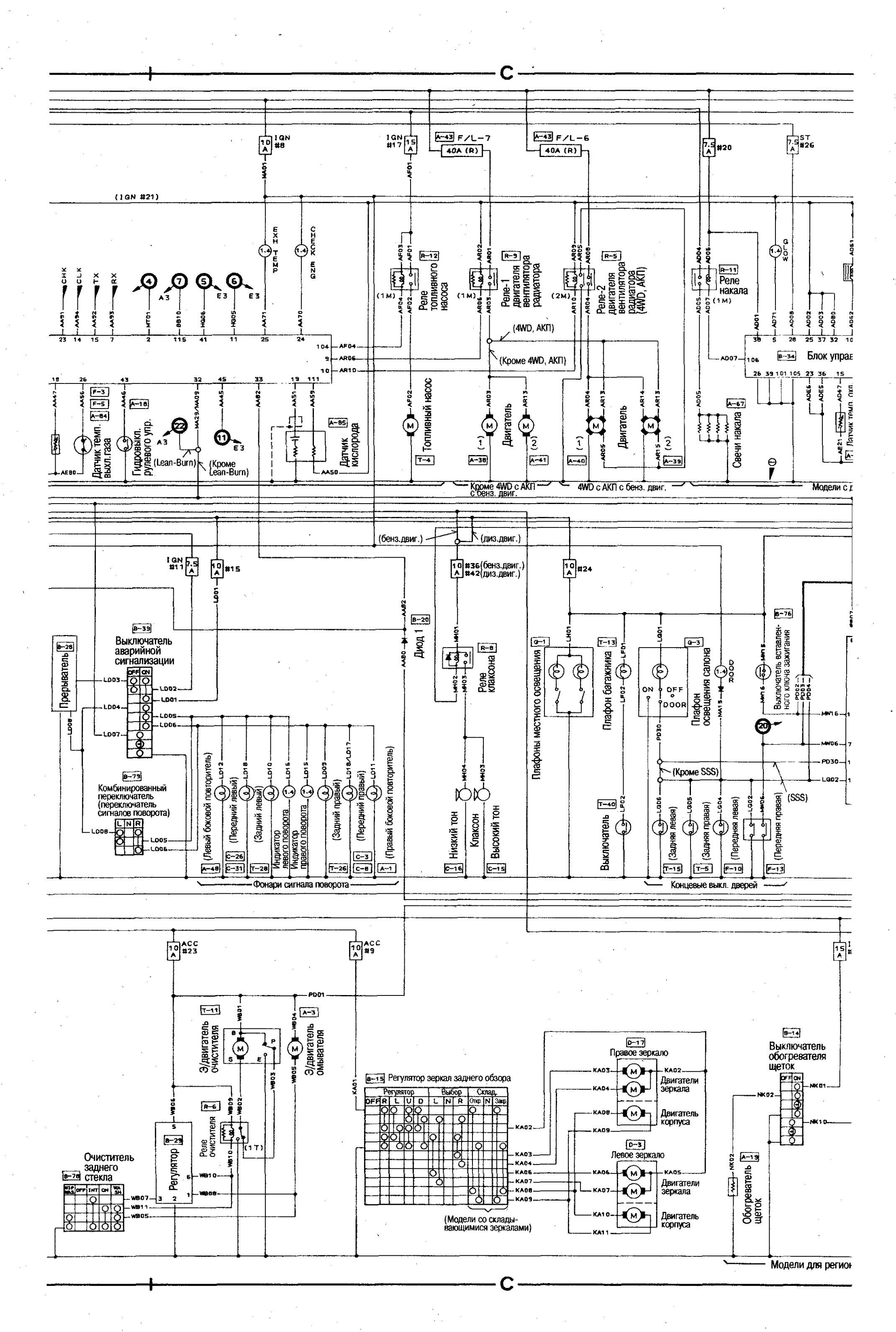
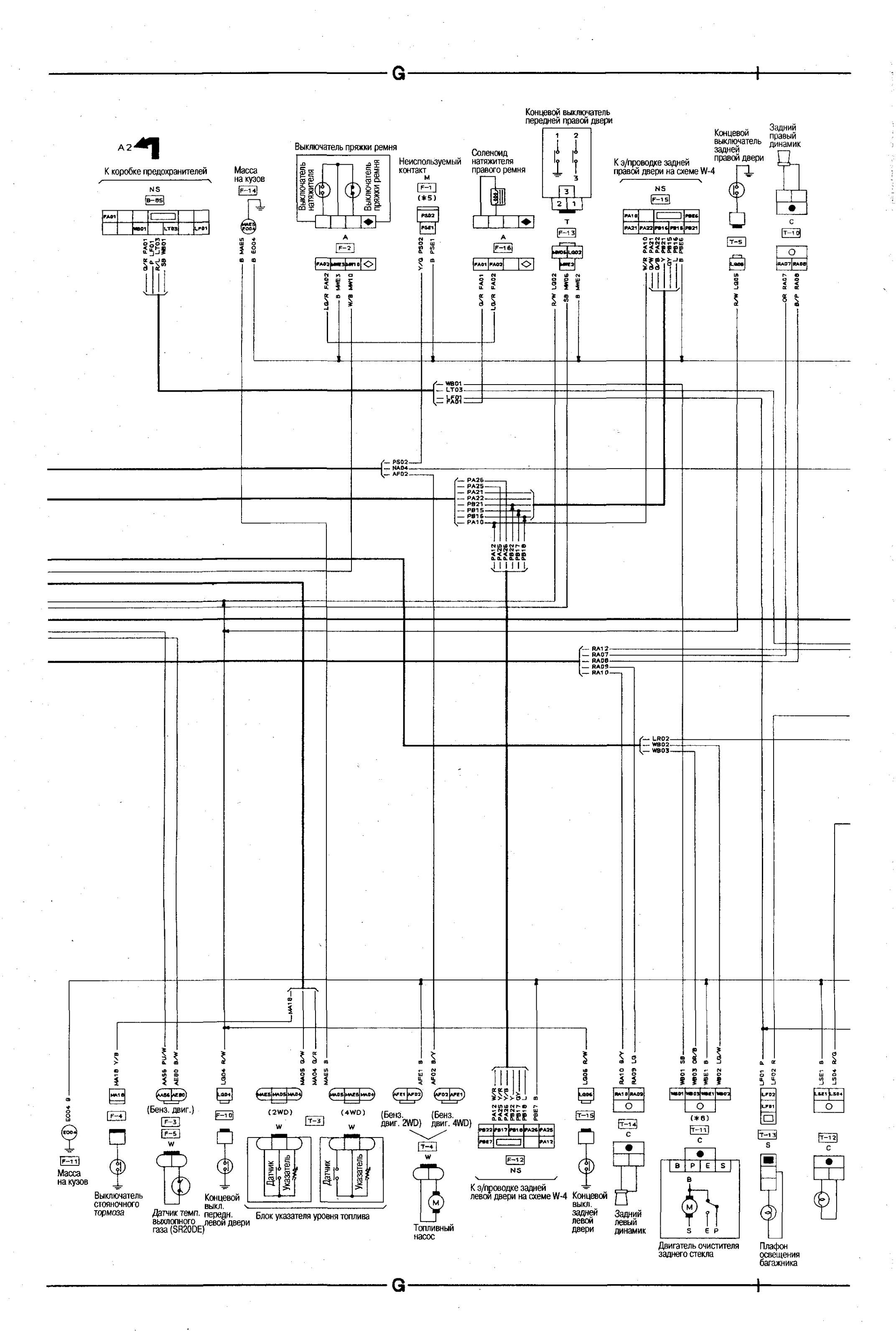
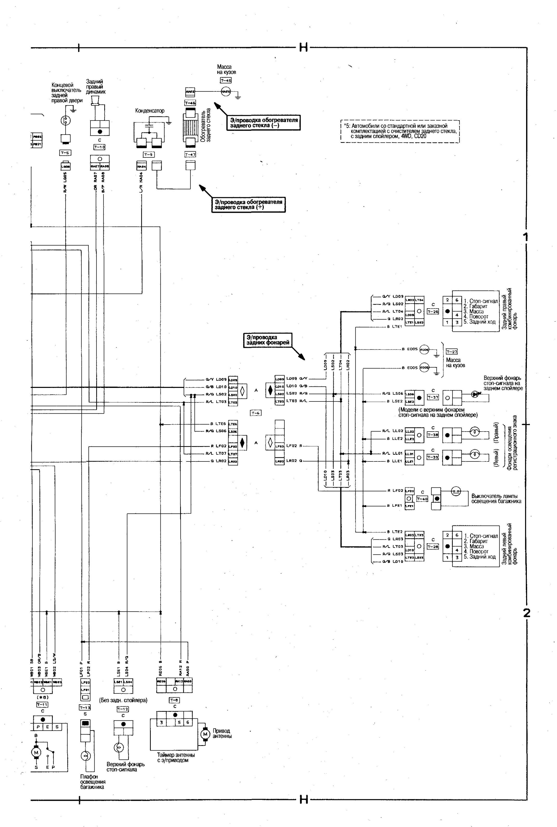
Электрические схемы автомобиля Nissan Bluebird - 1-я часть. Все схемы в высоком качестве и на русском языке. Скачать можно кликнув на кртинке и увеличив её. Остальные узлы электрооборудования Nissan Bluebird показаны тут. Для защиты электрических цепей используются предохранители с ножевыми контактами, цвет которых соответствует току защиты предохранителя. Исправность предохранителя определяют по наличию проволочного проводника, соединяющего выходные контакты предохранителя. Обозначения на схемах различных элементов, соединений и их расшифровка.
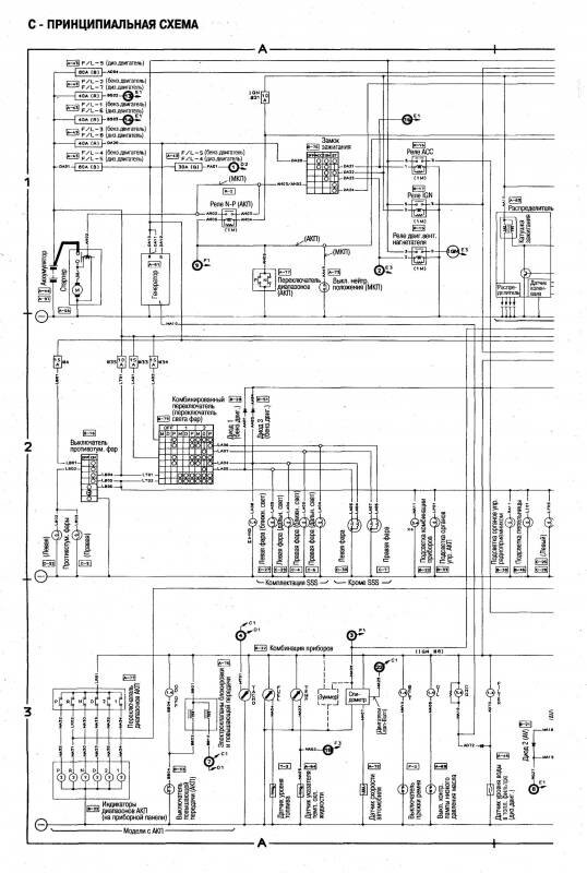
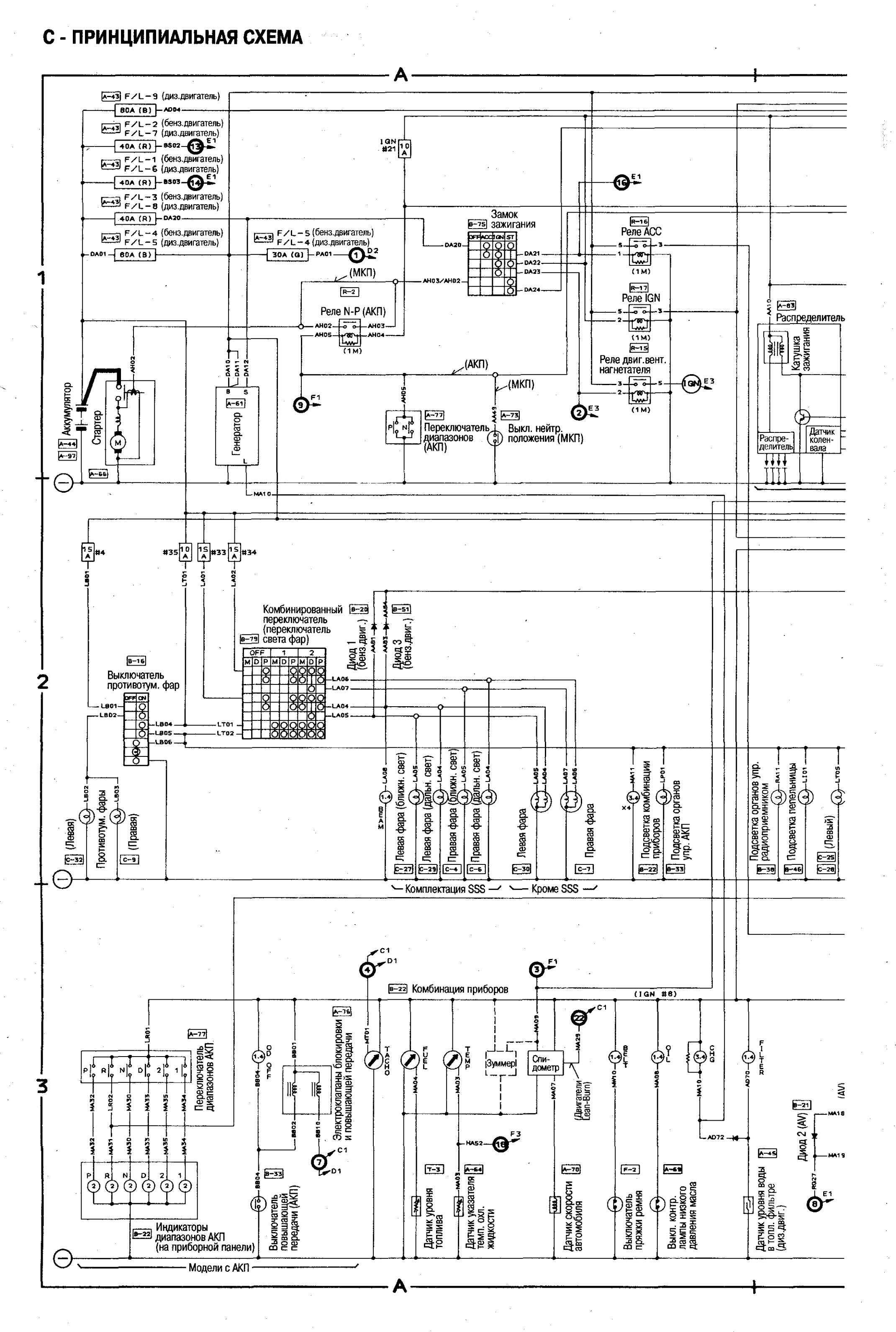
Электросхема автомобиля Nissan Bluebird - индикаторы приборной панели, выключатели фар, распределитель, аккумулятор






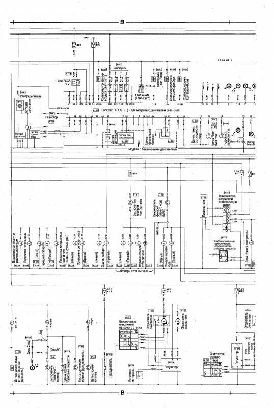
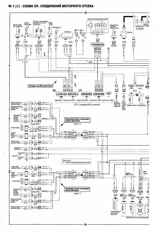
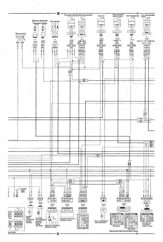
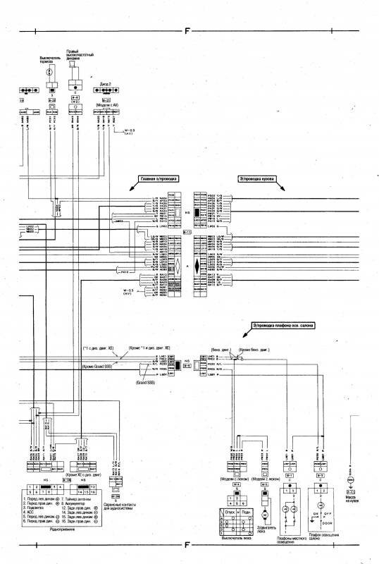
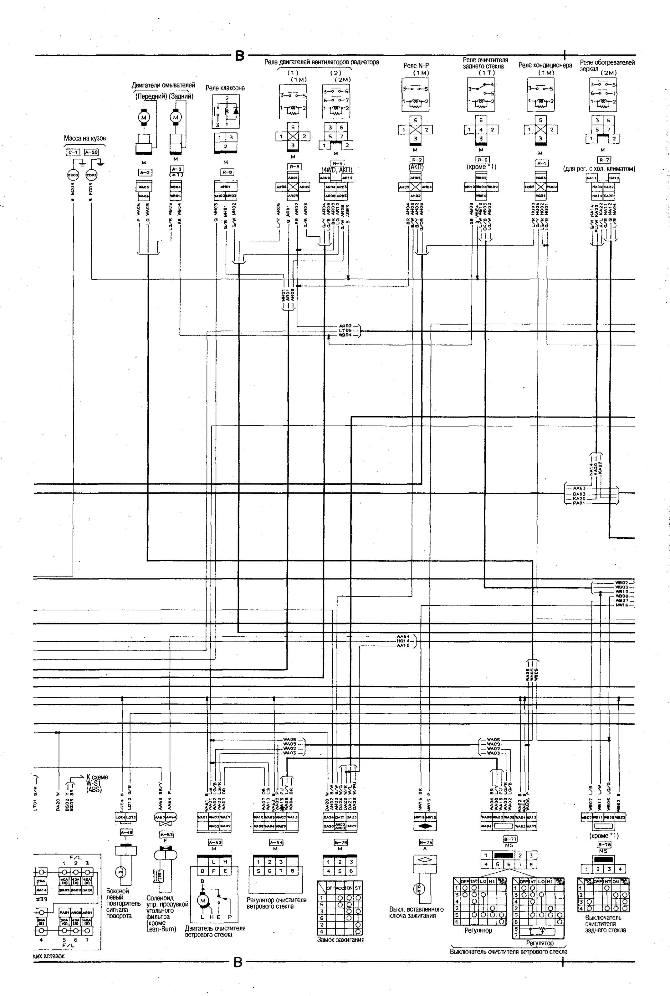
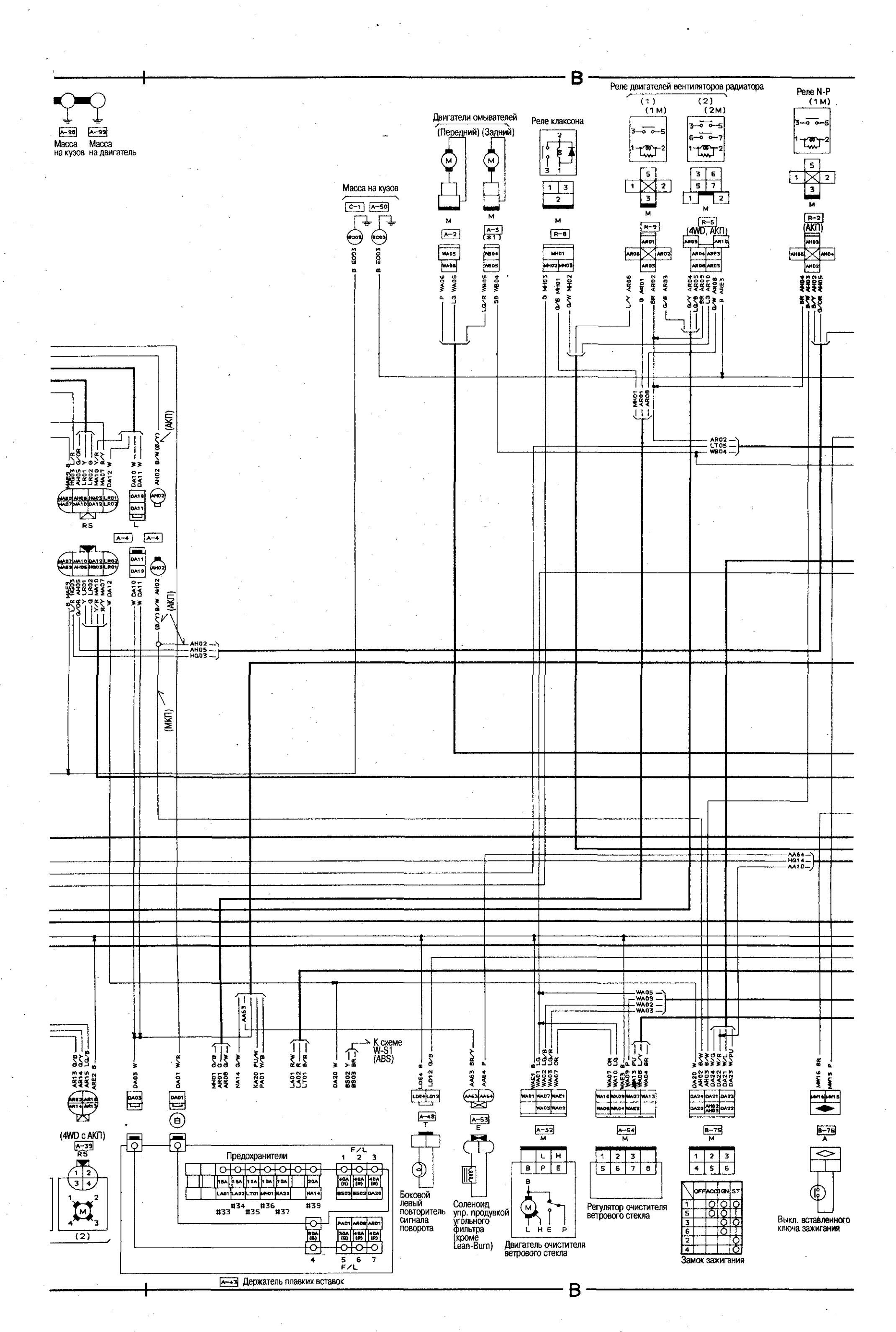
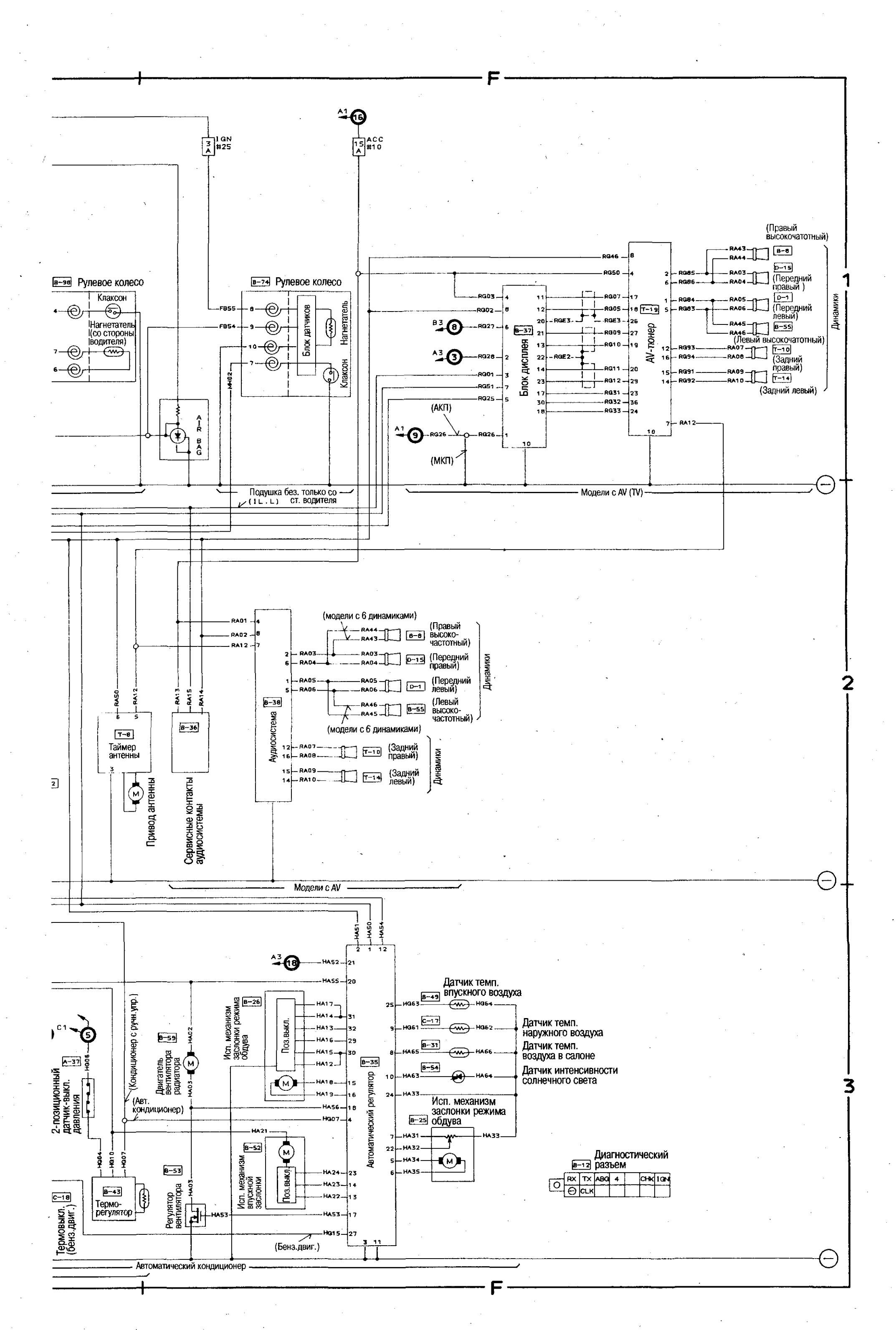
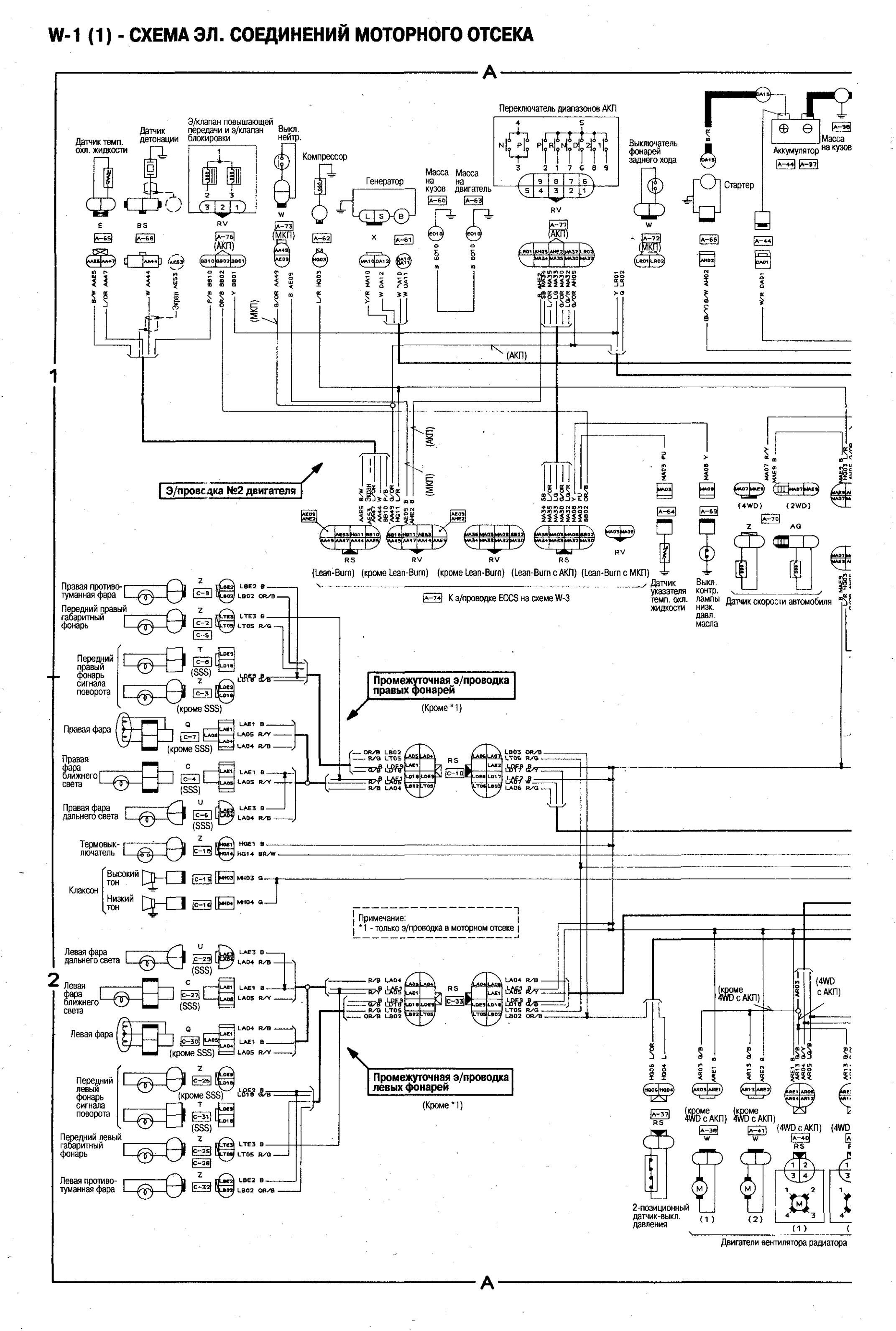
Схема соединений моторного отсека авто




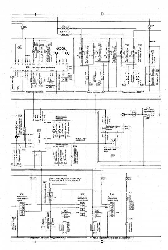
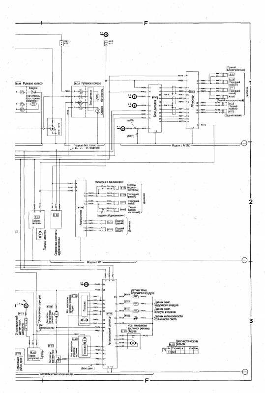
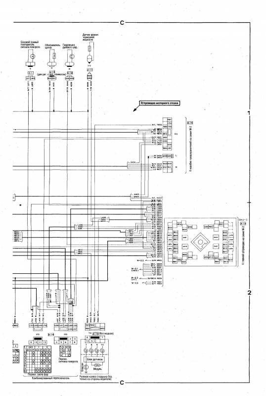
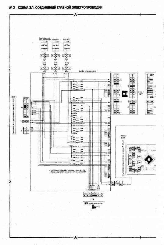
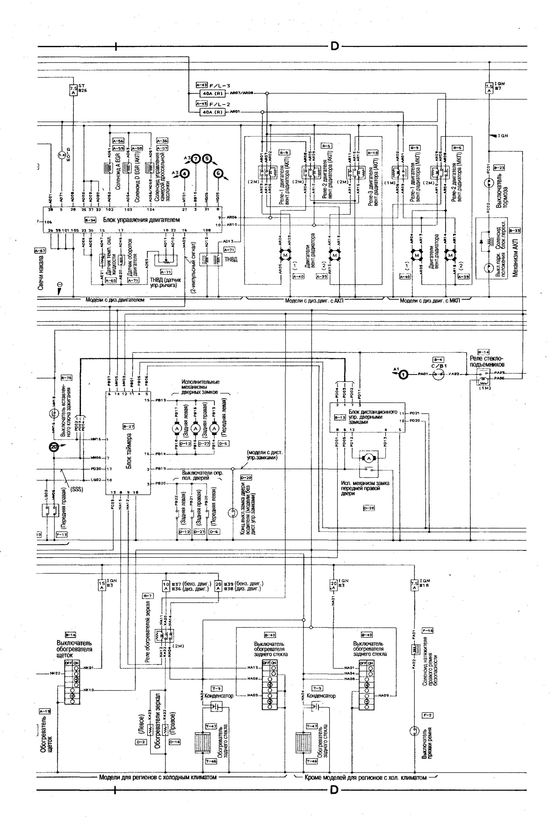
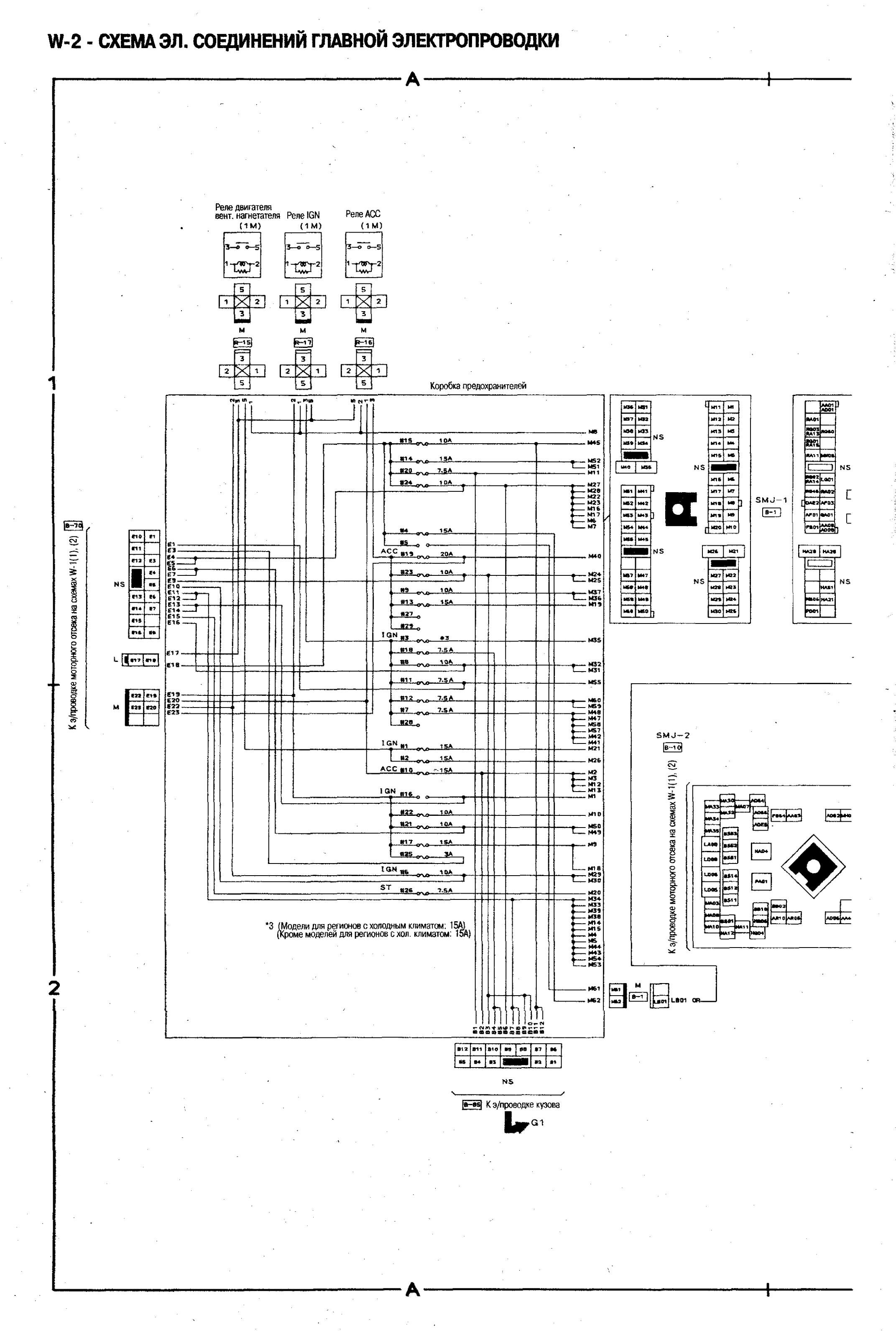
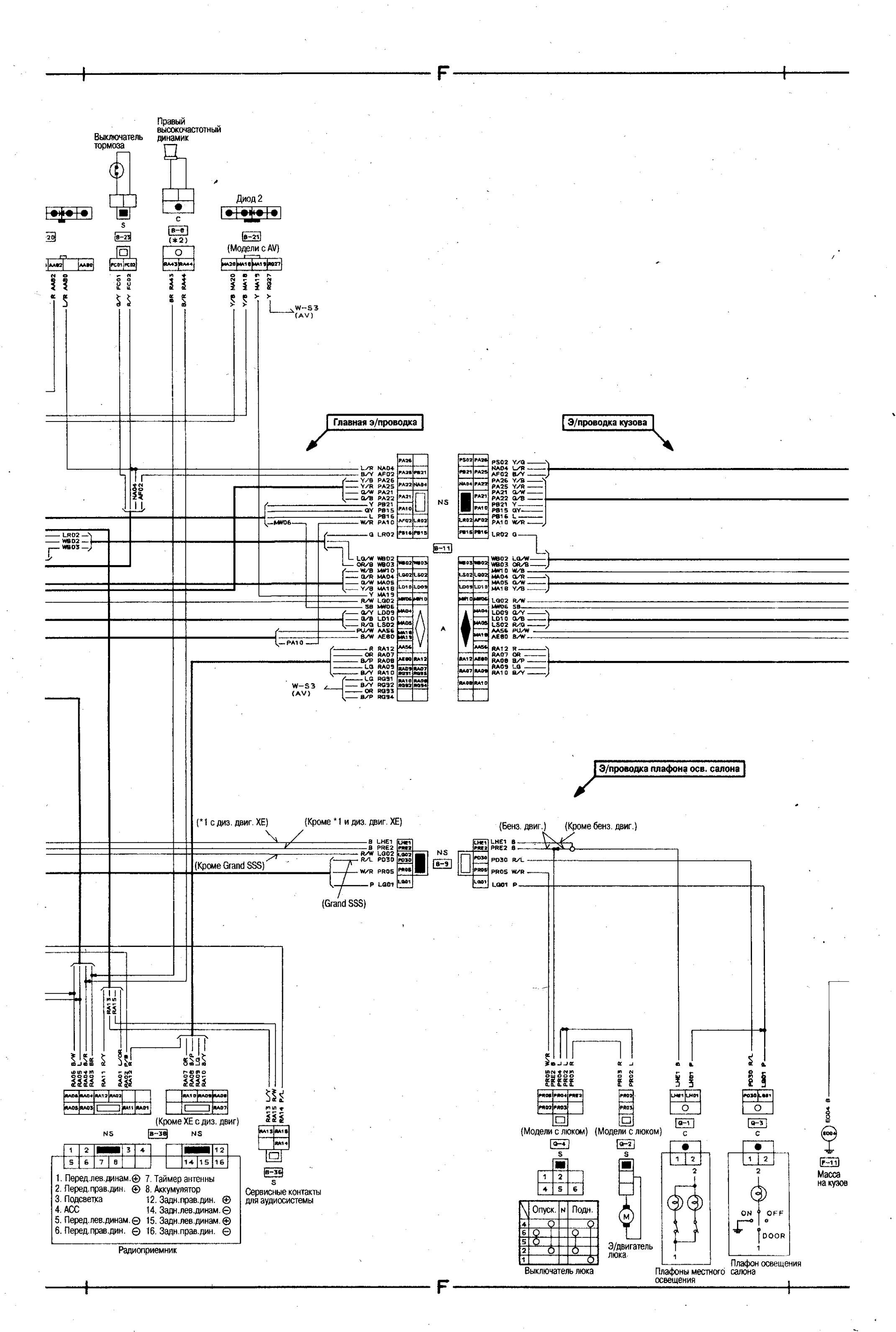
Электросхема соединений главной проводки Nissan Bluebird







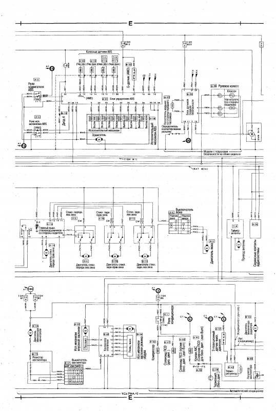
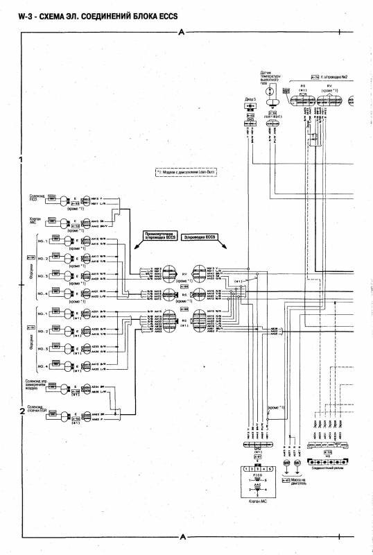
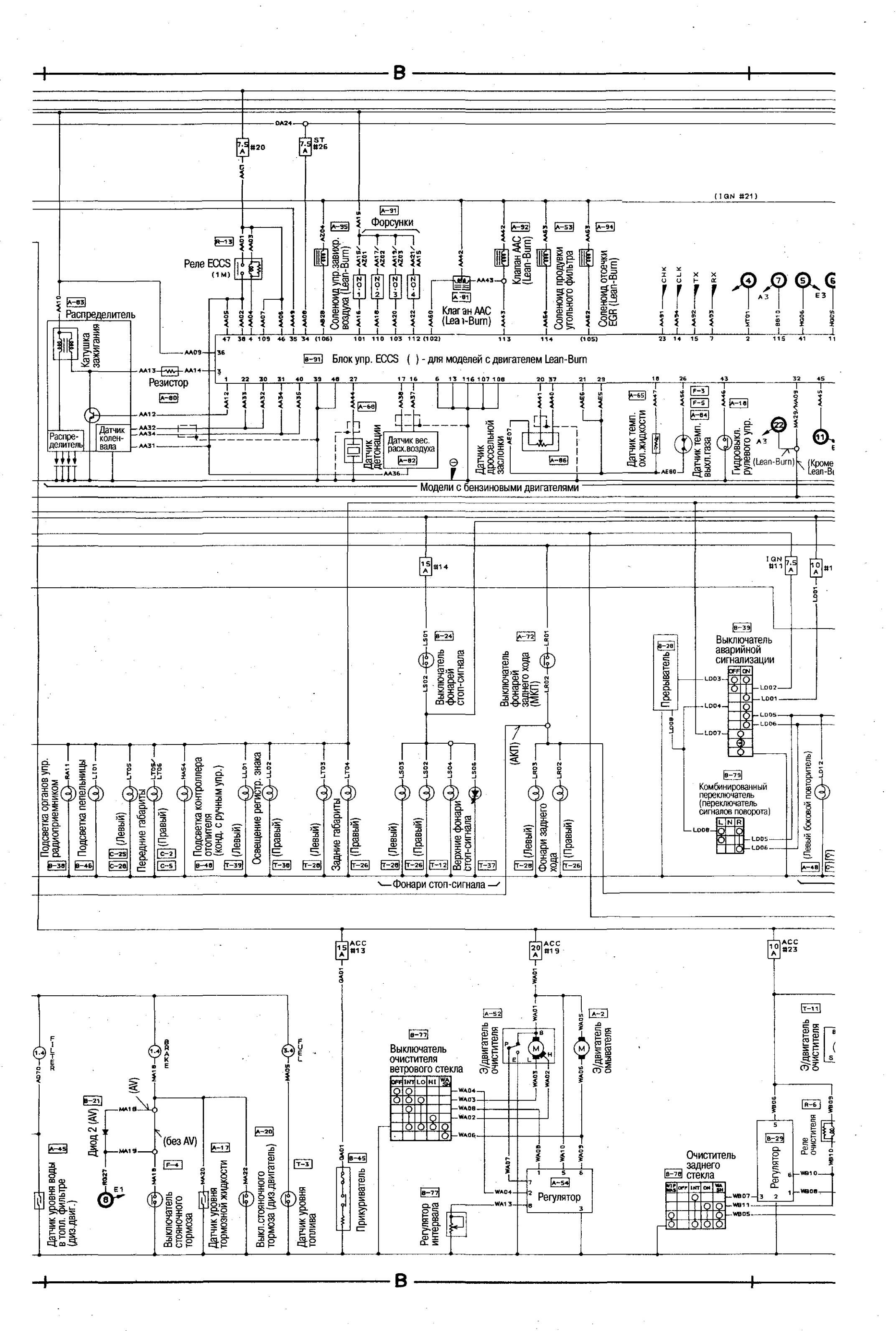
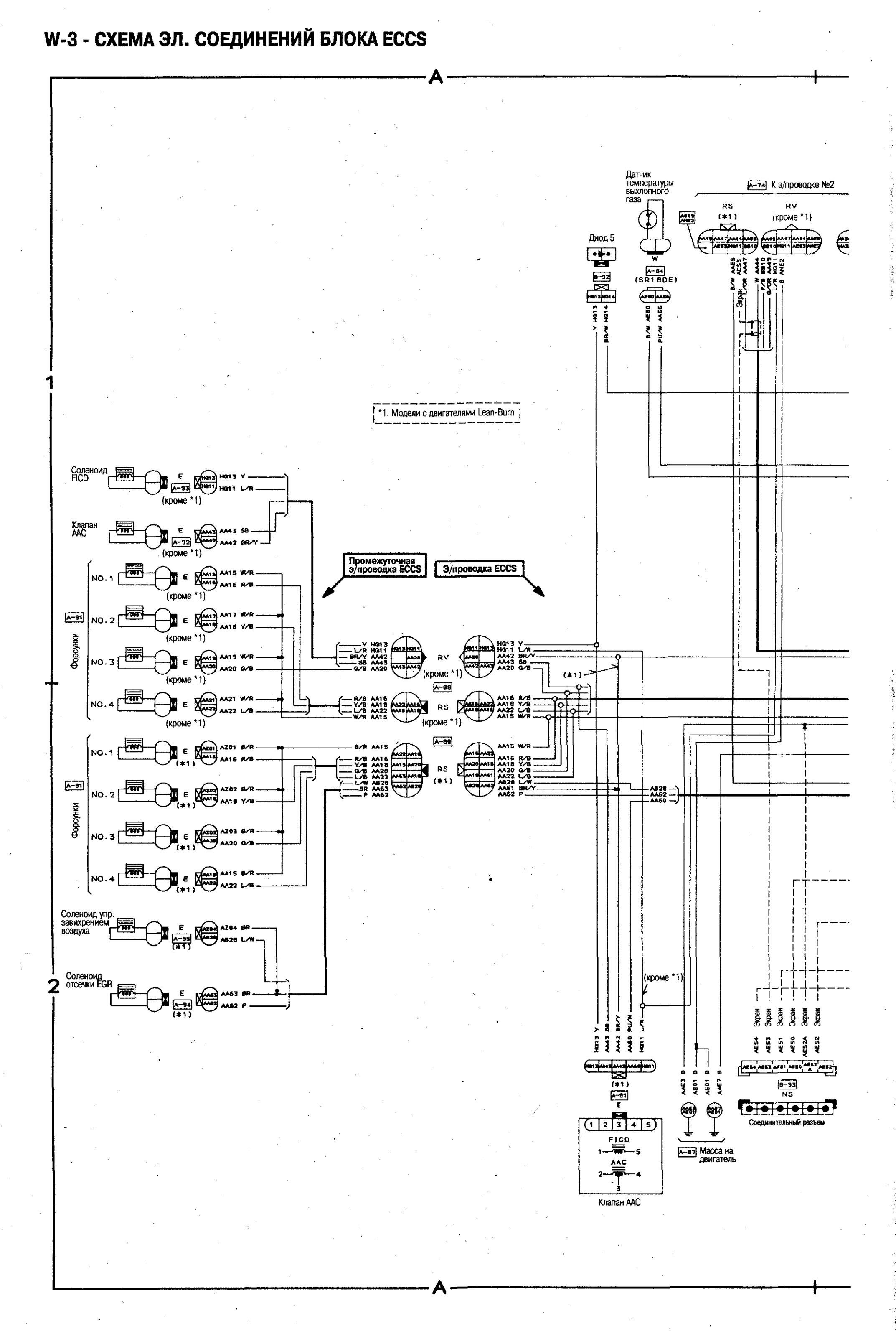
Схема блока ECCS автомобиля Ниссан Блюберд


РЕМОНТ АВТОЭЛЕКТРОНИКИ ЗАРЯДНЫЕ УСТРОЙСТВА ДЛЯ АКБ

|