Цветные электрические схемы автомобиля Ниссан Кашкай с 2007г и Ниссан Кашкай +2 с 2008г полностью на русском языке, вы можете бесплатно посмотреть в данном материале. На электросхемах имеются модули системы тормозов, системы управления двигателем, подключение фар, ламп внутреннего освещения и т.д. Информация взята из открытых справочников и бесплатно предоставляется для работников СТО, а также автоэлектриков-самодельщиков. Внизу страницы имеются и фотографии блоков реле и предохранителей, с указанием функций каждого предохранителя. Это вторая часть. Остальные электросхемы для этого автомобиля смотрите тут.
Схема электрооборудования Ниссан Кашкай
Схема управления стеклоподъёмниками Nissan Qashqai

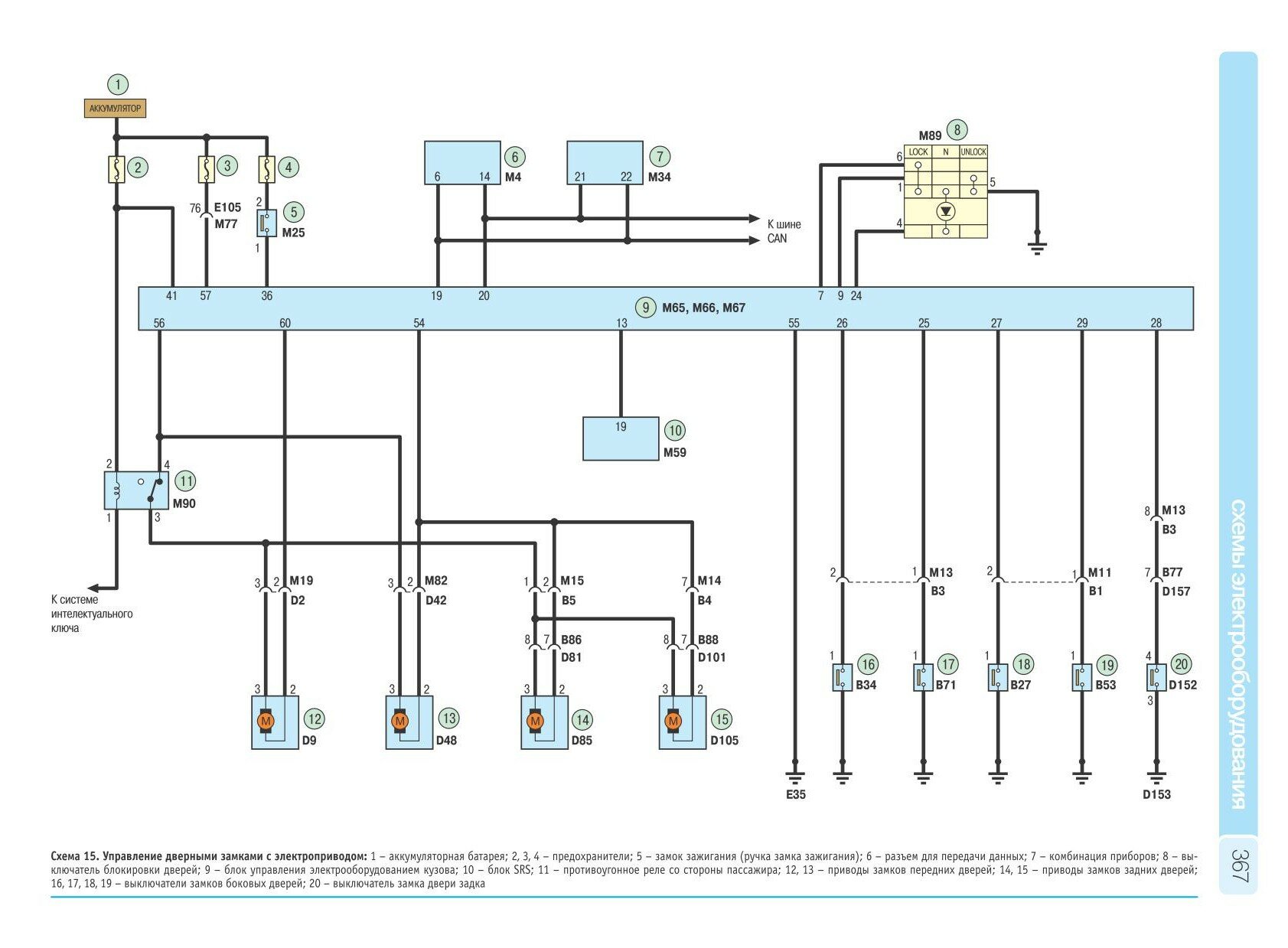
Управление дверными замками с электроприводом

Система доступа в автомобиль без ключей - схема электрическая


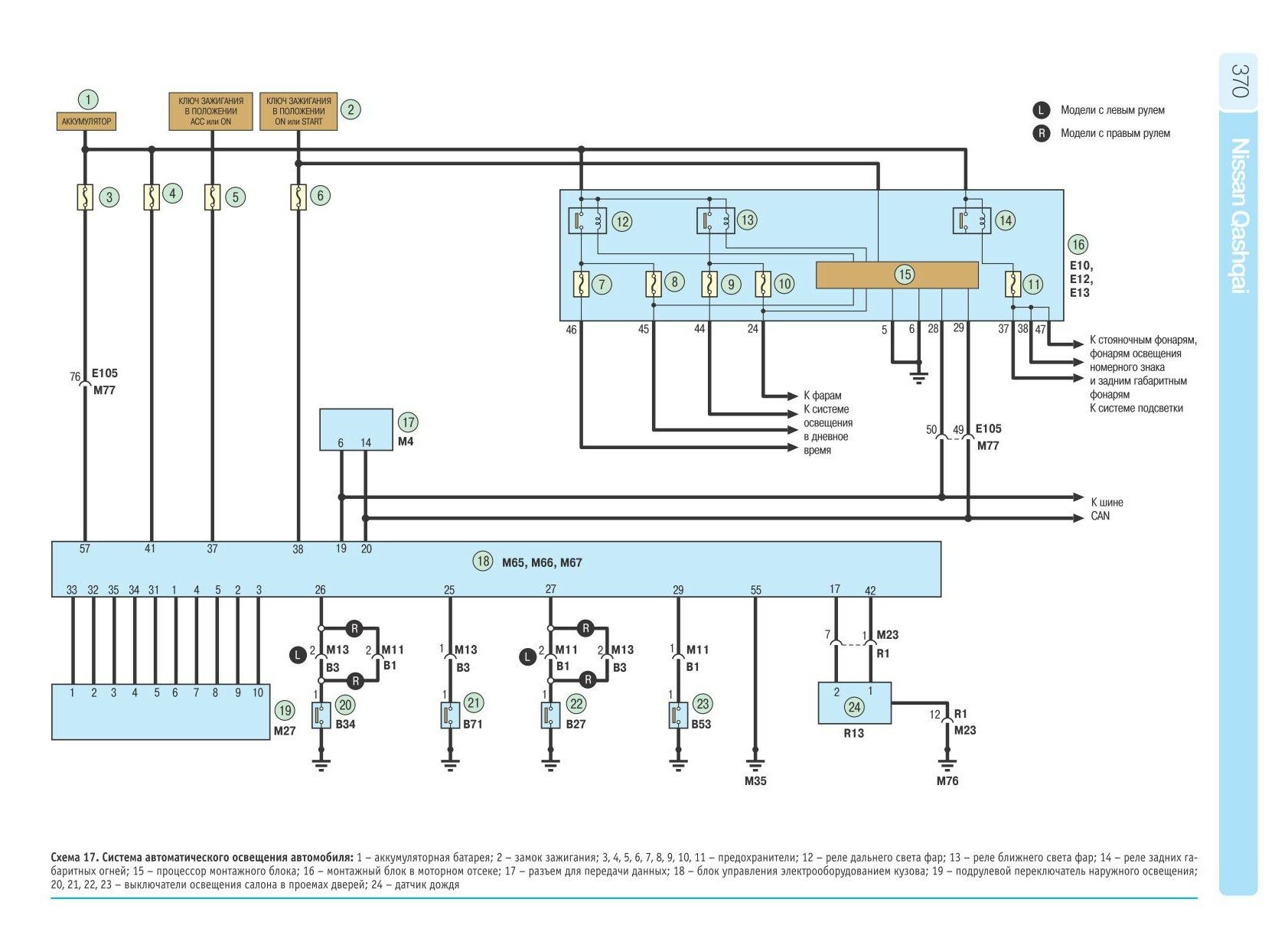
Система автоматического освещения авто Ниссан

Освещение с ксеноновыми фарами - подключение

Система освещения в дневное время


Указатели поворотов и автосигнализация Nissan Qashqai

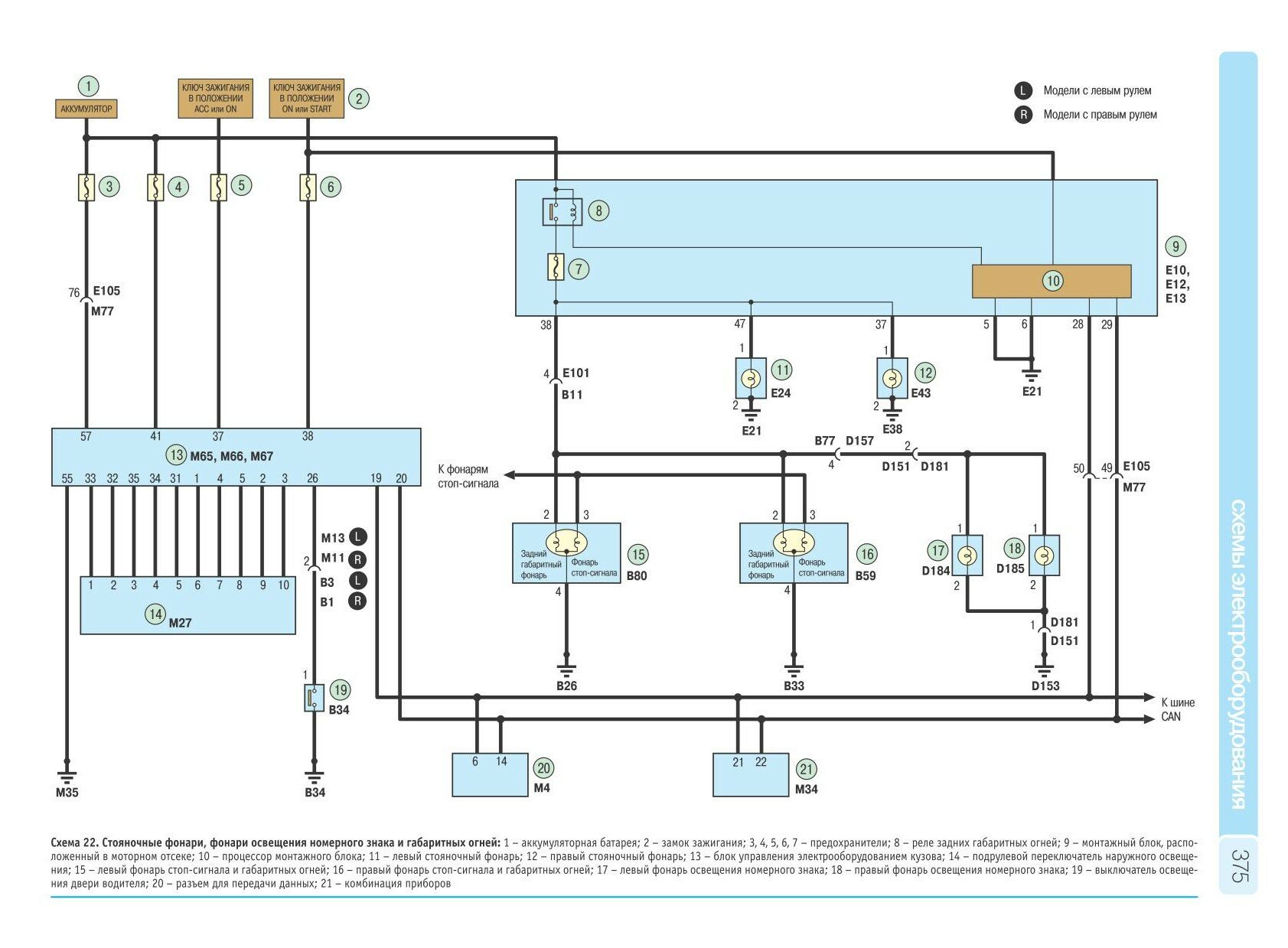
Схема фонарей номерного знака и стоянки

Стоп-сигналы и фары заднего хода - электросхемы

Противотуманки авто

Управление плафонами освещения


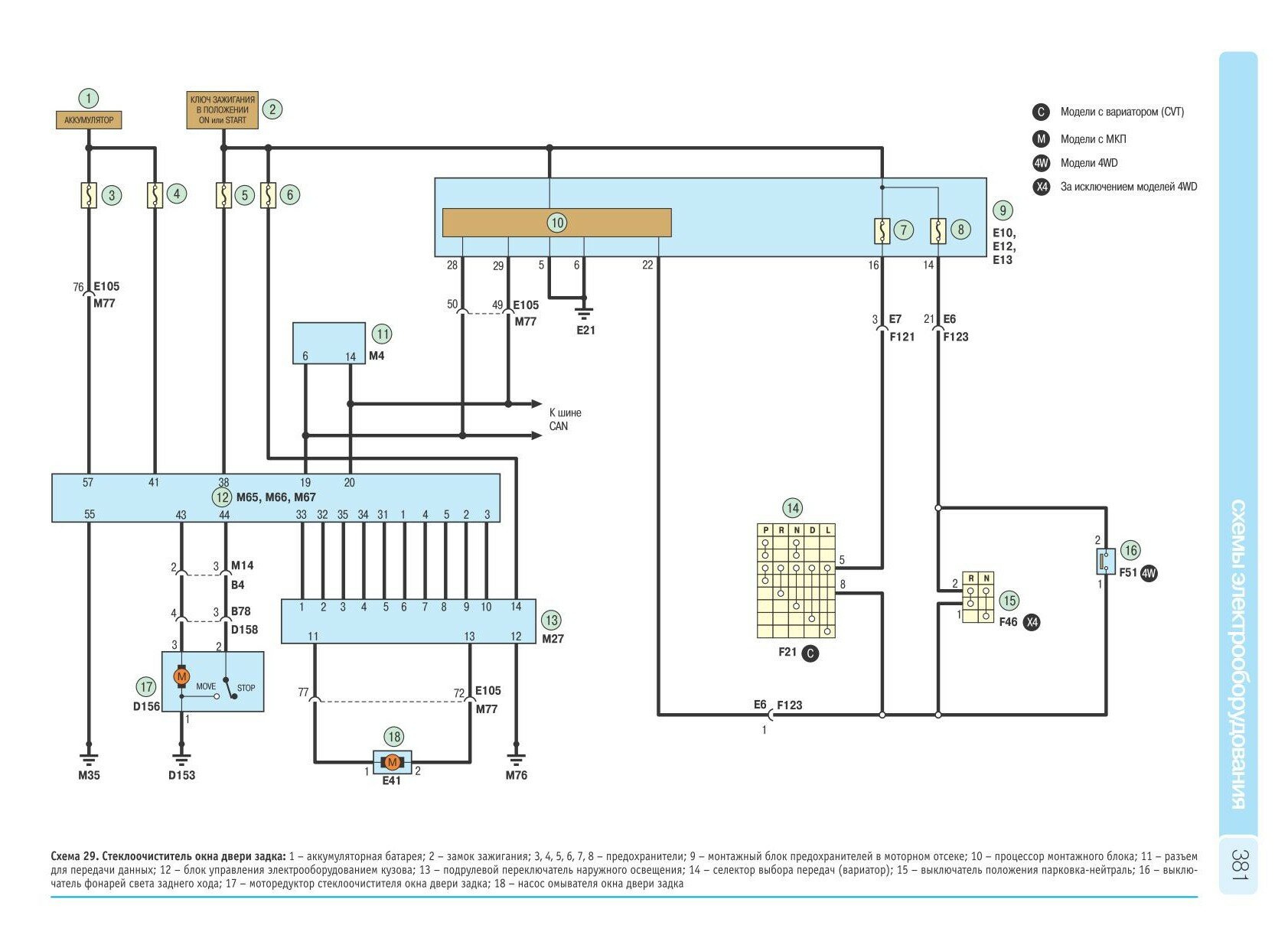
Схема стеклоочистителя ветрового стекла


Обогрев стёкол и звуковой сигнал авто

Аудиосистема Ниссан Кашкай - подключение АС

РЕМОНТ АВТОЭЛЕКТРОНИКИ ЗАРЯДНЫЕ УСТРОЙСТВА ДЛЯ АКБ

|