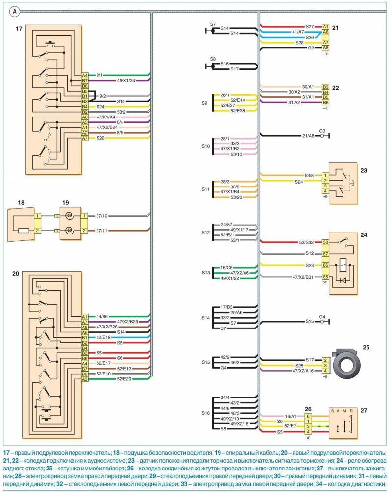
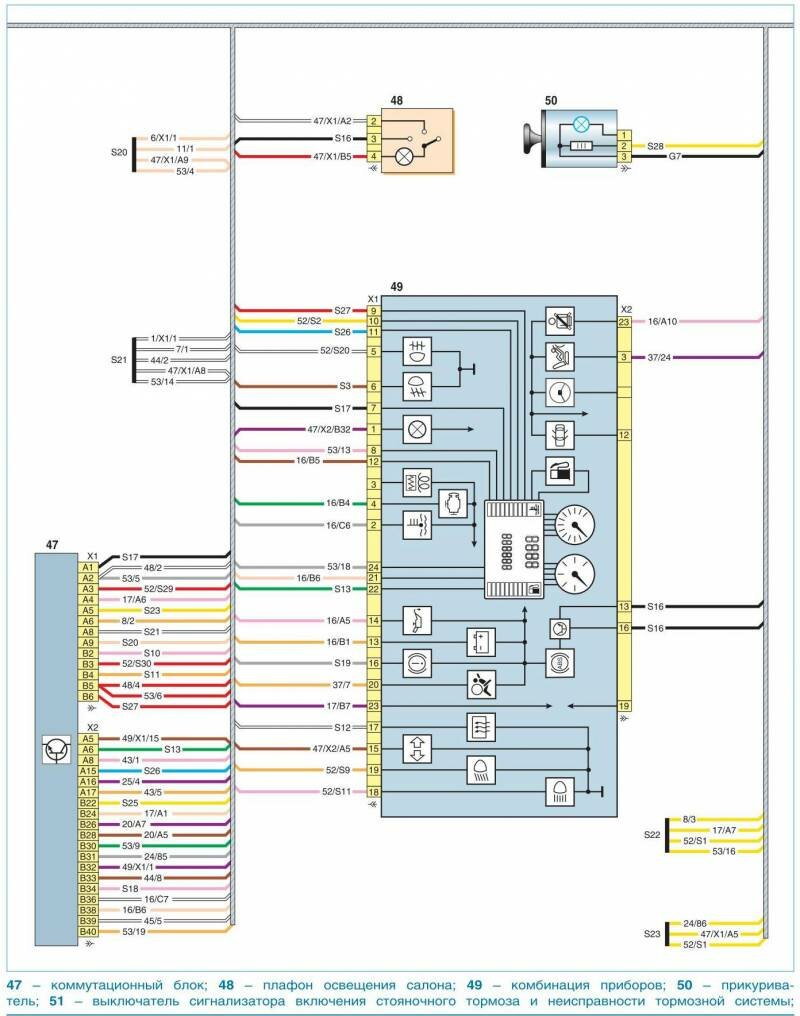
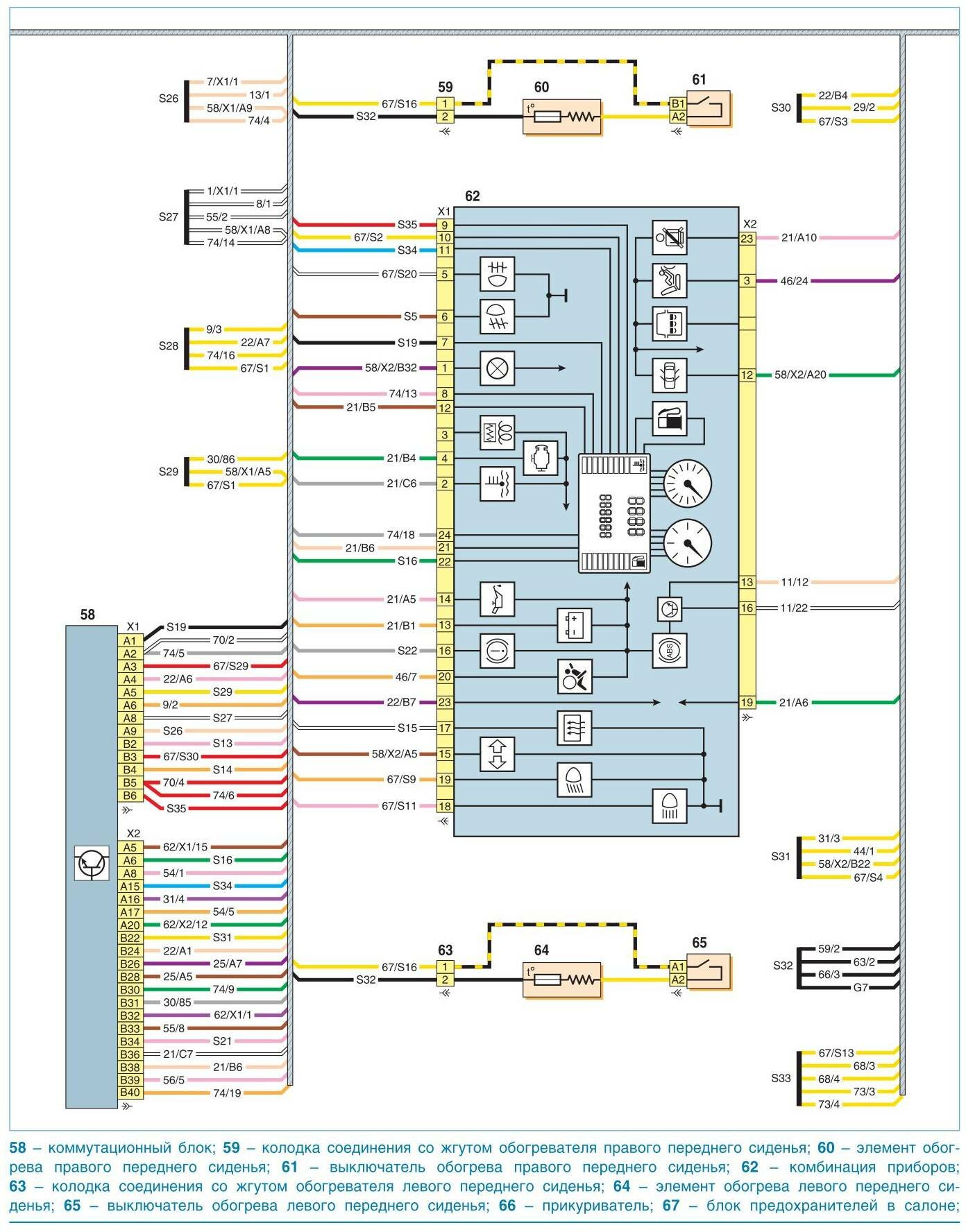
Цветные элетросхемы для Renault Sandero. На автомобили устанавливают двигатели рабочим объемом 1,4 и 1,6 л. Внешне двигатели идентичны и отличаются лишь радиусом кривошипа коленчатого вала и высотой блока цилиндров. Коробка передач пятиступенчатая механическая. Коробки передач, устанавливаемые на автомобили с двигателями рабочим объемом 1,4 и 1,6 л, практически одинаковы по конструкции, имеют одинаковые передаточные числа и различаются только размерами картера сцепления, что обусловлено применением на этих двигателях сцеплений разного диаметра. Каждый элемент схемы содержит подробный перечень компонентов соответствующего узла электрооборудования Рено Сандеро.
Схема предохранителей и реле Renault Sandero
Блок реле и предохранителей в моторном отсеке:



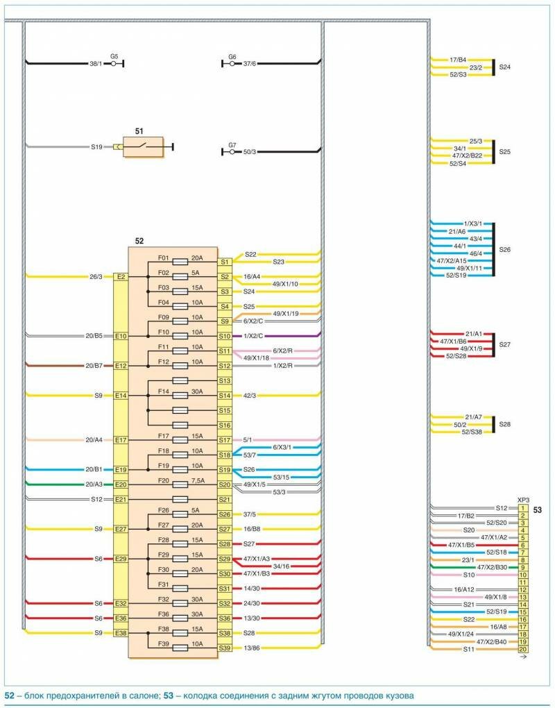
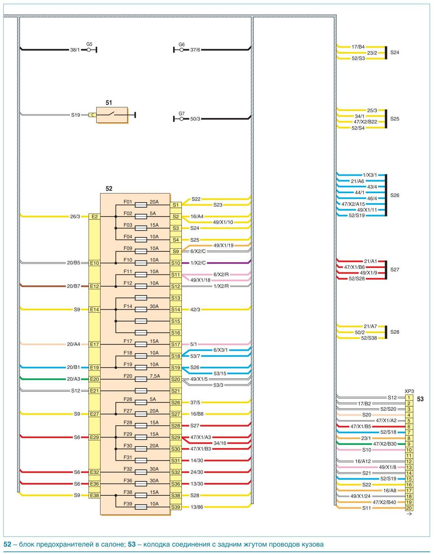
Блок предохранителей в салоне:



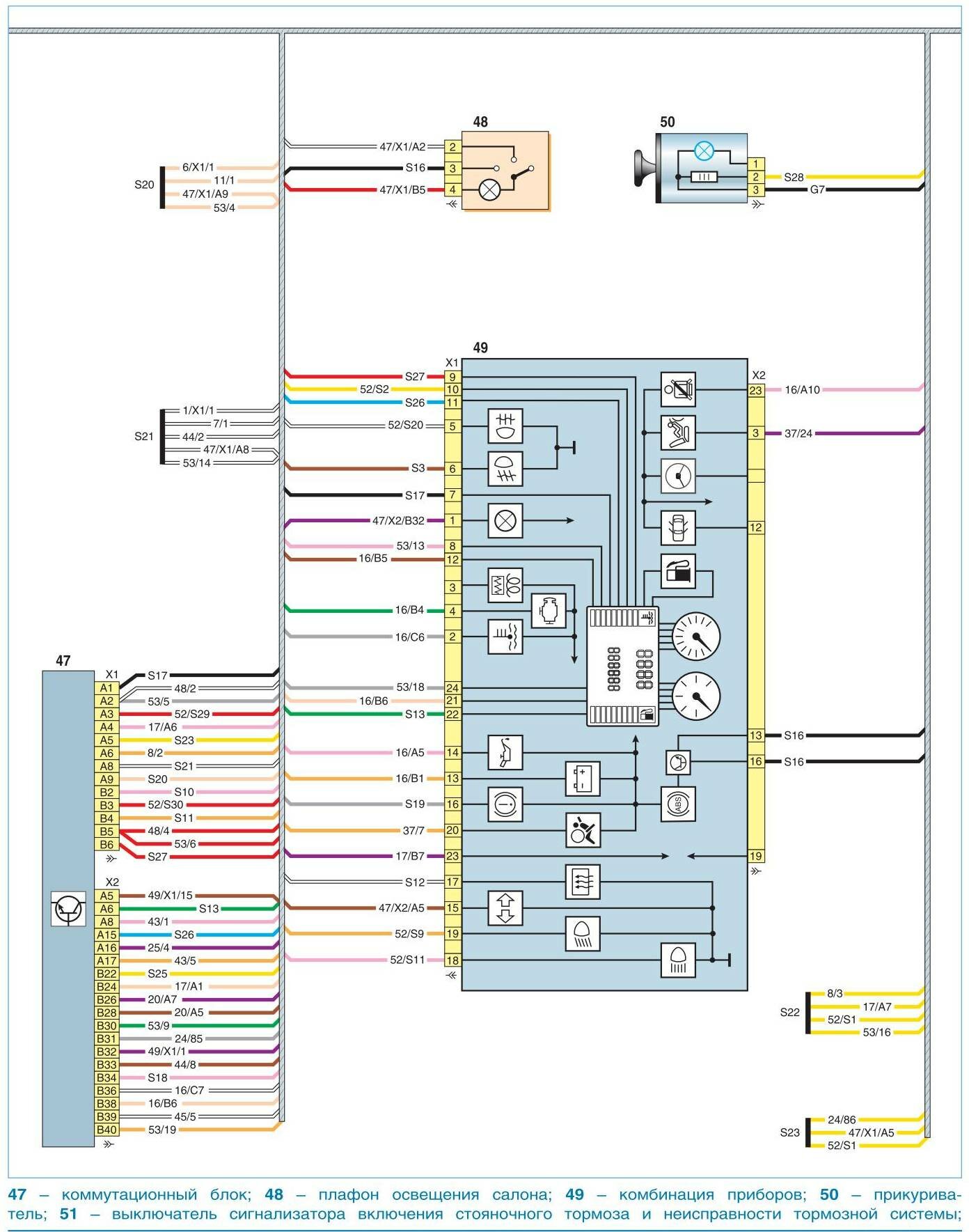
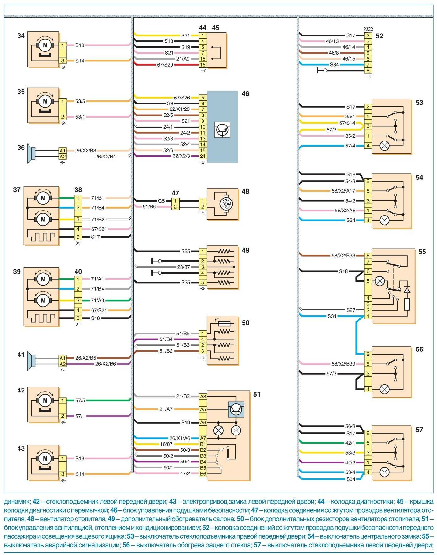
Схема соединений переднего жгута проводов кузова





Схема соединений жгута проводов Renault Sandero двигателя 1,4-1,6


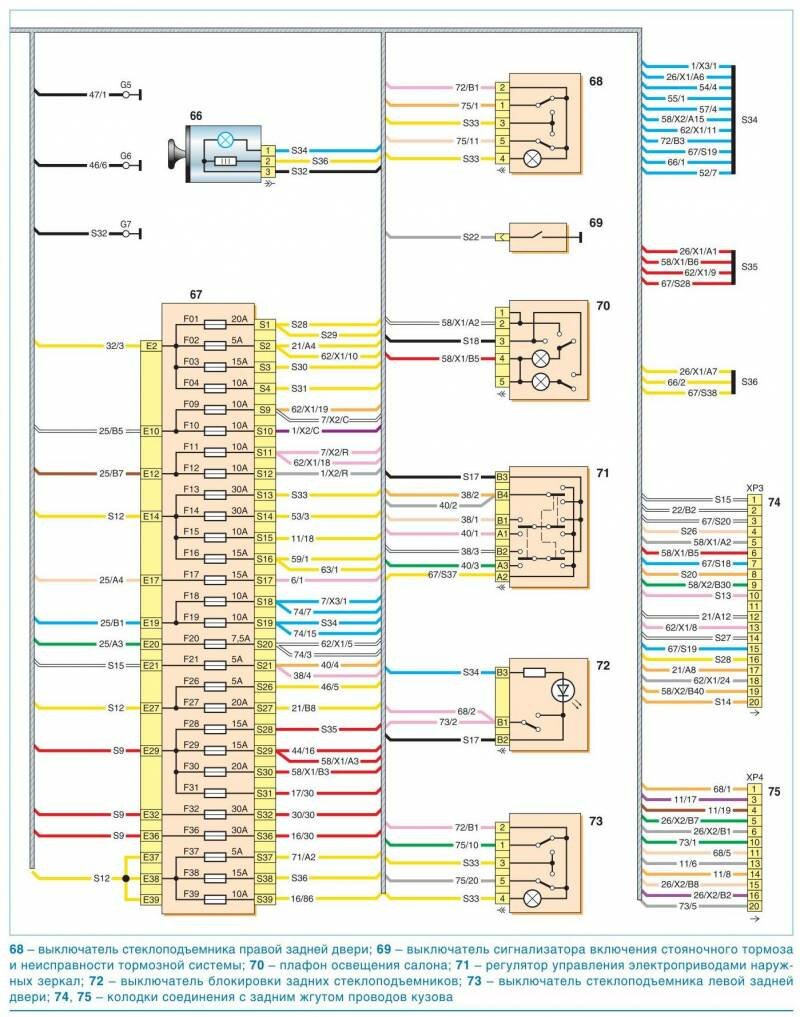
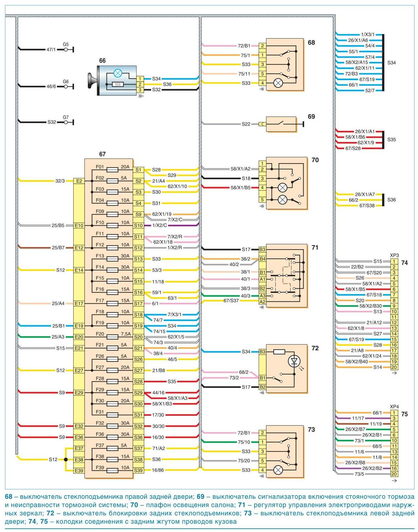
Схема соединений заднего жгута проводов кузова Рено Сандеро






Схема соединений жгута проводов Renault Sandero двигателя 1,6 16V


Схема электрическая соединений проводов подушки безопастности переднего пасажира и освещения ящика

РЕМОНТ АВТОЭЛЕКТРОНИКИ ЗАРЯДНЫЕ УСТРОЙСТВА ДЛЯ АКБ

|