Продолжение каталога электросхем для SKODA FABIA. В первой части статьи читайте про расшифровку обозначений на схемах данного автомобиля. Для увеличения - кликните на картинку. Просмотр и скачка документов абсолютно бесплатная. Окончание сборника электросхем Skoda читайте здесь.
Лямбда-зонд, датчик давления и температуры воздуха во впускной трубе двигателя, электромагнитный клапан адсорбера

Блок управления "Simos", датчик положения педали акселератора, выключатель сигналов торможения, датчик положения педали сцепления

Электросхема на датчик детонации I, датчик положения распределительного вала авто

механизм управления дроссельной заслонкой, система зажигания Skoda Fabia 2000-2007

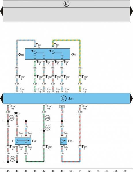
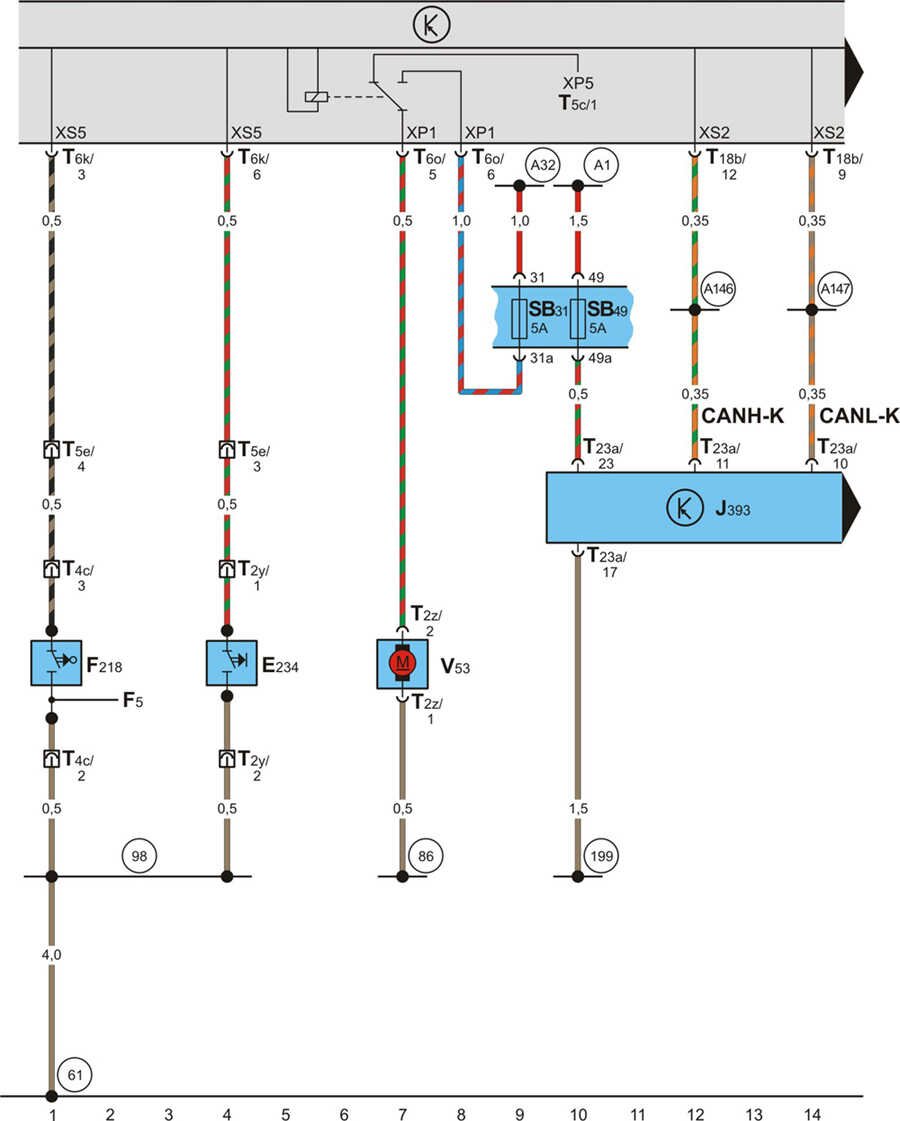
Реле топливного насоса, блок предохранителей

Панель приборов, блок управления панелью приборов, контрольные лампы, датчик давления масла, датчик указателя уровня топлива, топливный насос, датчик скорости (привод спидометра), указатель уровня топлива, спидометр, счетчик суммарного пробега

Блок управления "4LV", форсунки, датчик частоты вращения коленчатого вала двигателя, датчик температуры охлаждающей жидкости, электромагнитный клапан рециркуляции ОГ

Блок управления "4LV", лямбда-зонд, датчик давления и температуры воздуха, электромагнитный клапан адсорбера

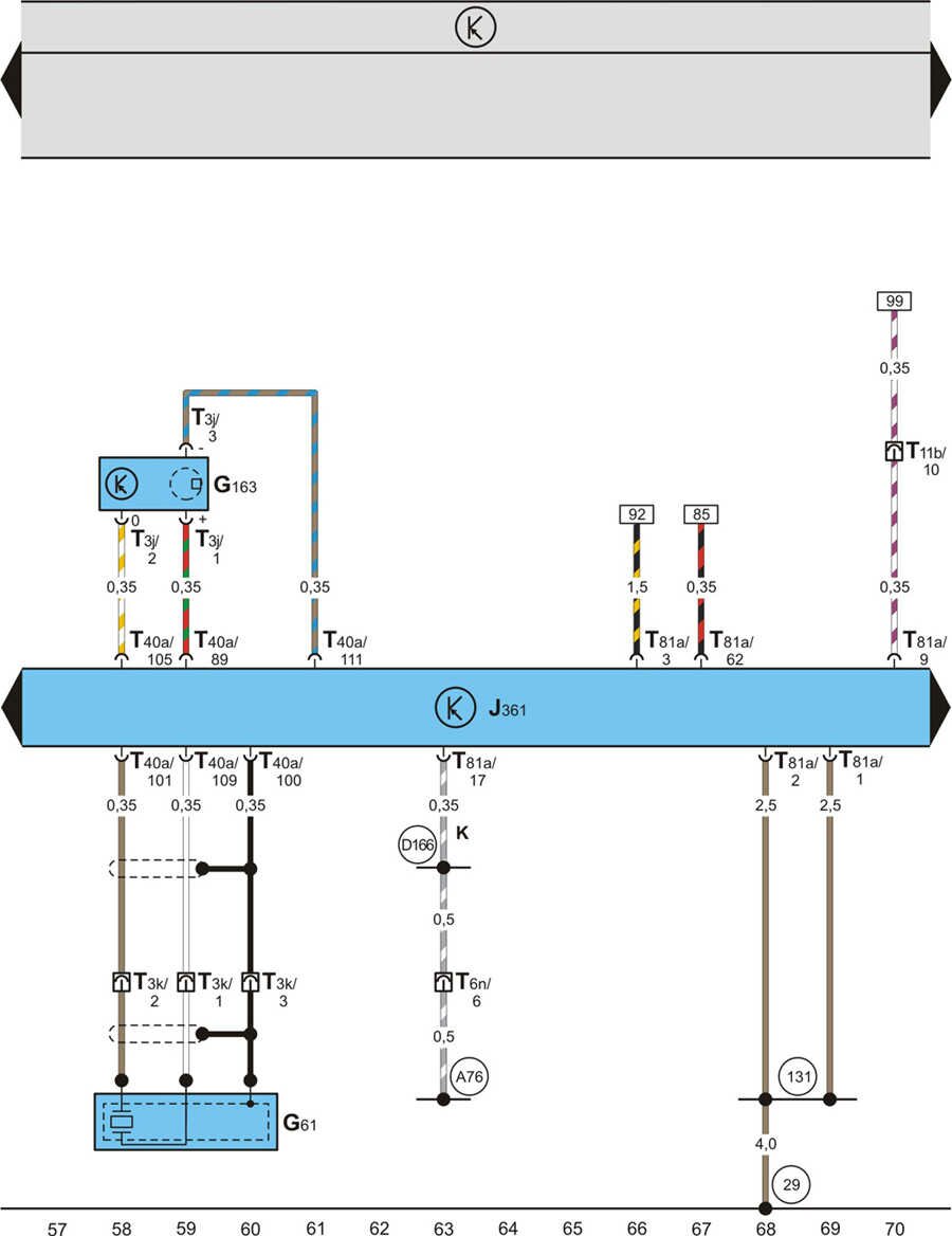
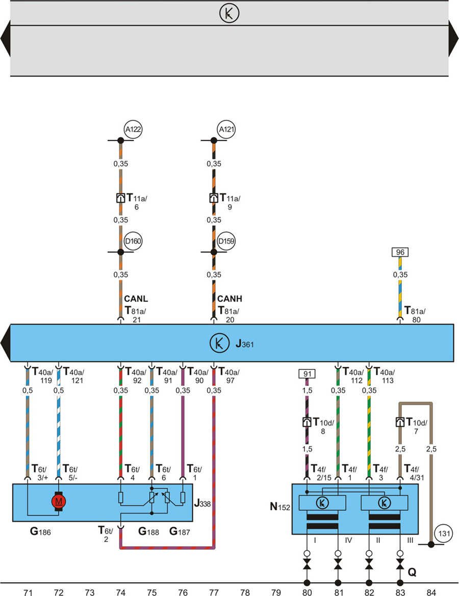
Блок управления системой впрыска топлива дизельного двигателя, датчик температуры топлива, датчик положения дроссельной заслонки авто

Блок управления системой впрыска топлива дизельного двигателя, датчик частоты вращения коленчатого вала двигателя, датчик температуры охлаждающей жидкости

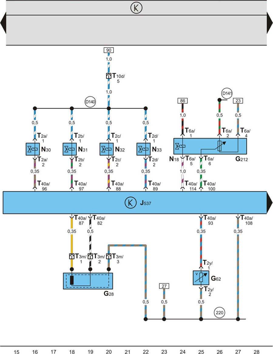
Центральный блок управления системой "Комфорт", выключатель дистанционного открытия крышки багажника, выключатель центрального замка, электродвигатель привода замка крышки багажника

Центральный блок управления системой "Комфорт", запирающий элемент двери водителя, контрольная лампа центрального замка, сигнальный фонарь двери

Центральный блок управления системой "Комфорт", запирающий элемент двери переднего пассажира, сигнальный фонарь двери переднего пассажира

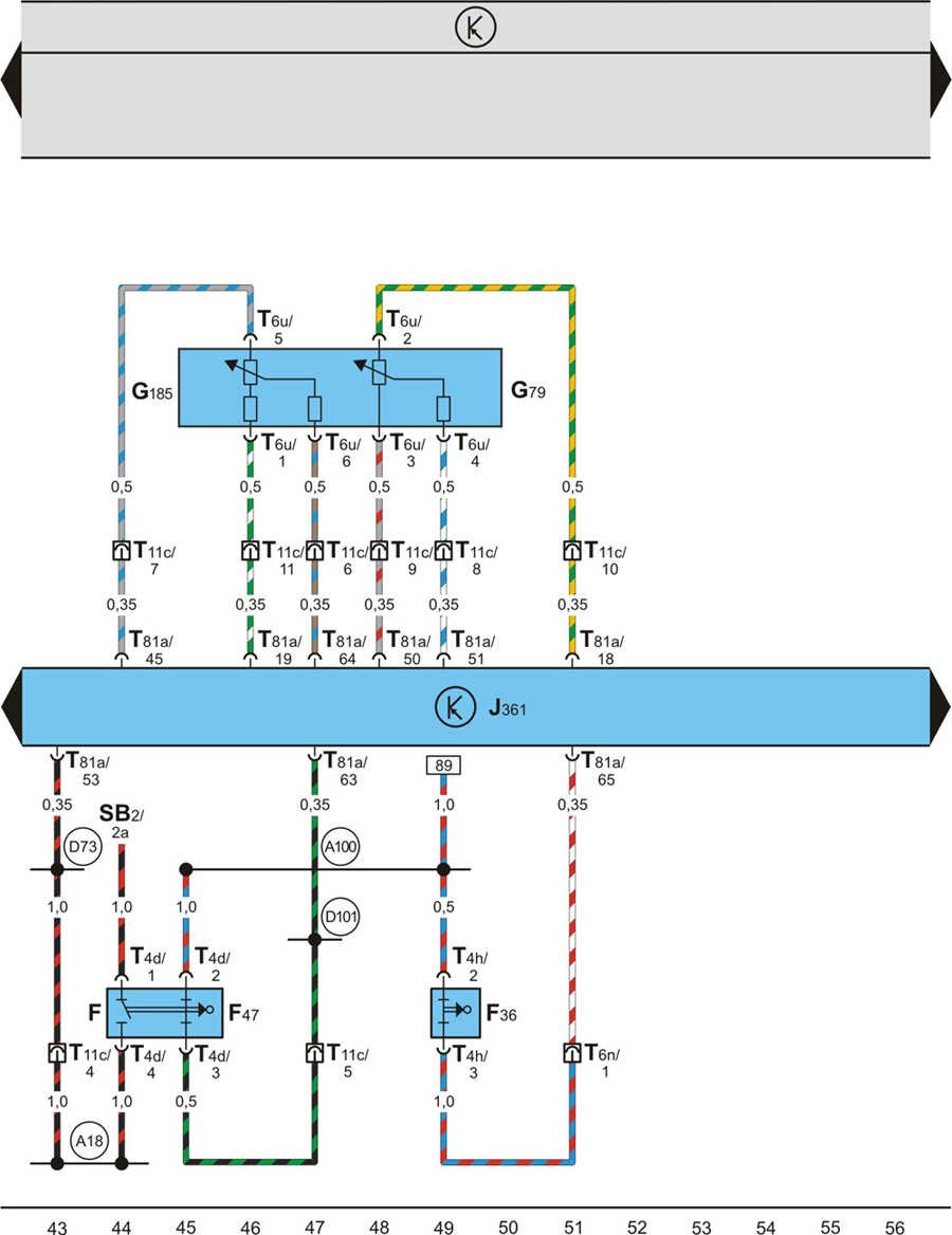
Электросхема модуля зеркало заднего вида двери водителя с электроприводом и обогревом

Электростеклоподъемник двери переднего пассажира, электроуправляемое и обогреваемое наружное зеркало заднего вида двери переднего пассажира с электроприводом и обогревом

Рулевое управление с усилителем для автомобиля Skoda Fabia 2000-2007

Противотуманные фары авто

Tempomat

Многофункциональный указатель - схема

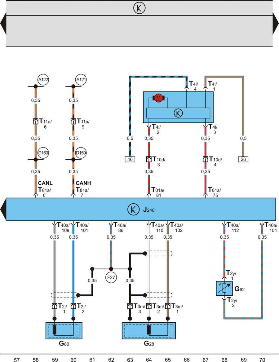
Люк в крыше с электроприводом

РЕМОНТ АВТОЭЛЕКТРОНИКИ ЗАРЯДНЫЕ УСТРОЙСТВА ДЛЯ АКБ

|