Электросхемы для легкового автомобиля Skoda Octavia. Все схемы в цветном виде и высоком качестве. Для бесплатного скачивания - кликните на схему. Представлены такие модули, как замок зажигания, коробка предохранителей, указатели поворота, аварийная сигнализация, выключатель стояночных фонарей, фары, двигатель и т д.
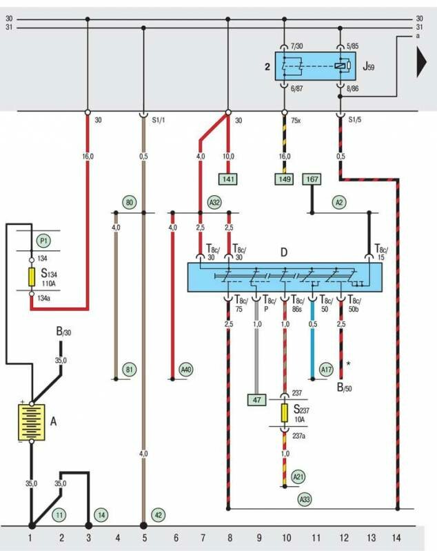
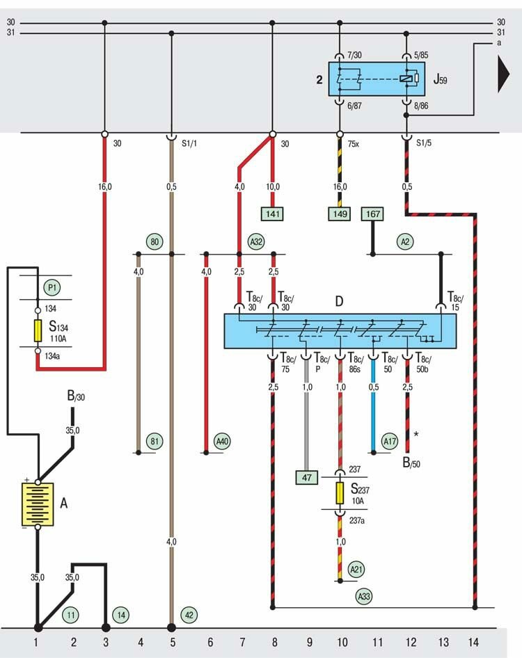
Схема Skoda Octavia - замок зажигания, реле для контакта X, коробка предохранителей

A – аккумуляторная батарея;
B – стартер Skoda Octavia ;
D – замок зажигания;
J59 – коммутационное реле для контакта Х;
S134 – предохранитель в коробке предохранителей на аккумуляторной батарее;
T8c – восьмиконтактный штекерныйразъем, на замке-выключателе зажигания и приборов;
11 – точка соединения на "массу" под аккумуляторной батареей слева;
14 – соединение на "массу" на коробке передач;
42 – точка соединения на "массу" рядом с колонкой рулевого управления;
80 – соединение на "массу" в жгуте проводов позади панели приборов;
81 – соединение на "массу" в жгуте проводов позади панели приборов;
А2 – соединение с положительным полюсом (15) в жгуте проводов позади панели приборов;
А17 – соединение (61) в жгуте проводов позади панели приборов;
А21 – соединение (86s) в жгуте проводов позади панели приборов;
А32 – соединение с положительным полюсом (30) в жгуте проводов позади панели приборов слева;
А33 – соединение (75) в жгуте проводов позади панели приборов слева;
А40 – соединение с положительным полюсом (30) в жгуте проводов позади панели приборов слева;
Р1 – соединение с положительным полюсом (30) в коробке предохранителей на аккумуляторной батареее;
Схема Skoda Octavia - указатели поворота, аварийная сигнализация, выключатель стояночных фонарей

E2 – переключатель фонарей указателя поворота;
E3 – выключатель для системыаварийной светорой сигналазации;
E19 – включатель для стояночных фонарей;
J2 – прерыватель для фонарей системы аварийной световой сигнализации;
K6 – сигнализатор аварийной световой сигнализации;
L35 – лампа накаливания для освещения выключателя системы аварийной световой сигналазации;
M5 – лампа накаливания левого переднего фонаря указателя поворота;
M7 – лампа накаливания правого переднего фонаря указателя поворота;
M18 – лампа накаливания левого бокового повторителя указателя поворота;
M19 – лампа накаливания правого бокового повторителя указателя поворота;
T2j – двухконтактный штекерный разъем, на левом боковом повторителе указателя поворота;
T2k – двухконтактный штекерный разъем, на правом боковом повторителе указателя поворота;
T2l – двухконтактный штекерный разъем, на левом переднем фонаре указателя поворота;
T2m – двухконтактный штекерный разъем, на правом переднем фонаре указателя поворота;
T7a – семиконтактный штекерный разъем, на выключателе для системы аварийной световой сигнализации;
T12a – двенадцатиконтактный штекерный разъем, на переключателе фонарей указателя поворота;
80 – соединение на "массу" в жгуте проводов позади панели приборов;
119 – соединение на "массу" в кабельном жгуте впереди слева;
А5 – соединение с положительным полюсом (правый указатель поворота) в жгуте проводов позади панели щитка приборов слева;
А6 – соединение с положительным полюсом (левый указатель поворота) в жгуте проводов позади панели щитка приборов слева;
А43 – соединение (57L) в жгуте проводов позади панели приборов;
А44 – соединение (57R) в жгуте проводов позади панели приборов

F4 – выключаель для фар заднего хода;
L46 – лампа накаливания левой задней противотуманной фары;
L47 – лампа накаливания правой задней противотуманной фары;
M2 – лампа накаливания правого заднего габаритного фонаря;
M4 – лампа накаливания левого заднего габаритного фонаря;
M6 – лампа накаливания левого заднего фонаря указателя поворота;
M8 – лампа накаливания правого заднего фонаря указателя поворота;
M9 – лампа накаливания левого фонаря сигнала торможения;
M10 – лампа накаливания правого фонаря сигнала торможения;
M16 – лампа накаливания левой фары заднего хода Skoda Octavia ;
M17 – лампа накаливания правой фары заднего хода;
T2e – двухконтактный штекерный разъем, на выключателе для фар заднего хода;
T6a – шестиконтактный штекерный разъем, в водонепроницаемом кожухе (красный);
T6b – шестиконтактный штекерный разъем, на левом заднем габаритном фонаре;
T6c – шестиконтактный штекерный разъем, на правом заднем габаритном фонаре;
T10a – десятиконтактный штекерный разъем, в водонепроницаемом кожухе (белый);
59 – точка соединения на "массу" вблизи от левого заднего габаритного фонаря;
86 – соединение на "массу" в заднем жгуте проводов;
196 – соединение на "массу" в левом заднем группированном световом приборе;
197 – соединение на "массу" в правом заднем группированном световом приборе;
А5 – соединение с положительным полюсом (правый указатель поворота) в жгуте проводов позади панели приборов слева;
А6 – соединение с положительным полюсом (левый указатель поворота) в жгуте проводов позади панели приборов слева;
А18 – соединение (54) в жгуте проводов позади панели приборов слева;
А47 – соединение (55) в жгуте проводов позади панели приборов;
А84 – соединение (58L) в жгуте проводов позади панели приборов слева;
А85 – соединение (58R) в жгуте проводов позади панели приборов слева

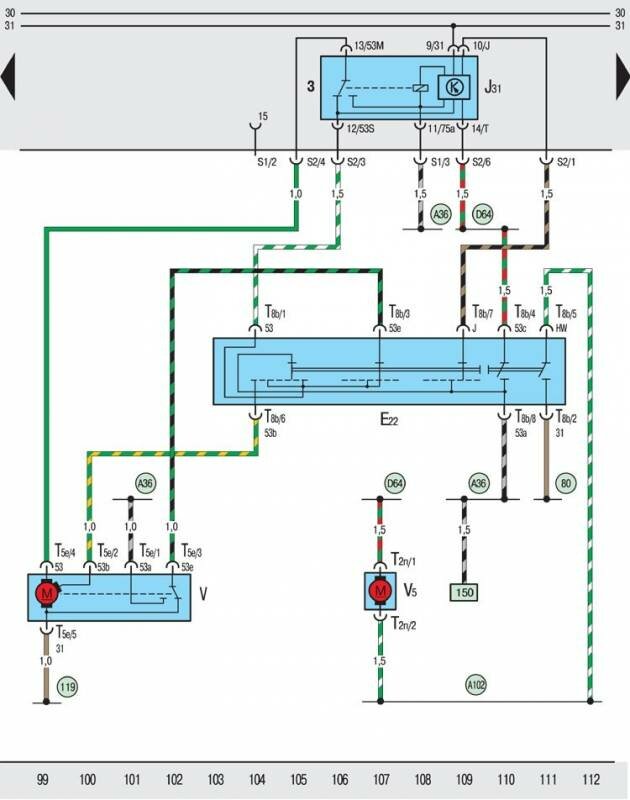
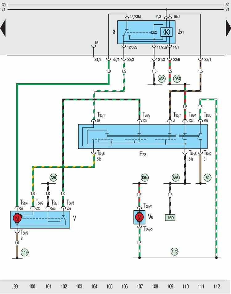
E22 – выключатель стеклоочистителей ветрового стекла;
J31 – выключатель двойного хода щеток стеклоочистителей;
T2n – двухконтактный штекерный разъем, на насосе стеклоочистителей переднего стекла;
T5e – пятиконтактный штекерный разъем, на электродвигателе стеклоочистителей;
T8b – восьмиконтактный штекерный разъем, на выключателе стеклоочистителей;
V – электродвигатель стеклоочистителей ветрового стекла;
V5 – насос стеклоочистителей переднего стекла;
80 – соединение на "массу" в жгуте проводов позади панели приборов;
119 – соединение на "массу" в жгуте проводов впереди слева;
A36 – соединение (53a) в жгуте проводов позади панели приборов слева;
A102 – соединение (стеклоочиститель) в жгуте проводов позади панели приборов;
D64 – соединение (53c) в жгуте проводов позади панели приборов
Электросхема Шкода Октавия - выключатель сигнала торможения, освещение багажника

E15 – выключатель для обогрева заднего стекла;
F5 – включатель освещения багажника;
K10 – сигнализатор обогрева заднего стекла;
L39 – лампа накаливания для освещения выключателя обогрева заднего стекла;
T2d – двухконтактный штекерный разъем, на освещении номерного знака (левый);
T2e – двухконтактный штекерный разъем, на освещении номерного знака (правый);
T2f – двухконтактный штекерный разъем, на фонаре освещения багажника;
T4c – четырехконтактный штекерный разъем, на включателе освещения багажника;
T5a – пятиконтактный штекерный разъем, на стойке С слева (розовый);
T5b – пятиконтактный штекерный разъем, в крышке багажника слева (коричневый);
T5c – пятиконтактный штекерный разъем, в крышке багажника слева (черный);
T5d – пятиконтактный штекерный разъем, на стойке С слева (черный);
T6h – шестиконтактный штекерный разъем, на выключателе обогрева заднего стекла;
W3 – освещение багажника;
X – освещение номерного знака;
Z1 – обогреваемое заднее стекло;
50 – точка соединения на "массу" в багажнике слева;
80 – соединение на "массу" в жгуте проводов позади панели приборов;
98 – соединение на "массу" в жгуте проводов крышки багажника;
218 – соединение на "массу" в соединительном жгуте проводов крышки багажника;
А4 – соединение с положительным полюсом (58b) в жгуте проводов позади панели приборов;
А23 – соединение с положительным полюсом (30al) в жгуте проводов позади панели приборов слева;
В109 – соединение на "массу" в жгуте проводов позади слева (лишь для автомобилей с системой центрального управления замками двери);
W11 – соединение (58) в жгуте проводов крышки багажника;
Z1 – соединение с положительным полюсом в жгуте проводов позади панели приборов.
Розетка, коробка предохранителей, сигнал торможения Шкода Октавия

F – выключатель сигнала торможения Skoda Octavia ;
L42 – лампа накаливания для освещения штепсельной розеткаи;
L50 – лампа накаливания для освещения пепельницы сзади;
T2b – двухконтактный штекерный разъем, на выключателе сигнала торможения;
T2t – двухконтактный штекерный разъем, на лампе накаливания для освещения пепельницы сзади;
T2u – двухконтактный штекерный разъем, на фонаре освещения вещевого ящика;
T3d – трехконтактный штекерный разъем, на штепсельной розетке;
T5d – пятиконтактный штекерный разъем, на стойке С слева (черный);
U – штепсельная розетка;
U1 – прикуриватель;
W6 – освещение вещевого ящика;
80 – соединение на "массу" в жгуте проводов позади панели приборов;
A4 – соединение с положительным полюсом (58b) в жгуте проводов позади панели приборов;
A18 – соединение (54) в жгуте проводов позади щитка приборов слева;
Панель приборов, процессор, сигнализаторы, коробка предохранителей Skoda Octavia

C – трехфазный генератор переменного тока;
J218 – процессор панели приборов;
K – панель приборов;
K1 – сигнализатор дальнего света фар;
K2 – сигнализатор генератора переменного тока;
K4 – сигнализатор габаритных огней;
K13 – сигнализатор задних противотуманных фар;
K17 – сигнализатор передних противотуманных фар;
K18 – сигнализатор указателей поворота прицепа;
K19 – сигнализатор пристегивания ремней безопасности;
K29 – сигнализатор накаливания (предварительного разогрева);
K60 – сигнализатор ближнего света фар;
K65 – сигнализатор левых фонарей указателя поворота;
K94 – сигнализатор правых фонарей указателя поворота;
T2g – двухконтактный штекерный разъем, в держателе на стартере;
T32a – 32-контактный штекерный разъем, на панели приборов (синий);
T32b – 32-контактный штекерный разъем, на панели приборов (зеленый);
80 – соединение на "массу" в жгуте проводов позади панели приборов;
A2 – соединение с положительным полюсом (15) в жгуте проводов позади панели приборов;
A5 – соединение с положительным полюсом (правый указатель поворота) в жгуте проводов позади панели щитка приборов слева;
A6 – соединение с положительным полюсом (левый указатель поворота) в жгуте проводов позади панели щитка приборов слева;
A17 – соединение (61) в жгуте проводов позади панели приборов;
A47 – соединение (55) в жгуте проводов позади панели приборов;
A84 – соединение (58L) в жгуте проводов позади панели приборов слева;
A85 – соединение (58R) в жгуте проводов позади панели приборов слева;
B9 – соединение (56aR) в жгуте проводов позади панели приборов слева;
U2 – соединение с положительным полюсом (15) в жгуте проводов позади панели приборов (лишь для автомобилей с АКПП);
U4 – соединение с положительным полюсом (30) в жгуте проводов позади панели приборов (лишь для автомобилей с АКПП)
Сигнал уровня тормозной жидкости автомобиля

F9 – выключатель для сигнализатора включения стояночной тормозной системы;
F34 – контакт предупредительного сигнала при аварийном падении уровня тормозной жидкости;
G32 – датчик уровня охлаждающей жидкости;
J152 – звуковая сигнализация включения фар;
J218 – процессор панели приборов;
K – панель приборов Skoda Octavia ;
K14/ 33 – сигнализатор включения стояночной тормозной системы/ уровня тормозной жидкости;
K28 – сигнализатор температуры и уровня охлаждающей жидкости;
L10 – лампа накаливания для освещения панели приборов;
T2c – двухконтактный штекерный разъем, на выключателе для сигнализатора включения стояночной тормозной системы;
T2h – двухконтактный штекерный разъем, на датчике уровня охлаждающей жидкости;
T2i – двухконтактный штекерный разъем, на контакте предупредительного сигнала при аварийном падении уровня тормозной жидкости;
T32a – 32-контактный штекерный разъем, на панели приборов (синий);
T32b – 32-контактный штекерный разъем, на панели приборов (зеленый);
81 – соединение на "массу" в жгуте проводов позади панели приборов;
110 – соединение на "массу" в жгуте проводов позади панели приборов;
119 – соединение на "массу" в кабельном жгуте впереди слева;
A4 – соединение с положительным полюсом (58b) в жгуте проводов позади панели приборов;
A13 – соединение (дверные выключатеи освещения в кузове) в жгуте проводов позади панели приборов;
A21 – соединение (86s) в жгуте проводов позади панели приборов;
A76 – соединение (диагностический провод K) в жгуте проводов позади панели приборов
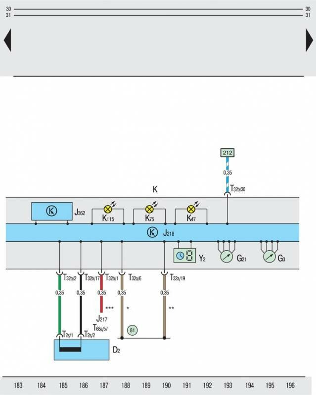
Иммобилизатор, панель приборов, процессор, сигнализаторы, спидометр - электросхема

D2 – обмотка считывания иммобилизатора (на замке-выключателе зажигания и приборов);
G3 – указатель температуры охлаждающей жидкости;
G21 – спидометр Skoda Octavia ;
J217 – блок управления АКПП;
J218 – процессор панели приборов;
J362 – блок управления иммобилизатором;
K – панель приборов;
K47 – сигнализатор противоблокировочного устройства тормозной системы "ABS";
K75 – сигнализатор системы надувных подушек безопасности "Airbag";
K115 – сигнализатор иммобилизатора;
T2s – двухконтактный штекерный разъем, на обмотке считывания иммобилизатора;
T32a – 32-контактный штекерный разъем, на панели приборов (синий);
T32b – 32-контактный штекерный разъем, на панели приборов (зеленый);
T68a – 68-контактный штекерный разъем, на блоке управления АКПП;
Y2 – цифровые часы Skoda Octavia ;
81 – соединение на "массу".
Цвета предохранителей Шкода Октавия

РЕМОНТ АВТОЭЛЕКТРОНИКИ ЗАРЯДНЫЕ УСТРОЙСТВА ДЛЯ АКБ

|