Сборник качественных цветных электросхем, для электрооборудования Citroen C5. В данном разделе показаны схемы таких узлов, как системы запуска и заряда, впрыска и зажигания, вентилятор охлаждения, фары головные и противотуманные и некоторые другие блоки автомобиля Ситроен С5. Просмотр и скачивание доступны всем посетителям нашего сайта. Увеличить схему можно кликнув на неё.
Электросхема системы впрыска и зажигания Citroen C5

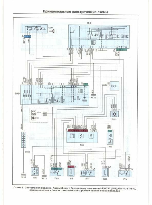
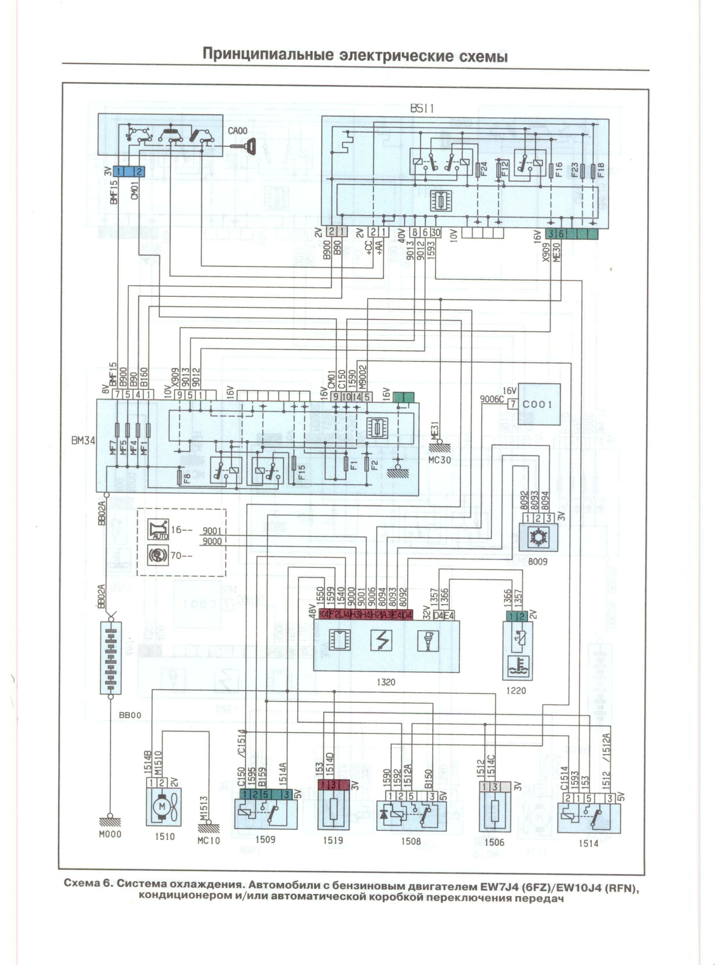
Схема системы охлаждения - бензиновый двигатель

Схема стартера (авто с бензиновым двигателем и АКК)

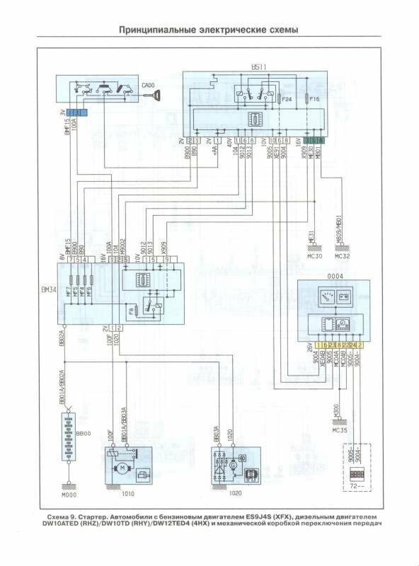
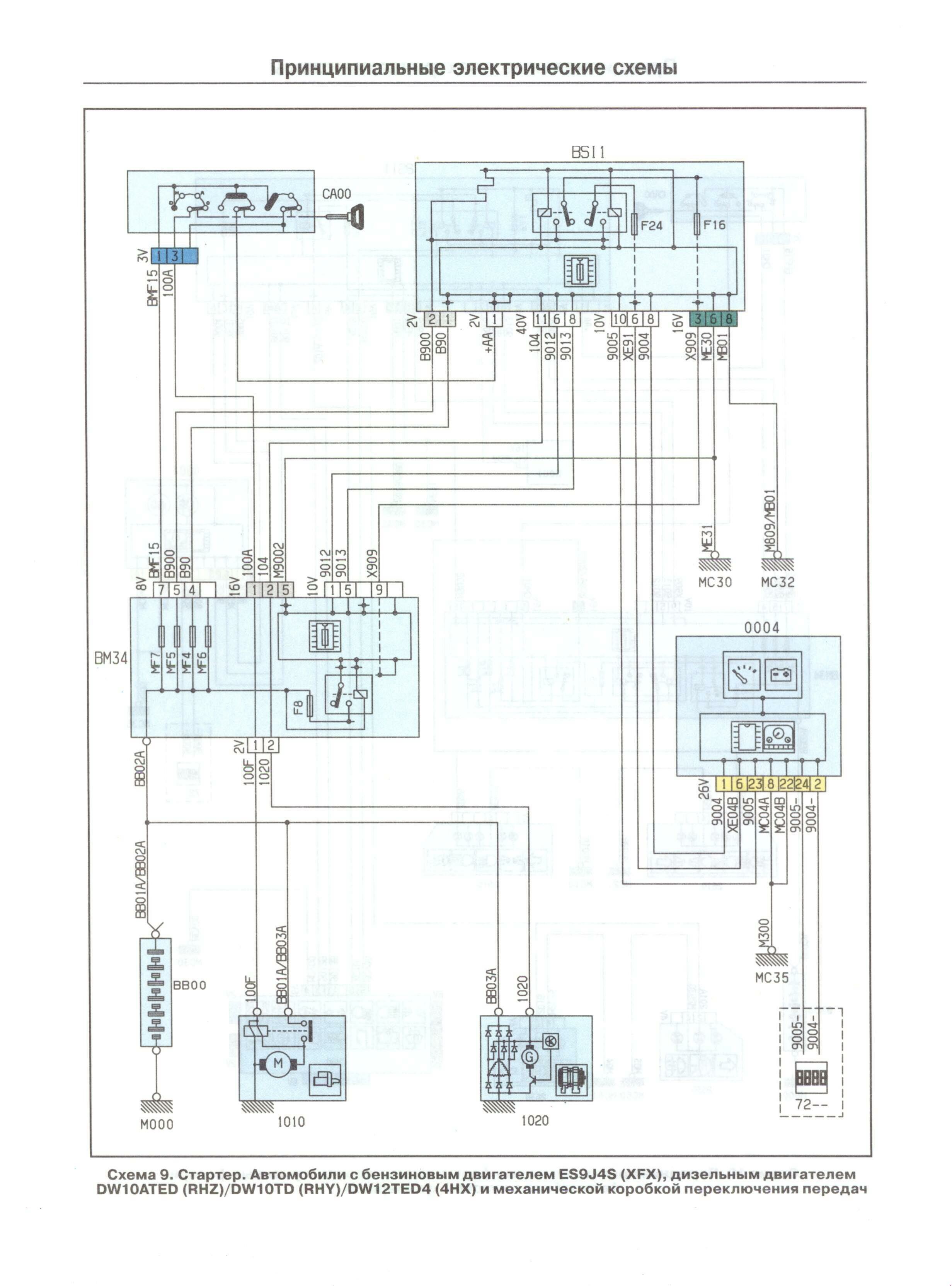
Схема стартера (авто с бензиновым двигателем и механической коробкой передач)

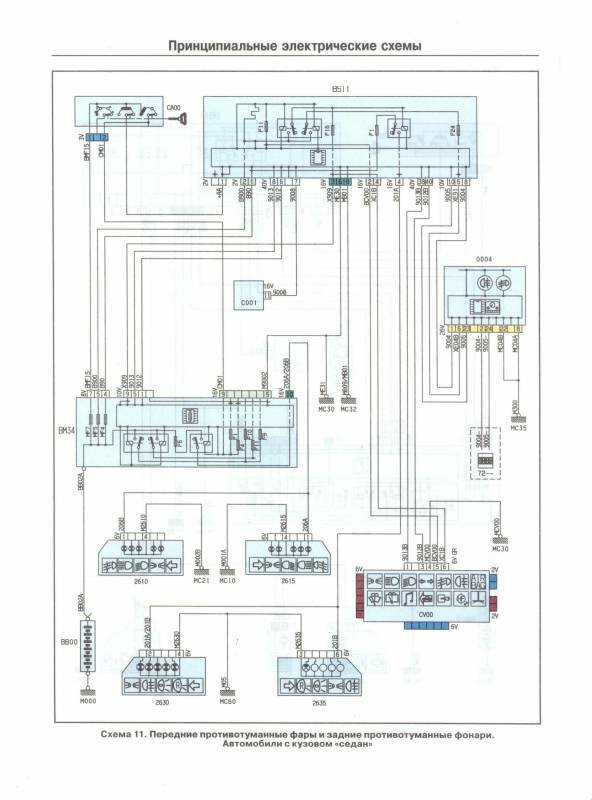
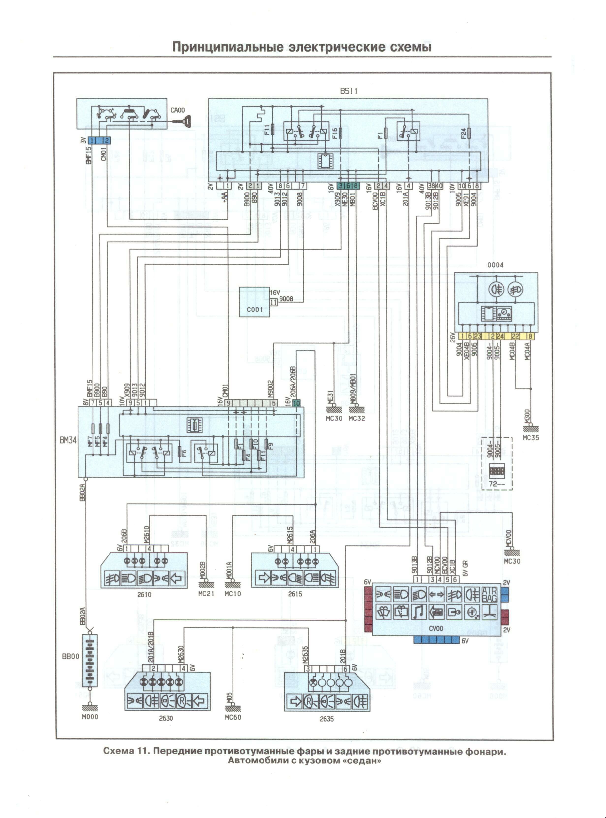
Противотуманные фары автомобиля - седан


Схема стоп сигналов Citroen C5

Фонари заднего хода - электросхема

Аварийная сигнализация Citroen C5

Ближний и дальний свет авто

Очиститель / омыватель стекла и фар


Обозначения на схемах автомобиля Citroen C5


РЕМОНТ АВТОЭЛЕКТРОНИКИ ЗАРЯДНЫЕ УСТРОЙСТВА ДЛЯ АКБ

|