Сборник качественных электросхем, для электрооборудования Citroen Xantia. В данном разделе показаны схемы таких узлов, как системы запуска и заряда, впрыска и зажигания, система преднакала дизельного двигателя, внтилятор охлаждения и некоторые другие блоки авто. Увеличить схему можно кликнув на неё. Окончание альбома схем Citroen Xantia находится тут.
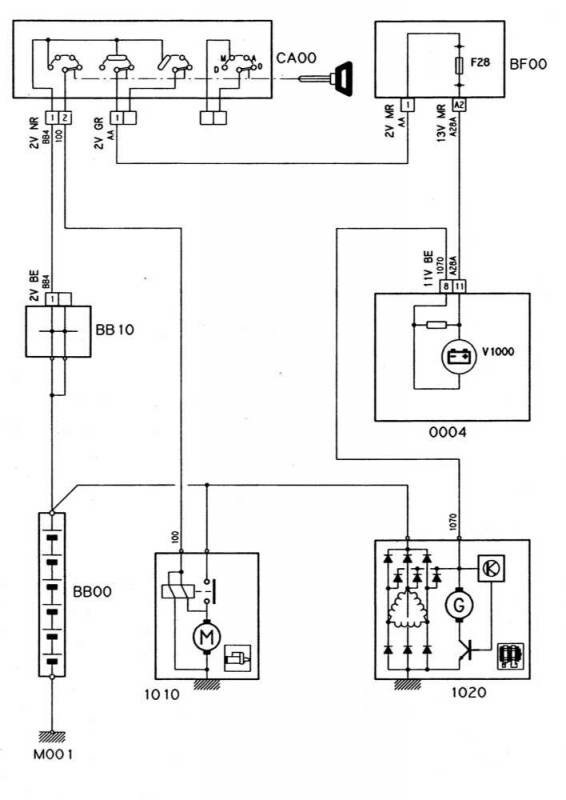
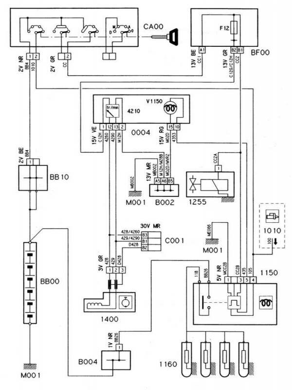
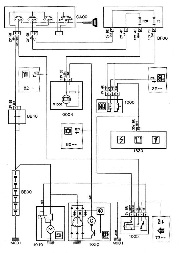
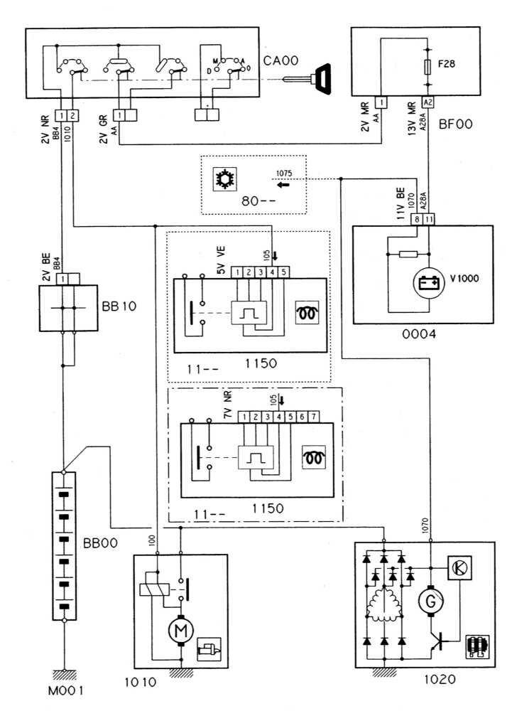
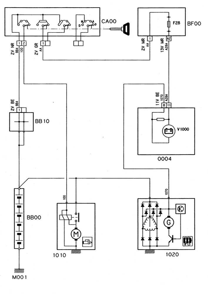
Схема системы запуска и заряда (бензиновые модели с РКПП) Citroen Xantia

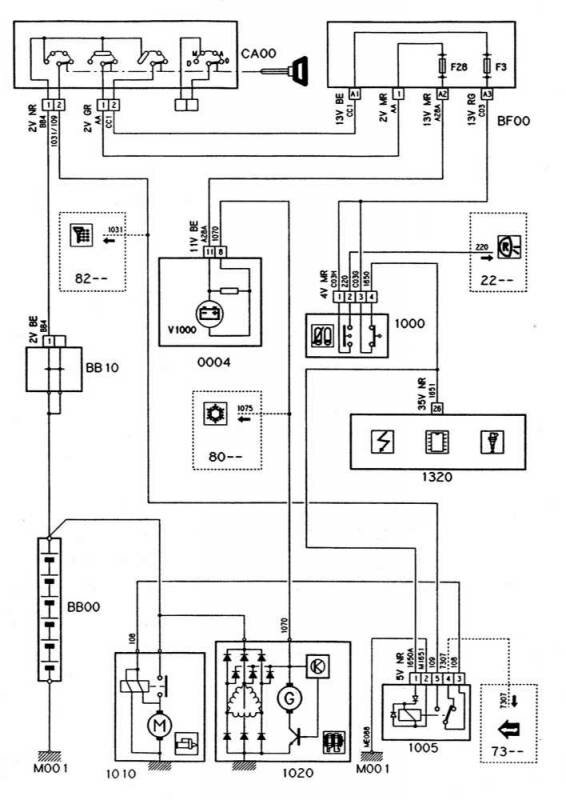
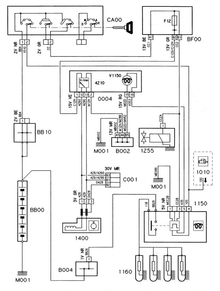
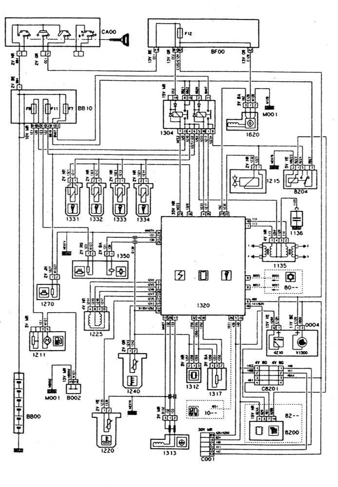
Схема системы запуска и заряда (бензиновые модели с АТ)

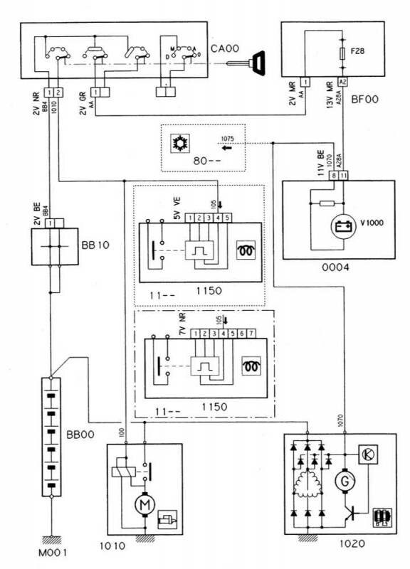
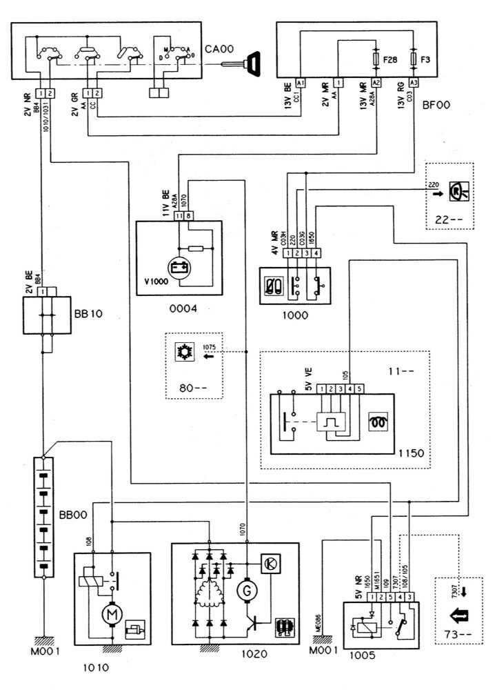
Схема системы запуска и заряда (дизельные модели с РКПП)

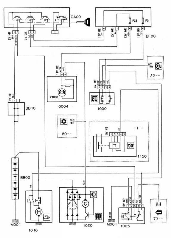
Схема системы запуска и заряда (дизельные модели с АТ) Citroen Xantia

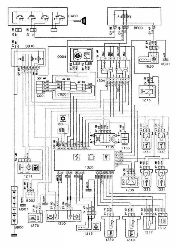
Системы впрыска и зажигания - двигатель XU5/XU7, MAGNETI MARELLI

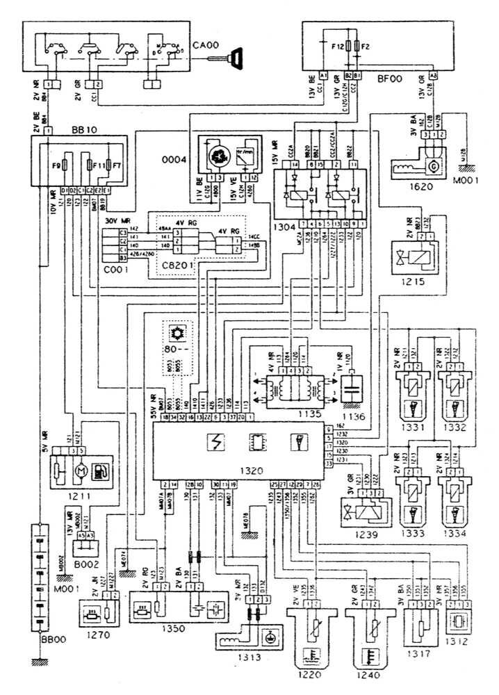
Системы впрыска и зажигания Ситроен Ксантия - двигатель XU7JP/Z, ВOSCH MP 5.1

Система преднакала дизельного двигателя без турбонаддува

...с турбонаддувом

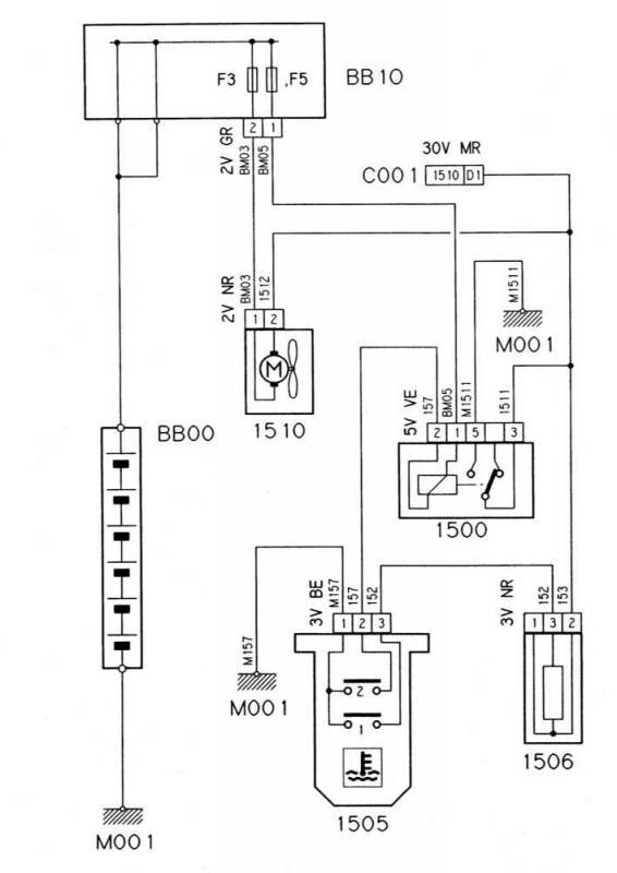
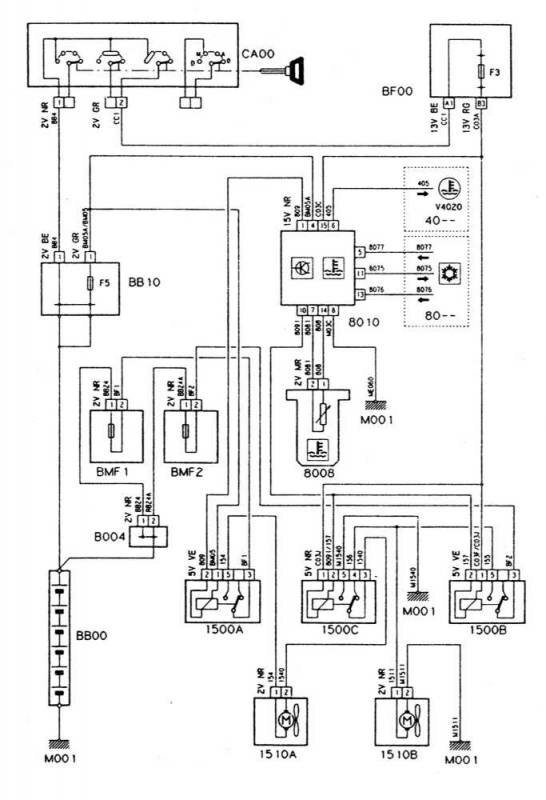
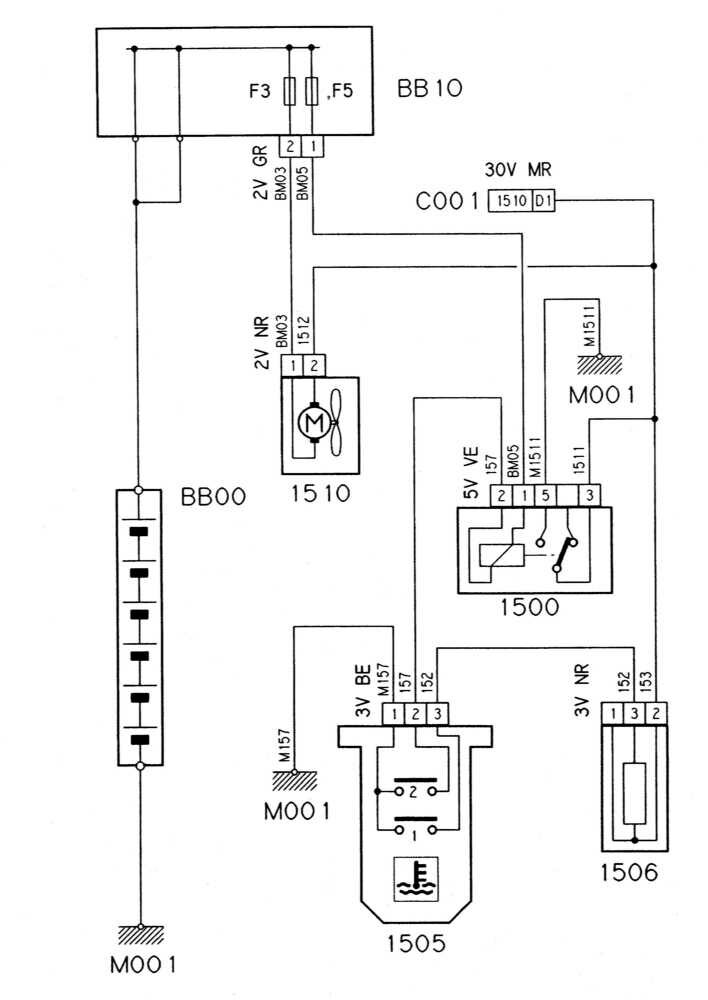
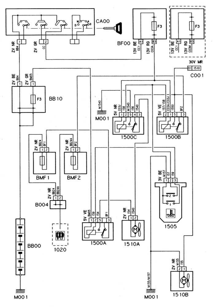
Вентилятор системы охлаждения дизельного двигателя без турбонаддува

...с турбонаддувом

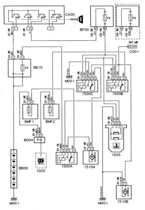
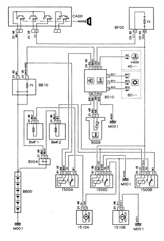
Электросхема системы охлаждения с климатической установкой и автоматической КПП

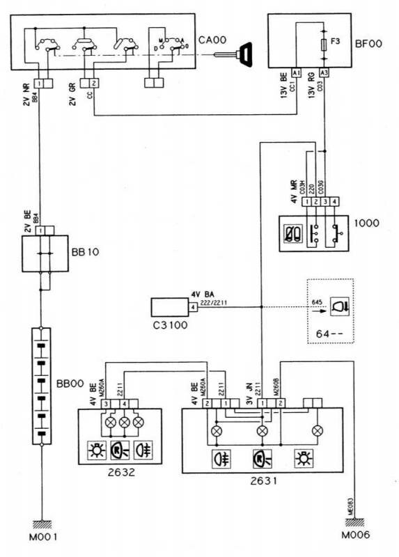
Противотуманные фары и фонари Citroen Xantia

Стоп-сигналы автомобиля Ситроен

Огни заднего хода (модели с РКПП)

Огни заднего хода Citroen Xantia (модели с АТ)

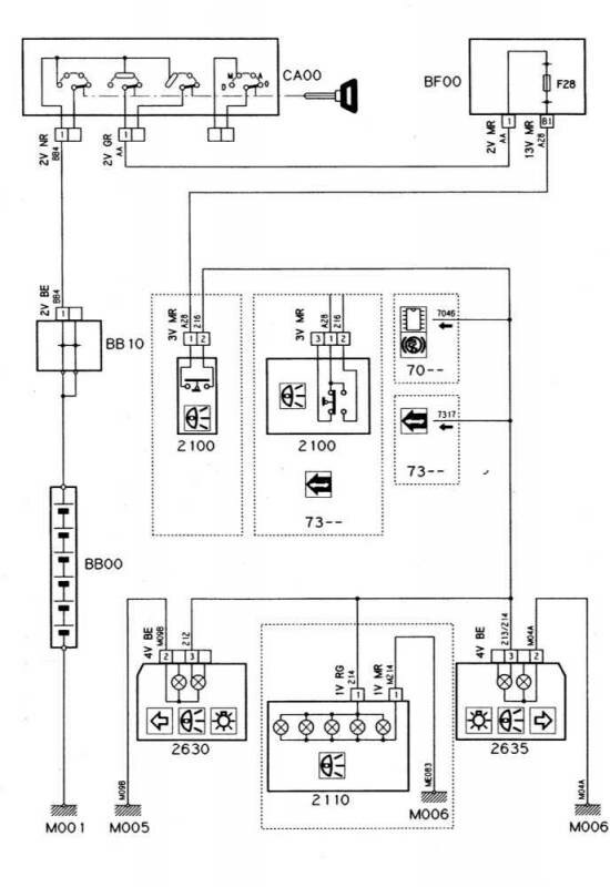
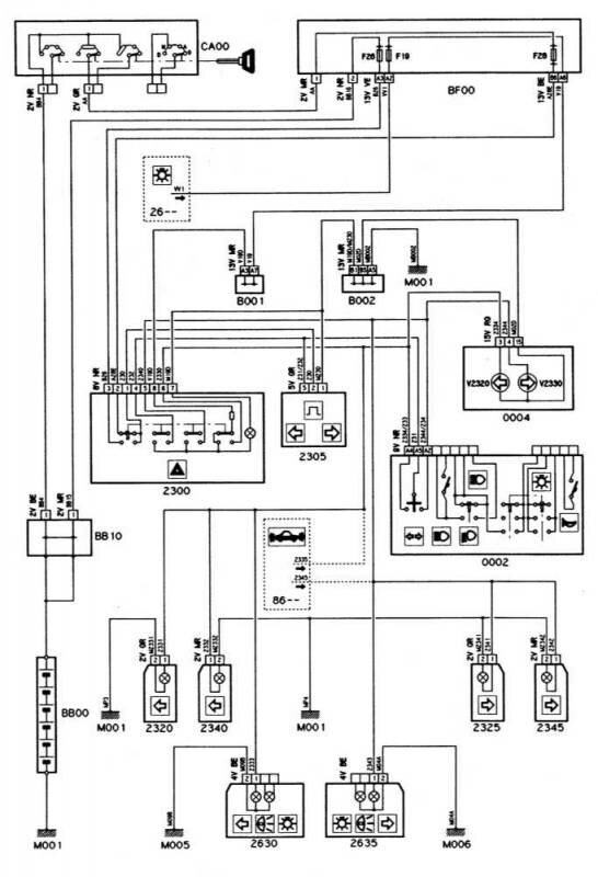
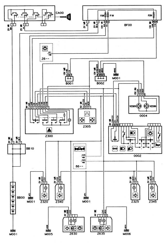
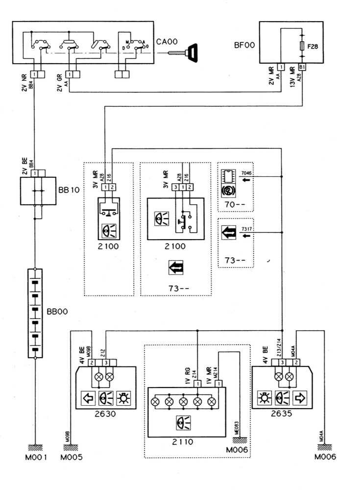
Указатели поворотов и аварийная сигнализация авто - схемы

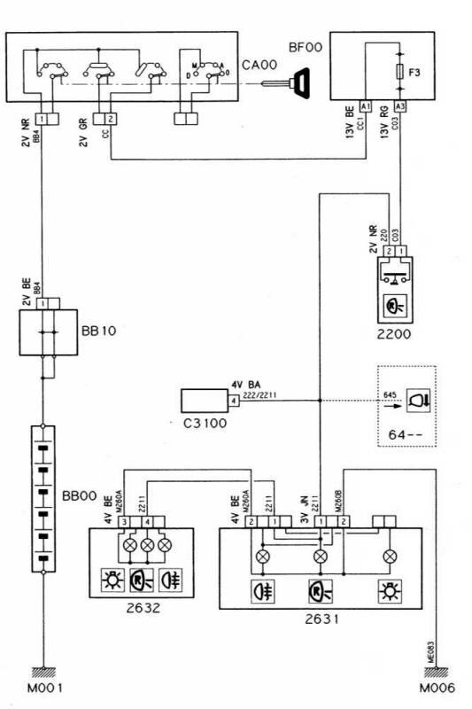
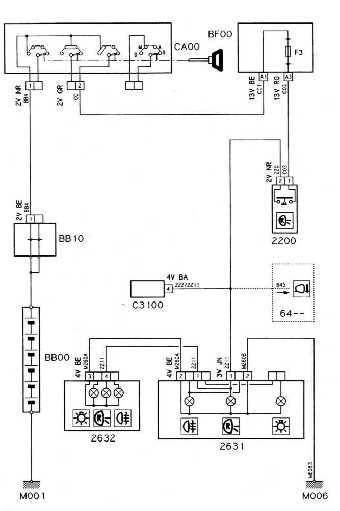
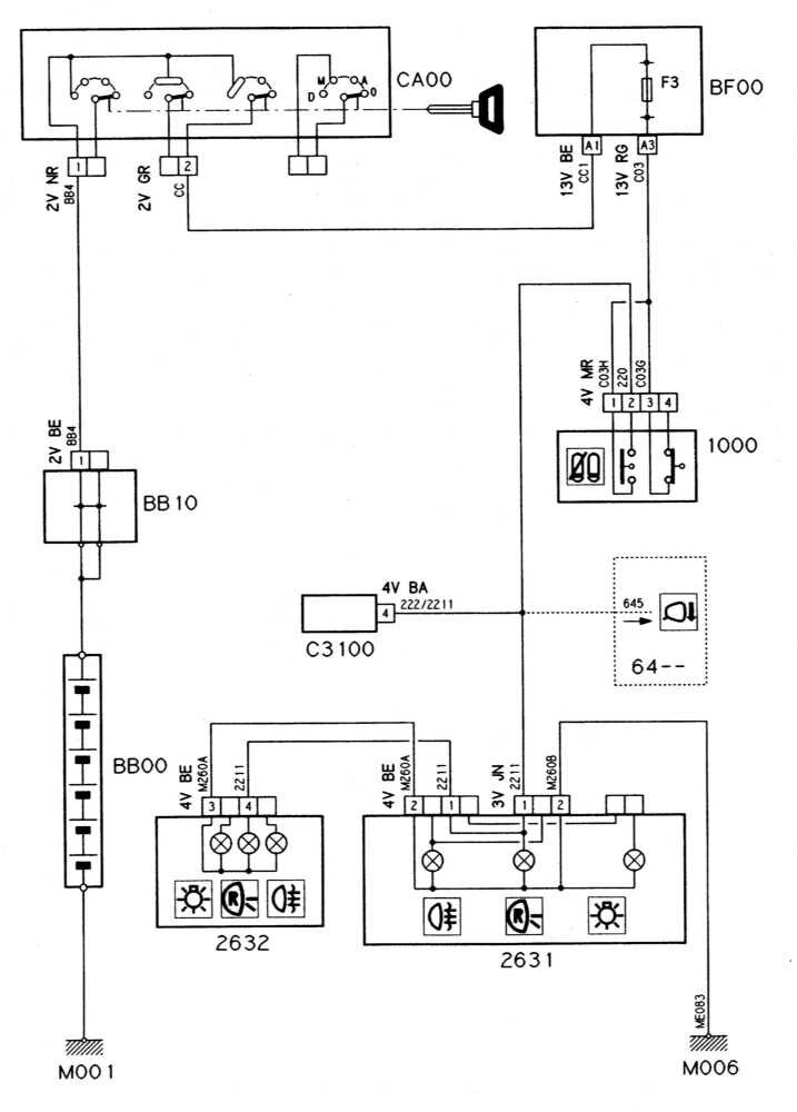
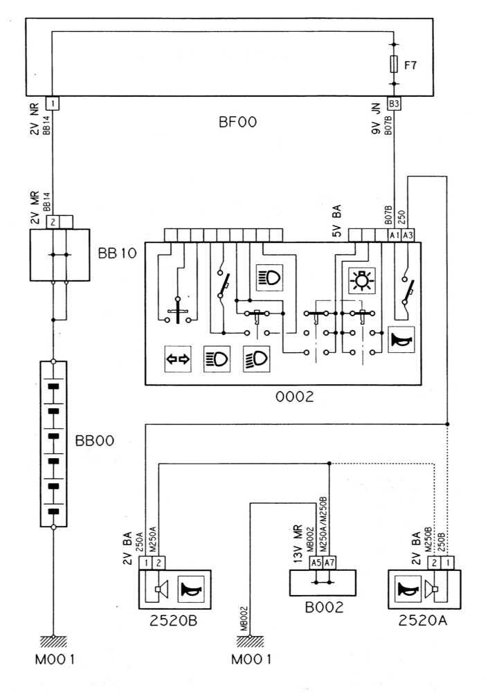
Электросхема клаксона Citroen Xantia

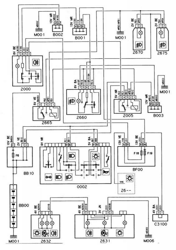
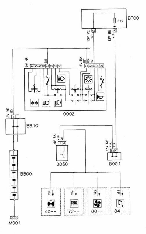
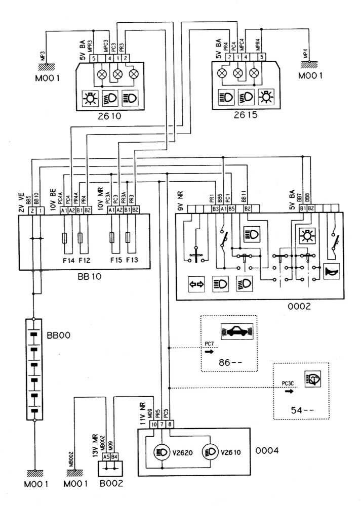
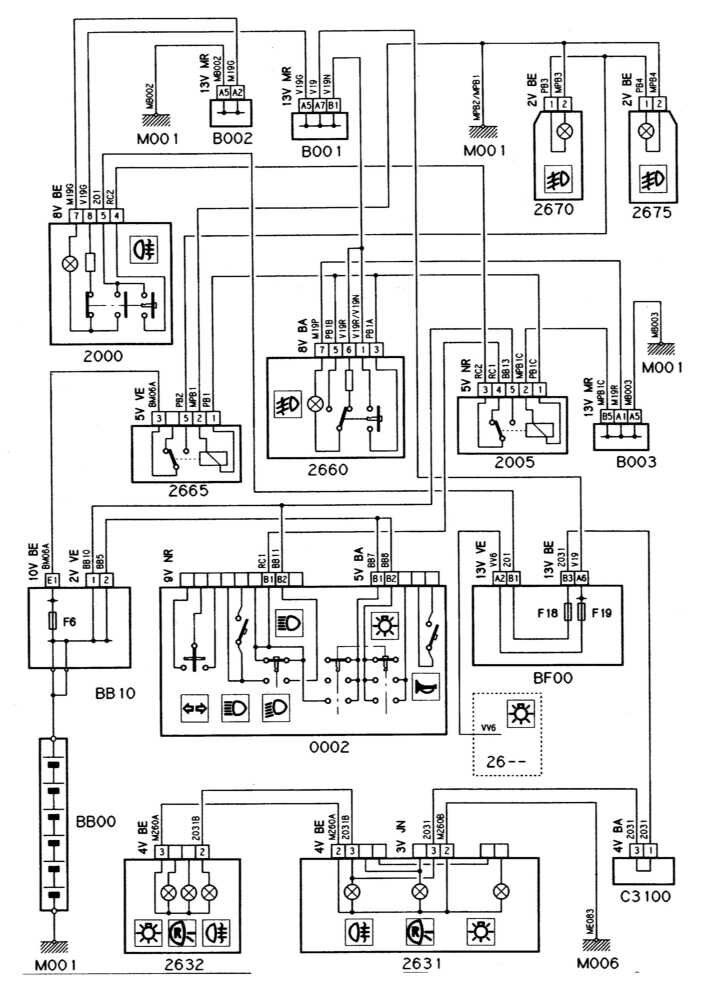
Передние и задние габаритные огни - схема

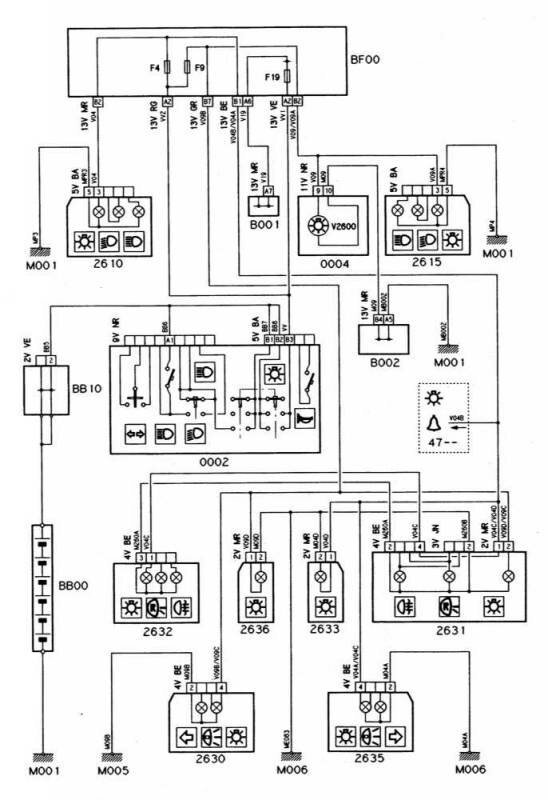
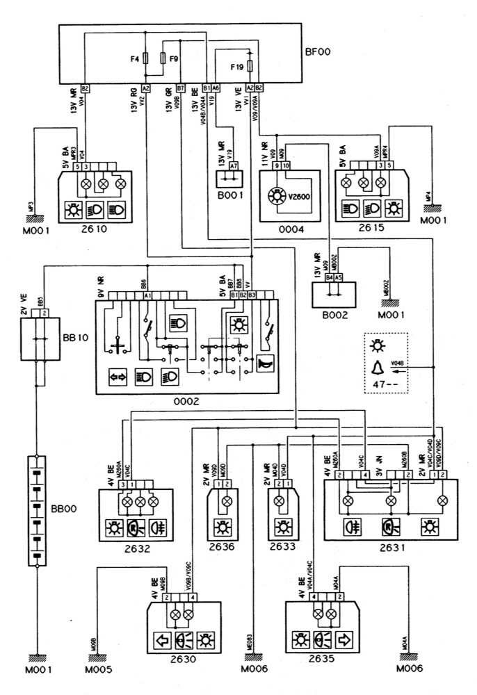
Ближний и дальний свет Citroen Xantia

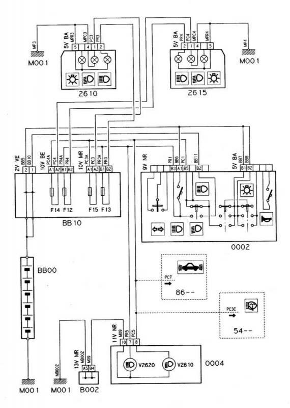
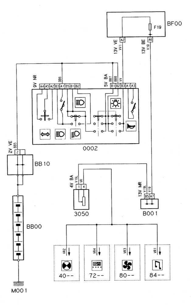
Схема управления интенсивностью подсветки

Обозначение на схемах:
ВВ00
Батарея
ВВ10
Щит подачи электропитания
ВМF1
Монтажный блок предохранителей
ВМF2
Монтажный блок предохранителей
ВF00
Монтажный блок предохранителей
В001
"+” клеммы передних и задних габаритных огней
В002
Масса
В003
Масса
В004
"+” батареи
СА00
Выключатель противоугонной системы
С001
Диагностический разъем
С002
Соединение проводов
С200
Розетка для прицепа
С1030
Диагностический разъем, информация о работе двигателя
С1100
Диагностический разъем для зажигания
С1105
Разъем для подавления помех системы зажигания
С1110
Регулировочный разъем системы зажигания для холостого хода
С1200
Диагностический разъем для системы впрыска
С1250
Регулировочный разъем для системы подмешивания газов
С1260
Держатель предохранителя топливного насоса
С1265
Держатель предохранителя подогрева карбюратора или корпуса дроссельной заслонки
С1270
Диагностический разъем для системы зажигания/системы впрыска
С1310
Держатель предохранителя системы зажигания/впрыска
С1360
Предохранитель подогрева лямбда-зонда
С1400
Разъем, датчик ВМТ
С1500
Диагностический разъем токового модуля
С2600
Держатель предохранителя противотуманного освещения
С3100
Разъем подключения батареи осветительных приборов прицепа
С7000
Диагностический разъем ABS
С7100
Диагностический разъем рулевого управления с усилителем
С8000
Диагностический разъем для системы отопления
С8201
Разъем кодирования противоугонной системы
С8400
Разъем ”+” радиоприемника
С8600
Диагностический разъем системы сигнализации
СА00
Выключатель зажигания
PSF0
Соединительная панель блока предохранителей
V1000
Контрольная лампа заряда
V1100
Контрольная лампа зажигания
V1150
Контрольная лампа системы преднакала
V1200
Контрольная лампа для проверки зажигания
V1203
Лампа, отключение насоса
V1300
Контрольная лампа систем впрыска топлива/зажигания
V2320
Контрольная лампа указателей левого поворота
V2330
Контрольная лампа указателя правого поворота
V2600
Контрольная лампа стояночного света
V2610
Контрольная лампа ближнего света
V2620
Контрольная лампа дальнего света
V4
Контрольная лампа торможения
V4010
Контрольная лампа низкого уровня охлаждающей жидкости
V4020
Контрольная лампа температуры охлаждающей жидкости двигателя
V4040
Контрольная лампа уровня жидкости омывания стекол
V4050
Контрольная лампа попадания воды в масло
V4110
Контрольная лампа давления двигательного масла
V4120
Контрольная лампа уровня двигательного масла
V4130
Контрольная лампа температуры двигательного масла
V4200
Контрольная лампа пускового устройства
V4300
Контрольная лампа резерва топлива
V4400
Контрольная лампа стояночного тормоза
V4410
Контрольная лампа тормозной системы
М4420
Контрольная лампа затянутого стояночного тормоза и уровня тормозной жидкости
V4430
Контрольная лампа износа тормозных колодок
V4440
Контрольная лампа исправности ламп накаливания
V4600
Контрольная лампа положения рычага КПП
V4610
Контрольная лампа температуры масла КПП
V4700
Контрольная лампа открытой двери
V4730
Контрольная лампа ремней безопасности
V4800
Контрольная лампа температуры каталитического преобразователя
V6640
Контрольная лампа уровня жидкости гидрокорректора дорожного просвета
V7000
Контрольная лампа ABS
V7700
Контрольная лампа системы самодиагностики подвески
0002
Выключатель освещения и сигнала
0004
Панель приборов
0005
Переключатель стеклоочистителя
1000
Датчик-выключатель разрешения запуска/отключения цепи стартера (АТ)
1005
Предохранительное реле стартера
1010
Электромотор стартера
1020
Генератор
1030
Реле режима работы двигателя
1086
Реле отключения системы сигнализации
1100
Распределитель зажигания
1102
Регулировочный модуль
1104
Электромагнитный корректор зажигания
1105
Модуль зажигания
1110
Распределитель зажигания
1115
Датчик положения поршней (CYP)
1120
Датчик детонации
1125
Датчик-выключатель педали газа
1127
Реле питания системы зажигания
1130
Блок управления зажигания
1135
Катушка зажигания
1136
Шумоподавитель катушки зажигания
1150
Блок управления системы преднакала
1156
Реле последующего нагрева
1157
Термочувствительный датчик-выключатель последующего нагрева
1160
Свечи накаливания
1190
Подогрев контура охлаждающей жидкости
1200
Реле топливного насоса
1201
Реле ТНВД
1202
Реле спидометра
1205
Предохранитель топливного насоса
1208
ТНВД дизельного двигателя (корректор опережения, запорный электромагнитный клапан)
1209
Продувочный насос
1210
Топливный насос
1211
Топливный насос/датчик уровня топлива
1215
Электромагнитный клапан продувки угольного адсорбера
1216
Сопротивление адсорбера
1217
Запорный электромагнитный клапан угольного адсорбера
1220
Датчик температуры охлаждающей жидкости двигателя
1225
Шаговый мотор стабилизации оборотов холостого хода
1226
Регулирующий двигатель холостого хода и выключатель режима холостого хода
1229
Регулирующий выключатель турбонаддува с изменяемым сопротивлением
1230
Управление подачей дополнительного воздуха
1231
Переключатель регулировки режима холостого хода АТ
1232
Электромагнитный выключатель стабилизации холостого хода
1233
Регулирующий переключатель давления турбонаддува
1234
Регулировочный клапан карбюратора, демпфер дроссельной заслонки
1235
Регулирующий клапан карбюратора, вентиляция
1236
Запорный клапан режима холостого хода
1238
Электромагнитный клапан АСАV
1239
Исполнительное устройство режима холостого хода
1240
Датчик температуры всасываемого воздуха (IAT)
1244
Электромагнитный выключатель системы EGR (рециркуляции выхлопных газов)
1245
Переключатель коррекции высоты
1246
Реле системы EGR
1247
Термовыключатель охлаждающей жидкости системы EGR
1248
Сопротивление системы EGR
1249
Потенциометр для ускорительного рычага
1250
Регулировочный блок системы EGR
1251
Вакуумный насос системы EGR
1252
Реле корректора опережения моментов впрыска дизельного двигателя
1254
Переключатель на ускорительном рычаге, система EGR
1255
Запорный электромагнитный клапан прекращения подачи топлива
1256
Установочный электромагнитный выключатель, дизель
1257
Электромагнитный переключатель потока, дизель
1261
Датчик потенциометра на педали
1265
Термовыключатель предварительного подогрева карбюратора
1266
Реле предварительного подогрева карбюратора
1269
Реле сопротивлений предварительного подогрева карбюратора
1270
Нагревательный элемент подогрева карбюратора/корпуса дросселя
1271
Запорный электромагнитный выключатель
1273
Подогреватель масляных испарений
1280
Электромагнитный клапан длинного АСАV
1281
Электромагнитный клапан короткого АСАV
1301
Информационное реле АТ
1302
Реле впрыска/потока
1303
Реле впрыска/зажигания
1304
Сдвоенное многофункциональное реле системы впрыска топлива
1305
Потенциометр смеси
1309
Термистор воздуха турбонагнетателя
1310
Датчик потока воздуха
1311
Датчик давления турбонаддува
1312
Датчик давления во впускном трубопроводе
1313
Датчик оборотов двигателя
1314
Датчик атмосферного давления
1315
Сопротивление системы впрыска
1316
Потенциометр дроссельной заслонки
1317
Потенциометр положения дроссельной заслонки
1318
Переключатель на дроссельной заслонке
1320
ECU системы управления двигателем
1325
Блок управления системы впрыска топлива
1326
Предохранитель системы впрыска
1327
Датчик положения кулачка (дизель)
1328
Датчик положения ротора (дизель)
1330
Форсунка
1331
Инжектор впрыска топлива первого цилиндра
1332
Инжектор впрыска топлива второго цилиндра
1333
Инжектор впрыска топлива третьего цилиндра
1334
Инжектор впрыска топлива четвертого цилиндра
1345
Реле подогрева лямбда-зонда
1350
Передний (или единственный)кислородный датчик
1400
Датчик ВМТ
1500
Реле вентилятора
1501
Предохранитель вентилятора
1505
Термочувствительный датчик-выключатель сцепления вентилятора системы охлаждения
1506
Резистор двухскоростного вентилятора системы охлаждения
1510
Вентилятор системы охлаждения
1600
Переключатель положений селектора АТ
1620
Датчик скорости (VSS)
РЕМОНТ АВТОЭЛЕКТРОНИКИ ЗАРЯДНЫЕ УСТРОЙСТВА ДЛЯ АКБ

|