Бесплатный сборник качественных русскоязычных электросхем автомобиля Тойота Хайлендер. Противотуманные и наружные фары, подсветка, кондиционирование, зажигание и заряд, распределение питания и устройство электропривода дверных замков. В других разделах сборника схем автомобилей Тойота указан пример обозначения элементов на схемах Toyota Highlander и их расшифровка. Увеличить схему можно кликнув по ней и развернув на весь экран с помощью значка сверху.
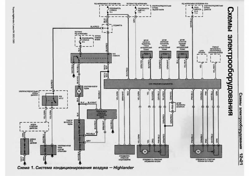
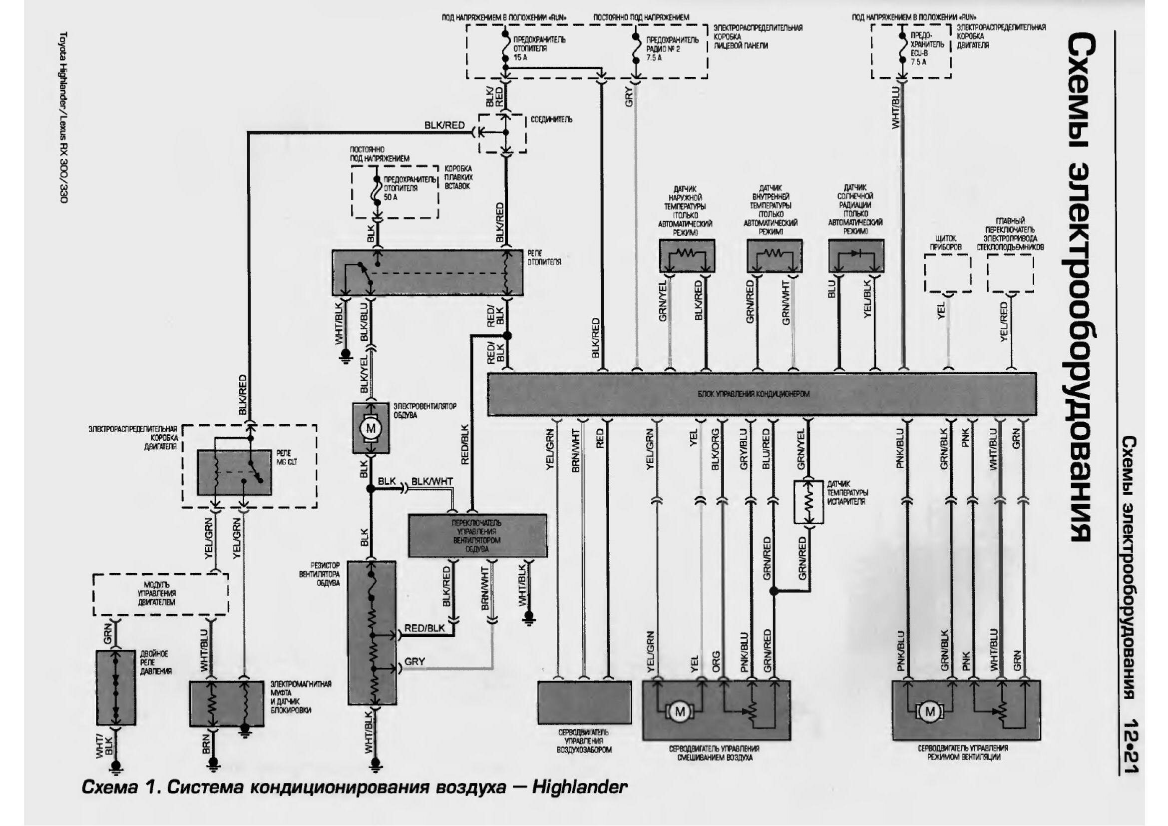
Схема системы кондиционирования воздуха Toyota Highlander

Система круиз-контроля авто

Устройство электропривода дверных замков хайлендер

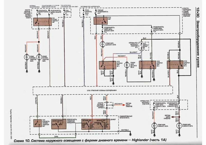
Наружное освещение с фарами дневного света

Наружное освещение без фар дневного света

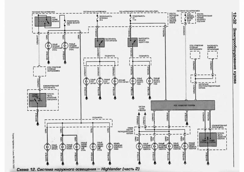
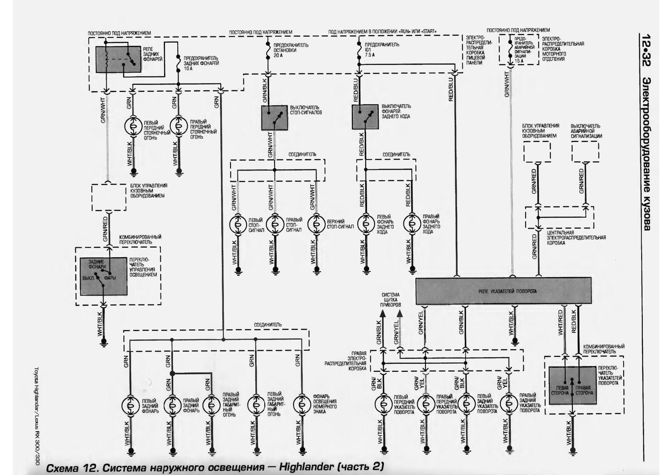
Система наружного освещения - подключение

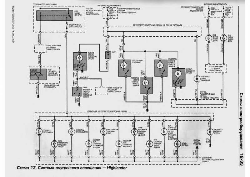
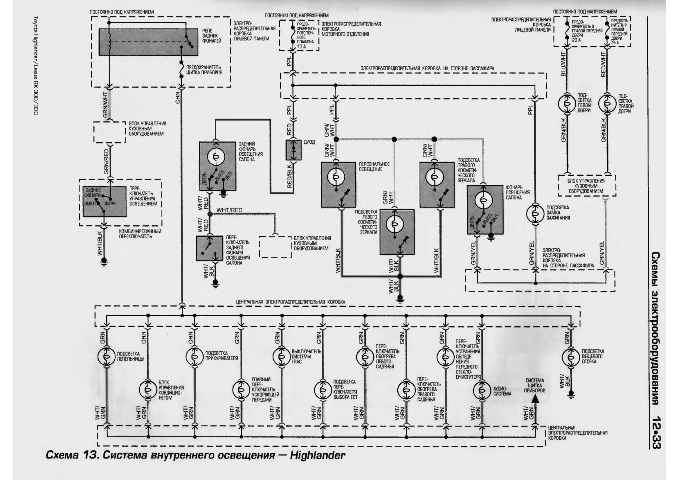
Система внутреннего освещения салона - подключение

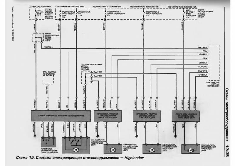
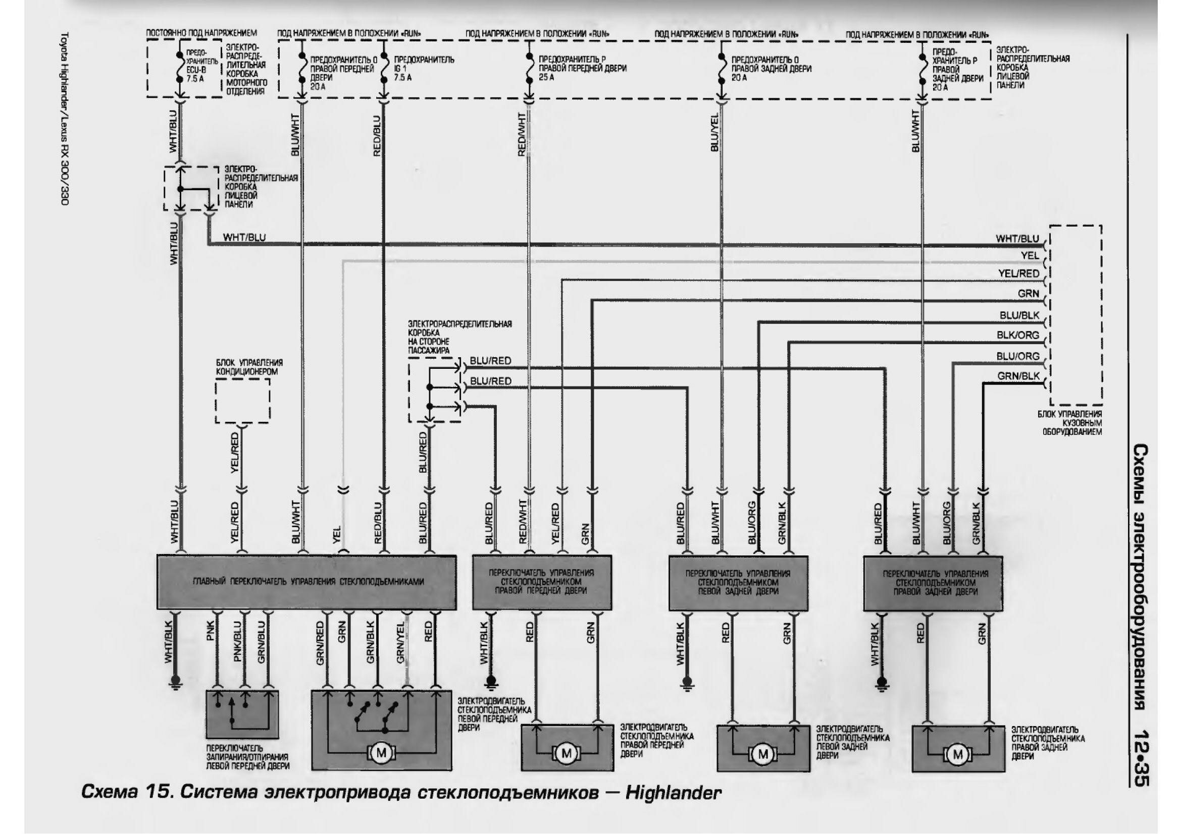
Электросхема стеклоподъёмников Тойота Хайлендер

Базовая аудиосистема и её подключение

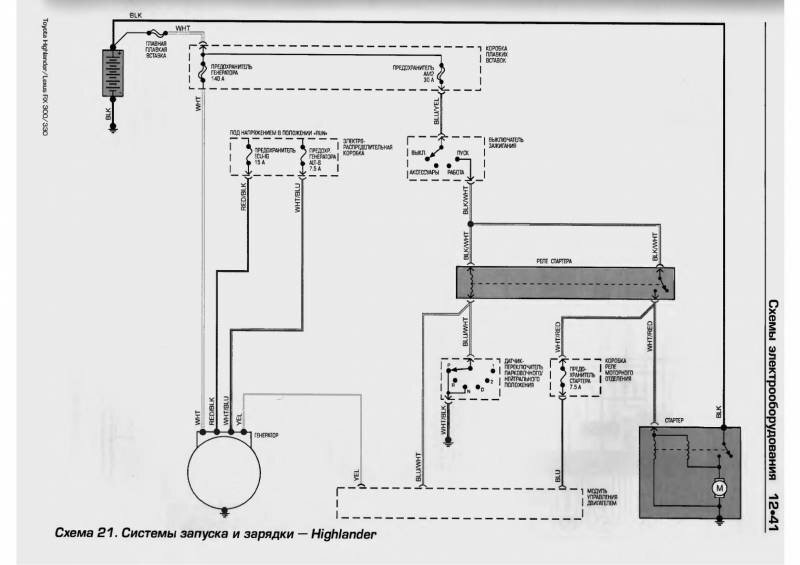
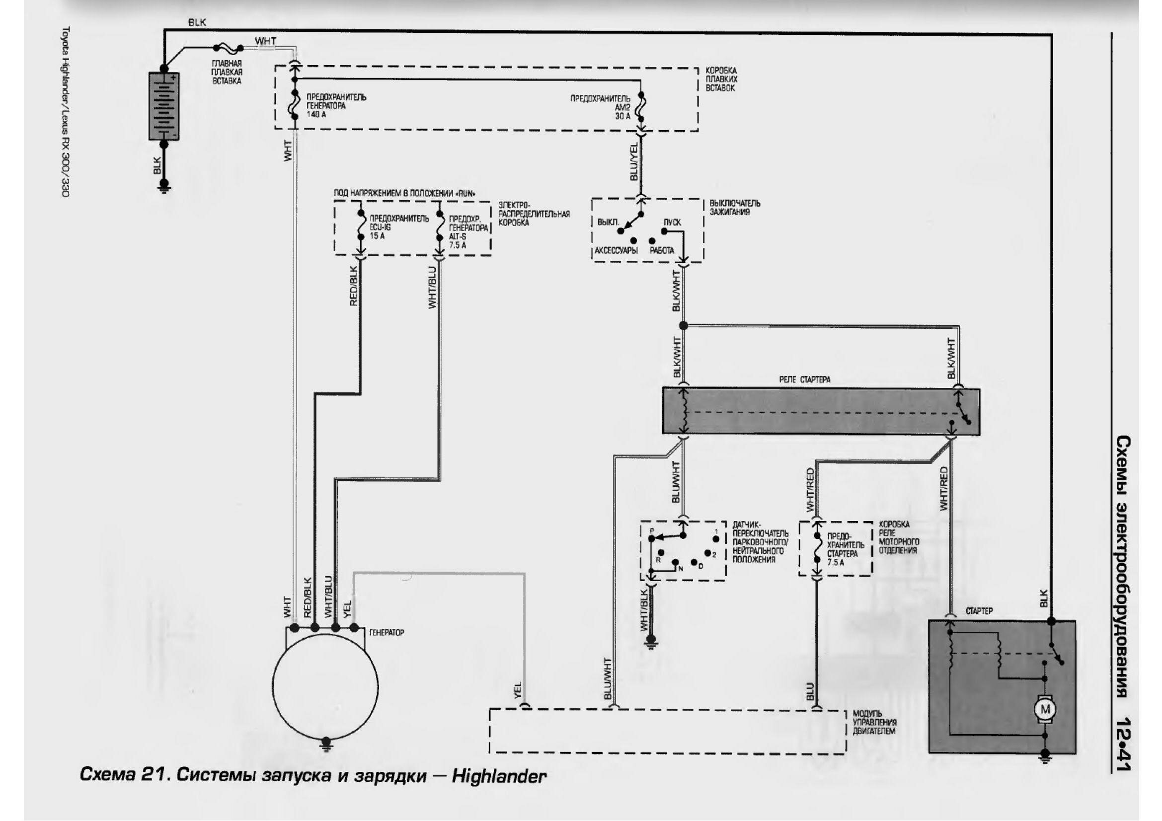
Система пуска и зарядки АКБ 12В

Подключение контрольных ламп и указателя приборов авто

Схема стеклоочичтителей Toyota Highlander


РЕМОНТ АВТОЭЛЕКТРОНИКИ ЗАРЯДНЫЕ УСТРОЙСТВА ДЛЯ АКБ

|