Ещё одна современная модификация отечественной НИВЫ - ВАЗ-21214. Цветная качественная электросхема содержит проводку с обозначением всех узлов и элементов - фар, вентиляторов, выключателей и различных датчиков. Отдельно приводится блок предохранителей и реле авто, с подробным пояснением предназначения каждой плавкой вставки. Все схемы взяты из открытых источников и предоставляются для вашего просмотра совершенно бесплатно. По клику на картинку ниже откроется схема электрооборудования ВАЗ-21214 (НИВА) в большом разрешении.
Электрооборудование автомобиля ВАЗ 21214

Обозначения на схеме
1. Левый передний фонарь. 2. Фары. 3. Датчик температуры охлаждающей жидкости. 4. Звуковой сигнал. 5. Датчик положения дроссельной заслонки. 6. Датчик массового расхода воздуха. 7. Электромагнитный клапан продувки адсорбера. 8. Форсунки. 9. Правый передний фонарь. 10. Боковые указатели поворота. 11. Аккумуляторная батарея. 12. Электродвигатель отопителя. 13. Дополнительный резистор электродвигателя отопителя. 14. Выключатель контрольной лампы блокировки дифференциала.15. Реле очистителя ветрового стекла. 16. Стартер 21214. 17. Электродвигатель очистителя ветрового стекла.18. Генератор ВАЗ-21214. 19. Электродвигатель смывателя ветрового стекла.20. Модуль зажигания. 21. Свечи зажигания.22. Контроллер. 23. Регулятор холостого хода. 24. Индикатор состояния АПС. 25. Датчик указателя температуры.26. Датчик контрольной лампы давления масла. 27. Штепсельная розетка для переносной лампы(*). 28. Выключатель контрольной лампы уровня тормозной жидкости. 29. Колодка диагностики. 30. Реле включения обогрева заднего стекла. 31. Реле включения дальнего света фар. 32. Реле включения ближнего света фар. 33. Электробензонасос с датчиком уровня топлива. 34. Реле включения стартера. 35. Дополнительный блок предохранителей.36. Основной блок предохранителей. 37. Реле-прерыватель указателей поворота и аварийной сигнализации. 38. Выключатель света заднего хода. 39. Выключатель стоп-сигнала. 40. Прикуриватель ВАЗ-21214. 41. Переключатель наружного освещения.42. Лампы подсветки рычагов управления отопителем. 43. Выключатель заднего противотуманного света. 44. Выключатель обогрева заднего стекла. 45. Переключатель электродвигателя отопителя. 46. Переключатель очистителя и омывателя заднего стекла. 47. Выключатель аварийной сигнализации. 48. Выключатель зажигания. 49. Выключатель освещения приборов. 50. Переключатель очистителя ветрового стекла. 51. Выключатель омывателя ветрового стекла. 52. Выключатель звукового сигнала. 53. Переключатель указателей поворота. 54. Переключатель света фар. 55. Реле электробензонасоса. 56. Датчик скорости автомобиля. 57. Выключатели плафонов, расположенные в стойках дверей. 58. Плафоны освещения салона. 59. Электродвигатель омывателя заднего стекла. 60. Комбинация приборов. 61. Выключатель контрольной лампы стояночного тормоза. 62. Главное реле. 63. Задние фонари. 64. Фонари освещения номерного знака. 65. Электродвигатель очистителя заднего стекла. 66. Элемент обогрева заднего стекла. 67. Датчик положения коленчатого вала. 68. Датчик детонации. 69. Датчик кислорода ваз. 70. Реле электровентиляторов. 71. Электровентиляторы. 72. Блок предохранителей системы впрыска. 73. К плафону освещения салона. 74. К выключателю плафона освещения в двери водителя. 75. Блок управления АПС.
Второй вариант схемы 21214

Электрическая схема ВАЗ-21214М 2011 года
СХЕМА ЭЛЕКТРИЧЕСКИХ СОЕДИНЕНИЙ ЖГУТА ПРОВОДОВ ПЕРЕДНЕГО 21214-3724010-44

- 1 – фара правая;
- 2 – реле стартера;
- 3 – колодка жгута переднего к колодке жгута панели приборов;
- 4 – датчик температуры воздуха;
- 5 – датчик температуры охлаждающей жидкости;
- 6 – датчик контрольной лампы давления масла;
- 7 – сигнал звуковой ваз-21214;
- 8 – датчик уровня тормозной жидкости;
- 9 – фара левая;
- 10 – колодки жгута переднего, жгута подфарника и бокового указателя поворота
- правого;
- 11 – колодки жгута переднего и электродвигателя стеклоочистителя;
- 12 – электродвигатель стеклоочистителя;
- 13 – колодки жгута переднего и провода соединительного стартера;
- 14 – стартер;
- 15 – батарея аккумуляторная;
- 16 – генератор;
- 17 – колодка жгута переднего и провода соединительного генератора;
- 18 – боковой указатель поворота правый;
- 19 – подфарник правый;
- 20 – электродвигатель омывателей;
- 21 – колодки жгута переднего, жгута подфарника и бокового указателя поворота
- левого;
- 22 – подфарник левый;
- 23 – боковой указатель поворота левый.
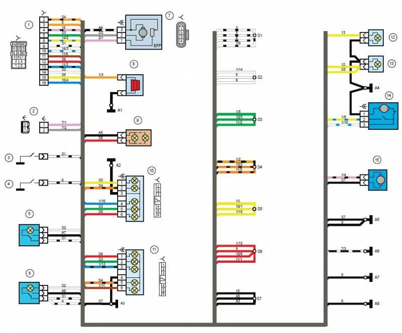
СХЕМА СОЕДИНЕНИЙ ЖГУТА ПРОВОДОВ СИСТЕМЫ ЗАЖИГАНИЯ 21214-3724026-44

- 1 – контроллер;
- 2 – колодка диагностики;
- 3 – датчик массового расхода воздуха;
- 4 – датчик температуры охлаждающей жидкости;
- 5 – датчик фаз;
- 6 – модуль электробензонасоса;
- 7– колодка жгута проводов панели приборов к колодке жгута проводов заднего;
- 8 – катушки зажигания;
- 9 – свечи зажигания;
- 10 – педаль акселератора электронная;
- 11 – дроссельный патрубок с электроприводом;
- 12 – электровентилятор системы охлаждения двигателя правый;
- 13 – электровентилятор системы охлаждения двигателя левый;
- 14 – датчик детонации;
- 15 – колодки жгута проводов системы зажигания и жгута проводов форсунок;
- 16 – форсунки ваз-21214;
- 17 – электромагнитный клапан продувки адсорбера;
- 18 – датчик кислорода управляющий;
- 19 – датчик кислорода диагностический;
- 20 – датчик положения коленчатого вала;
- 21 – блок управления АПС;
- 22 – индикатор состояния АПС;
- 23 – блок предохранителей ЭСУД;
- 24 – предохранитель цепи питания электробензонасоса;
- 25 – реле электробензонасоса;
- 26 – реле электровентилятора системы охлаждения двигателя левого;
- 27 – реле электровентилятора системы охлаждения двигателя правого;
- 28 – реле зажигания;
- 29 – колодка жгута проводов системы зажигания к колодке жгута проводов панели
- приборов.
СХЕМА СОЕДИНЕНИЙ ЖГУТА ПРОВОДОВ ПАНЕЛИ ПРИБОРОВ 21214-3724030-44

- 1 – реле дополнительное;
- 2 – реле-прерыватель указателей поворота;
- 3 – реле стеклоочистителя;
- 4 – выключатель зажигания;
- 5 – выключатель аварийной сигнализации;
- 6 – реостат;
- 7 – переключатель света фар и указателей поворота;
- 8 – переключатель очистителя и омывателя ветрового стекла;
- 9 – блок предохранителей основной;
- 10 – блок предохранителей дополнительный;
- 11 – комбинация приборов;
- 12 – выключатель наружного освещения;
- 13 – выключатель очистителя заднего стекла;
- 14 – выключатель обогрева заднего стекла;
- 15 – выключатель заднего противотуманного огня;
- 16 – переключатель электродвигателя отопителя;
- 17 – дополнительный резистор электродвигателя отопителя;
- 18 – электродвигатель отопителя;
- 19 – реле дальнего света фар;
- 20 – реле ближнего света фар;
- 21 – реле обогрева заднего стекла;
- 22 – реле заднего противотуманного огня;
- 23 – прикуриватель ваз-21214;
- 24 – датчик включения дифференциала;
- 25 – выключатель сигнала торможения;
- 26 – выключатель лампы света заднего хода;
- 27 – выключатель контрольной лампы ручного тормоза;
- 28 – осветитель;
- 29 – осветитель;
- 30 – колодка жгута панели приборов к жгуту переднему;
- 31 – колодка жгута панели приборов к радиоаппарату;
- 32 – колодка жгута панели приборов к жгуту системы зажигания;
- 33 – колодка жгута панели приборов к жгуту заднему;
- 34 – контрольная лампа включения дифференциала;
- 35 – контрольная лампа обогрева заднего стекла;
- 36 – выключатель сигнала положения педали сцепления;
- 37 – датчик скорости.
СХЕМА ЖГУТА ПРОВОДОВ ЗАДНЕГО 21214-3724210-44

- 1 – колодка жгута проводов заднего к колодке жгута проводов панели приборов;
- 2 – колодка жгута проводов заднего к колодке жгута проводов системы зажигания;
- 3 – включатель плафона освещения салона в стойке двери водителя;
- 4 – включатель плафона освещения салона в стойке двери пассажира;
- 5 – плафон освещения салона левый;
- 6 – плафон освещения салона правый;
- 7 – электрический бензонасос с датчиком указателя уровня топлива;
- 8 – элемент обогрева заднего стекла;
- 9 – дополнительный сигнал торможения;
- 10 – фонарь правый;
- 11 – фонарь левый ваз-21214;
- 12 – фонарь освещения номерного знака;
- 13 – фонарь освещения номерного знака;
- 14 – электродвигатель очистителя заднего стекла;
- 15 – электродвигатель омывателя заднего стекла.
Блок предохранителей авто

В последнее время выключатель задних противотуманных фар имеет более сложное, чем показано на схеме, устройство. Возможно, используется дополнительное реле. На новые модели ВАЗ-21214 устанавливаются стеклоочистители и омыватели фар. Схема их подключения аналогична ВАЗ-21213.
РЕМОНТ АВТОЭЛЕКТРОНИКИ ЗАРЯДНЫЕ УСТРОЙСТВА ДЛЯ АКБ

|