Продолжение полного каталога электросхем автомобиля БМВ 3. Здесь показана подсветка приборов, освещение салона при открывании дверей, электропривод спинки водительского сиденья и другие узлы авто. Начало смотрите тут, а окончание сборника схем электрооборудования для БМВ 3-й серии на следующей странице.
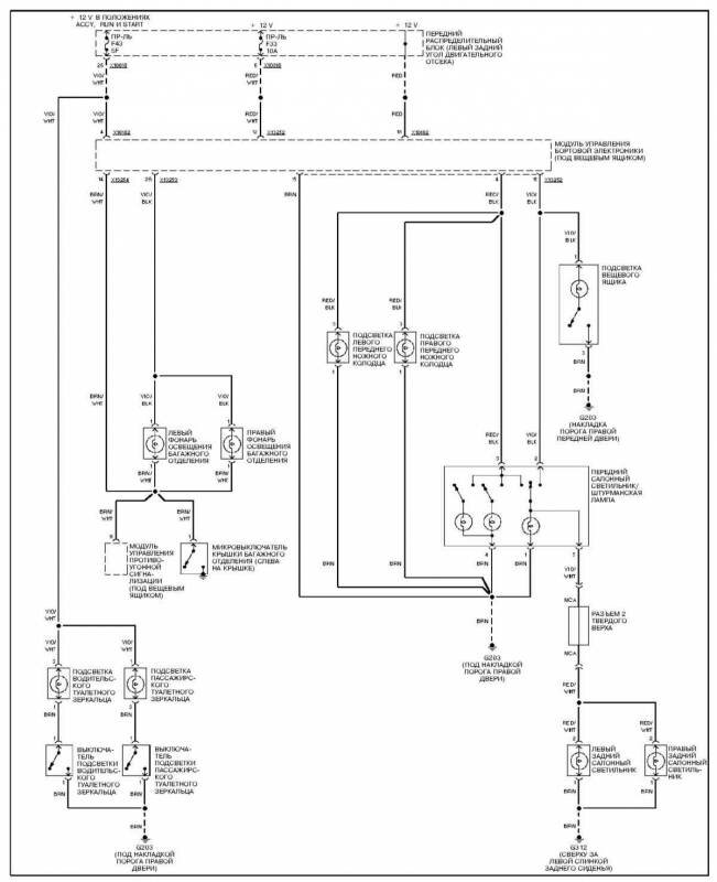
Электросхема освещения салона при открывании дверей

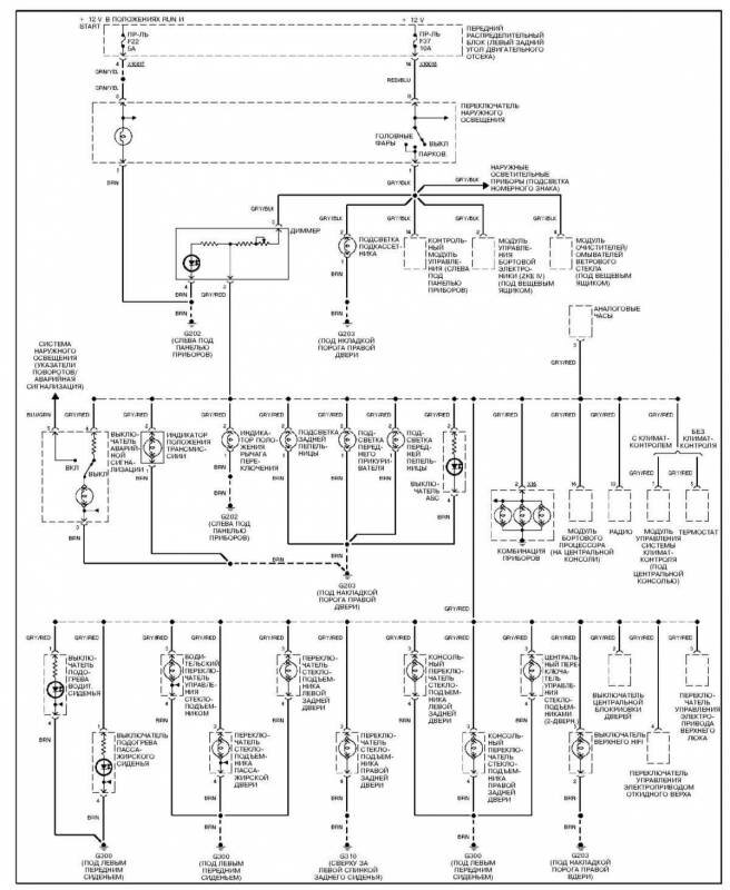
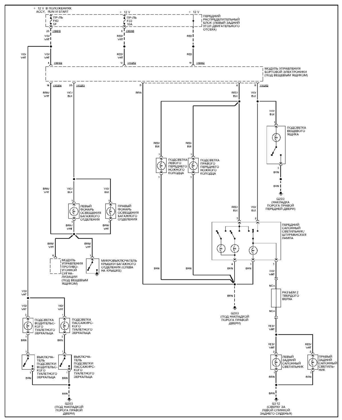
Подсветка приборов БМВ 3

Центральный замок авто

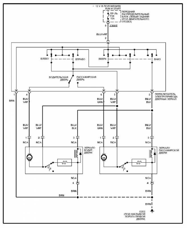
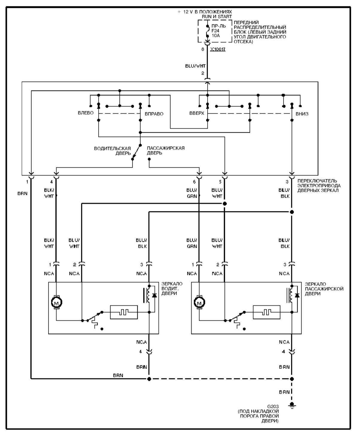
Электропривод дверных зеркал БМВ 3

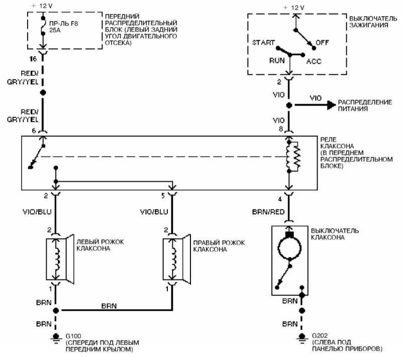
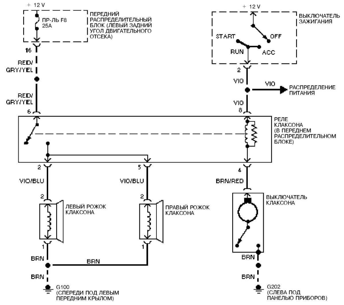
Звуковой сигнал автомобиля

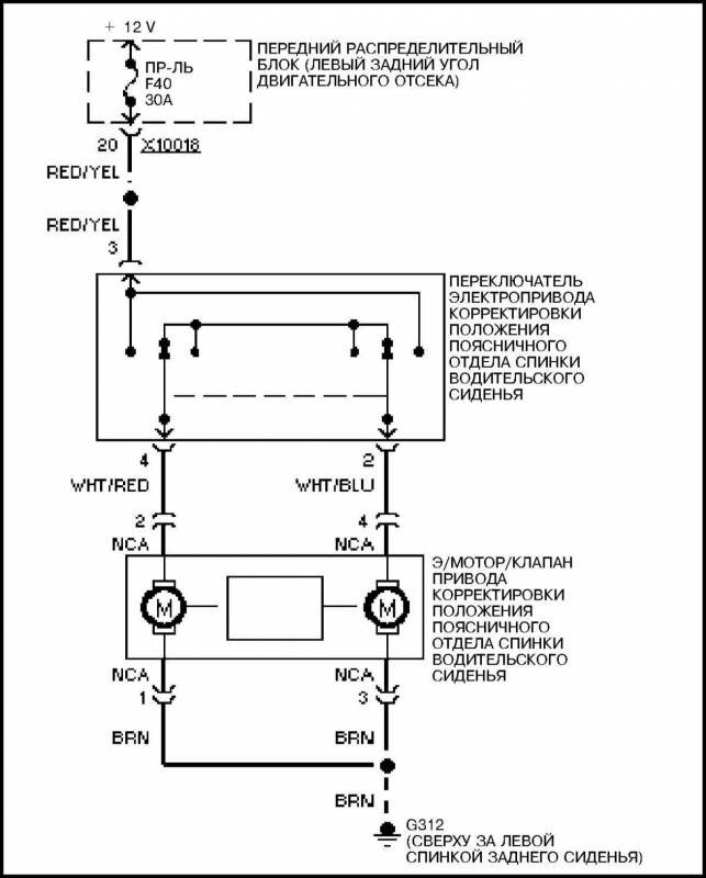
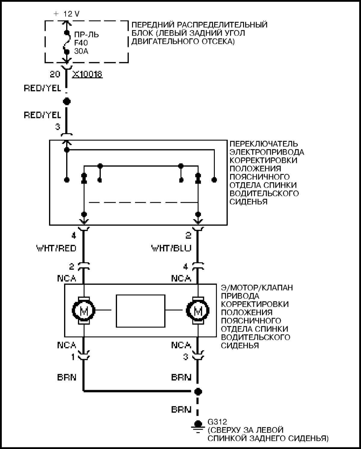
Электропривод спинки водительского сиденья

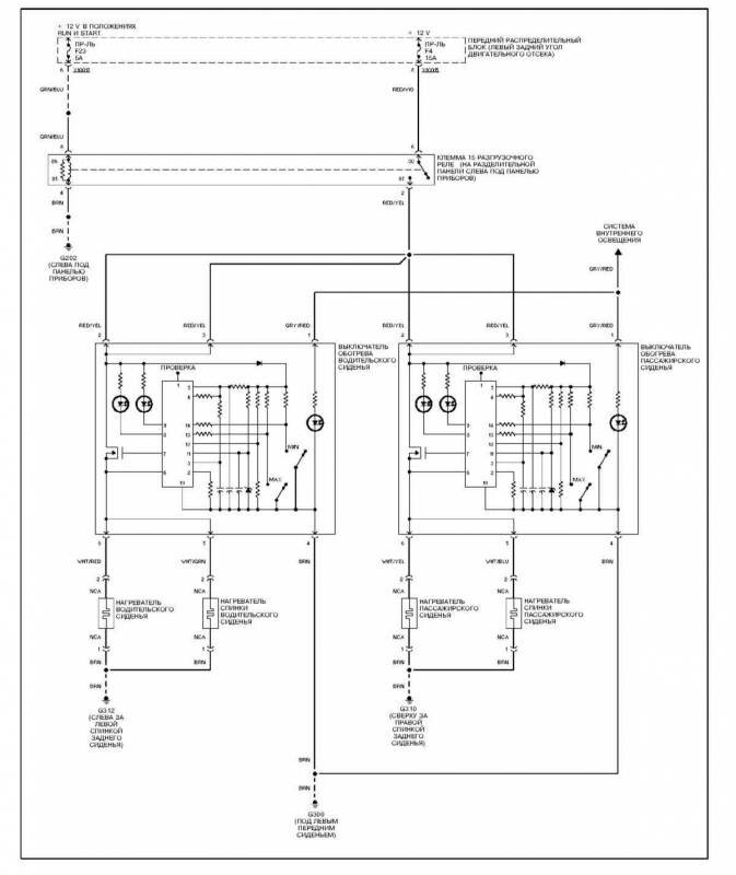
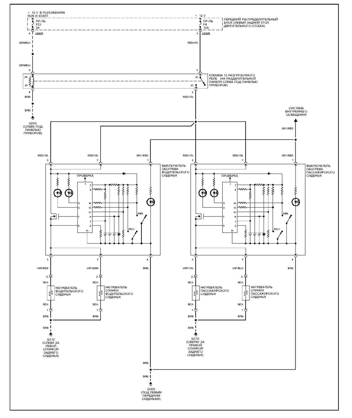
Электросхема подогрева сидений

Электропривод регулировки положения сидений БМВ 3

Электропривод верхнего люка

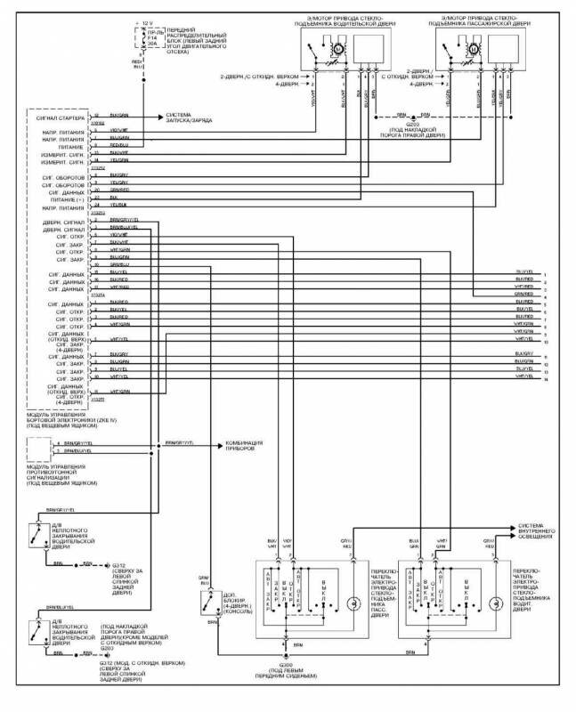
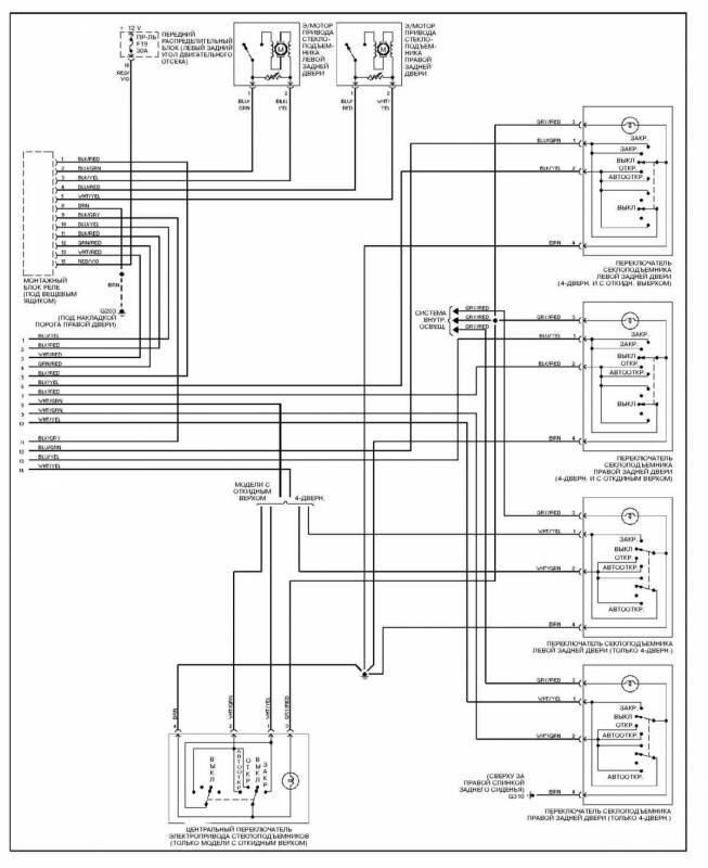
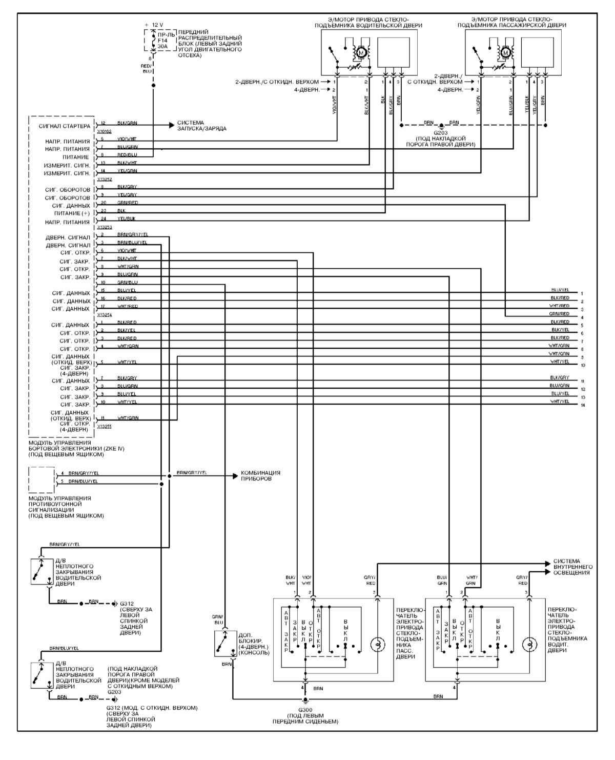
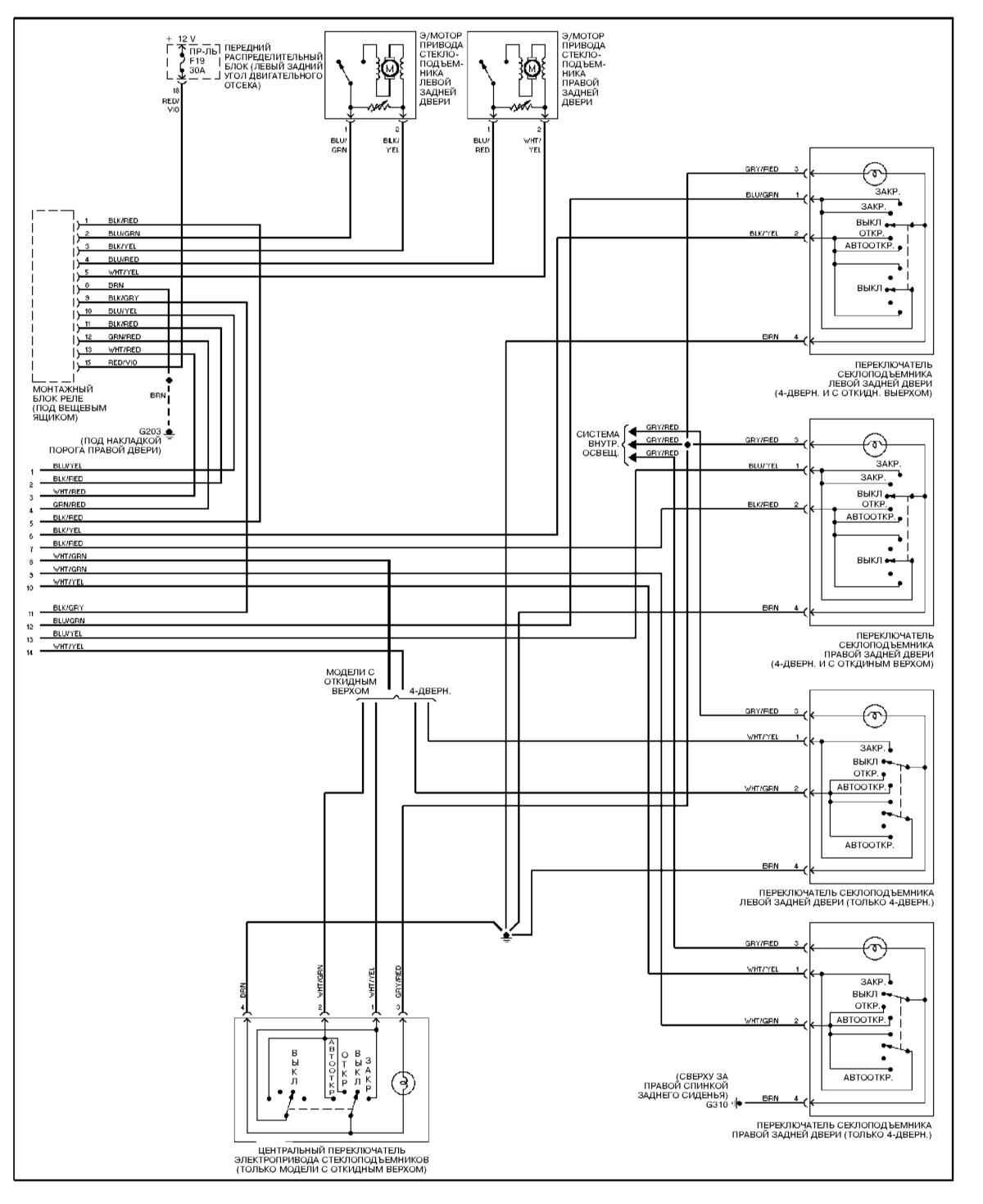
Электросхемы стеклоподъемников


Схема модуля SRS

Сигнальные зуммеры БМВ 3

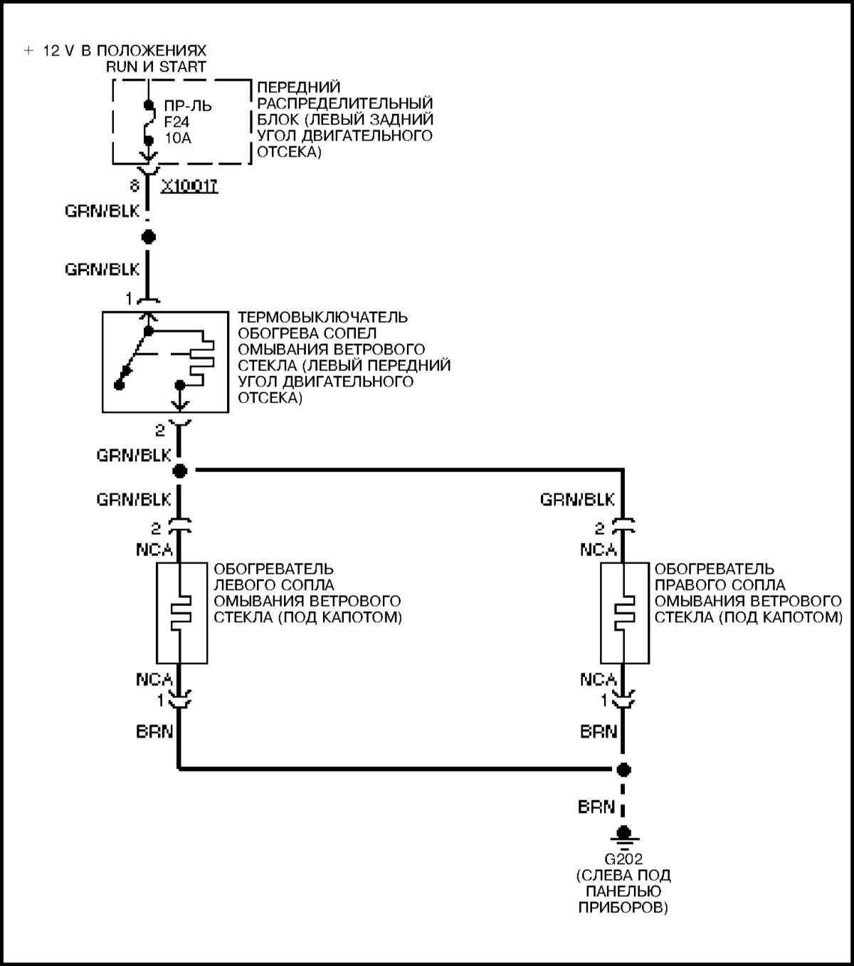
Обогрев сопел омывателей стекла автомобиля

РЕМОНТ АВТОЭЛЕКТРОНИКИ ЗАРЯДНЫЕ УСТРОЙСТВА ДЛЯ АКБ

|