Здесь можно посмотреть электросхемы для автомобиля BMW 3-й серии (E46). Все схемы в хорошем качестве и на русском языке. Представленны схемы таких модулей, как система заряда, управления двигателем, модуль бортового процессора, система антиблокировки тормозов и другие. Продолжение сборника смотрите на следующей странице.
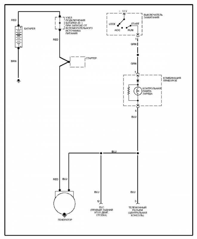
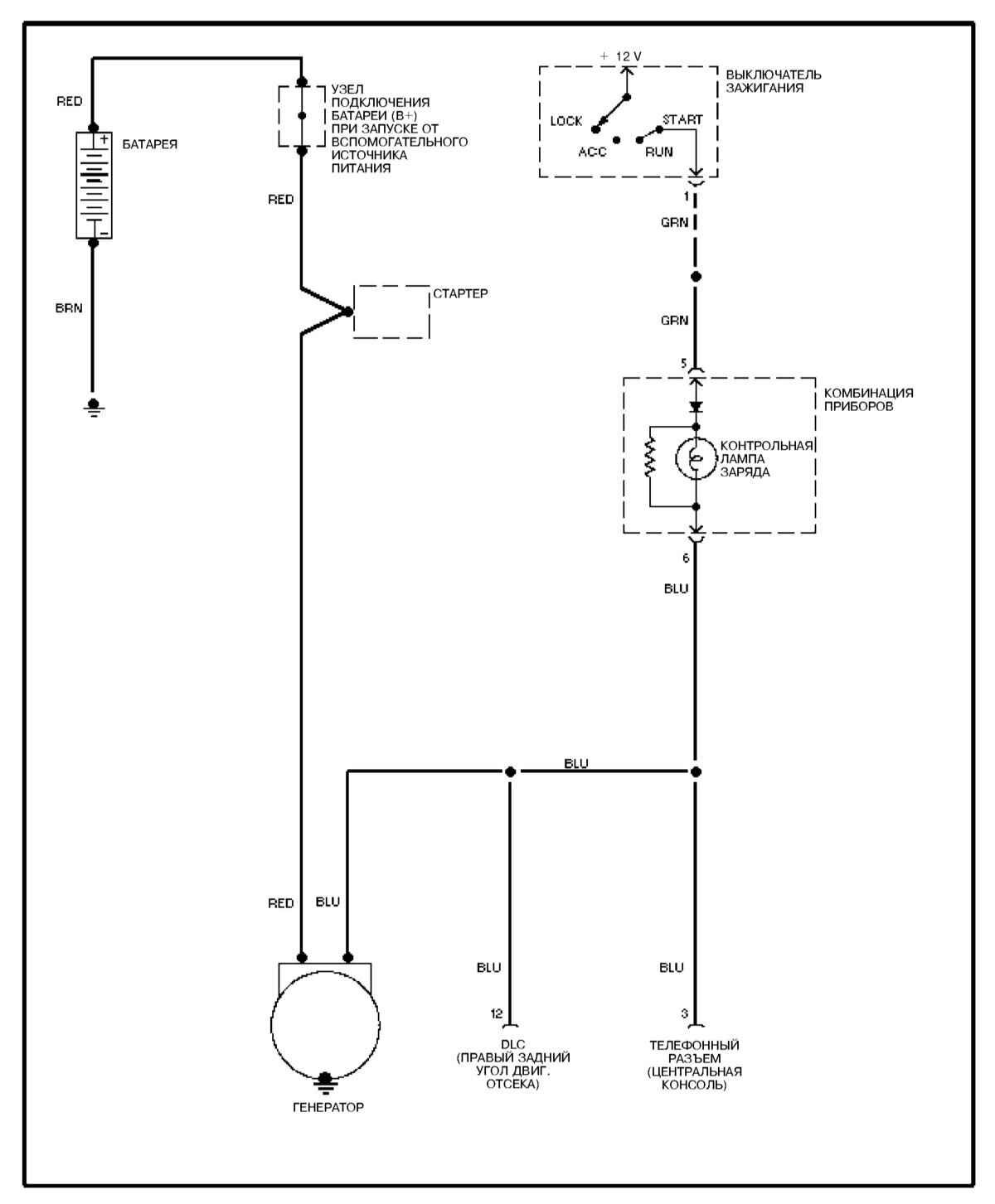
Электросхема заряда BMW 3

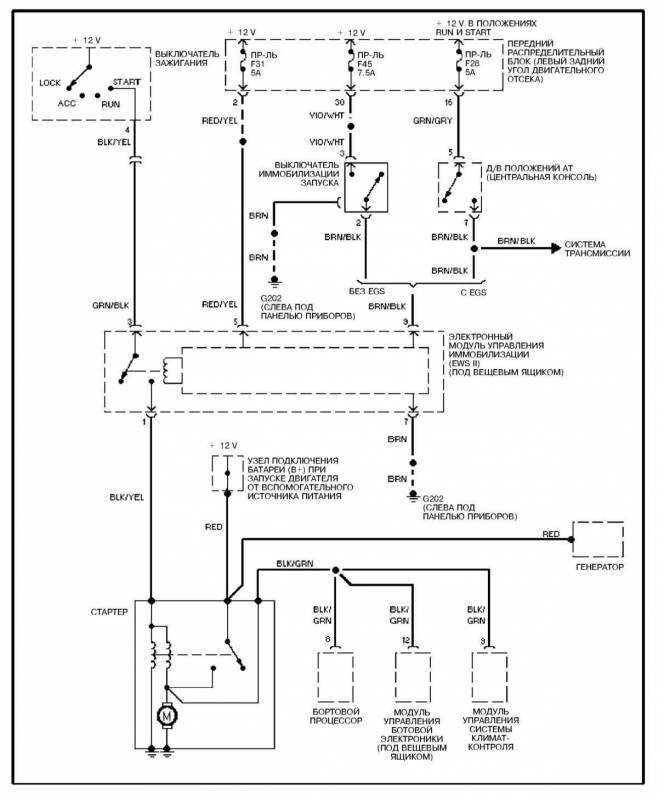
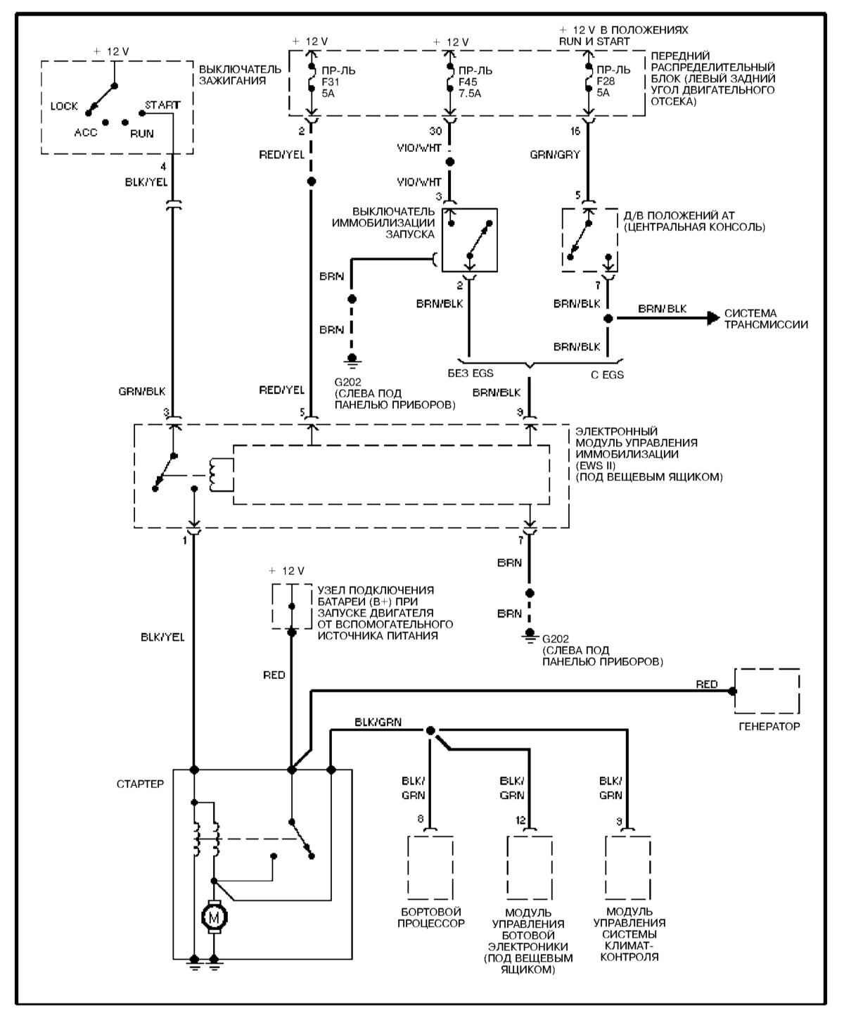
Электросхема запуска

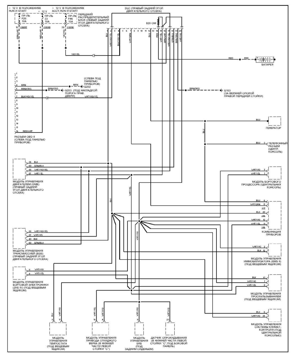
Система управления двигателем

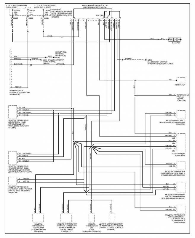
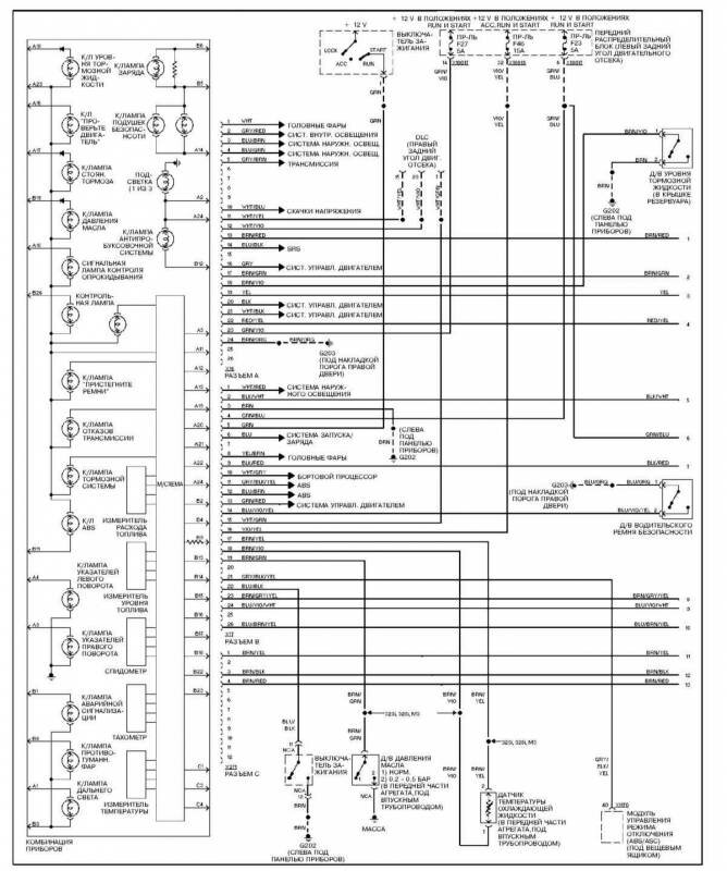
Схема бортового процессора BMW



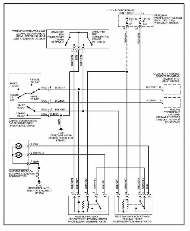
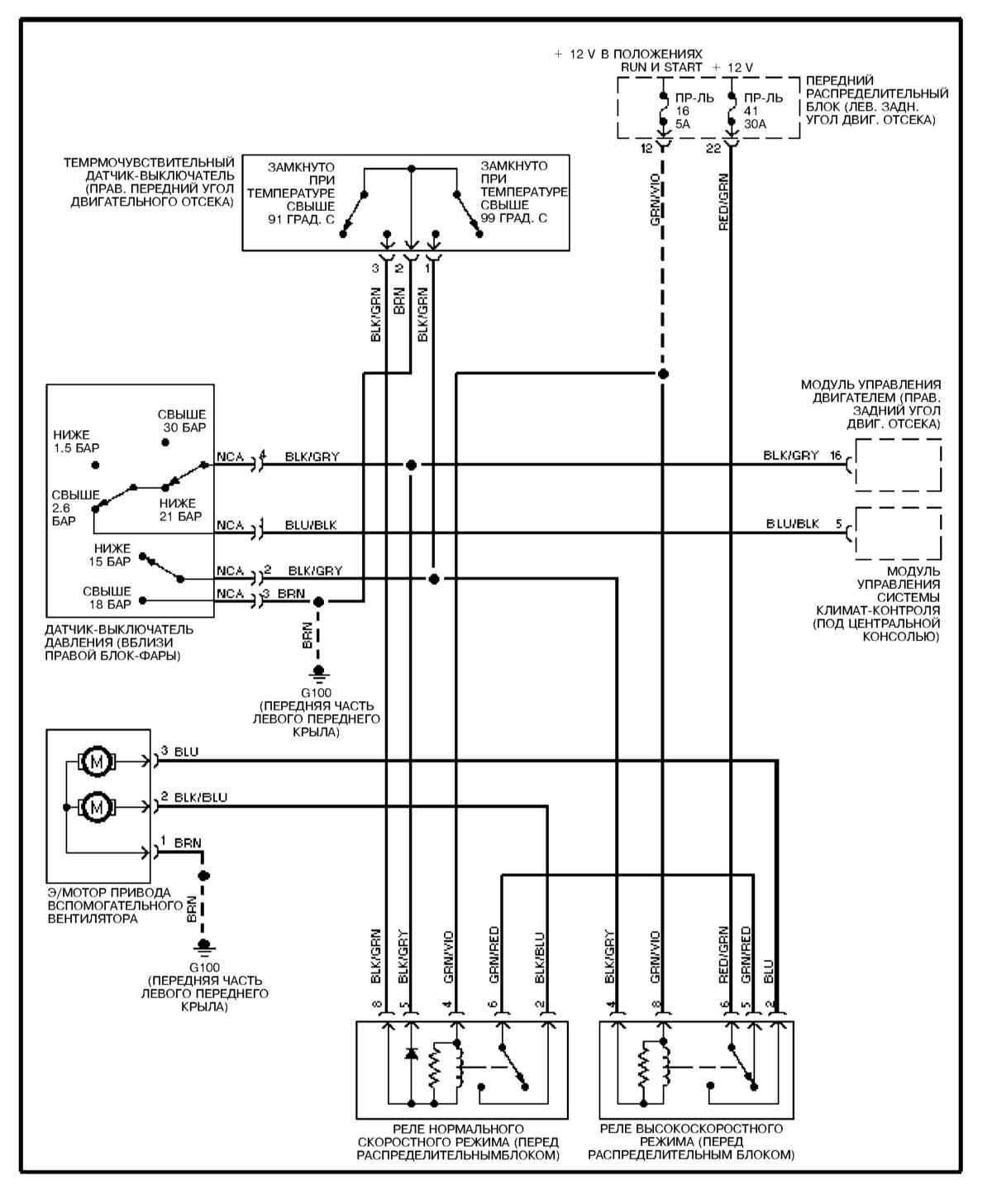
Вентилятор системы охлаждения - схема

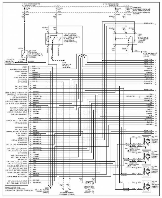
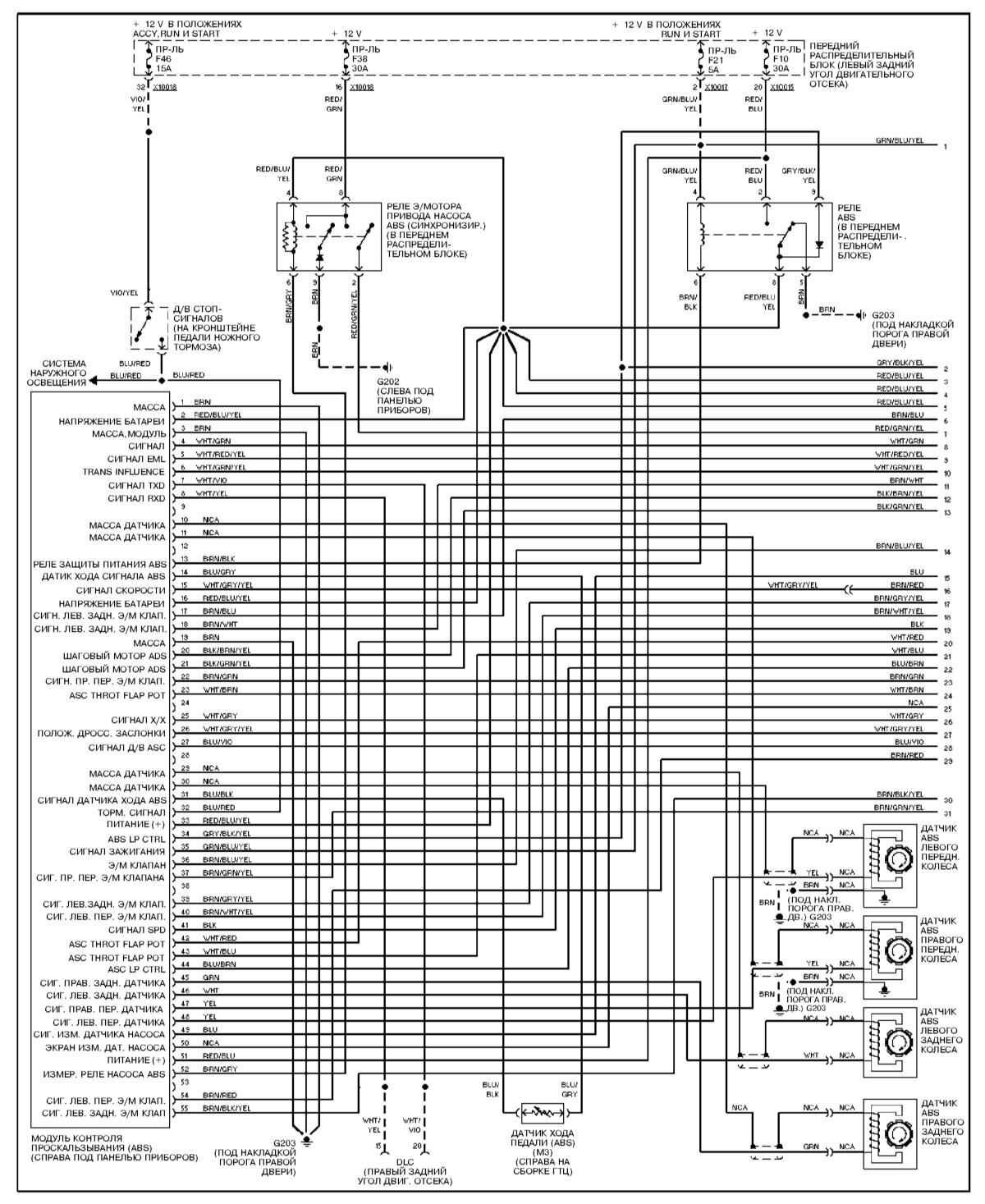
Система антиблокировки тормозов BMW3

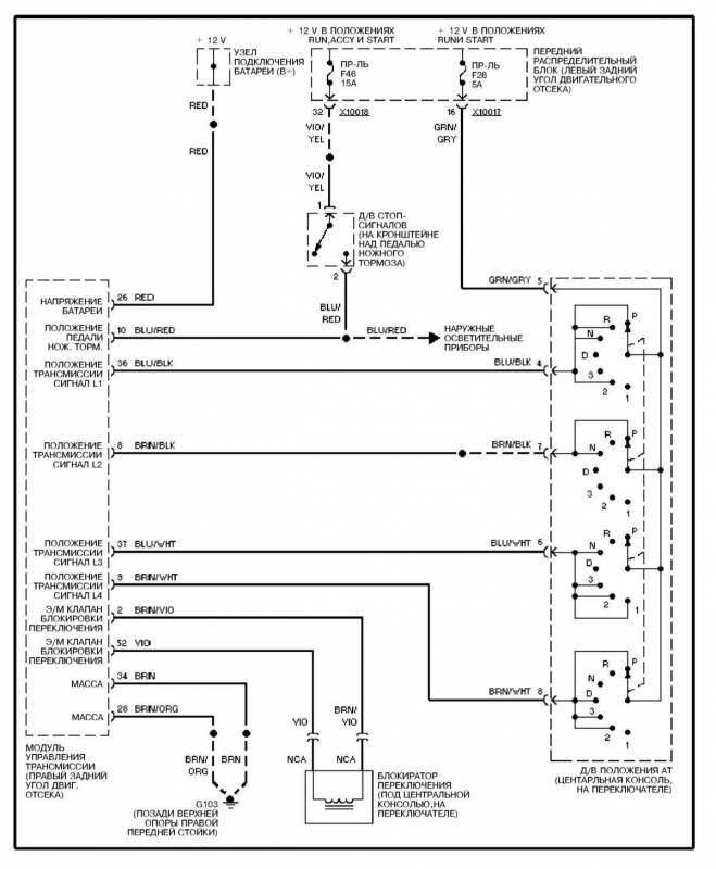
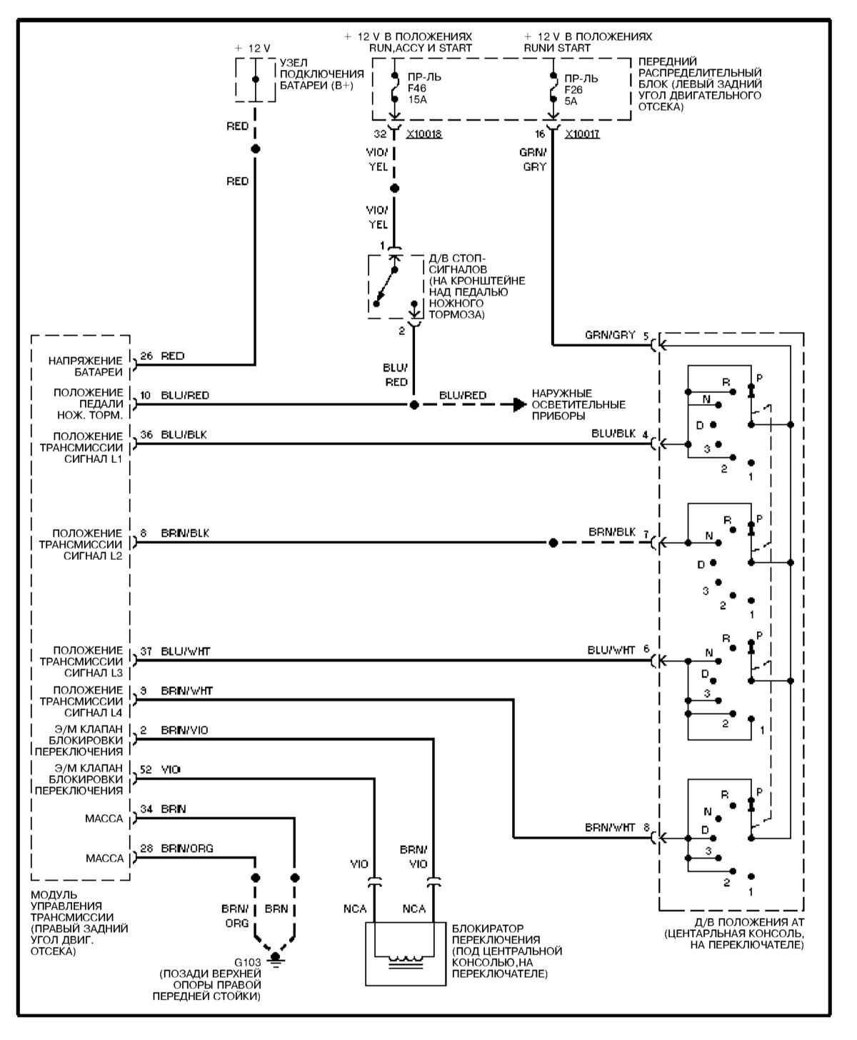
Блокировка переключения передач автомобиля

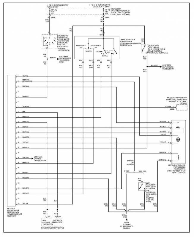
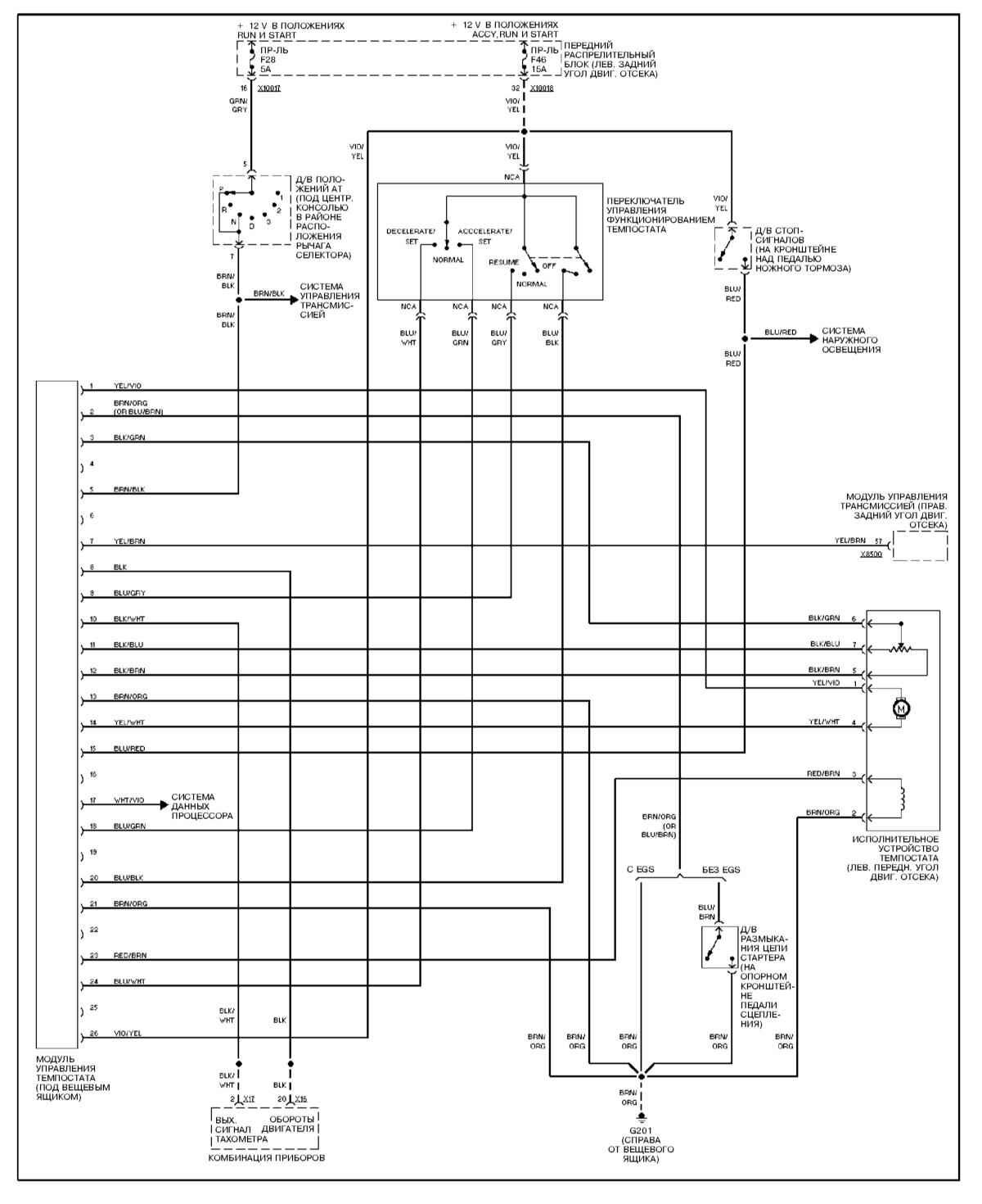
Электросхема модуля управления скоростью

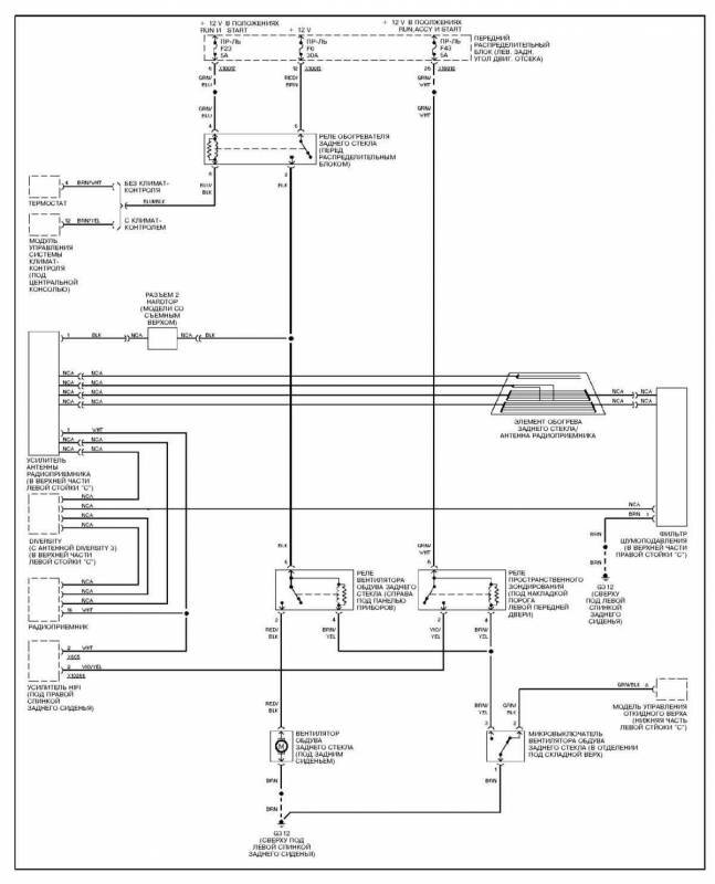
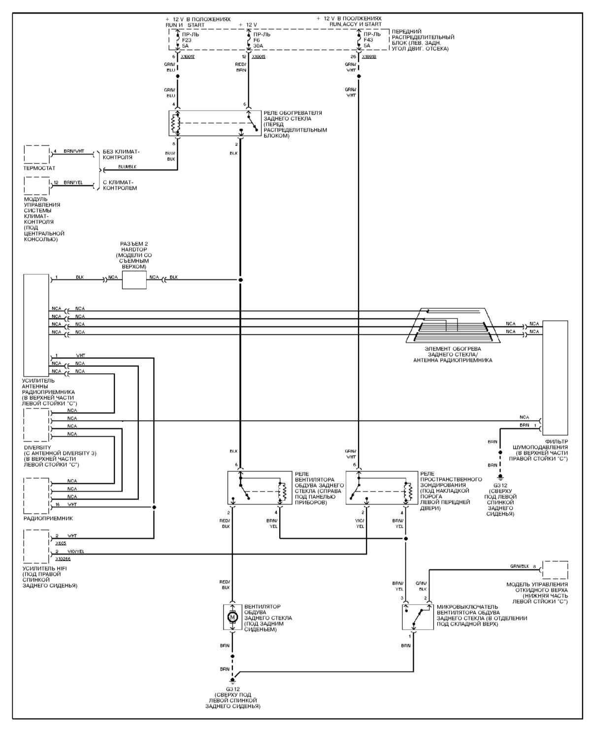
Обогреватели стекол BMW 3

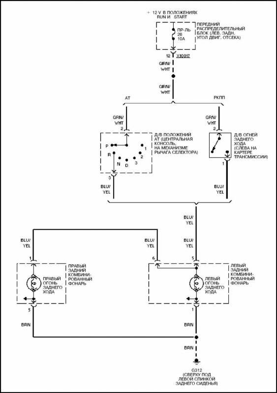
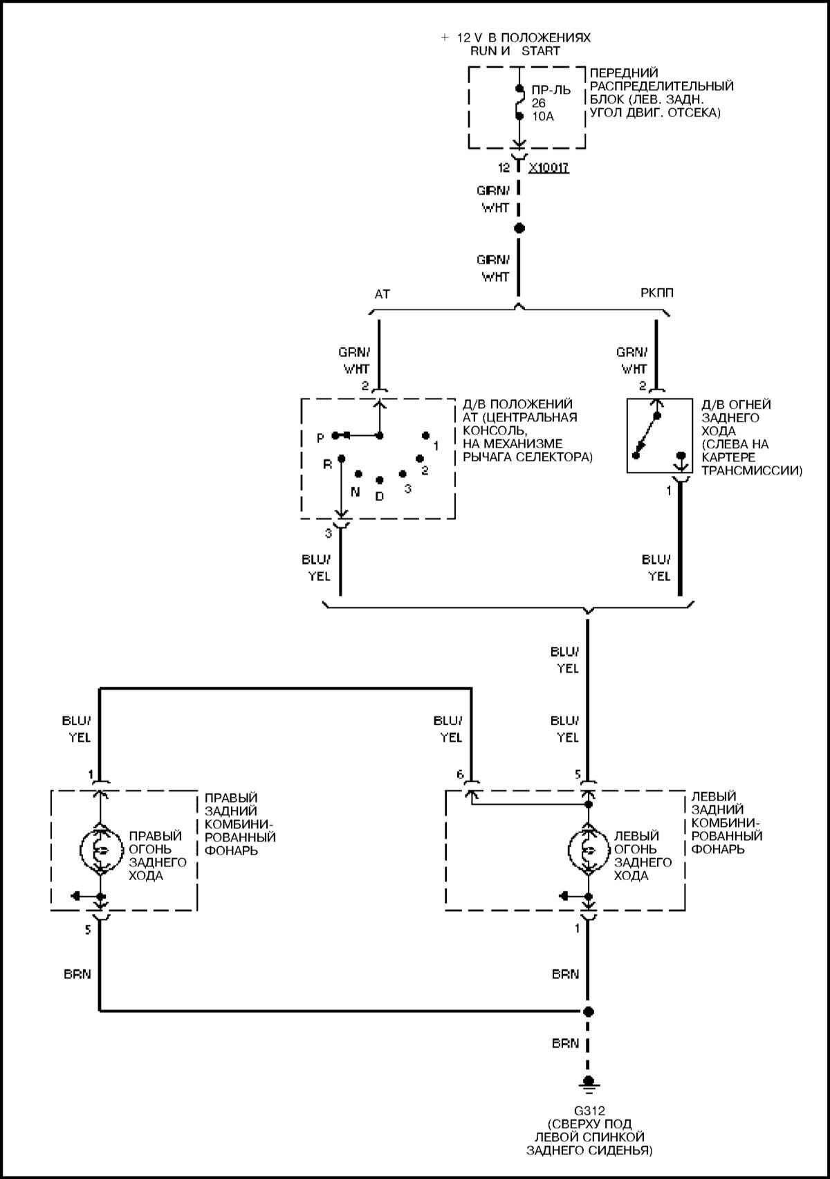
Огни заднего хода BMW 3

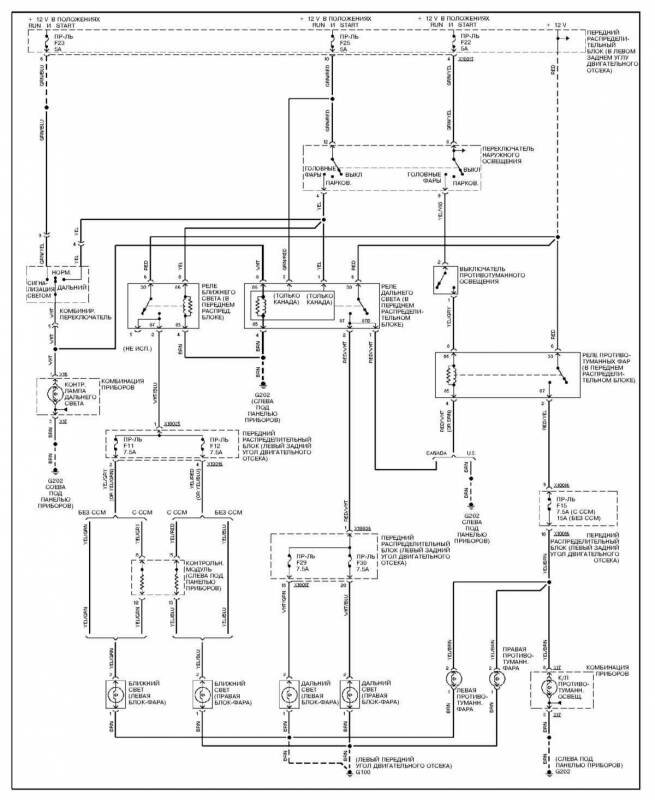
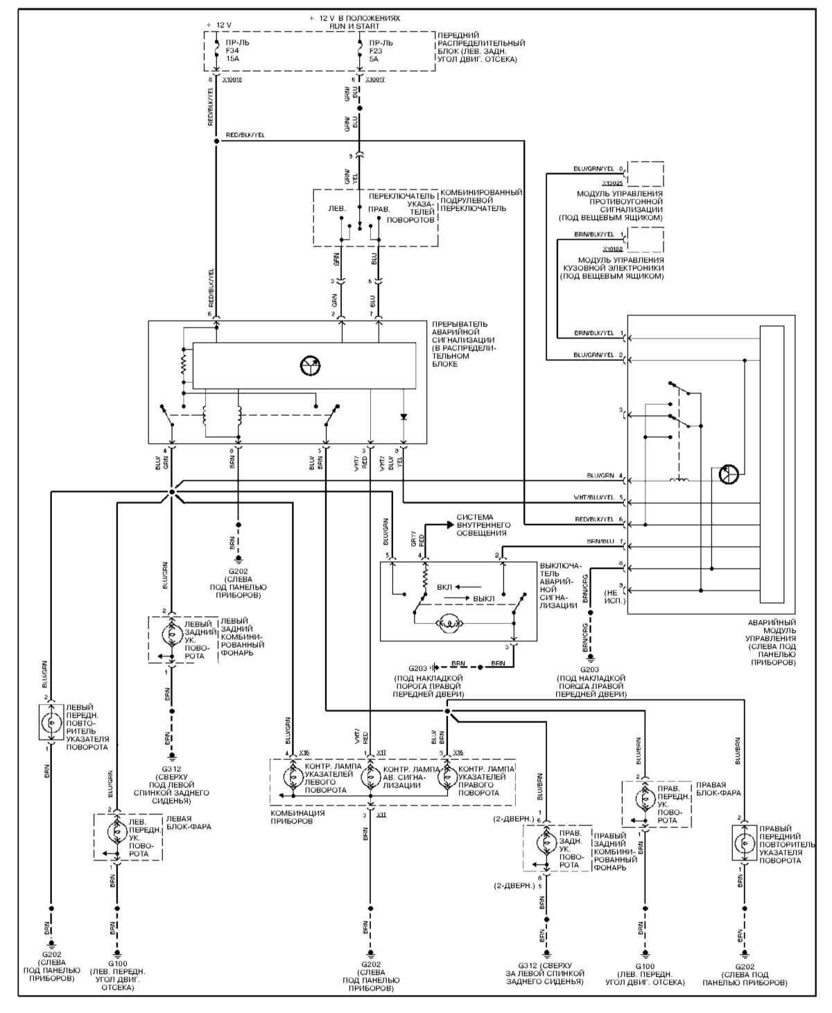
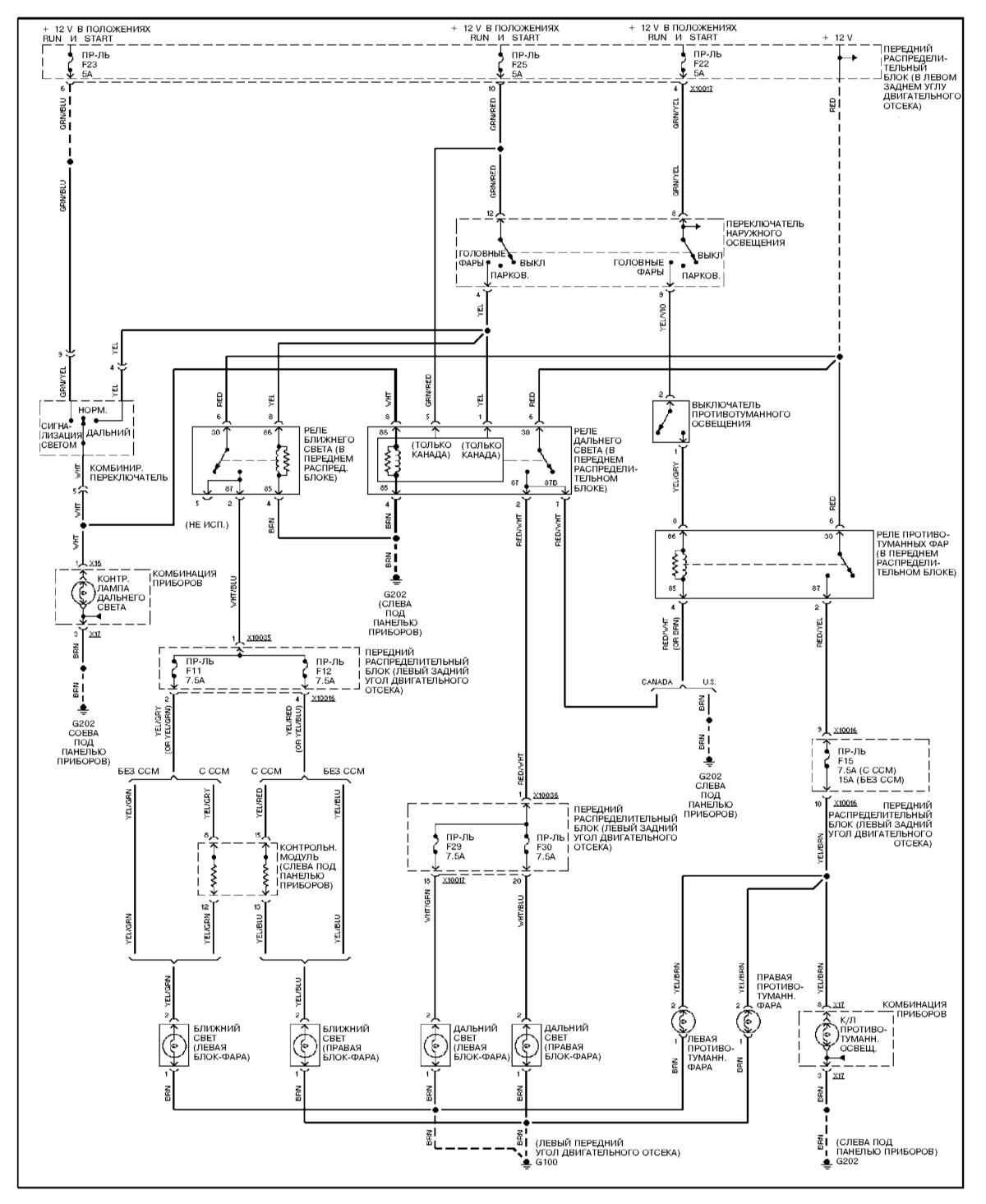
Наружные осветительные приборы автомобиля

Головные фары авто

Комбинация приборов BMW 3

РЕМОНТ АВТОЭЛЕКТРОНИКИ ЗАРЯДНЫЕ УСТРОЙСТВА ДЛЯ АКБ

|