Электросхемы для легкового автомобиля Шкода Фелиция. Все схемы в высоком качестве. Для бесплатного скачивания - кликните на схему. Представлены такие модули, как габаритные огни, задние комбинированные фонари, подсветка номерного знака, освещение багажного отделения и головные фары и т д. Первую часть электрооборудования Шкода Фелиция смотрите здесь.
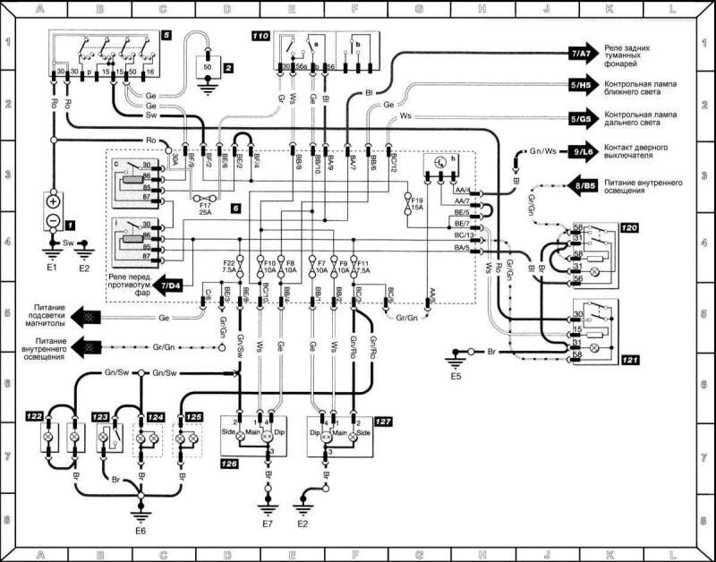
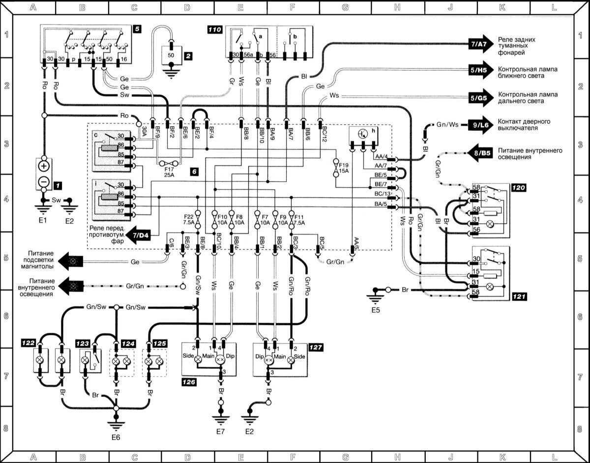
Габаритные огни, задние комбинированные фонари, подсветка номерного знака, освещение багажного отделения и головные фары авто

1 — Батарея
2 — Стартер Шкода Фелиция
5 — Выключатель зажигания
6 — Монтажный блок реле/предохранителей
с = реле контакта "Х”
i = реле дальнего света
h = сигнальный зуммер габаритных огней
110 — Комбинированный переключатель
а = ближний свет/мигание головными фарами
b = указатели поворотов
120 — Выключатель ходовых огней (ближний свет)
121 — Выключатель габаритных огней
122 — Подсветка номерного знака
123 — Выключатель и фонарь освещения багажного отделения
124 — Левый задний фонарь
125 — Правый задний фонарь
126 — Левая головная фара
127 — Правая головная фар
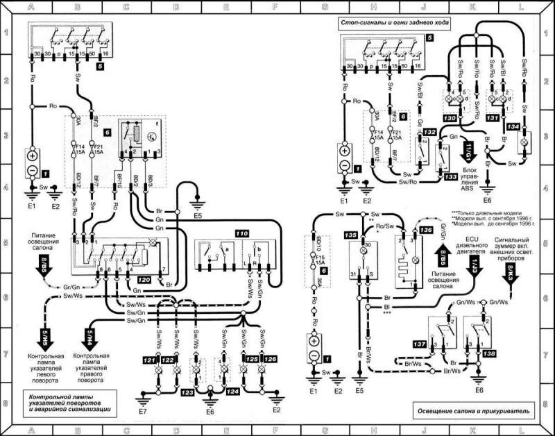
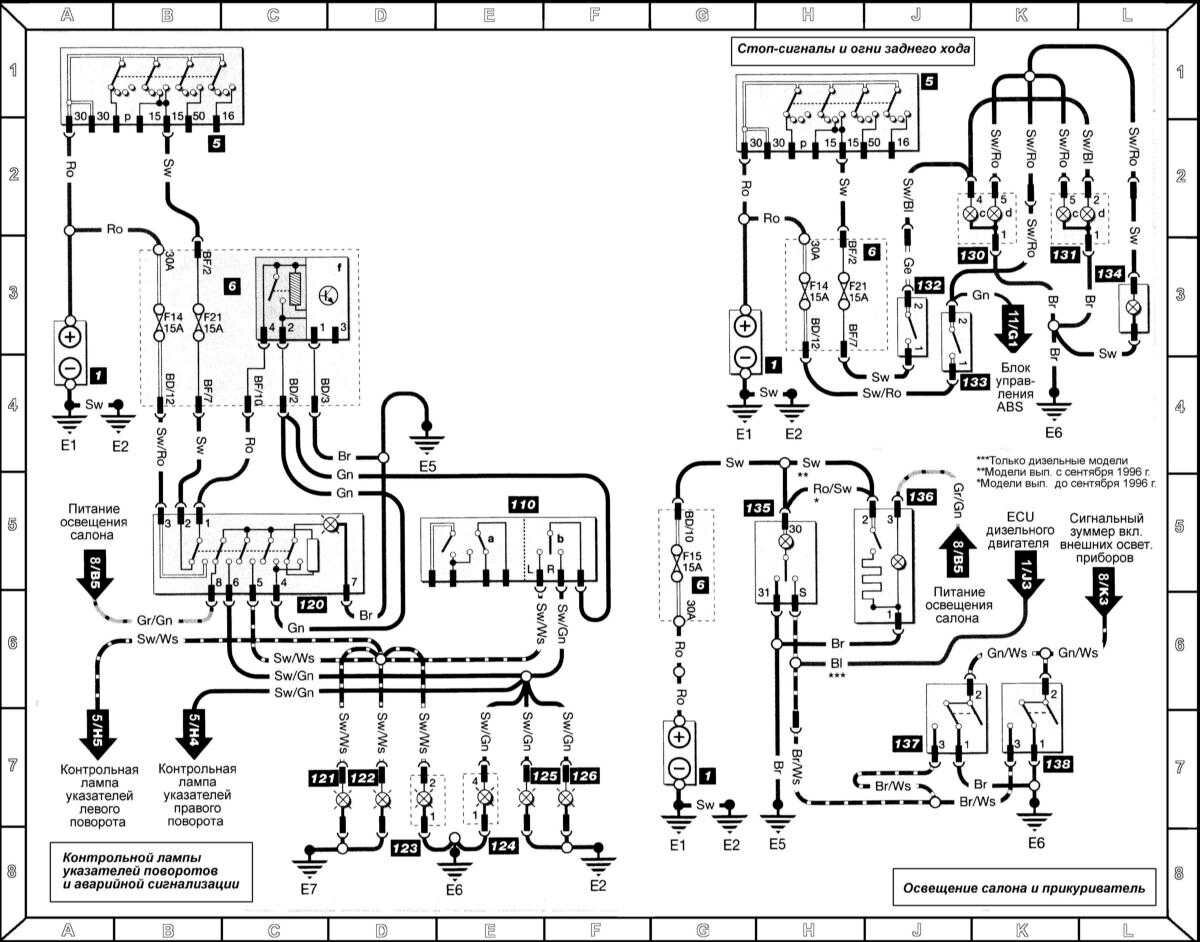
Стоп-сигналы, огни заднего хода, освещение салона, прикуриватель, контрольной лампы указателей поворотов и аварийной сигнализации

1 — Батарея
6 — Монтажный блок реле/предохранителей
f = реле передних противотуманных фар
110 — Комбинированный переключатель
а = ближний свет/мигание головными фарами
b = указатели поворотов
120 — Выключатель аварийной сигнализации
121 — Боковой повторитель указателя левого поворота
122 — Передний указатель левого поворота
123 — Задний указатель левого поворота
124 — Задний указатель правого поворота
125 — Передний указатель правого поворота
126 — Боковой повторитель указателя правого поворота
130 — Левый задний комбинированный фонарь
с = огонь заднего хода
d = стоп-сигнал
131 — Правый задний комбинированный фонарь
с = огонь заднего хода
d = стоп-сигнал
132 — Датчик-выключатель огней заднего хода
133 — Датчик-выключатель стоп-сигналов
134 — стоп-сигнал верхнего уровня
135 — Передний салонный светильник
136 — Прикуриватель
137 — Выключатель водительской двери
138 — Выключатель пассажирской двери
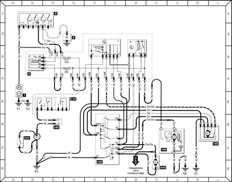
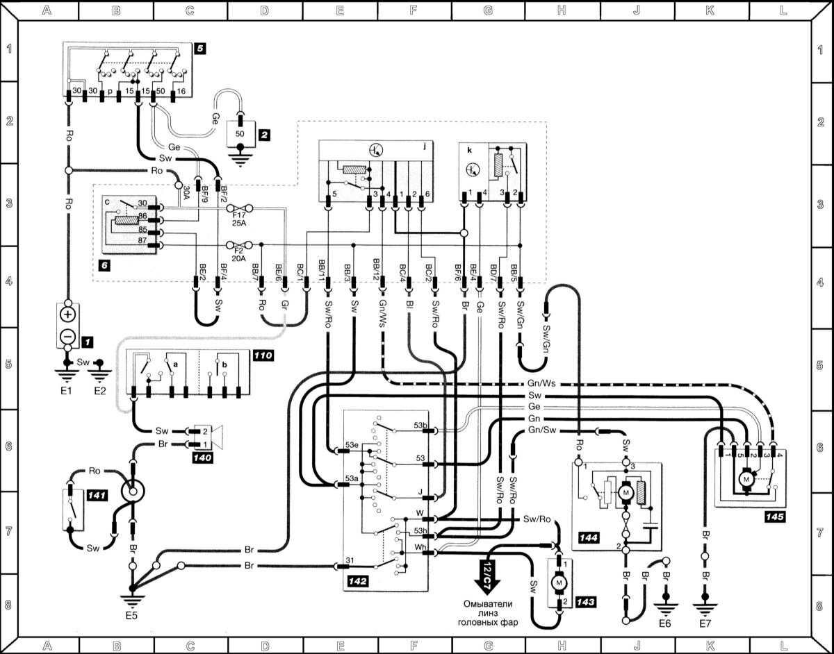
Клаксон, очистители/омыватели ветрового и заднего стекол Шкода Фелиция

1 — Батарея
2 — Стартер
5 — Выключатель зажигания
6 — Монтажный блок реле/предохранителей
с = реле контакта "Х”
j = реле передних омывателей/очистителей
k = реле заднего омывателя/очистителя
110 — Комбинированный переключатель
а = ближний свет/мигание головными фарами
b = указатели поворотов
140 — Клаксон Шкода Фелиция
141 — Выключатель клаксона со скользящим контактным кольцом
142 — Переключатель очистителей/омывателей стекол
143 — Подающий насос передних/заднего омывателей
144 — Приводной мотор заднего стеклоочистителя
145 — Приводной мотор очистителей ветрового стекла
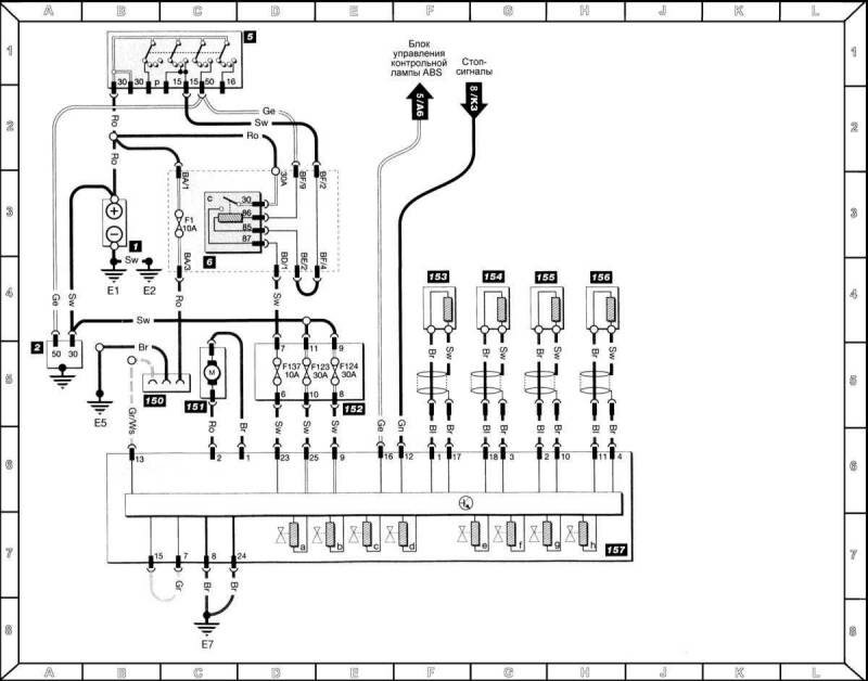
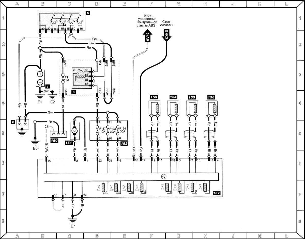
ABS автомобиля Шкода Фелиция

1 — Батарея
2 — Стартер
5 — Выключатель зажигания
6 — Монтажный блок реле/предохранителей
с = реле контакта "Х”
150 — Диагностический разъем
151 — Гидравлический насос ABS
152 — Предохранители блока управления ABS
153 — Датчик правого заднего колеса
154 — Датчик правого переднего колеса
155 — Датчик левого заднего колеса
156 — Датчик левого переднего колеса
157 — Блок управления ABS
а = правый задний впускной клапан
b = левый задний впускной клапан
с = правый задний выпускной клапан
d = левый задний выпускной клапан
е = правый передний впускной клапан
f = правый передний выпускной клапан
g = левый передний впускной клапан
h = левый передний выпускной клапан
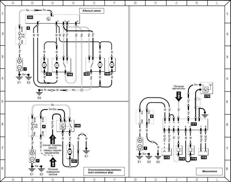
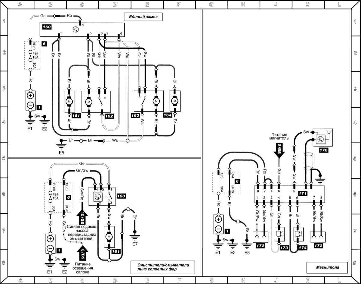
Автомагнитола, единый замок и очистители и омыватели линз головных фар - схема

6 — Монтажный блок реле/предохранителей
160 — Блок управления единого замка
161 — Левый задний позиционер
162 — Левый передний позиционер
163 — Правый задний позиционер
164 — Правый передний позиционер
170 — Антенный усилитель
171 — Магнитола Шкода Фелиция
172 — 2-контактный разъем
173 — Левый передний громкоговоритель
174 — Правый передний громкоговоритель
180 — Реле омывателей линз головных фар
181 — Подающий насос омывателей линз головных фар
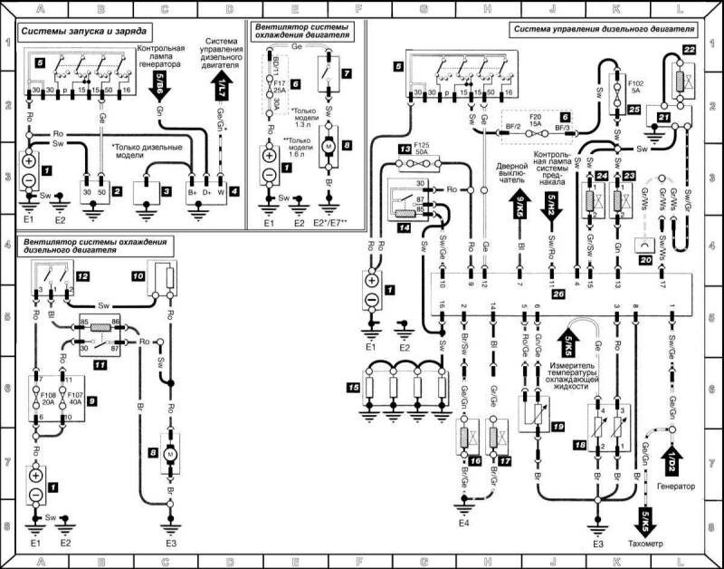
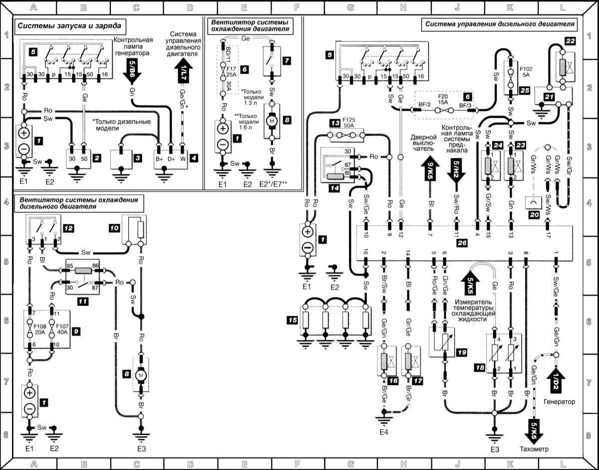
Системы запуска, заряда и управления дизельного двигателя Шкода

Обозначение компонентов
1 — Батарея
2 — Стартер
3 — Фильтр подавления шумов
4 — Генератор
5 — Выключатель зажигания
6 — Монтажный блок реле/предохранителей
7 — Датчик-выключатель вентилятора системы охлаждения
8 — Электромотор вентилятора системы охлаждения
9 — Предохранители вентилятора системы охлаждения (дизельные модели)
10 — Последовательный резистор вентилятора системы охлаждения
11 — Реле вентилятора системы охлаждения второй стадии
12 — Блок датчика-выключателя вентилятора системы охлаждения
13 — Предохранитель свечей накаливания
14 — реле свечей накаливания
15 — Свечи накаливания Шкода Фелиция
16 — Клапан-прерыватель полной нагрузки
17 — Начало подачи топлива клапаном впрыска
18 — CTS
19 — Сигнальный потенциометр нагрузки
20 — Диагностический разъем
21 — Блок управления устройства прекращения подачи топлива
22 — Запорный клапан прекращения подачи топлива
23 — Клапан EGR
24 — Клапан стабилизации оборотов холостого хода
25 — Предохранитель блока управления дизельного двигателя
26 — Блок управления дизельного двигателя Обозначения цвета изоляции электропроводки
Обозначения цвета изоляции электропроводки авто
Ws — Белый
Sw — Черный
Ro — Красный
Br — Коричневый
Gn — Зеленый
Vi — Фиолетовый
Bl — Синий
Gr — Серый
Li — Лиловый
Ge — Желтый
Or — Оранжевый
РЕМОНТ АВТОЭЛЕКТРОНИКИ ЗАРЯДНЫЕ УСТРОЙСТВА ДЛЯ АКБ

|