Электросхемы для легкового автомобиля Skoda Felicia. Все схемы в цветном виде и высоком качестве. Для бесплатного скачивания - кликните на схему. Представлены такие модули, как замок зажигания, коробка предохранителей, указатели поворота, аварийная сигнализация Шкода Фелиция, выключатель стояночных фонарей, фары, двигатель и т д. Вторую часть электрооборудования Шкода Фелиция смотрите здесь.
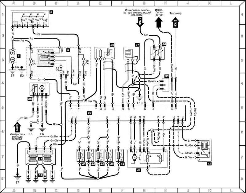
Электросхема управления двигателем Simс Skoda Felicia

1 — Батарея
5 — Выключатель зажигания
6 — Монтажный блок реле/ предохранителей
а = реле топливного насоса
30 — l-зонд
31 — Катушка DIS
32 — Свечи зажигания
33 — Датчик Холла Skoda Felicia
34 — Э/м клапан угольного фильтра
36 — Топливный насос/датчик измерения расхода топлива
37 — Датчик детонации
38 — CTS
39 — ECU системы впрыска топлива
40 — Инжектор впрыска топлива
41 — Потенциометр дроссельной заслонки/датчик-выключатель/ потенциометр холостого хода
42 — Датчик IAT/МАР
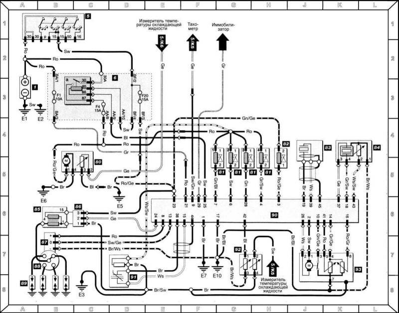
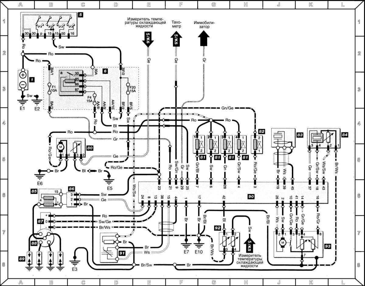
Система управления двигателем Magneti-Marelli

1 — Батарея
5 — Выключатель зажигания
6 — Монтажный блок реле/предохранителей
а = реле топливного насоса
80 — Топливный насос/датчик измерения расхода топлива
81 — Инжектор впрыска топлива
82 — Э/м клапан угольного фильтра
83 — Датчик детонации
84 — Датчик IAT/МАР
85 — Катушка зажигания
86 — Усилитель зажигания
87 — Датчик Холла
88 — Распределитель зажигания
89 — Свечи зажигания
90 — ECU системы впрыска топлива
91 — l-зонд Skoda Felicia
92 — CTS
93 — Потенциометр дроссельной заслонки/датчик-выключатель/потенциометр холостого хода
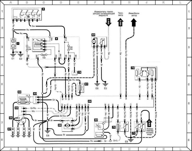
Система управления двигателем Mono-Motronic

1 — Батарея
5 — Выключатель зажигания
6 — Монтажный блок реле/предохранителей
а = реле топливного насоса
60 — Топливный насос/датчик измерения расхода топлива
61 — Э/м клапан угольного фильтра
62 — Катушка зажигания
63 — Усилитель зажигания
64 — ECU системы впрыска топлива
65 — Датчик Холла
66 — Распределитель зажигания
67 — Свечи зажигания
68 — Датчик-выключатель холостого хода
69 — l-зонд
70 — Инжектор впрыска топлива/датчик температуры всасываемого воздуха
71 — CTS
72 — Потенциометр дроссельной заслонки
74 — Соединение иммобилизатора
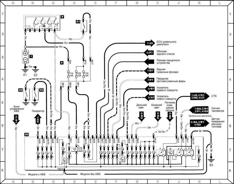
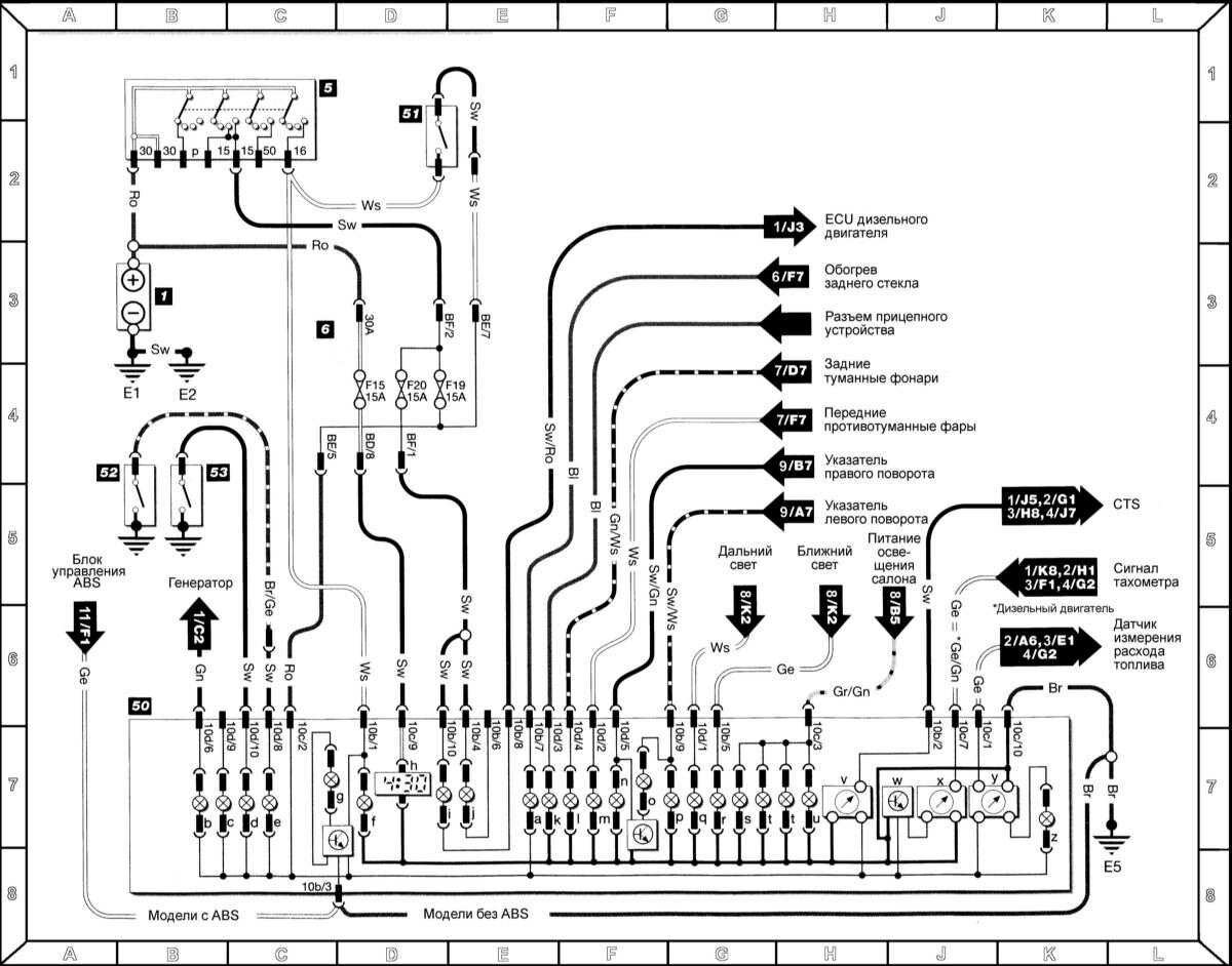
Схема комбинации приборов Skoda Felicia

1 — Батарея Skoda Felicia
5 — Выключатель зажигания
6 — Монтажный блок реле/предохранителей
50 — Комбинация приборов
а = контрольная лампа обогрева заднего стекла
b = контрольная лампа генератора
с = Контрольная лампа системы подушек безопасности
d = контрольная лампа давления масла
е = контрольная лампа стояночного тормоза
f = контрольная лампа падения уровня тормозной жидкости
g = контрольная лампа ABS
h = цифровые часы
i = контрольная лампа системы преднакала
j = контрольная лампа ремней безопасности
k = контрольная лампа прицепа
l = контрольная лампа задних противотуманных фонарей
m = контрольная лампа противотуманных фар
n = указатель правого поворота
о = контрольная лампа аварийной сигнализации
р = указатель левого поворота
q = контрольная лампа дальнего света
r = контрольная лампа ближнего света
s = контрольная лампа габаритных огней
t = подсветка дисплея
u = подсветка цифровых часов
v = измеритель температуры охлаждающей жидкости
w = стабилизатор напряжения
х = счетчик оборотов (только модели GLX)
y = измеритель запаса топлива
z = лампа резерва топлива
51 — Датчик-выключатель уровня тормозной жидкости
52 — Датчик-выключатель стояночного тормоза
53 — Датчик-выключатель давления масла
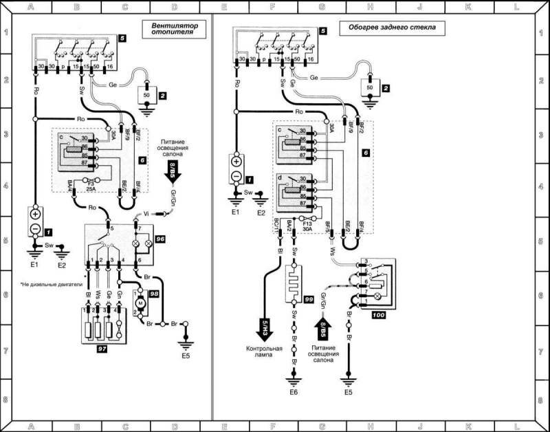
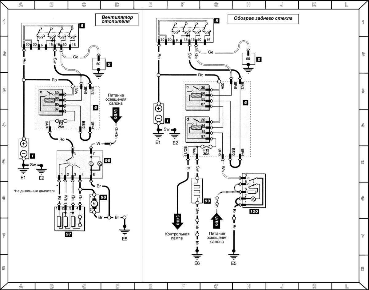
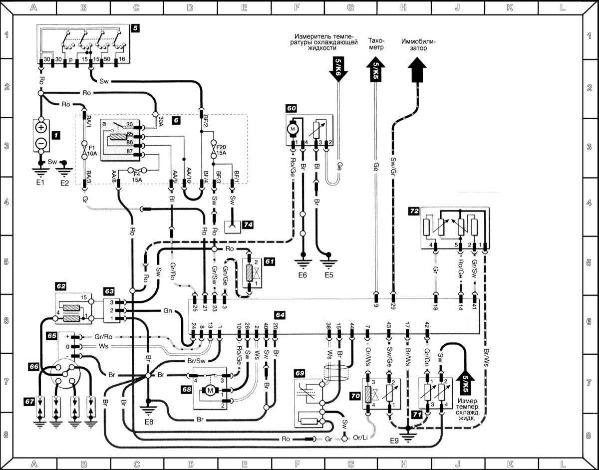
Вентилятор отопителя и обогрев заднего стекла - электросхема

1 — Батарея
2 — Стартер
5 — Выключатель зажигания
6 — Монтажный блок реле/предохранителей
с = реле контакта "Х”
d = реле обогревателя заднего стекла
96 — Выключатель вентилятора отопителя
97 — Резисторы вентилятора отопителя
98 — Электромотор вентилятора отопителя
99 — Обогреватель заднего стекла
100 — Выключатель обогрева заднего стекла
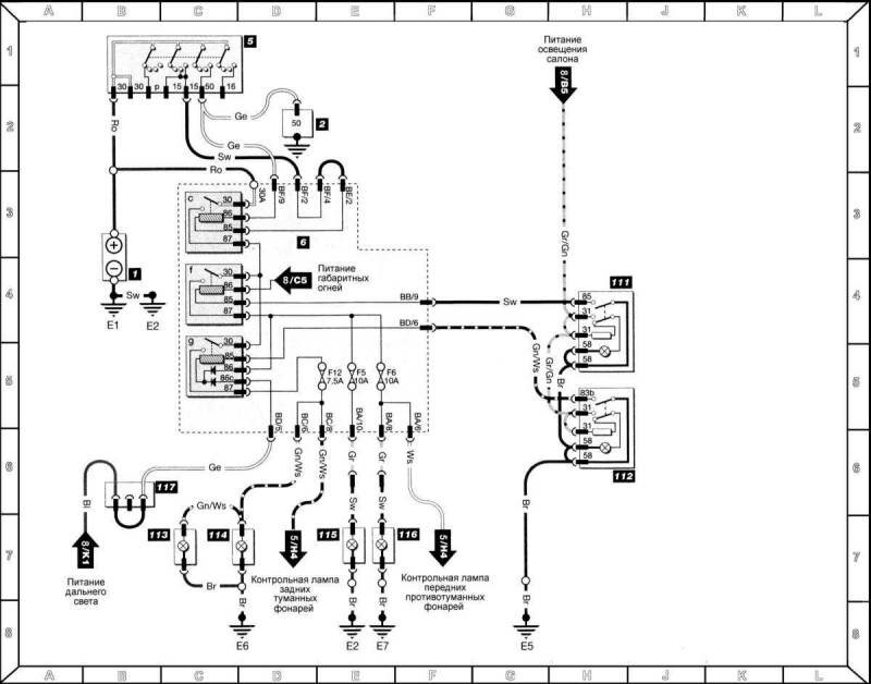
Противотуманные фары и фонари Skoda Felicia

1 — Батарея
2 — Стартер Skoda Felicia
5 — Выключатель зажигания
6 — Монтажный блок реле/предохранителей
с = реле контакта "Х”
f = реле передних противотуманных фар
g = реле задних противотуманных фонарей
111 — Выключатель передних противотуманных фар
112 — Выключатель задних противотуманных фонарей
113 — Правый задний противотуманный фонарь
114 — Левый задний противотуманный фонарь
115 — Правая передняя противотуманная фара
116 — Левая передняя противотуманная фара
117 — 3-контактный разъем
Кодовое обозначения цвета изоляции электропроводки Skoda Felicia:
Ws — Белый
Sw — Черный
Ro — Красный
Br — Коричневый
Gn — Зеленый
Vi — Фиолетовый
Bl — Синий
Gr — Серый
Li — Лиловый
Ge — Желтый
Or — Оранжевый
РЕМОНТ АВТОЭЛЕКТРОНИКИ ЗАРЯДНЫЕ УСТРОЙСТВА ДЛЯ АКБ

|